MBR60200PT-ASEMI大封装肖特基二极管
编辑:ll
MBR60200PT-ASEMI大封装肖特基二极管
型号:MBR60200PT
品牌:ASEMI
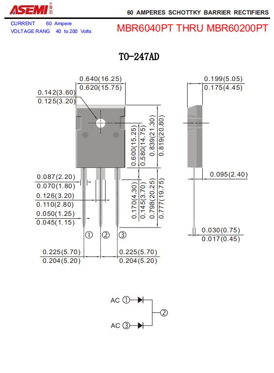
封装:TO-247
电流:60A
电压:200V
正向电压:0.85V
引脚数量:3
芯片个数:2
芯片尺寸:150MIL
恢复时间:<5ns
漏电流:10ua
特性:大功率肖特基二极管
工作温度:-55~+150℃
备受欢迎的MBR60200PT肖特基二极管
ASEMI品牌MBR60200PT是采用工艺芯片,该芯片具有良好的稳定性及抗冲击能力,能够持续保证了MBR60200PT的整流电流稳定在60A,最大反向耐压稳定在200V.
•细节体现差距
MBR60200PT,ASEMI品牌,工艺芯片,工艺制造,该产品稳定性高,抗冲击能力强。
MBR60200PT具体参数为:正向电流:60A,反向耐压:200V,反向电流:5uA,反向恢复时间:5ns,封装:TO-247



ASEMI全系列封装图

ASEMI半导体厂家-强元芯电子专业经营分离式元器件,主要生产销售整流桥系列封装(DB、WOB、BR、KBPC、KBP、KBPM、GBU、GBL、KBL、KBJ、KBU);整流模块(MDS、MTC、MDQ、QLF、SQLF);汽车整流子(25A~50A STD&TVS Button、Cell、MUR);肖特基二极管TO-220(MBR10100、10150、20100、20150、20200、30100、30200全塑封半塑封);肖特基TO-3P/247,整流二极管(STD、FR、HER、SF、SR、TVS、开关管、稳压管);玻璃钝化(GPP)六英寸晶圆等,各种封装参数在ASEMI官网都有详细介绍。

浙公网安备 33010602011771号