SFP6006-ASEMI高耐压大电流快恢复二极管
编辑:ll
SFP6006-ASEMI高耐压大电流快恢复二极管
型号:SFP6006
品牌:ASEMI
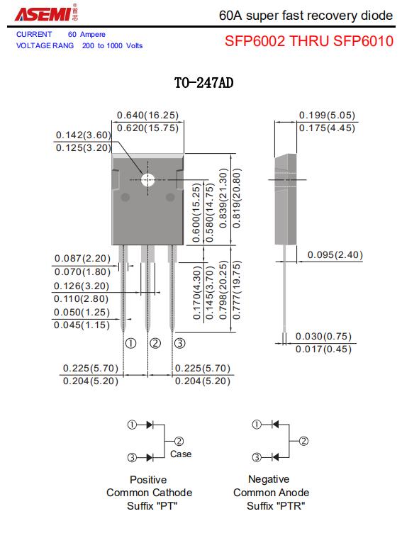
封装:TO-247/3P
恢复时间:35ns
电流:60A
电压:600V
正向电压:1.5V
引脚数量:3
芯片个数:2
芯片尺寸:140MIL
漏电流:10uA
特性:快恢复二极管
工作温度:-40~+170℃
SFP6006的电性参数:最大正向平均电流8A;最大反向峰值电压600V
SFP6004的包装方式:1K/盒,5K/箱
快恢复二极管被广泛适用于:电源、充电器、适配器、LED灯饰、大小家电、民用及工业设备等产品中使用




浙公网安备 33010602011771号