D92-02-ASEMI低压降快恢复二极管TO247封装
编辑:ll
D92-02-ASEMI低压降快恢复二极管TO247封装
型号:D92-02
品牌:ASEMI
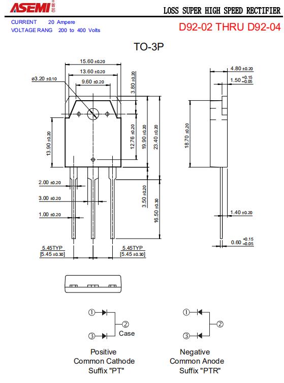
封装:TO-247/3P
恢复时间:35ns
电流:20A
电压:200V
正向电压:0.94V
引脚数量:3
芯片个数:2
芯片尺寸:110MIL*2
漏电流:10uA
特性:快恢复二极管
工作温度:-55~+150℃
从上图中我们可以看出,超快恢复二极管D92-02与普通的快恢复二极管相比,电流,电压,反向漏电流,恢复时间上并不具有优势。
恰恰相反的是,虽然以上的参数是决定某个型号的能否使用,但在实际的工业应用中,我们要考虑的还有更多更重要的参数,那怕他们的电路设计上不具有决定性的影响——能源的消耗。
在不考虑这个情况的应用中,D92-02和普通的快恢复二极管使用差别并不大,但现代社会,节约,越来越受到人们的重视,在更多的企业生产中,人们越来越看重这个问题,这是一个长期的可持续发展的问题,在电路中,整流器件的能源消耗所占比重大,达80%以上,D92-02其压降是0.94V,相比于1.1V的普通的快恢复的压降,它的能源节约率达14%以上,这是一个相当可观的数字, D92-02的优势恰恰在此。
D92-02超快恢复二极管参数:电流:20A;耐压:200V;包装规格为:单管30PCS 每盒装:360pcs;每箱装:1800PCS。
D92-02低压降快恢复二极管广泛应用于高频开关电源、变频器、驱动器等电路,作高频、低压、大电流整流二极管、续流二极管、保护二极管使用,或在微波通信等电路中作整流二极管、小信号检波二极管使用。




浙公网安备 33010602011771号