MDQ300-16-ASEMI大功率单向整流模块MDQ300-16
编辑:ll
MDQ300-16-ASEMI大功率单向整流模块MDQ300-16
型号:MDQ300-16
品牌:ASEMI
封装:MDQ
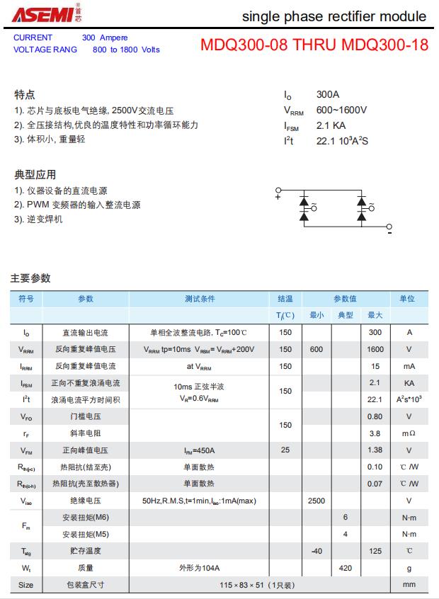
电性参数:300 1600V
电流:300A
电压:1600V
操作温度:-55℃~150℃
恢复时间:500ns
引脚数量:2
特性:大功模块、整流模块、高耐压
产品描述
MDQ300-16整流模块采用玻封GPP工艺芯片,密封性可靠性好,防止电性出现衰降情况
采用镭射激光打标,不易褪色防止翻新;环氧塑脂塑封稳定性好
采用无氧铜框架引脚,镀亮锡防止氧化不上锡、内阻小导电性好
采用5层大瓦楞牛皮纸箱,4道禁锢带保护,耐压耐磨可重复利用
内盒采用防潮塑膜保护,方便仓库长期存贮,上机易上锡易焊接
MDQ300-16的电性参数:最大正向平均电流300A;最大反向峰值电压1600V
MDQ300-16的包装方式:10pcs/盒
MDQ300-16模块被广泛适用于:应用于工业中大部分的单相交流用电设备,马达,电焊机,发电机,变频器,通用电磁炉等设备




浙公网安备 33010602011771号