《安富莱嵌入式周报》第318期:无线电扫描仪,高精度功耗分析仪,单片机JavaScript引擎,平头哥TH1520,手持电钻参考设计,开源LVGL万能遥控器
周报汇总地址:http://www.armbbs.cn/forum.php?mod=forumdisplay&fid=12&filter=typeid&typeid=104

【实战技能视频】基于硬件垂直消隐的多缓冲技术在LVGL, emWin,GUIX和TouchGFX应用
https://www.armbbs.cn/forum.php?mod=viewthread&tid=120114
视频版:
https://www.bilibili.com/video/BV1pV4y1t7VK
1、Sub 1GHz开源无线电扫描仪
由于基于CC1101设计,所以扫描频段也由CC1101决定,即可扫描300-348 MHz、387-464 MHz 和 779-928 MHz。 选择所需的频率,轻松确定您周围活动无线电信号的频率。
软件开源:https://github.com/ESPboy-edu/ESPboy_Sub1GhzScanner
原理图:https://github.com/ESPboy-edu/ESPboy_Sub1GHzInspector
视频:
https://www.armbbs.cn/forum.php?mod=viewthread&tid=120243

2、开源单片机JavaScript引擎Moddable SDK,集成网路,传感器,炫酷GUI,安全性,音频和数据存储等,面向物联网
开源:https://github.com/Moddable-OpenSource/moddable
文档:https://github.com/Moddable-Open ... ublic/documentation
支持源码级调试
Moddable SDK实现了网络Socket和各种基于Socket构建的标准安全网络协议,包括HTTP / HTTPS,WebSockets,MQTT,mDNS,DNS,SNTP和telnet。
还有蓝牙低功耗 (BLE) 协议支持 BLE 外设和中央设备开发
模拟器,支持Windows,Linux和MacOS

GUI效果支持也不错

当前支持了很多硬件,对于ESP8266和ESP32支持,还出了一本书籍。


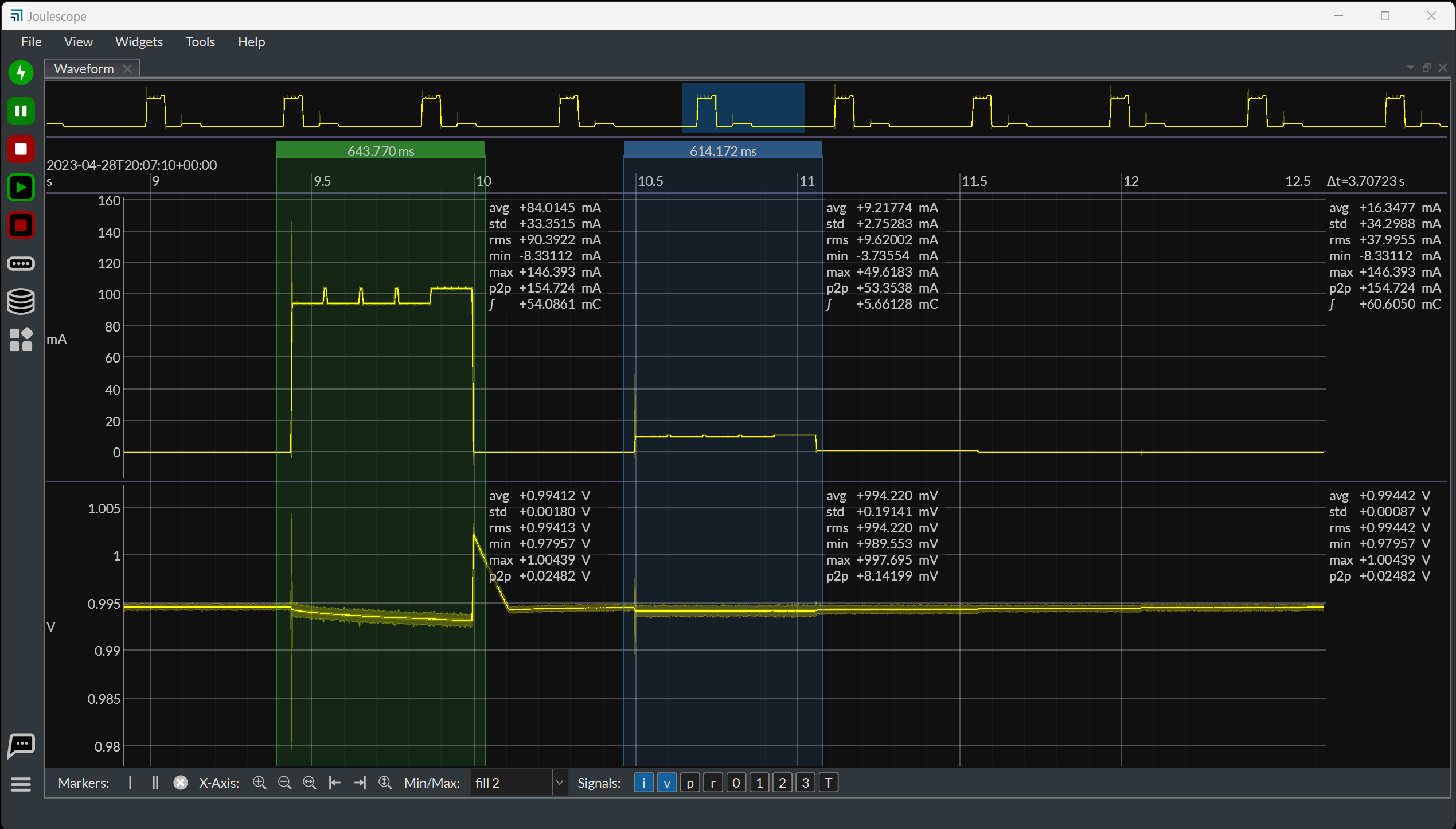
3、高精度功耗分析仪
https://github.com/jetperch/pyjoulescope_ui
最早是在kickstarter上发起的众筹项目,发布之初仅开源了上位机,近期发布上位机V/1.0正式版
规格:


开源的上位机效果:





4、FatFS作者ChaN老师做的激光投影仪项目
http://elm-chan.org/works/vlp/report_e.html
视频效果:
https://www.armbbs.cn/forum.php?mod=viewthread&tid=120243

5、Nordic的无线通信杂志发布2023年第2期,季刊,已经连续推出17年了
地址:https://www.nordicsemi.com/eng/News/ULP-Wireless-Quarter
WQ_Issue_2_2023.pdf (53.88MB)
喜欢Zigbee,蓝牙,LoRa,Thread,WIFI,NBIOT等通信的同学可以看看,杂志做的比较走心,电子版可以免费下载。
这10几年季刊列表:

发几张效果:



6、RTOS
(1)ST升级ThreadX的CMSIS-RTOS V2封装层API
https://github.com/STMicroelectronics/STM32CubeU5/tree/main/Middlewares/ST/cmsis_rtos_threadx
当前支持情况整理:

(2)Nordic分享的Zephyr教程:
https://developer.nordicsemi.com ... oduction/index.html

(3)FreeRTOS内核升级至V10.6.0
FreeRTOS-KernelV10.6.0.zip (2.94 MB)
https://github.com/FreeRTOS/FreeRTOS-Kernel/releases
主要是MPU封装层的更新,其他大部分是网友们贡献的微更。

(4)NuttX V12.2.0/12.2.1发布
nuttx-nuttx-12.2.1.zip (69.29MB)
更新内容太多,贴部分截图:
https://github.com/apache/nuttx/blob/master/ReleaseNotes

7、大量使用二极管构建的时钟
https://hackaday.io/project/11677-the-diode-clock
作者设计了几种PCB,使任何数字逻辑电路都可以使用二极管逻辑构建。该时钟采用了46个DDL01 hex NOR板组成,8000多个分离元件。






8、树莓派开源线上代码编辑器
https://www.raspberrypi.org/blog/code-editor-open-source/
https://projects.raspberrypi.org/en/projects/hello-world-editor

9、资讯
(1)Sigfox 已正式加入 LoRa 联盟
2022年初,Sigfox申请了破产保护. 后被Unabiz收购。

(2)Beagleboard推出基于平头哥TH1520评估板
https://beagleboard.org/beaglev-ahead




(3)ST分享的手持电钻参考设计
https://www.st.com/en/evaluation-tools/stdes-ptool3a.html


10、开源万能遥控器
此作品参与了下一阶段Hackaday比赛
https://hackaday.io/project/191752-omote-diy-universal-remote
https://github.com/CoretechR/OMOTE
规格:




11、H7-TOOL本周进展
H7-TOOL详细介绍:https://www.armbbs.cn/forum.php?mod=viewthread&tid=89934
(1)H7-TOOL发布固件V2.22, 增加FreeRTOS/uCOS2 Trace,加强RTT和CAN助手,脱机烧录增加比亚迪,上海芯圣51, TI, S32K3, 钜泉光电等
https://www.armbbs.cn/forum.php?mod=viewthread&tid=120040

(2)H7-TOOL固件发布一个微更版本V2.23,修改两个反馈的bug
https://www.armbbs.cn/forum.php?mod=viewthread&tid=120140
主要是修正更新2.22版本时产生的bug

(3)分享个RTT和Event Recorder二合一工程,实现H7-TOOL离线使用RTT,在线仿真调试使用Event Recorder方案
https://www.armbbs.cn/forum.php?mod=viewthread&tid=120224
离线RTT:

Event Recorder:

(4)加强H7-TOOL的RTOS Trace功能,开始制作图形化链表展示,让大家更直观的看内核实现
从源码的角度来看,OS内核源码就是通过各种链表组装起来的,为了让大家更直观的看内核实现,开始支持一键查看链表
比如任务TCB控制块链表,这种链表会让大家心里更有底

已经开始制作RTX5, ThreadX, uCOS-II,uCOS-III和FreeRTOS的一键查看链表功能,下面是初步制作的uCOS-II的链表查看效果,可以方便的了解内核组合结构。


浙公网安备 33010602011771号