LVDS与LVPECL简介与电平标准
LVPECL:(low voltage positive emitter couped logic) ECL:发射极耦合逻辑是数字逻辑的一种非饱和形式(简称ECL),它可以消除影响速度特性的晶体管存储时间,因而能实现高速运行。发射极耦合是指电路内的差动放大器以发射极相连接,使差动放大器的输入阻抗高、电压增益大电路的输出部分为射极跟随器,以便恢复逻辑电平,降低输出阻抗,因而整个电路扇出容量大,驱动后续电路的能力强。当前在科学研究以及应用技术中要求数据获取的速度越来越快,数据的容量也越来越大,因而高速逻辑以及寄存单元都由发射极合逻辑构成.
PECL:PECL,指的是正射极耦合逻辑电平。 在电子技术中,PECL代表正射极耦合逻辑电平。如果省掉ECL电路中的负电源,采用正电源的系统(+5 V),可将VCC接到正电源而VEE接到零点。这样的电平通常被称为PECL(Positive Emitter Coupled Logic)。如果采用+3.3 V供电,则称为LVPECL。
PECL:
VCC=5V
VOH=4.12V,VOL=3.28V
VIH=3.78V,VIL=3.64V
LVPECL:
VCC=3.3V
VOH=2.42V,VOL=1.58V
VIH=2.06V,VIL=1.94V
1 LVDS信号介绍 Low Voltage Differential Signaling,低电压差分信号。
LVDS传输支持速率一般在155Mbps(大约为77MHZ)以上,推荐最大速率为655Mbps,理论极限速率为1.923Mbps。LVDS是一种低摆幅的差分信号技术,它使得信号能在差分PCB线对或平衡电缆上以几百Mbps的速率传输,其低压幅和低电流驱动输出实现了低噪声和低功耗。
①LVDS信号传输的组成
LVDS信号传输组成图
LVDS信号传输一般由三部分组成:差分信号发送器,差分信号互联器,差分信号接收器。差分信号发送器:将非平衡传输的TTL信号转换成平衡传输的LVDS信号。差分信号接收器:将平衡传输的LVDS信号转换成非平衡传输的TTL信号。差分信号互联器:包括连接线(电缆或者PCB走线),终端匹配电阻。终端电阻R为100欧。
② LVDS信号电平特性
LVDS接口的偏置电压为1.2V,提供350mV的摆幅。如下图,LVDS驱动器由一个驱动差分线对的电流源组成,通常电流为3.5mA),在差分线上改变方向来表示 0 和 1。LVDS接收器具有很高的输入阻抗,因此驱动器输出的电流大部分都流过100Ω的匹配电阻,并在接收器的输入端产生大约350mV 的电压。电流源为恒流特性,大小为3.5mA,终端电阻在100-120欧姆之间,则电压摆动幅度为:350mV---420mV 。

由于LVDS信号电平变化在0.85-1.55V之间,其由逻辑低电平到逻辑高电平变化的时间比TTL电平要快得多,所以LVDS更适合用于传输高速变化信号。其低压低电流,噪声低功耗也低。 多用于板内信号传输。
LVDS使用注意:速率可以最快可达到600M以上,对PCB布线要求较高,差分线要求严格等长,差最好不超过10mil(0.25mm)。100欧电阻离接收端距离不能超过500mil,最好控制在300mil以内。
③ 差分信号抗噪特性
从差分信号传输线路上可以看出,若是线路没有干扰的理想情况下,在发送侧可以形象理解为:IN=(IN+)-(IN-), 在接收侧可以理解为:OUT=(IN+)-(IN-), 所以:OUT=IN。而在实际线路传输中,线路存在干扰,并且同时出现在差分线对上,在发送侧仍然是:IN=(IN+)-(IN-)线路传输干扰同时存在于差分对上,假设干扰为K,则接收则:[(IN+)+K]-[(IN-)-q]=(IN+)-(IN-)=OUT,所以:OUT=IN,噪声可以被抑止掉。上述分析可以形象的理解差分方式抑止噪声的能力。
LVDS接收器可以承受至少±1V地的电压变化。由于LVDS驱动器典型的偏置电压为+1.2V,由于地的电压变化、驱动器偏置电压以及轻度耦合到的噪声之和,因此这个共模范围是:+0.2V~+2.2V。建议接收器的输入电压范围为:0V~+2.4V。
注:抑止共模噪声是DS(差分信号)的共同特性,如RS485,RS422电平,采用差分平衡传输,由于其电平幅度大,更不容易受干扰,适合工业现场不太恶劣环境下通讯
2 LVPECL 信号
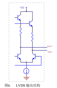
LVPECL的典型输出为一对差分信号,他们的射极通过一个电流源接地。这一对差分信号驱动一对射极跟随器,为Output+与Output-提供电流驱动。50欧姆电阻一头接输出,一端接VCC-2V。在射级输出级电平为VCC-1.3V。这样50欧姆的电阻两端电势差为0.7V,电流为14mA。PECL 结构的输入阻抗高、输出阻抗很低(典型值为 4~5 Ω),因此它有很强的驱动能力。
LVPECL信号传输速度快,很容易达到几百M的应用,最高可到10G以上。而且驱动能力强,一般可用在背板传输和长线缆传输上。相对LVDS而言,噪声容限低,功耗大。
用于时钟的 LVPECL:直流匹配时用 130 欧上拉,同时用 82 欧下拉;交流匹配时用82 欧上拉,同时用 130 欧下拉。但两种方式工作后直流电平都在 1.95V 左右。

3 信号之间的转换
LVPECL到LVPECL的连接
交流耦合下的匹配电路
图(a)中,LVPECL 的输出共模电压需固定在 Vcc-1.3V,在选择直流偏置电阻时,仅需该电阻能够提供14mA 到地的通路,这样 R1=(Vcc-1.3V)/14mA。在 3.3V 供电时,R1=142Ω。然而这种方式给出的交流负载阻抗低于 50Ω。图(b)为匹配电路的一种改进结构,在信号通路上串接一个电阻,从而可以增大交流负载阻抗使之接近 50Ω。
R1 和 R2 的选择应考虑如下几点:(1)PECL 输入直流偏压应固定在 Vcc-1.3V;(2)输入阻抗应等于传输线阻抗;(3)低功耗;(4)外围器件少。
图(a)中,R2和R3选择应满足如下条件:

求解得到R2=82Ω,R3=130Ω。但是因为阻抗不匹配,所以功耗较大。
图(b)中,R2和R3选择应满足如下条件:

求解得到R2=2.7KΩ,R3=4.3KΩ。
LVDS到LVDS之间的连接
因为 LVDS 的输入与输出都是内匹配的,所以 LVDS 间的连接可以如下图。
LVDS到LVDS
LVPECL到LVDS的转换
交流耦合下,在LVPECL驱动器输出端向GND放置一个150Ω电阻(原因是需要维持共模电压VCC-1.3V,到地电流需要14mA,VCC为3.3V,则电阻大概在150欧姆左右),对于开路发射极提供直流偏置以及到GND的直流电流路径至关重要。为了将800mV LVPECL摆幅衰减到325 mV LVDS摆幅,必须在150Ω电阻器之后放置一个70Ω的衰减电阻。应在LVDS接收器前面放置一个10nF交流耦合电容,以阻止来自LVPECL驱动器的直流电平。LVDS输入需要重新偏置,可以通过向GND放置8.7KΩ电阻连接到3.3V和5KΩ电阻到GND来实现LVDS接收器输入共模的1.2V直流电平。如果LVDS接收器差分输入引脚上已经存在有100Ω电阻,则不需要外部100Ω电阻。
LVPECL到LVDS的转换
LVDS到LVPECL的转换
LVDS到LVPECL的转换
浙公网安备 33010602011771号