Verilog:generate、for、always 语句用法与电路结构对比
文章目录
最近写Verilog时,对于generate-for 和 for循环相关不是很清楚,所以写了一些代码对比一下不同写法的结果,记录一下,如有错误请多多指正,不喜轻喷。
1、always-for
代码:
reg [data_width-1:0] in1_reg [0:depth-1];
integer i;
always@(posedge clk or negedge rst_n)
begin
if(!rst_n)
begin
for(i=0;i<depth;i=i+1)
in1_reg[i] <= 0;
end
else
begin
for(i=0;i<depth;i=i+1)
in1_reg[i] <= in1+i;
end
end
仿真结果说明:in1_reg 在第一个有效时钟沿后,数据均变为目标值
ANALYSIS得到的结构图
综合后的电路图:
2、 for-always
代码:
//integer j; // Error:j is not a genvar;j is not a constant
genvar j;
reg [data_width-1:0] in2_reg [0:depth-1];
for(j=0;j<depth;j=j+1)
begin:in2_loop
always@(posedge clk or negedge rst_n)
begin
if(!rst_n)
in2_reg[j] <= 0;
else
in2_reg[j] <= in2+j;
end
end
仿真结果说明:in2_reg 在第一个有效时钟沿后,数据均变为目标值
ANALYSIS得到的结构图
综合后的电路图:
3、generate_for_always
代码:
reg [data_width-1:0] in3_reg [0:depth-1];
genvar k;
generate
for(k=0;k<depth;k=k+1)
begin:generate_case
always@(posedge clk or negedge rst_n)
begin
if(!rst_n)
in3_reg[k] <= 0;
else
in3_reg[k] <= in3+k;
end
end
endgenerate
仿真结果说明:in3_reg 在第一个有效时钟沿后,数据均变为目标值
ANALYSIS得到的结构图
综合后的电路图:
3.1、generate-always-for
代码:
reg [data_width-1:0] in31_reg [0:depth-1];
//genvar k1; // Error:procedural assignment to a non-register k1 is not permitted, left-hand side should be reg/integer/time/genvar
integer k1;
generate
always@(posedge clk or negedge rst_n)
begin
if(!rst_n)
begin
for(k1=0;k1<depth;k1=k1+1)
begin:for_rst
in31_reg[k1] <= 0;
end
end
else
begin
for(k1=0;k1<depth;k1=k1+1)
begin:generate_always_for
in31_reg[k1] <= in31+k1;
end
end
end
endgenerate
仿真结果说明:in31_reg 在第一个有效时钟沿后,数据均变为目标值
ANALYSIS得到的结构图
综合后的电路图:
4、for-assign
代码:
wire[data_width-1:0] in4_wire [0:depth-1];
//integer n; // Error: n is not a genvar;n is not a constant
genvar n;
for(n=0;n<depth;n=n+1)
begin:for_assign
assign in4_wire[n] = in4+n;
end
仿真结果说明:wire型,仿真开始即有值,随输入信号变化而变化
ANALYSIS得到的结构图
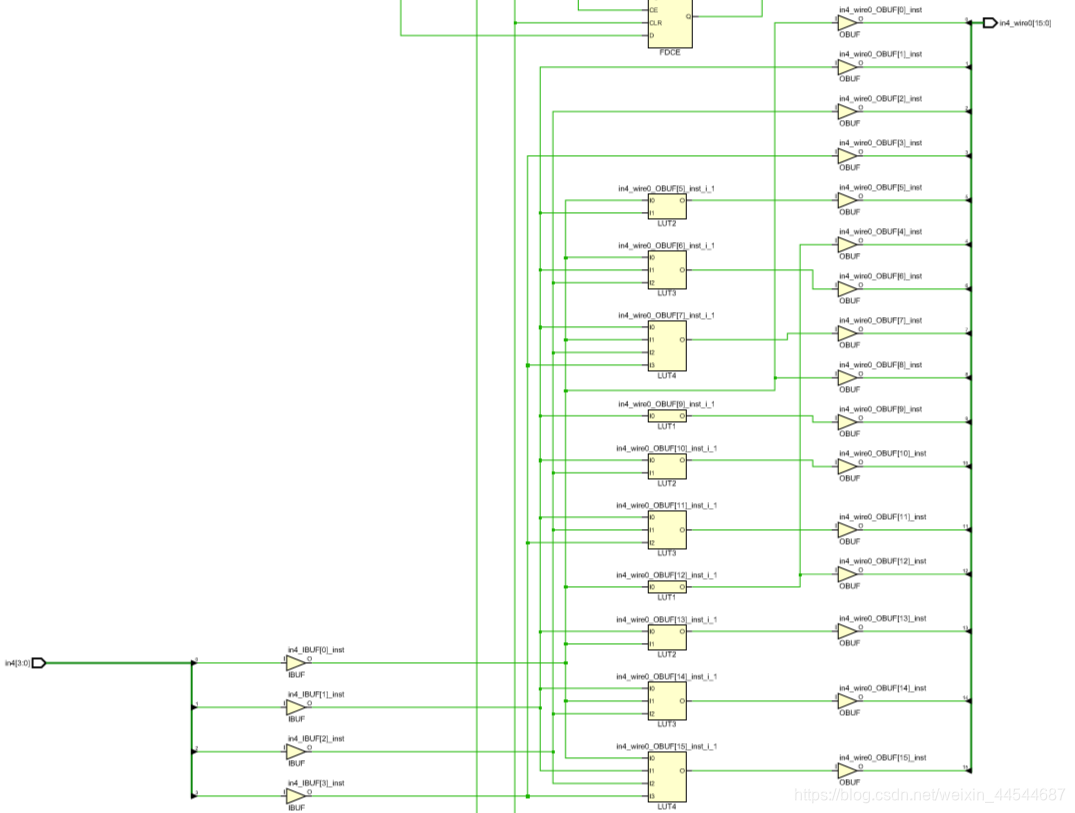
综合后的电路图:
5、generate-for-assign
代码:
wire[data_width-1:0] in5_wire [0:depth-1];
genvar m;
generate
for(m=0;m<depth;m=m+1)
begin:generate_for_assign
assign in5_wire[m] = in5+m;
end
endgenerate
仿真结果说明:wire型,仿真开始即有值,随输入信号变化而变化
ANALYSIS得到的结构图
综合后的电路图:
6、always@(*)-for
代码:
reg [data_width-1:0] in6_reg [0:depth-1];
always@(*)
begin
for(i=0;i<depth;i=i+1)
in6_reg[i] = in6+i;
end
仿真结果说明:wire型,仿真开始即有值,随输入信号变化而变化
ANALYSIS得到的结构图
综合后的电路图:
7、for-always@(*)
可以用 for-assign 替换
8、generate_for_always@(*)
可以用generate-assign 替换
仿真结果

可以看到,时序信号in1_reg,in2_reg,in3_reg,in31_reg 都在第一个有效时钟边沿后变为目标值;组合逻辑信号in4_wire, in5_wire, in6_reg 在电路开始仿真时即被赋值进行运算,输入数据变化后随之发生变化
2、根据电路结构,generate-for 和 for 循环对于always 和 assig 语句的作用相同,但书写方法不同
generate-for / for循环在alway块外面时,循环变量要定义为 genvar 型
for 循环在always 块内时,循环遍历要定义为 integer 类型
3、结论:
若要在循环/条件/分支语句中调用模块,须使用 generate-for语句,注意要用genvar 定义循环变量,并在for循环的 begin: 后跟上 循环名称;
其他情况可根据自身情况而定
generate-for和for循环使用说明可见 Verilog:generate-for 语句(用法,及与for语句区别)
文中的代码等可见https://download.csdn.net/download/weixin_44544687/13117406
浙公网安备 33010602011771号