实验三、UML 建模工具的安装与使用
一、 实验目的
1) 学习使用 EA(Enterprise Architect) 开发环境创建模型的一般方法;
2) 理解 EA 界面布局和元素操作的一般技巧;
3) 熟悉 UML 中的各种图的建立和表示方法;
4) 掌握如何通过 EA 工具完成相关模型的建立
二、 实验内容及步骤
- EA 开发环境的介绍
(1) 开始——>运行——>Enterprise Architect, 打开 Enterprise Architect 软件。 进入软件
之后, 可以选择新建一个项目。 在新建项目时, 系统会提示选择所需要的模型设计。
(2) 选择了所需要的模型之后, 可以看到, 在界面的右侧出现了相应的导航栏。 如下图所
示, 在导航栏里面列出了刚才所选择的系统模型。
(3) 假设选择用例建模, 那么可以从左侧的工具面板中拖拽出一个参与者, 并为它命名。
这样在系统里面就多了一个叫做“用户” 的参与者。
(4) 以同样的方式从左侧工具面板中拖曳一个用例, 命名为“用例一” 。
(5) 同样通过拖拽的方式, 建立用例与参与者之间的关系。 对这个关联关系, 我们还可
以设置更加细化的约束。
2. 采用EA工具完成以下ATM示例系统的UML模型的建立。
通过 EA 工具完成相关 UML 图的绘制。在建立过程中尝试理解模型元素,模型元素之间的关系。
三、实验过程
1、建立ATM项目


2、需求建模

需求图:

3、用例建模

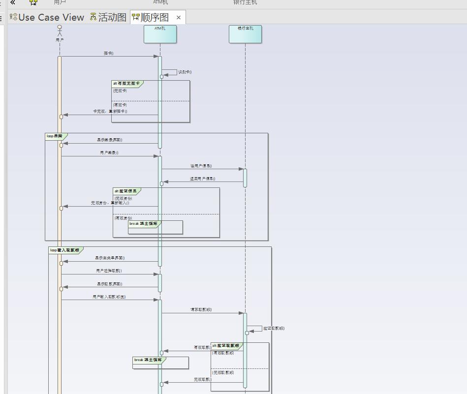
4、行为建模
(1)时序图

(2)活动图

(3)状态图

四、思考题
通过网络查找相关资料,了解有哪些工具可以支持UML模型与C++或JAVA或PYTHON代码的相互转换,并给出网络链接及说明。
(1)myeclipse 转换java https://blog.csdn.net/ltx06/article/details/28991391
(2)PyUML插件 转换Python http://www.pythontip.com/blog/post/1217/
(3)Rose 转换C++ https://www.cnblogs.com/diylab/archive/2008/12/16/1356114.html

浙公网安备 33010602011771号