模拟SPI NRF24L01模块的简单使用
模拟SPI NRF24L01模块的简单使用
软件模拟SPI
(注:默认已经充分了解SPI通信协议)
软件模拟
- 软件模拟的好处:
- 灵活性好。(你想想,平时使用硬件SPI是不是拼死拼活的找那几个复用的引脚,要是一开始就规划好还行,但是项目开发到一半,突然来一个硬件SPI,还发现引脚口全被占用,就只能很幸苦的去慢慢修改引脚或者找其他复用。)
- 适应范围广。(极端情况,试想一下要是你的单片机不支持SPI呢 <( ̄ˇ ̄)/ )
- 简单容易移植。(你瞅瞅网上开源代码~~)
- 软件模拟的坏处
- 速度稍慢。(搭配操作系统使用,通信速率
在一定程度上慢于硬件SPI,毕竟人家走的总线。) - 单片机方面标志位少。(就不会像寄存器那样标志位一大堆,查看配置是否有问题?一看逻辑分析仪,二读取模块寄存器就好)
如何软件模拟SPI(手撸代码的话)
- 时序图

众所周知,SPI常见的有四种模式,其中上图参考手册里一扒拉就出来了,对着时序图看看可以写撸代码了。 - 开始写代码
首先看看spi.h文件
/**@file spi.h
* @brief 软件模拟spi代码配置
* @details 使用IO口模拟SPI时序,进行SPI通信
* @author LOGOTAO
* @date 2021-7-15
* @version V1.0
**********************************************************************************
* @attention
* 使用该文件需要自己依据需要修改引脚口
*
**********************************************************************************
*/
#ifndef __SPI_H
#define __SPI_H
/* Includes ------------------------------------------------------------------*/
#include "stm32f4xx_hal.h"
#define SPI_SCK_PIN GPIO_PIN_5 //SPI SCK
#define SPI_SCK_GPIO_PORT GPIOA
#define SPI_MOSI_PIN GPIO_PIN_7 //SPI MOSI
#define SPI_MOSI_GPIO_PORT GPIOA
#define SPI_MISO_PIN GPIO_PIN_6 //SPI MISO
#define SPI_MISO_GPIO_PORT GPIOA
#define SPI_NSS_PIN GPIO_PIN_4 //SPI 片选线
#define SPI_NSS_GPIO_PORT GPIOA
#define SPI_SCK_GPIO_CLK_ENABLE() __HAL_RCC_GPIOA_CLK_ENABLE()
#define SPI_MISO_GPIO_CLK_ENABLE() __HAL_RCC_GPIOA_CLK_ENABLE()
#define SPI_MOSI_GPIO_CLK_ENABLE() __HAL_RCC_GPIOA_CLK_ENABLE()
#define SPI_NSS_GPIO_CLK_ENABLE() __HAL_RCC_GPIOA_CLK_ENABLE()
#define MOSI_H HAL_GPIO_WritePin(SPI_MOSI_GPIO_PORT, SPI_MOSI_PIN, GPIO_PIN_SET)
#define MOSI_L HAL_GPIO_WritePin(SPI_MOSI_GPIO_PORT, SPI_MOSI_PIN, GPIO_PIN_RESET)
#define SCK_H HAL_GPIO_WritePin(SPI_SCK_GPIO_PORT, SPI_SCK_PIN, GPIO_PIN_SET)
#define SCK_L HAL_GPIO_WritePin(SPI_SCK_GPIO_PORT, SPI_SCK_PIN, GPIO_PIN_RESET)
#define READ_MISO HAL_GPIO_ReadPin(SPI_MISO_GPIO_PORT, SPI_MISO_PIN)
#define CSN_H HAL_GPIO_WritePin(SPI_NSS_GPIO_PORT, SPI_NSS_PIN, GPIO_PIN_SET)
#define CSN_L HAL_GPIO_WritePin(SPI_NSS_GPIO_PORT, SPI_NSS_PIN, GPIO_PIN_RESET)
void SPI_Init(void);
uint8_t SOFT_SPI_RW_MODE0(uint8_t write_dat);
uint8_t SOFT_SPI_RW_MODE1(uint8_t byte);
uint8_t SOFT_SPI_RW_MODE2(uint8_t byte);
uint8_t SOFT_SPI_RW_MODE3(uint8_t write_dat);
#endif
再查看实现代码部分spi.h
/**@file spi.c
* @brief 软件模拟spi代码配置
* @details 使用IO口模拟SPI时序,进行SPI通信
* @author LOGOTAO
* @date 2021-7-15
* @version V1.0
**********************************************************************************
* @attention
* 使用该文件需要自己依据需要修改引脚口
*
**********************************************************************************
*/
#include "spi.h"
/**
*@brief 简单延迟函数
*@param 延迟时间
*@return 无
*
***/
static void delay_us(uint32_t time)
{
uint32_t i;
for(i=0;i<time;i++);
}
/**
*@brief 软件模拟SPI引脚口初始化
*@param 无
*@return 无
*
***/
void SPI_Init(void)
{
/*##-1- Enable peripherals and GPIO Clocks #################################*/
SPI_SCK_GPIO_CLK_ENABLE();
SPI_MISO_GPIO_CLK_ENABLE();
SPI_MOSI_GPIO_CLK_ENABLE();
SPI_NSS_GPIO_CLK_ENABLE();
#if 0 //配置引脚口参考宏定义,条件编译,便于折叠阅读
#define GPIO_MODE_INPUT MODE_INPUT /*!< Input Floating Mode */
#define GPIO_MODE_OUTPUT_PP 1(MODE_PP | MODE_OUTPUT) /*!< Output Push Pull Mode */
#define GPIO_MODE_OUTPUT_OD 11 (MODE_OD | MODE_OUTPUT) /*!< Output Open Drain Mode */
#define GPIO_MODE_AF_PP (MODE_PP | MODE_AF) /*!< Alternate Function Push Pull Mode */
#define GPIO_MODE_AF_OD (MODE_OD | MODE_AF) /*!< Alternate Function Open Drain Mode */
#define GPIO_MODE_ANALOG MODE_ANALOG /*!< Analog Mode */
#define GPIO_MODE_IT_RISING (EXTI_MODE | GPIO_MODE_IT | RISING_EDGE) /*!< External Interrupt Mode with Rising edge trigger detection */
#define GPIO_MODE_IT_FALLING (EXTI_MODE | GPIO_MODE_IT | FALLING_EDGE) /*!< External Interrupt Mode with Falling edge trigger detection */
#define GPIO_MODE_IT_RISING_FALLING (EXTI_MODE | GPIO_MODE_IT | RISING_EDGE | FALLING_EDGE) /*!< External Interrupt Mode with Rising/Falling edge trigger detection */
#define GPIO_MODE_EVT_RISING (EXTI_MODE | GPIO_MODE_EVT | RISING_EDGE) /*!< External Event Mode with Rising edge trigger detection */
#define GPIO_MODE_EVT_FALLING (EXTI_MODE | GPIO_MODE_EVT | FALLING_EDGE) /*!< External Event Mode with Falling edge trigger detection */
#define GPIO_MODE_EVT_RISING_FALLING (EXTI_MODE | GPIO_MODE_EVT | RISING_EDGE | FALLING_EDGE) /*!< External Event Mode with Rising/Falling edge trigger detection */
/**
* @}
*/
/** @defgroup GPIO_speed_define GPIO speed define
* @brief GPIO Output Maximum frequency
* @{
*/
#define GPIO_SPEED_FREQ_LOW 0x00000000U /*!< IO works at 2 MHz, please refer to the product datasheet */
#define GPIO_SPEED_FREQ_MEDIUM 0x00000001U /*!< range 12,5 MHz to 50 MHz, please refer to the product datasheet */
#define GPIO_SPEED_FREQ_HIGH 0x00000002U /*!< range 25 MHz to 100 MHz, please refer to the product datasheet */
#define GPIO_SPEED_FREQ_VERY_HIGH 0x00000003U /*!< range 50 MHz to 200 MHz, please refer to the product datasheet */
/**
* @}
*/
/** @defgroup GPIO_pull_define GPIO pull define
* @brief GPIO Pull-Up or Pull-Down Activation
* @{
*/
#define GPIO_NOPULL 0x00000000U /*!< No Pull-up or Pull-down activation */
#define GPIO_PULLUP 0x00000001U /*!< Pull-up activation */
#define GPIO_PULLDOWN 0x00000002U /*!< Pull-down activation */
#endif
/*##-2- Configure peripheral GPIO ##########################################*/
GPIO_InitTypeDef GPIO_InitStruct;
/* SPI NSS GPIO pin configuration */
GPIO_InitStruct.Pin = SPI_NSS_PIN;
GPIO_InitStruct.Mode = GPIO_MODE_OUTPUT_PP;
HAL_GPIO_Init(SPI_NSS_GPIO_PORT, &GPIO_InitStruct);
HAL_GPIO_WritePin(SPI_NSS_GPIO_PORT, SPI_NSS_PIN, GPIO_PIN_SET);
/* SPI SCK GPIO pin configuration */
GPIO_InitStruct.Pin = SPI_SCK_PIN;
GPIO_InitStruct.Mode = GPIO_MODE_OUTPUT_PP;
GPIO_InitStruct.Speed = GPIO_SPEED_FREQ_LOW;
HAL_GPIO_Init(SPI_SCK_GPIO_PORT, &GPIO_InitStruct);
HAL_GPIO_WritePin(SPI_SCK_GPIO_PORT, SPI_SCK_PIN, GPIO_PIN_SET);
/* SPI MISO GPIO pin configuration */
GPIO_InitStruct.Pin = SPI_MISO_PIN;
GPIO_InitStruct.Mode = GPIO_MODE_INPUT;
HAL_GPIO_Init(SPI_MISO_GPIO_PORT, &GPIO_InitStruct);
HAL_GPIO_WritePin(SPI_MISO_GPIO_PORT, SPI_MISO_PIN, GPIO_PIN_SET);
/* SPI MOSI GPIO pin configuration */
GPIO_InitStruct.Pin = SPI_MOSI_PIN;
GPIO_InitStruct.Mode = GPIO_MODE_OUTPUT_PP;
HAL_GPIO_Init(SPI_MOSI_GPIO_PORT, &GPIO_InitStruct);
HAL_GPIO_WritePin(SPI_MOSI_GPIO_PORT, SPI_MOSI_PIN, GPIO_PIN_SET);
}
/**
*@brief SPI四种模式选择
*@details 实现软件SPI模拟全双工数据发送和接收,均高位先行
*@param 需要发送的参数
*@return 接收到的参数
*
***/
uint8_t temp;
/* CPOL = 0, CPHA = 0, MSB first */
uint8_t SOFT_SPI_RW_MODE0( uint8_t write_dat )
{
uint8_t i, read_dat;
// CSN_L; 原本协议规定需要拉低片选信号进行选中从设备,但为了方便NRF42L01时序统一管理,拉低操作放在NRF42L01配置中
for( i = 0; i < 8; i++ )
{
temp = write_dat & 0x80;
if( temp )
MOSI_H;
else
MOSI_L;
write_dat <<= 1;
delay_us(20);
SCK_H;
read_dat <<= 1;
if( READ_MISO )
read_dat++;
delay_us(20);
SCK_L;
__nop();
}
// CSN_H;
delay_us(10);
return read_dat;
}
/* CPOL=0,CPHA=1, MSB first */
uint8_t SOFT_SPI_RW_MODE1(uint8_t byte)
{
uint8_t i,Temp=0;
//CSN_L;
for(i=0;i<8;i++) // 循环8次
{
SCK_H; //拉高时钟
if(byte&0x80)
{
MOSI_H; //若最到位为高,则输出高
}
else
{
MOSI_L; //若最到位为低,则输出低
}
byte <<= 1; // 低一位移位到最高位
delay_us(20);
SCK_L; //拉低时钟
Temp <<= 1; //数据左移
if(READ_MISO)
Temp++; //若从从机接收到高电平,数据自加一
delay_us(20);
}
//CSN_H;
return (Temp); //返回数据
}
/* CPOL=1,CPHA=0, MSB first */
uint8_t SOFT_SPI_RW_MODE2(uint8_t byte)
{
uint8_t i,Temp=0;
//CSN_L;
for(i=0;i<8;i++) // 循环8次
{
if(byte&0x80)
{
MOSI_H; //若最到位为高,则输出高
}
else
{
MOSI_L; //若最到位为低,则输出低
}
byte <<= 1; // 低一位移位到最高位
delay_us(20);
SCK_L; //拉低时钟
Temp <<= 1; //数据左移
if(READ_MISO)
Temp++; //若从从机接收到高电平,数据自加一
delay_us(20);
SCK_H; //拉高时钟
}
//CSN_H;
return (Temp); //返回数据
}
/* CPOL = 1, CPHA = 1, MSB first */
uint8_t SOFT_SPI_RW_MODE3( uint8_t write_dat )
{
uint8_t i, read_dat;
//CSN_L;
for( i = 0; i < 8; i++ )
{
SCK_L;
if( write_dat & 0x80 )
MOSI_H;
else
MOSI_L;
write_dat <<= 1;
delay_us(20);
SCK_H;
read_dat <<= 1;
if( READ_MISO )
read_dat++;
delay_us(20);
__nop();
}
//CSN_H;
return read_dat;
}
NRF24L01代码部分
准备资料(你可以借鉴代码,但是务必还是看看,毕竟比较重要)
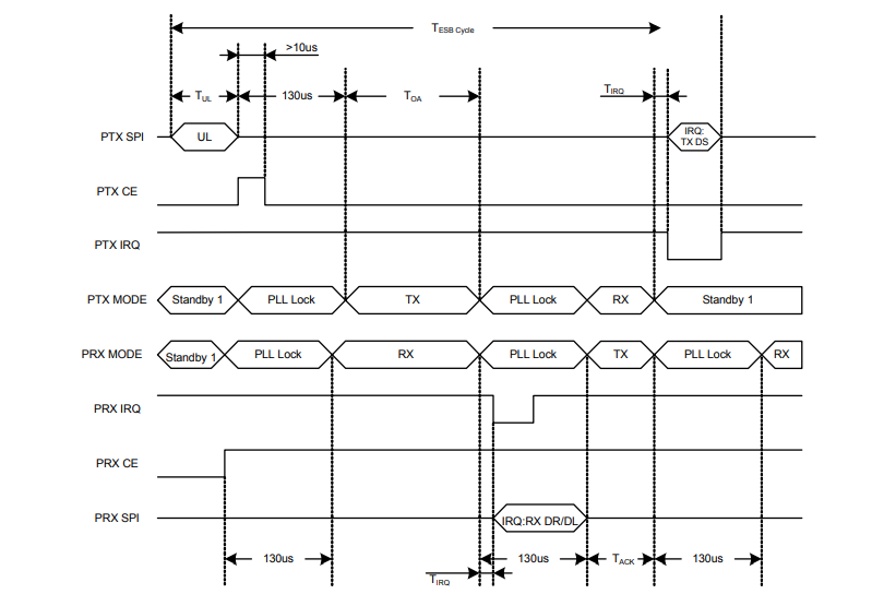
- 时序图
作为手撸模拟SPI代码的人,时序图肯定少不了

这个大概在参考手册的43页左右,前前后后还有几张比较重要的时序图,多看看,必定用的上。比如他会告诉你配置寄存器时CE线拉低,读取时CE线拉高之类的 - 寄存器
从第57页开始,画面如下:

多去读读,代码跑不通时就可以读取模块寄存器看出了什么毛病
模块注意事项
- 注意3.3V供电,否则自己串电阻分压去

2.接线图

全是网上淘宝找的资料,没事多去逛逛,比某度娘好用
代码实现部分
老样子,先看NRF24L01.h部分
/**@file nrf24l01.c
* @brief 软件模拟SPI进行nrf24l01通信
* @details
* @author LOGOTAO
* @date 2021-7-15
* @version V1.0
**********************************************************************************
* @attention
* 使用该文件需要自己依据需要修改引脚口
*
**********************************************************************************
*/
#ifndef _NRF24L01_H
#define _NRF24L01_H
#include "stm32f4xx.h"
/****************************************************************************************************/
//NRF24L01寄存器操作命令
#define SPI_READ_REG 0x00 //读配置寄存器,低5位为寄存器地址
#define SPI_WRITE_REG 0x20 //写配置寄存器,低5位为寄存器地址
#define RD_RX_PLOAD 0x61 //读RX有效数据,1~32字节
#define WR_TX_PLOAD 0xA0 //写TX有效数据,1~32字节
#define FLUSH_TX 0xE1 //清除TX FIFO寄存器.发射模式下用
#define FLUSH_RX 0xE2 //清除RX FIFO寄存器.接收模式下用
#define REUSE_TX_PL 0xE3 //重新使用上一包数据,CE为高,数据包被不断发送.
#define NOP 0xFF //空操作,可以用来读状态寄存器
//SPI(NRF24L01)寄存器地址
#define CONFIG 0x00 //配置寄存器地址;bit0:1接收模式,0发射模式;bit1:电选择;bit2:CRC模式;bit3:CRC使能;
//bit4:中断MAX_RT(达到最大重发次数中断)使能;bit5:中断TX_DS使能;bit6:中断RX_DR使能
#define EN_AA 0x01 //使能自动应答功能 bit0~5,对应通道0~5
#define EN_RXADDR 0x02 //接收地址允许,bit0~5,对应通道0~5
#define SETUP_AW 0x03 //设置地址宽度(所有数据通道):bit1,0:00,3字节;01,4字节;02,5字节;
#define SETUP_RETR 0x04 //建立自动重发;bit3:0,自动重发计数器;bit7:4,自动重发延时 250*x+86us
#define RF_CH 0x05 //RF通道,bit6:0,工作通道频率;
#define RF_SETUP 0x06 //RF寄存器;bit3:传输速率(0:1Mbps,1:2Mbps);bit2:1,发射功率;bit0:低噪声放大器增益
#define STATUS 0x07 //状态寄存器;bit0:TX FIFO满标志;bit3:1,接收数据通道号(最大:6);bit4,达到最多次重发
//bit5:数据发送完成中断;bit6:接收数据中断;
#define MAX_TX 0x10 //达到最大发送次数中断
#define TX_OK 0x20 //TX发送完成中断
#define RX_OK 0x40 //接收到数据中断
#define OBSERVE_TX 0x08 //发送检测寄存器,bit7:4,数据包丢失计数器;bit3:0,重发计数器
#define CD 0x09 //载波检测寄存器,bit0,载波检测;
#define RX_ADDR_P0 0x0A //数据通道0接收地址,最大长度5个字节,低字节在前
#define RX_ADDR_P1 0x0B //数据通道1接收地址,最大长度5个字节,低字节在前
#define RX_ADDR_P2 0x0C //数据通道2接收地址,最低字节可设置,高字节,必须同RX_ADDR_P1[39:8]相等;
#define RX_ADDR_P3 0x0D //数据通道3接收地址,最低字节可设置,高字节,必须同RX_ADDR_P1[39:8]相等;
#define RX_ADDR_P4 0x0E //数据通道4接收地址,最低字节可设置,高字节,必须同RX_ADDR_P1[39:8]相等;
#define RX_ADDR_P5 0x0F //数据通道5接收地址,最低字节可设置,高字节,必须同RX_ADDR_P1[39:8]相等;
#define TX_ADDR 0x10 //发送地址(低字节在前),ShockBurstTM模式下,RX_ADDR_P0与此地址相等
#define RX_PW_P0 0x11 //接收数据通道0有效数据宽度(1~32字节),设置为0则非法
#define RX_PW_P1 0x12 //接收数据通道1有效数据宽度(1~32字节),设置为0则非法
#define RX_PW_P2 0x13 //接收数据通道2有效数据宽度(1~32字节),设置为0则非法
#define RX_PW_P3 0x14 //接收数据通道3有效数据宽度(1~32字节),设置为0则非法
#define RX_PW_P4 0x15 //接收数据通道4有效数据宽度(1~32字节),设置为0则非法
#define RX_PW_P5 0x16 //接收数据通道5有效数据宽度(1~32字节),设置为0则非法
#define FIFO_STATUS 0x17 //FIFO状态寄存器;bit0,RX FIFO寄存器空标志;bit1,RX FIFO满标志;bit2,3,保留
//bit4,TX FIFO空标志;bit5,TX FIFO满标志;bit6,1,循环发送上一数据包.0,不循环;
/**********************************************************************************************************/
#define NRF24L01_CE_PIN GPIO_PIN_10 //NRF24L01 使能端口
#define NRF24L01_CE_GPIO_PORT GPIOB
#define NRF24L01_IRQ_PIN GPIO_PIN_12 //NRF24L01 中断引脚
#define NRF24L01_IRQ_GPIO_PORT GPIOB
#define NRF24L01_IRQ EXTI15_10_IRQn
#define NRF24L01_CE_GPIO_CLK_ENABLE() __HAL_RCC_GPIOB_CLK_ENABLE()
#define NRF24L01_IRQ_GPIO_CLK_ENABLE() __HAL_RCC_GPIOB_CLK_ENABLE()
#define CE_H HAL_GPIO_WritePin(NRF24L01_CE_GPIO_PORT, NRF24L01_CE_PIN, GPIO_PIN_SET)
#define CE_L HAL_GPIO_WritePin(NRF24L01_CE_GPIO_PORT, NRF24L01_CE_PIN, GPIO_PIN_RESET)
#define NRF24L01_IRQ_SetPriority HAL_NVIC_SetPriority(EXTI15_10_IRQn, 0, 0);
#define NRF24L01_IRQ_ENABLE HAL_NVIC_EnableIRQ(EXTI15_10_IRQn)
//NRF2401片选信号
////IRQ中断脚,我暂时不用,可以少一个引脚不接,需要的自己打开就好
//#define IRQ_L GPIO_ResetBits(GPIOD,GPIO_Pin_7)
//#define IRQ_H GPIO_SetBits(GPIOD,GPIO_Pin_7)
//
//#define READ_IRQ GPIO_ReadInputDataBit(GPIOD,GPIO_Pin_7)
//NRF24L01发送接收数据宽度定义
#define TX_ADR_WIDTH 5 //5字节的地址宽度
#define RX_ADR_WIDTH 5 //5字节的地址宽度
#define TX_PLOAD_WIDTH 32 //20字节的用户数据宽度
#define RX_PLOAD_WIDTH 32 //20字节的用户数据宽度
void Init_NRF24L01(void); //NRF24l01初始化
uint8_t SPI_ReadWriteByte(uint8_t TxData) ; //模拟SPI通讯函数
void RX_Mode(void); //配置为接收模式
void TX_Mode(void); //配置为发送模式
uint8_t NRF24L01_Write_Buf(uint8_t regaddr, uint8_t *pBuf, uint8_t datalen); //写数据区
uint8_t NRF24L01_Read_Buf(uint8_t regaddr, uint8_t *pBuf, uint8_t datalen); //读数据区
uint8_t NRF24L01_Read_Reg(uint8_t regaddr); //读寄存器
uint8_t NRF24L01_Write_Reg(uint8_t regaddr, uint8_t data); //写寄存器
uint8_t NRF24L01_Check(void); //检查NRF24L01是否在位
uint8_t NRF24L01_TxPacket(uint8_t *txbuf); //发送一个包的数据
uint8_t NRF24L01_RxPacket(uint8_t *rxbuf); //接收一个包的数据
void Delay(__IO uint32_t nCount);
#endif
再看看nrf24l01.c部分
/**@file nrf24l01.c
* @brief 软件模拟SPI进行nrf24l01通信
* @details
* @author LOGOTAO
* @date 2021-7-15
* @version V1.0
**********************************************************************************
* @attention
* 使用该文件需要自己依据需要修改引脚口
*
**********************************************************************************
*/
#include "NRF24L01.h"
#include "spi.h"
const uint8_t TX_ADDRESS[TX_ADR_WIDTH]={0x02,0x02,0x10,0x10,0x01}; //发送地址
const uint8_t RX_ADDRESS[RX_ADR_WIDTH]={0x02,0x02,0x10,0x10,0x01}; //接收地址
/**
*@brief 简单延迟函数
*@param 延迟时间
*@return 无
*
***/
void Delay(__IO uint32_t nCount)
{
for(; nCount != 0; nCount--);
}
/**
*@brief 初始化NRF24L01IO口
*@param 无
*@return 无
*
***/
void Init_NRF24L01(void)
{
CE_H; //初始化时先拉高
CSN_H; //初始化时先拉高
/*## Enable peripherals and GPIO Clocks #################################*/
NRF24L01_CE_GPIO_CLK_ENABLE();
NRF24L01_IRQ_GPIO_CLK_ENABLE();
GPIO_InitTypeDef GPIO_InitStruct;
#if 0 //没有必要进中断可以不用打开
/*Configure GPIO pin : NRF24L01_IRQ_PIN */
GPIO_InitStruct.Pin = NRF24L01_IRQ_PIN;
GPIO_InitStruct.Mode = GPIO_MODE_IT_RISING;
GPIO_InitStruct.Pull = GPIO_NOPULL;
HAL_GPIO_Init(NRF24L01_IRQ_GPIO_PORT, &GPIO_InitStruct);
/* EXTI interrupt init*/
HAL_NVIC_SetPriority(EXTI15_10_IRQn, 0, 0);
HAL_NVIC_EnableIRQ(EXTI15_10_IRQn);
HAL_GPIO_WritePin(NRF24L01_IRQ_GPIO_PORT, NRF24L01_IRQ_PIN, GPIO_PIN_SET);
#endif
GPIO_InitStruct.Pin = NRF24L01_CE_PIN;
GPIO_InitStruct.Mode = GPIO_MODE_OUTPUT_PP;
GPIO_InitStruct.Pull = GPIO_NOPULL;
HAL_GPIO_Init(NRF24L01_CE_GPIO_PORT, &GPIO_InitStruct);
CE_H; //初始化时先拉高,敲拉失能SPI总线上设备,避免干扰
CSN_H; //初始化时先拉高
//IRQ_H; //IRQ置高
CE_L; //使能NRF24L01
CSN_H; //SPI片选取消
}
/**
*@brief 模拟SPI读写数据函数
*@param 无
*@return 无
*
***/
uint8_t SPI_ReadWriteByte(uint8_t TxData)
{
uint16_t bit_ctr;
for(bit_ctr=0;bit_ctr<8;bit_ctr++)
{
if(TxData & 0x80)
MOSI_H;
else
MOSI_L;
TxData = (TxData << 1);
SCK_H;
Delay(0xff);
if(READ_MISO)
TxData |= 0x01;
SCK_L;
Delay(0xff);
}
return(TxData);
}
/**
*@brief 上电检测NRF24L01是否在位
*@details 写5个数据然后再读回来进行比较
*@param 无
*@return 相同时返回值0,表示在位;否则返回1,表示不在位.
*
***/
uint8_t NRF24L01_Check(void)
{
uint8_t buf[5]={0XA5,0XA5,0XA5,0XA5,0XA5};
uint8_t buf1[5];
uint8_t i;
NRF24L01_Write_Buf(SPI_WRITE_REG+TX_ADDR,buf,5);//写入5个字节的地址.
NRF24L01_Read_Buf(TX_ADDR,buf1,5); //读出写入的地址
for(i=0;i<5;i++)
if(buf1[i]!=0XA5) break;
if(i!=5) return 1; //NRF24L01不在位
return 0; //NRF24L01在位
}
/**
*@brief 通过SPI写寄存器
*@details
*@param reg_addr:NRF24L01的相关地址 data:需要写入的数据
*@return status
*@retval 返回状态值
***/
uint8_t NRF24L01_Write_Reg(uint8_t reg_addr,uint8_t data)
{
uint8_t status;
CSN_L; //使能SPI传输
status =SPI_ReadWriteByte(reg_addr); //发送寄存器号
SPI_ReadWriteByte(data); //写入寄存器的值
CSN_H; //禁止SPI传输
return(status); //返回状态值
}
/**
*@brief 读取SPI寄存器值
*@details
*@param reg_addr:NRF24L01要读的寄存器
*@return status
*@retval 返回状态值
***/
uint8_t NRF24L01_Read_Reg(uint8_t reg_addr)
{
uint8_t reg_val;
CSN_L; //使能SPI传输
SPI_ReadWriteByte(reg_addr); //发送寄存器号
reg_val=SPI_ReadWriteByte(0);//读取寄存器内容
CSN_H; //禁止SPI传输
return(reg_val); //返回状态值
}
/**
*@brief 在指定位置读出指定长度的数据
*@details
*@param reg_addr:NRF24L01要读的寄存器 *pBuf:数据指针 data_len:数据长度
*@return status
*@retval 此次读到的状态寄存器值
***/
uint8_t NRF24L01_Read_Buf(uint8_t reg_addr,uint8_t *pBuf,uint8_t data_len)
{
uint8_t status,i;
CSN_L; //使能SPI传输
status=SPI_ReadWriteByte(reg_addr); //发送寄存器值(位置),并读取状态值
for(i=0;i<data_len;i++)
pBuf[i]=SPI_ReadWriteByte(0);//读出数据
CSN_H; //关闭SPI传输
return status; //返回读到的状态值
}
/**
*@brief 在指定位置写指定长度的数据
*@details
*@param reg_addr:NRF24L01要写的寄存器 *pBuf:数据指针 data_len:数据长度
*@return status
*@retval 此次读到的状态寄存器值
***/
uint8_t NRF24L01_Write_Buf(uint8_t reg_addr, uint8_t *pBuf, uint8_t data_len)
{
uint8_t status,i;
CSN_L; //使能SPI传输
status = SPI_ReadWriteByte(reg_addr); //发送寄存器值(位置),并读取状态值
for(i=0; i<data_len; i++)
SPI_ReadWriteByte(*pBuf++); //写入数据
CSN_H; //关闭SPI传输
return status; //返回读到的状态值
}
/**
*@brief 启动NRF24L01发送一次数据
*@details
*@param txbuf:待发送数据首地址
*@return status
*@retval 发送完成状况
***/
uint8_t NRF24L01_TxPacket(uint8_t *tx_buf)
{
uint8_t state;
CE_L;
NRF24L01_Write_Buf(WR_TX_PLOAD,tx_buf,TX_PLOAD_WIDTH);//写数据到TX BUF 32个字节
CE_H; //启动发送
//while(READ_IRQ != 0); //等待发送完成
state=NRF24L01_Read_Reg(STATUS); //读取状态寄存器的值
NRF24L01_Write_Reg(SPI_WRITE_REG+STATUS,state); //清除TX_DS或MAX_RT中断标志
if(state&MAX_TX) //达到最大重发次数
{
NRF24L01_Write_Reg(FLUSH_TX,0xff); //清除TX FIFO寄存器
return MAX_TX;
}
if(state&TX_OK) //发送完成
{
return TX_OK;
}
return 0xff; //其他原因发送失败
}
/**
*@brief 启动NRF24L01接收一次数据
*@details
*@param txbuf:待接收数据首地址
*@return status
*@retval 发送完成状况
***/
uint8_t NRF24L01_RxPacket(uint8_t *rx_buf)
{
uint8_t state;
state=NRF24L01_Read_Reg(STATUS); //读取状态寄存器的值
NRF24L01_Write_Reg(SPI_WRITE_REG+STATUS,state); //清除TX_DS或MAX_RT中断标志
if(state&RX_OK) //接收到数据
{
NRF24L01_Read_Buf(RD_RX_PLOAD,rx_buf,RX_PLOAD_WIDTH);//读取数据
NRF24L01_Write_Reg(FLUSH_RX,0xff); //清除RX FIFO寄存器
return 0;
}
return 1; //没收到任何数据
}
/**
*@brief 该函数初始化NRF24L01到RX模式
*@details 设置RX地址,写RX数据宽度,选择RF频道,波特率和LNA HCURR,当CE变高后,即进入RX模式,并可以接收数据了
*@param 无
*@return 无
*@retval 无
***/
void RX_Mode(void)
{
CE_L;
//写RX节点地址
NRF24L01_Write_Buf(SPI_WRITE_REG+RX_ADDR_P0,(uint8_t*)RX_ADDRESS,RX_ADR_WIDTH);
//使能通道0的自动应答
NRF24L01_Write_Reg(SPI_WRITE_REG+EN_AA,0x01);
//使能通道0的接收地址
NRF24L01_Write_Reg(SPI_WRITE_REG+EN_RXADDR,0x01);
//设置RF通信频率
NRF24L01_Write_Reg(SPI_WRITE_REG+RF_CH,40);
//选择通道0的有效数据宽度
NRF24L01_Write_Reg(SPI_WRITE_REG+RX_PW_P0,RX_PLOAD_WIDTH);
//设置TX发射参数,0db增益,2Mbps,低噪声增益开启
NRF24L01_Write_Reg(SPI_WRITE_REG+RF_SETUP,0x0f);
//配置基本工作模式的参数;PWR_UP,EN_CRC,16BIT_CRC,PRIM_RX接收模式
NRF24L01_Write_Reg(SPI_WRITE_REG+CONFIG, 0x0f);
//CE为高,进入接收模式
CE_H;
}
/**
*@brief 该函数初始化NRF24L01到TX模式
*@details 设置TX地址,写TX数据宽度,设置RX自动应答的地址,填充TX发送数据,选择RF频道,波特率和LNA HCURR PWR_UP,CRC使能,当CE变高后,即进入RX模式,并可以接收数据了,CE为高大于10us,则启动发送.
*@param 无
*@return 无
*@retval 无
***/
void TX_Mode(void)
{
CE_L;
//写TX节点地址
NRF24L01_Write_Buf(SPI_WRITE_REG+TX_ADDR,(uint8_t*)TX_ADDRESS,TX_ADR_WIDTH);
//设置TX节点地址,主要为了使能ACK
NRF24L01_Write_Buf(SPI_WRITE_REG+RX_ADDR_P0,(uint8_t*)RX_ADDRESS,RX_ADR_WIDTH);
//使能通道0的自动应答
NRF24L01_Write_Reg(SPI_WRITE_REG+EN_AA,0x01);
//使能通道0的接收地址
NRF24L01_Write_Reg(SPI_WRITE_REG+EN_RXADDR,0x01);
//设置自动重发间隔时间:500us + 86us;最大自动重发次数:10次
NRF24L01_Write_Reg(SPI_WRITE_REG+SETUP_RETR,0x1a);
//设置RF通道为40
NRF24L01_Write_Reg(SPI_WRITE_REG+RF_CH,40);
//设置TX发射参数,0db增益,2Mbps,低噪声增益开启
NRF24L01_Write_Reg(SPI_WRITE_REG+RF_SETUP,0x0f);
//配置基本工作模式的参数;PWR_UP,EN_CRC,16BIT_CRC,PRIM_RX发送模式,开启所有中断
NRF24L01_Write_Reg(SPI_WRITE_REG+CONFIG,0x0e);
// CE为高,10us后启动发送
CE_H;
}
主函数部分

至于数据校验问题,其实看了寄存器不难知道,NRF24L01自带CRC校验,打开了基本不会数据丢包,要是不放心,可以试试加一个简单的校验
以之前一个我写的一份简单项目为例
- 初始化部分

- 实现部分

- 解包部分
/*****************************************************************************
* 函 数: Data_Break
* 功 能: 将数据分解,打包为数据包
* 参 数:
* 返回值:
* 重 要: 0x02+摇杆数据+钮子开关数据+和校验+0x09
* 备 注:
*****************************************************************************/
void Data_Break(uint8_t flag_1,uint8_t flag_2,uint8_t flag_3,uint8_t flag_4,uint8_t flag_5,uint8_t flag_6){
TX_nrf[0]=0x02;//帧头
unsigned char i=0,num=0;
for (i = 0; i < 4; i++)//32位转八位
{
TX_nrf[num + 1] = (unsigned char)((adc_aver[i] >> 24));
TX_nrf[num + 2] = (unsigned char)((adc_aver[i] >> 16));
TX_nrf[num + 3] = (unsigned char)((adc_aver[i] >> 8));
TX_nrf[num + 4] = (unsigned char)(adc_aver[i]);
num += 4;
}
TX_nrf[17] = flag_1;
TX_nrf[18] = flag_2;
TX_nrf[19] = flag_3;
TX_nrf[20] = flag_4;
TX_nrf[21] = flag_5;
TX_nrf[22] = flag_6;
TX_nrf[23] = 0;
for(i=1;i<23;i++){TX_nrf[23] += TX_nrf[i];}//求和校验
TX_nrf[24] = 0x09;
}
接收部分
- 初始化

- 实现部分

- 解包部分
//解包数据
void UN_Rx_pack(void)
{
uint8_t i,num=0;
uint8_t add=0;
uint32_t xrocker[4];
for(i=0;i<=7;i++)
{
if(RX_pack[i]== 0x02)//找帧头0x02
{
for(num=0;num<4;num++)
{
xrocker[num] = ( (RX_pack[i+4*num+1]<<24)|(RX_pack[i+4*num+2]<<16)|(RX_pack[i+4*num+3]<<8)|(RX_pack[i+4*num+4]));//解包数据
}
for(num=i+1;num<i+23;num++)
{
add+=RX_pack[num];
}
}
}
if(add==RX_pack[i-8+23]&RX_pack[i-8+24]==0x09)//求和校验+确定帧尾0x09
{
mode_state[0]=RX_pack[i-8+17];//状态
mode_state[1]=RX_pack[i-8+18];
mode_state[2]=RX_pack[i-8+19];
mode_state[3]=RX_pack[i-8+20];
mode_state[4]=RX_pack[i-8+21];
mode_state[5]=RX_pack[i-8+22];
for(i=0;i<4;i++)
{
rocker[i]=xrocker[i];//数值0-4096
}
}
else
{
;
}
}
总结
对于模拟通信协议和各种模块的使用方法
- 时序图
- 参考手册注意事项
- 各模块寄存器

浙公网安备 33010602011771号