王爽汇编第八章,数据处理的两个基本问题
王爽汇编第八章,数据处理的两个基本问题
本章对前面的所有内容是具有总结性的。我们知道,计算机是进行数据处理、运算的机器,那么有两个基本的问题就包含在其中:
- (1) 处理的数据在什么地方?
- (2)要处理的数据有多长?
这两个问题,在机器指令中必须给以明确或隐含的说明,否则计算机就无法工作。
bx、si、di和bp
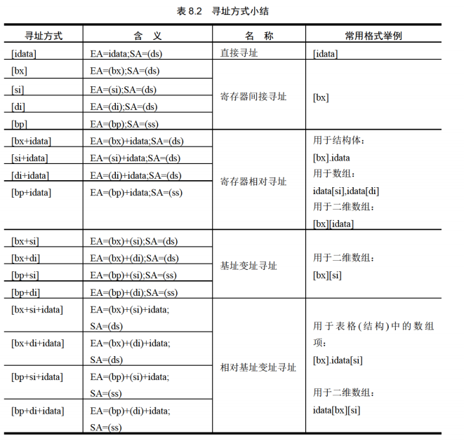
- 在8086CPU中,只有这4个寄存器可以用在
[...]中进行内存单元的寻址。 - 在[...]中,这4个寄存器可以单个出现,或只能以4种组合出现:
bx和si、bx和di、bp和si、bp和di。 - 只要在[...]中使用寄存器bp,而指令中没有显性地给出段地址, 段地址就默认在ss中。

机器指令处理的数据在什么地方
数据处理指令大致分为3类:读取、写入、运算。
在机器指令这一层来讲,并不关心数据的值是多少,而关心指令执行前一刻,它将要处理的数据所在的位置。指令在执行前,所要处理的数据可以在3个地方:CPU内部、内存、端口

汇编语言中数据位置的表达
汇编语言中用3个概念来表达数据的位置。
- 立即数(idata)

- 寄存器

- 段地址(SA)和偏移地址(EA)

寻址方式
当数据存在内存中的时候,可以用多种方式来给定内存单元的偏移地址,这种定位内存单元的方法一般称为寻址方式。

指令要处理的数据有多长
8086CPU的指令,可以处理两种尺寸的数据,byte和word
- 通过寄存器名指明要处理的数据的尺寸。
例如: mov al, ds:[0] 寄存器al指明了数据为1字节
- 在没有寄存器名存在的情况下,用操作符
X ptr指明内存单元的长度,X在汇编指令中可以为word或byte。
例如:mov byte ptr ds:[0], 1 byte ptr 指明了指令访问的内存单元是一个字节单元
- 有些指令默认了访问的是字单元还是字节单元
例如,push [1000H],push 指令只进行字操作。
插播一点x86的知识,在X86架构中一般会见到下面汇编指令
xxx dword ptr xxx,这种就是指明是长度是4字节,也是Win中C++的DWORD类型unsigned long。
寻址方式的综合应用

汇编代码:

c语言代码:
/*定义一个公司记录的结构体*/
struct company
{
char cn[3];/*公司名称*/
char hn[9];/*总裁姓名*/
int pm;/*排名*/
int sr;/*收入*/
char cp[3];/*著名产品*/
};
int main()
{
/*定义一个公司记录的变量,内存中将存有一条公司的记录*/
struct company dec = {"DEC","Ken Olsen",137,40,"PDP"};
int i;
dec.pm = 38;
dec.sr = dec.sr + 70;
i = 0;
dec.cp[i] = 'V';
i++;
dec.cp[i] = 'A';
i++;
dec.cp[i] = 'X';
return 0;
}
dd、dup、mul、div指令
dd 伪指令
db和dw定义字节型数据和字型数据。
dd用来定义dword (double word,双字) 4字节类型数据的伪指令
dup操作符
dup在汇编中同db、dw、dd等一样,也是由编译器识别处理的符号。
它和db、dw、dd等数据定义伪指令配合使用,用来进行数据的重复。

mul乘法指令
mul乘法指令,之前在介绍寄存器章节的时候有提到过,会将结果保存在ax中。
注意:(8086中使用mul做乘法的时候:相乘的两个数:要么都是8位,要么都是16位)。
- 8位:
AL中和8位寄存器或内存字节单元中; - 16位:
AX中和16位寄存器或内存字节单元中。
结果:
- 8位:AX中;
- 16位:DX(高位)和AX(低位)中。

div除法指令
-
除数:有8位和16位两种,在一个寄存器或内存单元中。
-
被除数:默认放在AX或DX和AX中,
如果除数为8位,被除数则为16位,默认在AX中存放;
如果除数为16位,被除数则为32位,在DX和AX中存放,DX存放高16位,AX存放低16位。 -
结果:
如果除数为8位,则AL存储除法操作的商,AH存储除法操作的余数;
如果除数为16位,则AX存储除法操作的商,DX存储除法操作的余数。

参考文献:
https://blog.csdn.net/qq_39654127/article/details/88698911 (CSDN王爽《汇编语言》笔记)
《王爽汇编语言第4版 第8章》
本文来自博客园,作者:VxerLee,转载请注明原文链接:https://www.cnblogs.com/VxerLee/p/15134162.html 专注逆向、网络安全 ——VxerLee

浙公网安备 33010602011771号