MS523国产NFC近场通讯芯片pin对pin兼容替换RC522/CV520/PN512
瑞盟国产MS523非接触式高集成读写卡芯片,PIN对PIN兼容替换
RC522/RC523/CV520/PN512/FM17550/FM17520/FM17522/MH1608/NZ3801A/ZS3801/WS1850/SI522等刷卡芯片。
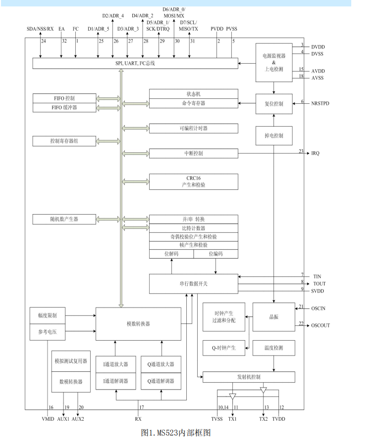
MS523 是一款应用于13.56MHz 非接触式通信中的高集成度读写卡芯片,它集成了在13.56MHz 下所有类型的被动非接触式通信方式和协议,支持ISO14443A/B 的多层应用,
主要特点:
1、高度集成的解调和解码模拟电路
2、采用少量外部器件,即可将输出驱动级接至天线
3、支持ISO/IEC 14443A 和14443B 106kBd,212kbBd,424kBd,848kBd 传输速率的通信
4、读写距离可达50mm,这取决于天线设计
5、支持M1 的读写加密
6、支持主机接口:
◆10Mbit/s 的SPI 接口
◆I2C 接口,快速模式的速率为400kBd,高速模式的速率为3400kBd
◆高达1228.8kBd 的RS232 串行UART,其电平取决于所提供的管脚电压
7、64 字节的发送和接收FIFO 缓冲区
8、灵活的中断模式
9、低功耗的硬件复位
10、软件掉电模式
11、可编程定时器
12、内部振荡器,连接27.12MHz 的晶体
13、2.5V-3.3V 的电源电压
14、CRC 协处理器
15、可编程的I/O 管脚
16、内部自检
应用:
1、智能电动车身份是被系统
2、智能刷卡门禁系统
3、低成本非接触式阅读器
4、三表行业非接触式智能控制设备
5、非接触式智能早教产品
6、非接触式只能展示系统
7、NFCIP-1非接触式通信设备
8、公共交通终端
9、便携式手持设备
9、便携式手持设备



浙公网安备 33010602011771号