3.31 计算机实践-数字逻辑电路
- 
带使能端的D触发器
之前学的门控D锁存器

加了一个时钟周期CLK(使得只有时钟发生转换的时候才能写入数据)

再加一个使能端(使得只有EN=1的时候才能正确写入,否则就把当前的输出结果再输入给D端,保持触发器当前输出)

 - 
4位行波加法计数器(异步计数器的特点是每一位的触发器由前一位的进位信号触发,而不是由同一个时钟信号触发。这意味着每一位的翻转会有一定的延迟,因为进位信号需要逐位传递)
T触发器(使得每一个时钟周期之后就会有一个相反的输入)

 
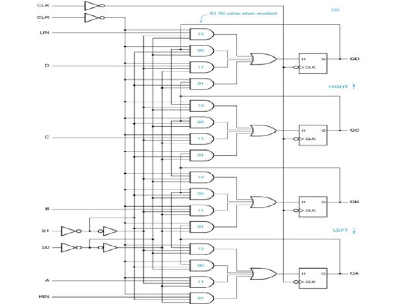
3 4位通用移位寄存器(寄存+加法)

输入的7位分别代表


只有s1,s0都为1的时候才是读入,否则只是操作,Lin(left)为左移,RIn为右移

每个或门连接的4个与门分别代表着四个不同的s1,s0信号(还有一个clear信号),其中每个与门(11:直接连输入,10/01:分别代表左移和右移,所以要和左/右的输出1相连,00:代表着hold:不变,所以和自己的输出相连)

                
            
        
浙公网安备 33010602011771号