3.5 数字逻辑电路
7.1 二进制逻辑运算
7.1.1 与函数(只有两个输入都为真,结果才为真),按位与运算
7.1.1.1 与函数应用:掩码:
例:A的最右边两位有特殊的重要性,就可以设置一个掩码00000011,(即前六位都被屏蔽了,最后两位被保留)
7.1.2 或函数 (两个输入都为真,结果就为真)
7.1.3 非函数(单输入取反)
7.1.4 异或函数(相异为1,相同为0)
7.1.5 三种基本符号表示
与:·
或:+
非:-
7.1.6 逻辑完备性:任何一种逻辑都可以由上面三种基本逻辑实现
7.2 晶体管和门电路
7.2.1 N型和P型(都起到开关的作用
)
如果N型晶体管的栅极加高电压,源极到漏极相当于电线,如果加低电压,就相当于断路;P型晶体管与之相反
7.2.2 门电路
7.2.2.1 非门
7.2.2.2 或非门,或门
7.2.2.3 与门,与非门

7.2.2.4 多个输入的与/或门
只要有一个输入为1/0结果就为1/0
tip:设计电路时先观察真值表,看看什么情况下输出为1
7.3 组合逻辑电路
7.3.1 译码器
功能:只有一个输出为1,其余输入都为0
用处:可以用来判断某位组合
输入,输出:通常,译码器有n个输出,2^n个输出

7.3.2 多路选择器
构成:多路选择器由n条选择线和2^n个输入组成
通过对S的(1,0;0,1;1,1;0,0)表示四种选择
tip:假设一个路有四个位,也不影响选择线的个数,只是输出也要四条线
7.3.3 加法运算器


确定真值表中为1的,列出来对应的真值,(然后用非+或+与 就可以实现全加法器)
7.3.4 逻辑完备性
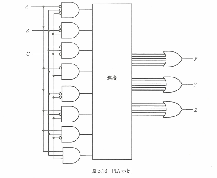
可编程逻辑阵列(PLA)(集合了与/或/非门)

通过连接不同的门,不同顺序连接的门,即可实现任意在PLA范围之内的器件
7.3.5 布尔代数和逻辑电路
通过布尔代数定律进行逻辑等价变化,可减少门的数目

注:此处的+表示或门,·表示与门

浙公网安备 33010602011771号