几种常用电机的原理
1、直流有刷电机(BD)
直流有刷电机(Brushed DC motor)具有结构简单、易于控制、成本低等特点,在一些功能简单的应用场合,或者说在能够满足必要的性能、低成本和足够的可靠性的前提下,直流有刷电机往往是一个很好的选择。例如便宜的电子玩具、各种风扇和汽车的电动座椅等。基本的直流有刷电机在电源和电机之间只需要两根电缆,这样就可以节省配线和连接器所需的空间,并降低电缆和连接器的成本。此外,还可以使用 MOSFET/IGBT 开关对直流有刷电机进行控制,给电机提供足够好的性能的同时,整个电机控制系统也会比较便宜。
直流有刷电机转速快、扭矩小,在某些应用中可能无法满足要求。这种情况就需要做一些改进来降低转速,并提高力矩。
(1)概念:直流有刷电机(BDC)是一种内含电刷装置,可以将直流电能转换成机械能的电动机。
(2)结构:直流有刷电机由定子、转子、电刷和换向器这四个结构组成。拆解后的直流有刷电机如下图所示:

下面我们来分析一下图中各个结构的作用:
① 定子:用于产生固定的磁场,通常由永磁体或电磁绕组制成。
② 转子:由一个或多个铜线绕组构成,通电后可以在磁场中受力运动。
③ 电刷:将外部电流输入到转子绕组上。
④ 换向器:改变转子绕组中电流的流向,是电机可以持续转动的关键结构。
(3)优缺点:

(4)应用场景:直流有刷电机被广泛应用于电动玩具车、电风扇、汽车座椅、印刷机械等方面。
在一些对电机输出扭矩(即输出的力)有高要求的场景,我们会给直流有刷电机加上减速齿轮组,以增大输出扭矩,这一类电机就是直流有刷减速电机。其原理为:在电机输出功率一定的条件下,转速和扭矩成反比例关系,我们通过减速齿轮组降低电机的转速,即可提高电机的输出扭矩。
在直流有刷电机专题教程中,我们所使用的电机就是直流有刷减速电机,它的实物图如下图所示:

这种电机通常也叫齿轮减速电机,它是在普通直流有刷电机的基础上增加了一套齿轮减速箱,用来提供更大的力矩和更低的转速。齿轮减速箱可以通过配置不同的减速比,提供各种不同的转速和力矩。在实际使用中减速电机使用的最为广泛,所以本章节将主要介绍直流有刷减速电机。
(5)电机参数:
① 额定电压:电机正常工作的电压。
② 额定电流:也叫负载电流,电机带负载正常工作时的电流。
③ 额定转速:也叫负载转速,单位是 r/min,也常用 RPM 表示。
④ 额定扭矩:电机额定电流下输出力的大小,单位常用 kg· cm 或 N· m。
⑤ 减速比:电机转子原始转速与减速后的输出转速之比,表示为 N: 1。
注意:电机不要使用过大负载,以防止电机堵转,造成电机过热甚至烧毁!
1.1、直流有刷电机工作原理
(1)左手定则
直流有刷电机原理的本质是: 通电导线在磁场中受力运动。因此,我们要了解直流有刷电机的工作原理,就离不开一个物理知识:左手定则。
左手定则是判断通电导线处于磁场中时,所受安培力 F (或运动)的方向、磁感应强度 B的方向以及通电导体棒的电流 I 三者方向之间的关系的定律。
左手定则的具体内容: 将左手四指并拢伸直,使拇指与其他四指在平面内垂直,手掌方向代表磁场的方向(从 N 级到 S 级),四指代表电流的方向(从正极到负极),那拇指所指的方向就是受力的方向。我们可以借助示意图对左手定则进行理解,示意图如图 5.2.1 所示:

判断方法是:伸开左手,使拇指与其他四指垂直且在一个平面内,让磁感线从手心流入,四指指向电流方向,大拇指指向的就是安培力方向(即导体受力方向)。
(2)基本工作原理
有了左手定则这一个理论支撑后,我们接着来分析直流有刷电机的基本工作原理。为了方便分析,我们先把直流有刷电机的结构简化,简化后的结构如下图所示:

上图 中, A 和 B 代表的是两块电刷, C 和 D 代表两片换向器, E 代表简化后的单匝转子线圈, S 和 N 为两块定子磁极,磁场方向从 N 极到 S 极。
我们接下来具体分析直流有刷电机的基本工作原理,其工作原理如下图所示:

上图中,直流有刷电机的工作原理可分为以下几步:
第一步,电流从电池正极流出,进入电刷 A,经过换向器 C,输入到转子线圈 E 的左侧导线,此时已经知道电流的方向(从 a1 到 a2)和磁场的方向(N 极到 S 极),根据左手定则,可以判断出线圈 E 左侧导线的受力 F1 是垂直于导线向上的。
第二步,电流从转子线圈 E 的左侧流向右侧(从 b2 到 b1),经过换向器 D 和电刷 B,流回电池负极,同理,我们根据左手定则,就可以判断出线圈 E 右侧导线的受力 F2 是垂直于导线向下的。结合转子线圈 E 左右两侧导线的受力情况,可得知线圈会沿顺时针方向转动。
第三步,当转子线圈 E 沿顺时针方向转过一定角度(在简化模型上就是 90°,实际应用中并不一定),换向器 C 和 D 的位置会改变,此时电刷和换向器的接触关系就改变了,如下图所示:

上图中,电流的方向发生了变化,此时电流从电刷 A 流入换向器 D,经过转子线圈E,再流出到换向器 C 和电刷 B。这个时候,虽然转子线圈 E 中电流的方向发生了改变,但是从转子线圈 E 的整体受力来看,左右两侧导线受力的方向并没有改变,所以转子线圈 E 会继续沿顺时针方向旋转下去,这个就是直流有刷电动机最基本的工作原理。
注意:单匝转子线圈运动到磁场的不同位置时,其受力是不均匀的,因此,在实际的应用中,转子通常都会有三匝或以上的线圈,它的受力情况会复杂很多,但是基本的原理是相通的。
(3)调速原理
直流有刷电机的调速原理很简单,我们只需要改变电源电压(输入电流)的大小,转子线圈的受力也会随之变化,这样就可以改变电机的转速了。在实际的应用中,我们就是通过控制直流有刷电机的输入电压来实现调速的。
(4)换向原理
根据直流有刷电机的工作原理可知,当转子线圈中电流的方向发生变化,线圈的受力情况也会发生改变,因此,我们只需要改变转子线圈中的电流方向即可实现电机换向。
有刷直流电机在其电枢上绕有大量的线圈,所产生强大的磁场与外部磁场相互作用产生旋转运动。磁极方向的跳转是通过移动固定位置的接触点来完成的,该接触点在电机转子上与电触点相对连接。这种固定触点通常由石墨制成,与铜或其他金属相比,在大电流短路或断路/起动过程中石墨不会熔断或者与旋转触点焊接到一起,并且这个触点通常是弹簧承载的,所以能够获得持续的接触压力,保证向线圈供应电力。在这里我们将通过其中一组线圈和一对磁极来分析其工作原理,如下图所示。

图中 C 和 D 两片半圆周的铜片构成换向器,两个弹性铜片靠在换向器两侧的 A 和 B 是电刷,电源通过电刷向导线框供电,线框中就有电流通过,在线框两侧放一对磁极 N 和 S,形成磁场,磁力线由 N 到 S。线框通有电流时,两侧导线就会受到磁场的作用力,方向依左手定则判断,红色和蓝色线框部分分别会受到力 F1 和 F2,这两个力的方向相反,这使得线框会转动,当线框转过 90° 时,换向器改变了线框电流的方向,产生的安培力方向不变,于是导线框会连续旋转下去,这就是直流电动机的工作原理。
1.2、 直流有刷减速电机几个重要参数
• 空载转速:正常工作电压下电机不带任何负载的转速(单位为 r/min(转/分))。空载转速由于没有反向力矩,所以输出功率和堵转情况不一样,该参数只是提供一个电机在规定电压下最大转速的参考。
• 空载电流:正常工作电压下电机不带任何负载的工作电流(单位 mA(毫安))。越好的电机,在空载时,该值越小。
• 负载转速:正常工作电压下电机带负载的转速。
• 负载力矩:正常工作电压下电机带负载的力矩(N· m(牛米))。
• 负载电流:负载电流是指电机拖动负载时实际检测到的定子电流数值。
• 堵转力矩:在电机受反向外力使其停止转动时的力矩。如果电机堵转现象经常出现,则会损坏电机,或烧坏驱动芯片。所以大家选电机时,这是除转速外要考虑的参数。堵转时间一长,电机温度上升的很快,这个值也会下降的很厉害。
• 堵转电流:在电机受反向外力使其停止转动时的电流,此时电流非常大,时间稍微就可能会烧毁电机,在实际使用时应尽量避免。
• 减速比:是指没有减速齿轮时转速与有减速齿轮时转速之比。
• 功率:般指的是它的额定功率(单位 W(瓦)),即在额定电压下能够长期正常运转的最大功率,也是指电动机在制造厂所规定的额定情况下运行时, 其输出端的机械功率。
2、直流无刷电机
传统的电动机分成同步电动机(SM)、异步电动机(IM)和直流电动机(DCM)三大类。它们的基本特点和区别可以这样描述:
1) 同步电动机的转子转速由供电交流电源的频率决定, 增大负载时转子速度不变。或者说转子角速度与交流电源的角频率同步。
2) 异步电动机的转子转速也主要取决于供电交流电源的频率, 但转子角速度只有在理想空载情况下才与电源角频率同步, 实际上总小于同步角速度, 即有一定的转差, 且转差随负载增加而增大。
3) 直流电动机的转子转速取决于加在电枢上直流电压的值, 负载增大时,转速也随着下降。
异步电动机为鼠笼型结构, 没有电刷; 小容量同步电动机大部分为永磁转子结构, 也没有电刷; 传统的直流电动机则无一例外地都是有刷结构。因为电刷和换向器是直流电动机中将产生交流电势的电枢绕组与直流电源联接的枢纽, 是直流电动机构成的关键组成部分, 可以理解为将电枢绕组的交流电势整流成直流电势与电源相联, 也可以理解为将电源的直流电压逆变成多相交流电压与电枢绕组相联。可见, 对于传统的电动机, 同步和异步电动机——交流电动机基本上是无刷电动机, 而直流电动机则无例外地为有刷电动机。
近代新发展起来的 BLDCM(Brushless Direct Current Motor)是指没有电刷但具有DCM 特性的电动机。与传统的 DCM 相比, BLDCM 用电子换向取代 DCM 的机构换向, 取消了电刷和换向器; 并将原有 DCM 中的定转子颠倒,即电枢绕组在定子上, 与静止的电子换相电路联接方便, 励磁在转子上, 为永磁体, 不需要励磁绕组, 也更不需要向转子通电的滑环和电刷; 在 DCM 中, 换向器在转子上, 它能保证当电枢导体从一个定子磁极下转到另一个极下时其中的电流同步改变方向,BLDCM 电枢绕组中电流方向的改变由功率管的开关来控制, 为保证开关信号与转子磁极转过的位置同步, 需要有检测转子位置角的传感器。基本组成部分如图10-1 所示, 可以看出 BLDCM 是 1 台反装的 DCM , 用电子换向, 作用原理基本不变, 基本特性自然就相一致。

BLDCM 的基本组成部分
无刷直流电机(Brushless Direct Current Motor,简称 BLDCM)由电动机主体和驱动器组成,是一种典型的机电一体化产品。无刷电机是指无电刷和换向器(或集电环)的电机,又称无换向器电机。这是模型中除了有刷电机以外用的最多的一种电机,无刷直流电机不使用机械的电刷装置,采用方波自控式永磁同步电机,与有刷电机相比,它将转子和定子交换,即无刷电机中使用电枢绕组作为定子,使用钕铁硼的永磁材料作为转子,以霍尔传感器取代碳刷换向器,性能上相较一般的传统直流电机有很大优势。具有高效率、低能耗、低噪音、超长寿命、高可靠性、可伺服控制、无级变频调速等优点,而缺点则是比有刷的贵、不好维护,广泛应用于航模、高速车模和船模。
直流无刷电机(Brushless Direct Current Motor,简称 BLDCM) 顾名思义没有了直流有刷电机中的电刷和换向器等结构,因此线圈绕组不参与旋转,而是作为定子,永磁体作为转子,所以需要通过控制线圈电流方向来改变磁场方向从而使转子持续旋转,同步进电机不同的是,无刷电机绕组通常是 3 组,并且只有 3 个引出接线端子,一般为星形接法, 3 组线圈的起始端通过电机内部连接到一起,剩余的一端引出作为电机的引线。由于无刷电机的换向需要根据转子位置确定,因此一般无刷电机有霍尔传感器,用于提供转子位置信息,当然也不是必需的,还可以通过无感的方式,用仅有的 3 根电机线来分析和确定转子的位置、转速等信息。
2.1、直流无刷电机与直流有刷电机的特点

可以从图 a 与图 b 中看出有刷电机与无刷电机之间最大的结构区别在于: 无刷电机没有电刷以及换向器; 并且无刷电机的线圈绕组不参与旋转,而是作为定子,永磁体作为转子, 与有刷电机是相反的结构。
无刷电机其性能相比于有刷电机有很大优势, 由于没有了碳刷结构, 所以干扰小、 噪音低、 运转流畅、 高速而且寿命更长。缺点就是控制较为复杂、 成本比有刷电机贵。在四轴飞行器,汽车,工业工控上的应用非常广泛。 下面我们总结了关于直流有刷电机以及无刷电机的特点,如下表:

不过,单个的无刷电机不是一套完整的动力系统,无刷电机基本必须通过无刷控制器才能实现连续不断的运转。普通的碳刷电机旋转的是绕组,而无刷电机不论是外转子结构还是内转子结构旋转的都是磁铁。
无刷电机的定子是产生旋转磁场的部分,能够支撑转子进行旋转,主要由硅钢片、漆包线、轴承、支撑件构成;而转子则是黏贴了钕铁硼磁铁、在定子旋转磁场的作用进行旋转的部件,主要由转轴、磁铁、支持件构成。除此之外,定子与转子组成的磁极对数还影响着电机的转速与扭力。
2.2、直流无刷电机的分类
无刷电机的分类方式有很多种,我们这里仅以驱动方式进行区分,如下图:

上图我们可以看到,现代电机与控制技术以电流驱动模式的不同将永磁无刷直流电机分为两大类,可以分为:方波驱动(无刷直流电机BLDC)以及正弦波驱动(永磁同步电机PMSM),其中方波驱动又分为:外转子式 BLDC、内转子式 BLDC;正弦波驱动分为:永磁同步电机(PMSM)。下面我们来看下这些电机的实物图:

图 21.1.2.2 的无刷电机为外置式转子,即磁体做成的转子在外侧,内侧的定子是缠绕漆包线的硅钢叠片,主要应用于四轴飞行器等。

图 21.1.2.3 的无刷电机类似步进电机的一种结构,即磁体转子在内侧,硅钢片定子在电机外侧。一般电机直径和长度越大,扭矩越大,有时还通过减速齿轮组来增大扭矩,在工业工控上的应用非常广泛。

图 21.1.2.4 为永磁同步电机(PMSM)该电机一般都配有高精度编码器, 优点显著,精度高,效率高,运行可靠,损耗小,在精度要求较高的场合被广泛应用。 适合高级控制方式——FOC。
2.3、BLDC 和 PMSM 的区别(方波和正弦波驱动)
BLDCM 的电子换向, 基本的方式与 DCM 中完全一致, 相绕组中的电流改变方向与绕组轴线所处磁极下位置极性改变同步, 称为方波驱动的 BLDCM, 相绕组基本上为方波。但是电子换向毕竟与机械换向不一样, 它具有更灵活的可控性,电子换向不仅可实现随磁极位置同步改变相绕组内电流的方向, 必要时还可以实现电流波形的控制, 例如让相绕组电流为正弦波形, 称为正弦波驱动的 BLDCM。尽管相绕组电流为正弦波形, 看起来与传统 DCM 有些不同, 可是这种带角位置传感器和电子换向电路的永磁电动机, 它的作用原理和基本特性仍与 DCM 相一致, 应归类为 BLDCM 。
在英美的文献中, 把这类正弦波驱动的 BLDCM 称为“永磁同步电动机(PMSM: Permanent-Magnet Synchronous Motors )” 或者“无刷交流电动机 (BLACM )” ,在日本和欧洲则大多数情况下称为“交流伺服电动机(AC servo)” , 国内基本上也多数采用 AC servo 的名称。这些名称在工业和商业领域通用以后很难加以改变, 但是从学术的角度应作一些澄清, 否则会造成混淆。转子上没有位置传感器,或不通过位置讯号换向的永磁电动机, 才具有同步电动机的基本特性, 是名符其实的 PMSM。通过位置讯号进行电子换向的永磁电动机, 既使相绕组电流波形为正弦波与交流电动机一样, 但基本特性 DCM 相一致, 应归类为 DCM, 而不是 SM。把它称为 BLACM 就更不清楚了, 难道传统的 ACM 都有刷吗? 传统的鼠笼型异步电动机和永磁电动机都是无刷结构, 都是 BLACM。通常所说的 AC servo, 如前所说, 它不是同步电动机的工作特性, 又不具备异步电动机的基本结构, 所以从本质上讲不是 1 台通常意义上的 AC 电动机, 只是从形式上看, 绕组电流为正弦波形, 与通常 ACM 的绕组电流情况相同, 实际上称作无刷直流伺服电动机(BLDCservo)较为恰当。
虽然上面这么解释,但是就目前国内类似,大家普遍这样称谓:
PMSM:永磁同步电机(正弦波驱动)
BLDC:直流无刷电机(方波驱动)
BLDC 与 PMSM 电机在控制方式、运行方式、绕组方式等等, 都有很大的区别,最主要的区别就是反电动势不同, BLDC 接近于方波, PMSM 接近于正弦波。
BLDC 和 PMSM 电机比较:


BLDC 和 PMSM 从最本质的区别就是定子线圈绕组的绕线方法不同。

BLDC 驱动相对简单, PMSM 电机驱动需要复杂的算法FOC 支持。
2.4、直流无刷电机几个重要参数
(1)额定电压
无刷电机适合的工作电压,其实无刷电机适合的工作电压非常广,额定电压是指定了负载条件而得出的情况。例如说, 2212-850KV 电机指定了 1045 螺旋桨的负载,其额定工作电压就是 11V。如果减小负载,例如带 7040 螺旋桨,那这个电机完全可以工作在 22V 电压下。但是这个工作电压也不是无限上升的,主要受制于电子控制器支持的最高频率。所以说,额定工作是由工作环境决定的。
(2)KV 值
有刷直流电机是根据额定工作电压来标注额定转速的,无刷电机引入了 KV 值的概念,而让用户可以直观的知道无刷电机在具体的工作电压下的具体转速。实际转速 =KV 值 * 工作电压,这就是 KV 的物理意义,就是在 1V 工作电压下每分钟的转速。无刷直流电机的转速与电压呈正比关系,电机的转速会随着电压上升而线性上升。例如, 2212-850KV 电机在 10V 电压下的转速就是:850*10=8500RPM(RPM,每分钟转速)。 KV 值与匝数是呈反比例关系的,例如 2212-850KV,匝数是 30T(15 圈),那在 28T 的情况下的 KV 值是:850KV*30T/28T=910KV。
(3)转矩与转速
转矩:(力矩、扭矩)电机中转子产生的可以用来带动机械负载的驱动力矩,我们可以理解为电机的力量。
转速: 电机每分钟的转速。
电机的转矩和转速在同一个电机内永远是一个此消彼长的关系,基本可以认为转矩和转速的乘积是一个定数,即同一个电机的转速越高,必定其转矩越低,相反也依然。不可能要求个电机的转速也更高,转矩也更高,这个规律通用于所有电机。例如:2212-850KV 电机,在 11V 的情况下可以带动 1045 桨,如果将电压上升一倍,其转速也提高一倍,如果此时负载仍然是 1045 桨,那该电机将很快因为电流和温度的急剧上升而烧毁。
(4)最大电流和最大功率
最大电流: 电机能够承受并安全工作的最大电流
每个电机都有自己的力量上限,最大功率就是这个上限,如果工作情况超过了这个最大功率,就会导致电机高温烧毁。
(5)槽极结构(N:槽数, P:极数)
铁芯极数(槽数)∶ 定子硅钢片的槽数量
磁钢极数(极数)∶ 转子上磁钢的数量
模型常见的内转子无刷电机结构有: 3N2P(有感电机常用)、 12N4P(大部分内转子电机)
模型常见的外转子无刷电机结构有:9N6P、 9N12P、 12N8P、 12N10P、 12N14P、 18N16P、 24N20P。
模型用内转子无刷电机极数不高的原因: 目前内转子电机多用于减速使用,所以要求的转速都比较高。电子转速 = 实际转速 * 电机极对数,电子控制器支持的最高电子转速往往都是一个定数,所以如果电机极对数太高的话,支持的最高电机转速就会下降,所以目前的内转子电机极数都是4 以内。
(6)其他设计驱动需要的参数
定子电感:电动机静止时的定子绕组两端的电感。
定子电阻:在 20℃ 下电动机每相绕组的直流电阻。
反电动势系数:在规定条件下,电动机绕组开路时,单位转速在电枢绕组中所产生的线感应电动势值。
2.5、直流无刷电机工作原理
在学习工作原理前我们先来学习一下安培定则,安培定则,也叫右手螺旋定则,是表示电流和电流激发磁场的磁感线方向间关系的定则。
通电直导线中的安培定则(安培定则一):用右手握住通电直导线,让大拇指指向电流的方向,那么四指指向就是磁感线的环绕方向;
通电螺线管中的安培定则(安培定则二):用右手握住通电螺线管,让四指指向电流的方向,那么大拇指所指的那一端是通电螺线管的 N 极,如下图所示。

通电导体产生磁场,特别的,通电线圈的磁场和磁体类似

磁体异性相吸、 同性相斥,通电线圈和永磁体之间同样存在这样的现象

我们知道在磁极中同名相吸,异名相斥,及 N 极与 S 极相互吸引, N 极与 N 极和 S 极与 S 极相互排斥,下面我们来看看一个直流模型,如下图所示。

当两边的线圈通上电后,由右手螺旋定则可知两个线圈中将会产生方向向右的磁场,而中间的转子会尽量使自己内部的磁感线方向与外磁感线方向保持一致,以形成一个最短闭合磁力线回路,N 极与 S 极相互吸引,这样内转子就会按顺时针方向旋转了。当转子旋转到如图所示的水平位置时转子将不会受到作用力。

但是由于惯性的作用转子将会继续旋转,当转子旋转至水平位置时,交换两个线圈中的电流方向,这时转子就会继续向顺时针方向转动了。当转子再次旋转至水平位置时,再次交换两个线圈中的电流方向,这样转子就可以一直旋转了。
无刷电机的工作原理:




无刷直流电机利用了通电线圈和永磁体的相互作用原理, BLDC 内部结构实物图见下图:

BLDC 内部实物结构图
根据实物图,我们可以画出无刷直流电机的逻辑结构, 见下图:

BLDC 逻辑结构
为简化分析,可以做成直流无刷电机的简化逻辑结构, 见下图:

简化逻辑结构
这样, 通电的线圈会产生各自的磁场,他们的合成磁场满足矢量合成的原则,见下图:


在 A 端上电源正极,在 B 端接电源负极,那么可以在线圈 A 和 B 中可以产生如上图所示的磁场,因为磁场强度是矢量,所以由磁场 BB 和 BA 可以得到合成磁场 B。此时转子就会保持在图中方向。
有了上面的基础,我们再来看下面的“三相星形联结的二二导通方式”。
电机正转:

想要转子转动就需要接入不同的电压,我们来分析一下图中的 6 个过程。
1). 在 A 端接入正电压, B 端接入负电压, C 端悬空,转子将会旋转至图中 1 的位置。
2). 在 1 的基础上, C 端接入正电压, B 端接入负电压, A 端悬空,转子将会从 1 的位置旋转至图中 2 的位置。
3). 在 2 的基础上, C 端接入正电压, A 端接入负电压, B 端悬空,转子将会从 2 的位置旋转至图中 3 的位置。
4). 在 3 的基础上, B 端接入正电压, A 端接入负电压, C 端悬空,转子将会从 3 的位置旋转至图中 4 的位置。
5). 在 4 的基础上, B 端接入正电压, C 端接入负电压, A 端悬空,转子将会从 4 的位置旋转至图中 5 的位置。
6). 在 5 的基础上, A 端接入正电压, C 端接入负电压, B 端悬空,转子将会从 5 的位置旋转至图中 6 的位置。
当转子旋转到位置 6 时,在重复 1 的供电状态,转子将会从 6 的位置旋转到 1 的位置。在经过上面的 6 个过程后转子正好转了一圈,我们将这种驱动方法称为 6 拍工作方式,每次电压的变化称为换相。想要电机持续的旋转我们只要按上面转子相应的位置接入相应的电压即可。
电机反转:

1) 为 A 接 24V、 B 悬空、 C 接 GND,此时对应图 10-8 中的1, 电机转轴被固定在一个位置;
2) 在1) 的基础上,我们修改接线方式, 为 A 接 24V、 B 接 GND、 C 悬空,此时对应图 10-8 中的2, 电机转轴就在1) 基础上旋转一个角度,达到另外一个位置;
3) 在2) 的基础上,我们修改接线方式, 为 A 悬空、 B 接 GND、 C 接 24V,此时对应图 10-8 中的3, 电机转轴就在2) 基础上旋转一个角度,达到另外一个位置;
4) 在3) 的基础上,我们修改接线方式, 为 A 接 GND、 B 悬空、 C 接 24V,此时对应图 10-8 中的4, 电机转轴就在3) 基础上旋转一个角度,达到另外一个位置;
5) 在4) 的基础上,我们修改接线方式, 为 A 接 GND、 B 接 24V、 C 悬空,此时对应图 10-8 中的5, 电机转轴就在4) 基础上旋转一个角度,达到另外一个位置;
6) 在5) 的基础上,我们修改接线方式, 为 A 悬空、 B 接 24V、 C 接 GND,此时对应图 10-8 中的6, 电机转轴就在6) 基础上旋转一个角度,达到另外一个位置。
2.6、转子的位置获取
BLDC 驱动还需要一个非常重要的参数, 只有知道了这个参数信息我们才有可能正常的控制 BLDC 旋转,这个重要参数就是转子的位置信息,只有知道了当前转子所处位置,我们才能很好的控制电机旋转,如果毫无目的根据上图中顺序为绕组给电,最终只能看到电机乱转。
转子的位置信息一般可以为 2 种方法取得,一种是有霍尔传感器模式,另外一种是无传感器模式。
(1)霍尔传感器模式
我们虽然已经知道了控制转子的六个节拍的方法。但是你有没有发现一个新的问题:如果不知道转子的位置,就不知道何时该驱动哪个绕组?所以驱动无刷电机的前提是我们必须要知道转子的当前位置,只有知道了当前转子所处位置,我们才能很好的控制电机旋转!
无刷电机依靠传感器提供转子位置信息进行驱动的方式我们称之为有感驱动方式,既然有有感驱动,那么是不是也同样存在无感驱动?是的, 转子的位置信息一般可以为 2 种方法取得,一种是有霍尔传感器模式,另外一种是无传感器模式。在无感驱动章节会重点介绍,这里先从有感驱动开始。
无刷电机的传感器一般为霍尔传感器,根据霍尔器件可检测磁场的变化的特性再搭配一定的电路将磁场方向变化信号转化成不同的高低电平信号输出,具体看https://www.cnblogs.com/The-explosion/p/18817861
霍尔传感器介绍:霍尔传感器 - 孤情剑客 - 博客园
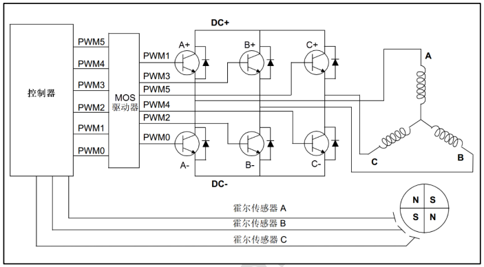
无刷电机、霍尔传感器、电机驱动电路和控制器组成的系统见图下图:

(2)无传感器模式
无传感器模式需要外部复杂的采样、处理等电路支持,我们这里只介绍驱动原理,并且无传感器模式虽然可以减少成本,但是在电机启动阶段和稳定性方面等问题还是让它只能用于特殊情况,对于高要求的工业应用环境,更多的还是使用有霍尔传感器模式驱动。
介绍无传感器模式驱动之前,我们还需要了解一个概念: 反电动势。 BLDC 电机转动时,每个绕组都会产生叫做反电动势的电压,根据楞次定律,其方向与提供给绕组的主电压相反。 这一反电动势的极性与励磁电压相反。反电动势主要取决于三个因素:
转子角速度
转子磁体产生的磁场
定子绕组的匝数

电机设计完毕后,转子磁场和定子绕组的匝数都是固定不变的。 如果避免了定子的磁饱和,或者忽略磁场与温度的相关性(即 B 为常数),则唯一决定反电动势的因素就是角速度,或者说转子的转速,随着转子转速的提高,反电动势也随之增加。电机设计规范提供了一个称为反电动势常数(单位: V/RPM)的参数,可用来估计给定转速下的反电动势的大小。
绕组两端的压降可通过从供电电压中减去反电动势值算出。使得反电动势常数设计电机的方法如下:当电机以额定转速运行时,反电动势和供电电压间的电势差足以使电机消耗额定电流,提供额定转矩。如果电机转速超过额定转速,反电动势会显著增长,从而降低绕组两端的压降,减小电流,从而导致转矩曲线下降。转速曲线上最后一点表示供电电压等于反电动势与电机中压降损耗之和,此时电流和转矩都等于 0。
前面我们已经介绍了使用霍尔传感器获取转子位置进行换向, BLDC 电机还可以通过监视反电动势信号,而不是霍尔传感器信号来换向, 霍尔传感器信号和反电动势之间的关系(相对于相电压) 如图 10-17 所示。每次换向,三个绕组都是其中一个绕组得到正电压,一个得到负电压,另外一个处于悬空状态, 由此我们可以知道,霍尔传感器信号会在反电动势的电压极性从正变为负或者从负变为正时候改变状态。在理想状态下,这应在反电动势穿过零值时发生, 但实际上由于绕组特性,会有延时。该延时应由微控制器来补偿。
需要考虑的另一个问题就是电机转速很慢的时候, 由于反电动势与转子转速成正比,在转速很慢的时候反电动势的幅值非常低, 此时就非常难检测到过零点。所以, 当电机从静止状态起动是必须采用开环控制,等电机有一定转速了,就可以检测过零点了,从而转进入采用反电动势检测控制。 可检测到反电动势的最低转速可通过该电机的反电动势常数算出。
通过检测不通电相绕组上的 BEMF 电压可以确定电机驱动电压的换相时间。然而,无传感器控制也有一些缺点:
由于 BEMF 足够大时才能被检测到,因此电机必须运行在最低转速以上;
电机负载突变可能引起 BEMF 驱动环失锁;
如果低成本是应用中关注的主要问题,且无需电机在低速下运行,以及预料电机负载不会发生快速地变化,那么在这种情况下,无传感器梯形波控制就可能是应用中的较好选择。

根据之前的分析,无传感器模式下的电机控制系统框图见图 10-18。

3、步进电机
3.1 、介绍
步进电机又称为脉冲电机,基于最基本的电磁铁原理,它是一种可以自由回转的电磁铁,换成机械运动的装置,具有很好的数据控制特性,因此,计算机成为步进电机的理想驱动源,随着微电子和计算机技术的发展,软硬件结合的控制方式成为了主流,即通过程序产生控制脉冲,驱动硬件电路。单片机通过软件来控制步进电机,更好地挖掘出了电机的潜力。在不超载的情况下电机的转速和停止位置只取决于脉冲信号的频率和数量;并且步进电机的脉冲数量与步进旋转的角度成正比,脉冲的频率与步进的转速成正比,所以可以很好的从源头控制信号的输出;且步进电机只有周期性的误差,使得在速度、位置等控制领域用步进电机来控制变的非常的简单。
步进电机是将电脉冲信号转变为角位移或线位移的开环控制元件。通过控制施加在电机线圈上的电脉冲顺序、 频率和数量, 可以实现对步进电机的转向、 速度和旋转角度的控制。在不借助带位置感应的闭环反馈控制系统的情况下、 使用步进电机与其配套的驱动器共同组成的控制简便、 低成本的开环控制系统, 就可以实现精确的位置和速度控制。如,配合以直线运动执行机构或齿轮箱装置,更可以实现更加复杂、精密的线性运动控制要求。
步进电机是一种将电脉冲信号转换成相应角位移或线位移的电动机。每输入一个脉冲信号, 转子就转动一个角度或前进一步,其输出的角位移或线位移与输入的脉冲数成正比, 转速与脉冲频率成正比。因此, 步进电动机又称脉冲电动机。 在非超载且不超频的情况下,电机的旋转位置只取决于脉冲个数,转速只取决脉冲信号的频率。 所以说步进电机它的开环能力非常优秀,目前也被广泛的应用于各种开环系统上。
在非超载的情况下,电机的转速、停止的位置只取决于脉冲信号的频率和脉冲数,而不受负载变化的影响,当步进驱动器接收到一个脉冲信号,它就驱动步进电机按设定的方向转动一个固定的角度,称为“步距角”,它的旋转是以固定的角度一步一步运行的。可以通过控制脉冲个数来控制角位移量,从而达到准确定位的目的;同时可以通过控制脉冲频率来控制电机转动的速度和加速度,从而达到调速的目的。
3.2、步进电机结构
步进电机一般由前后端盖、轴承、中心轴、转子铁芯、定子铁芯、定子组件、波纹垫圈、螺钉等部分构成,步进电机也叫步进器,它利用电磁学原理,将电能转换为机械能,是由缠绕在电机定子齿槽上的线圈驱动的。通常情况下,一根绕成圈状的金属丝叫做螺线管,而在电机中,绕在定子齿槽上的金属丝则叫做绕组、线圈、或相。



(1)步进电机的转子
永磁转子:转子是与定子电路产生的磁场对准的永磁体,可以保证良好的扭矩和自动扭矩,即使没有线圈通电,电机也可抵抗位置变化,缺点是它具有较低的速度和较低的分辨率。

可变磁阻转子:转子由铁芯制成,并具有使其与磁场对准的特定形状,更容易达到更高的速度和分辨率,但通常产生的扭矩更低,没有制动扭矩。
混合转子:具有特定结构,是永磁体和可变磁阻版本的混合体,转子带有交替齿的盖并轴向磁化。这种配置使电动机极同时具有两者的优点,特别是高分辨率,速度和扭矩,具有更高性能也具有更复杂的结构。

(2)步进电机的定子
定子电路的主要特征包括其相数和极对数以及导线配置。相数是独立线圈的数目,而极对数则表示每个相如何占据主要的齿对。最常用的是两相步进电机(如下图左为两相单极对定子,右为两相偶极对定子),不常用的是三相和五相电机。

3.3、工作原理
通常步进电机的转子为永磁体,当电流流过定子绕组时,定子绕组产生一矢量磁场。磁场会带动转子旋转一定的角度,使得转子的一对磁场方向与定子的磁场方向一致。当定子的矢量磁场旋转一个角度。转子也随着该磁场转步距角。每输入一个电脉冲,电动机转动一个角度前进一步。它输出的角位移与输入的脉冲数成正比、转速与脉冲频率成正比。改变绕组通电的顺序,电机就会反转。所以可用控制脉冲数量、频率及电动机各相绕组的通电顺序来控制步进电机的转动。
(1)步进电机分类
从磁激励的方式进行区分可以将步进电机区分为三大类: 永磁式、反应式(磁阻式)、混合式步进电机。他们之间的区别如下:
1)反应式: 定子上有绕组、转子由软磁材料组成。结构简单、成本低、步距角小,可达 1.2°、但噪声和震动大,动态性能较低。
2)永磁式: 永磁式步进电机的转子用永磁材料制成,转子的极数与定子的极数相同。其特点是动态性能好、输出力矩大,但这种电机步矩角大(一般为 7.5°或 15°)。精度也就一般。
3)混合式: 混合式步进电机综合了反应式和永磁式的优点,其定子上有多相绕组、转子上采用永磁材料,转子和定子上均有多个小齿以提高步矩精度。其特点是输出力矩大、动态性能好,步距角小,但结构复杂、成本也相对较高,但这类步进电机的应用最为广泛,我们后面的教程也是主要以混合式的步进电机来讲解。

以极性方式区分步进电机又分为单极性的步进电机和双极性的步进电机;具体简易图如下图所示:10.2.1 步进电机极性区分

其中左侧为单极性步进电机,右侧为双极性的步进电机,从上图中不难看出区别是什么。单双极性是指一个步进电机里面有几种电流的流向,左侧的五线四相步进电机就是单极性的步进电机,图中的红色箭头为电流的走向,四根线的电流走向汇总到公共线,所以称之为单极性电机;但是右侧则不同,电机中有两个电流的回路,两个电流的回路自然就是双极性,所以称之为双极性电机。
1)单极性绕组
单极性步进电机使用的是单极性绕组。其一个电极上有两个绕组,这种联接方式为当一个绕组通电时,产生一个北极磁场;另一个绕组通电,则产生一个南极磁场。因为从驱动器到线圈的电流不会反向,所以可称其为单极绕组。
2)双极性绕组
双极性步进电机使用的是双极性绕组。每相用一个绕组,通过将绕组中电流反向,电磁极性被反向。典型的两相双极驱动的输出步骤在电气原理图和下图中的步进顺序中进一步阐述。按图所示,转换只利用绕组简单地改变电流的方向,就能改变该组的极性。

永磁步进电机包括一个永磁转子、线圈绕组和导磁定子,只要将线圈通电根据电磁铁的原理就会产生磁场,分为南北极,见上图所示;通过改变步进电机定子的磁场,转子就会因磁场的变化而发生转动,同理,依次改变通电的顺序就可以使得电机转动起来。
(2)双极性步进电机驱动原理
https://www.bilibili.com/video/BV1nA4m1A7Ke/?spm_id_from=333.337.search-card.all.click&vd_source=808f356eadbc3a9f8a25854d28839790
下图是一个双极性的单相激励步进电机整步,步进顺序。在第一步中:将 A 相通电,根据电磁铁原理,产生磁性,并且因异性相吸,所以磁场将转子固定在第一步的位置;第二步:当 A 相关闭, B 相通电时,转子会旋转 90°;第三步: B 相关闭、 A 相通电,但极性与第 1 步相反,这促使转子再次旋转 90°。在第四步中: A 相关闭、 B 相通电,极性与第 2 步相反。重复该顺序促使转子按 90° 的步距角顺时针旋转。

上图中显示的步进顺序是单相激励步进,也可以理解为每次通电产生磁性的相只有一个,要么 A相,要么 B 相;但是更常用的是双相激励,但是在转换时,一次只能换相一次,具体详见下图:

上图是两相同时通电的旋转顺序,与单相激励不同的是,单相通电后被固定在了与定子正对着的绕组极性,但是双相同时激励时转子却被固定在两个绕阻的极性中间;此时通电顺序就变成了AB 相同时通电即可。
在双相激励的过程中,也可以在装换相位时加一个关闭相位的状态而产生走半步的现象,这将步进电机的整个步距角一分为二,例如,一个 90° 的步进电机将每半步移动 45°,具体见下图。

1). A 相通电, B 相不通电
2). A、 B 相全部通电,且电流相同,产生相同磁性
3). B 相通电, A 断电
4). B 相通电, A 相通电,且电流相等,产生相同磁性
5). A 相通电, B 断电
6). A、 B 相全部通电,且电流相同,产生相同磁性
7). B 相通电, A 断电
8). B 相通电, A 相通电,且电流相等,产生相同磁性
其中 1~4 步与 5~8 步的电流方向相反(电流相反,电磁的极性就相反)这样就产生了顺时针旋转,同理逆时针是将通电顺序反过来即可。
(3)单极性步进电机驱动原理
单极性与双极性步进电机驱动类似,都可以分为整步与半步的驱动方式,不同的是,双极性的步进电机可以通过改变电流的方向来改变每相的磁场方向,但是单极性的就不可以了,它有一个公共端,这就直接决定了,电流方向。具体旋转顺序详见下图:

上图是单极性步进电机整步旋转的过程,其中,在图示中分为 5 根线,分别为 A、 B、 C、 D 和公共端(+),公共端需要一直通电,剩下 ABCD 相中只要有一个相通电,即可形成回路产生磁场,图中的通电顺序为 A->B->C->D,即可完成上图中的顺时针旋转,如果想要逆时针旋转只需要将其倒序即可。
以上是单相通电产生的整步旋转,两相通电也可以产生,两个相邻的相通电,这样相邻的两个相就都产生了回路,也就产生了磁场,图中的通电顺序为 AB->BC->CD->DA,同理逆时针旋转的顺序为逆序。具体看下图:

上面两张图清晰的描述了单极性步进电机的通电顺序与旋转的过程,综合这两张图就是单极性步进电机半步的通电顺序,具体看下图:

上图兼容了前两张图的所有特点,也可以说前两张图是这张图的子集,图中的通电顺序为: A->AB->B->BC->C->CD->D->DA 转子每次只走半步 45 度,所以这也被称为半步驱动,与整步相比半步的旋转方式旋转起来更加的顺滑。
(4)细分器驱动原理
重复上面步骤就可以以 90°或45°的步距角顺时针旋转, 与整步相比半步的驱动方式旋转起来更加的顺滑。
但是在实际的应用中,步距角 45°还是过于大,在很多高精度的场合是不合适的,那我们有没有什么方法可以减小步距角呢? 当然有的, 大致可以分为两种:
硬件改进:通过增加线圈的组数或者增加转子的齿数, 进而减小步进的角度。不过线圈越多需要的成本就越大, 并且电机的大小是有限的,所以线圈的数量是有限制的, 很显然这不是一个好方法;如果是增加转子的齿数,它的缺点也很显著, 转子的齿数越多对加工工艺的要求就越大,而且硬件上的改进都有一个物理极限,如果想要一个很小的步距角很显然采用硬件改进不是一个明智的方法。
软件改进: 使用细分驱动的方式,减小步距角,何谓细分驱动? 我们来看下细分驱动的原理。
对于细分驱动的原理,不分单双极步进电机,因为单双极步进电机都同理, 所以不分单双极电机,下图以单极为例:

在上图中均为双相激励;其中图(a)为 A 相电流很大, B 相的电流极其微弱,接近 0;图 (C) 为A 相和 B 相的电流相同,电流决定磁场,所以说 A 相和 B 相的磁场也是相同的, (a) 和(c)可以是极限特殊的情况,再看图(b)和图(d)这两个是由于 A 相和 B 相的电流不同产生位置情况;由此可以得出改变定子的电流比例就可以使得转子在任意角度停住。细分的原理就是:通过改变定子的电流比例,改变转子在一个整步中的不同位置,可以将一个整步分成多个小步来运行。
在上图中就是一个整步分成了 4 步来跑,从(a) ~(d)是 A 相的电流逐渐减小, B 相电流逐渐增大的过程,如果驱动器的细分能力很强,可以将其分成 32 细分、 64 细分等;这不仅提高了步进电机旋转的顺畅度而且提高了每步的精度。
所以细分的原理就是: 通过改变定子的电流比例, 进而控制转子在一个整步中的不同位置,即可以将一个整步分成多个小步来运行。
3.3、步进电机1.8°原理



3.4、技术指标术语
(1)静态指标术语
相数:产生不同对极 N、 S 磁场的激磁线圈对数,也可以理解为步进电机中线圈的组数,其中两相步进电机步距角为 1.8°,三相的步进电机步距角为 1.5°,相数越多的步进电机,其步距角就越小。
拍数:完成一个磁场周期性变化所需脉冲数或导电状态用 n 表示,或指电机转过一个齿距角所需脉冲数,以四相电机为例,有四相四拍运行方式即 AB-BC-CD-DA-AB,四相八拍运行方式即 A-AB-B-BC-C-CD-D-DA-A。
步距角:一个脉冲信号所对应的电机转动的角度,可以简单理解为一个脉冲信号驱动的角度,电机上都有写,一般 42 步进电机的步距角为 1.8°
定位转矩:电机在不通电状态下,电机转子自身的锁定力矩(由磁场齿形的谐波以及机械误差造成的)。
静转矩:电机在额定静态电压作用下,电机不作旋转运动时,电机转轴的锁定力矩。此力矩是衡量电机体积的标准,与驱动电压及驱动电源等无关。
(2)动态指标术语
步距角精度:步进电机转动一个步距角度的理论值与实际值的误差。用百分比表示:误差/步距角 *100%。
失步:电机运转时运转的步数,不等于理论上的步数。也可以叫做丢步,一般都是因负载太大或者是频率过快。
失调角:转子齿轴线偏移定子齿轴线的角度,电机运转必存在失调角,由失调角产生的误差,采用细分驱动是不能解决的。
最大空载起动频率:在不加负载的情况下,能够直接起动的最大频率。
最大空载的运行频率:电机不带负载的最高转速频率。
运行转矩特性:电机的动态力矩取决于电机运行时的平均电流(而非静态电流),平均电流越大,电机输出力矩越大,即电机的频率特性越硬。
电机正反转控制:通过改变通电顺序而改变电机的正反转。
3.5、主要特点
(1)步进电机的精度大概为步距角的 3-5%,且不会积累
(2)步进电机的外表允许的最高温度:一般步进电机会因外表温度过高而产生磁性减小,从而会导致力矩较小,一般来说磁性材料的退磁点都在摄氏 130 度以上,有的甚至高达摄氏 200度以上,所以步进电机外表温度在摄氏 80-90 度完全正常。
(3)步进电机的转矩与速度成反比,速度越快力矩越小。
(4)低速时步进电机可以正常启动,高速时不会启动,并伴有啸叫声。步进电机的空载启动频率是固定的,如果高于这个频率电机不能被启动并且会产生丢步或者堵转。
3.6、驱动器简介
步进电机必须要有控制器和驱动器才可以使电机正常工作,控制器是 stm32 或者其它型号的 MCU了,驱动器就是步进电机驱动器了。为什么要使用驱动器呢?驱动器起到将控制器信号放大或者转换的作用,如下图所示,控制器输出方向信号和脉冲信号来控制步进电机驱动器,驱动器将其功率放大然后作用到步进电机上。

4、舵机
有一种电机可以在程序的控制下,在一定范围内连续改变输出轴角度并且可以保持住。这种电机最早被用在航模和船模等遥控模型中,控制各种舵面的转动,这就是舵机。现在舵机除了运用在遥控模型中,也大量的运用在各种机器人、机械臂的关节以及智能小车的转向机构中。下图就是一种标准舵机的外形。

4.1、舵机分类
(1)按照舵机的控制电路可以分为:模拟舵机和数字舵机。模拟舵机和数字舵机的机械结构可以说是完全相同的,模拟舵机的控制电路为纯模拟电路,需要一直发送目标信号,才能转到指定的位置,响应速度较慢,无反应区较大;数字舵机内部控制电路则加上了微控制器,只需要发送一次目标信号,即可到达指定位置,速度比模拟舵机更快,无反应区也更小。
(2)按照使用对象的不同,可以分为:航模舵机、车模舵机、船模舵机和机器人舵机。航模舵机一般要求速度快、精度高,而车模和船模用的舵机一般要求具有大扭矩和防水性好。
(3)按照内部机械材质,又可分成:塑料齿舵机和金属齿舵机。塑料齿舵机内部的传动齿轮是塑料的,重量轻价格便宜,但是扭矩一般较小无法做大;金属齿舵机的扭矩更大,舵机更结实耐用,但是相比塑料齿更重也更贵。
(4)按照外部接口和舵机的控制方式,又可分为: PWM 舵机和串行总线舵机。
4.2、舵机结构
舵机主要由以下几个部分组成:外壳、舵盘、直流电机、减速齿轮组、角度传感器、控制驱动电路和接口线缆等。常见的舵机内部结构如下图所示。

其中角度传感器负责舵机的位置反馈,直接装在舵机的主输出轴上,将轴旋转后产生的角度变化变成电压信号发回控制电路,当前轴角度;控制驱动电路用来接收外部接口传来的信号和角度传感器反馈的电压值,以及驱动直流电机旋转;减速齿轮组则是降低直流电机的转速并且放大扭矩,这一部分就跟前面介绍的直流减速电机差不多了。
市面上常见的廉价舵机通常采用小型的直流有刷电机和塑料材质减速齿轮组,传感器一般使用电位器返回模拟电压。而一些稍贵的则会使用金属齿轮组。一些高端的舵机内部甚至会采用无刷电机和磁电编码器。
4.3、舵机工作原理
模拟舵机和数字舵机内部电路不同,所以原理上稍有差别,这里以模拟舵机进行讲解。模拟舵机内部的控制驱动电路板从外界接收控制信号,经过处理后变为一个直流偏置电压,在控制板内部有一个基准电压,这个基准电压由电位器产生并反馈到控制板。将外部获得的直流偏置电压与电位器的电压进行比较获得电压差,并输出到电机驱动芯片驱动电机,电压差的正负决定电机的正反转,大小决定旋转的角度,电压差为 0 时,电机停止转动。大致原理框图如下图所示。

从图中可以看到,舵机内部是闭环控制的,所以这一类电机实际上是一种位置(角度)伺服的简化版伺服电机,将工业伺服电机的三闭环控制简化成了只有一个位置闭环。舵机这个名字是国内起的一种俗称,本质上属于伺服电机,它的英文就直接叫 Servo,或者 RC Servo。
4.4、舵机控制原理
舵机的输入有三根线,一般的中间的红色线为电源正极,咖啡色线的为电源负极,黄色色线为控制线号线。如下图所示。

舵机的控制通常采用 PWM 信号,例如需要一个周期为 20ms 的脉冲宽度调制(PWM),脉冲宽度部分一般为 0.5ms-2.5ms 范围内的角度控制脉冲部分,总间隔为 2ms。当脉冲宽度为 1.5ms 时,舵机旋转至中间角度,大于 1.5ms 时舵机旋转角度增大,小于 1.5ms 时舵机旋转角度减小。舵机分 90°、 180°、 270° 和 360° 舵机,以 180° 的舵机为例来看看脉冲宽度与角度的关系,见下图所示。

上图中脉冲宽度与舵机旋转角度为线性关系,其他舵机控制脉冲也类似, 0.5ms 对应 0 度, 2.5ms对应最大旋转角度,脉冲宽度与旋转角度也是线性关系。
4.5、舵机几个参数介绍
舵机速度的单位是 sec/60°,就是舵机转过 60° 需要的时间,如果控制脉冲变化宽度大,变化速度快,舵机就有可能在一次脉冲的变化过程中还没有转到目标角度时,而脉冲就再次发生了变化,舵机的转动速度一般有 0.16sec/60°、 0.12sec/60° 等, 0.16sec/60° 就是舵机转动 60° 需要 0.16 秒的时间。舵机的速度还有工作电压有关,在允许的电压范围内,电压越大速度越快,反之亦然。舵机扭矩的单位是 KG*CM,这是一个扭矩的单位,可以理解为在舵盘上距离舵机轴中心水平距离 1CM 处,舵机能够带动的物体重量,如下图所示。

通常说的 55g 舵机、 9g 舵机等,这里的 55g 和 9g 指的是舵机本身的重量。

浙公网安备 33010602011771号