- 前言
- Chapter 1: Introduction 介绍
- 本章总结
前言
上次在写完ug1137软件开发者指南的第7章读书笔记后,我感觉我对MPSOC的系统理解还是太少了,所以决定先跳过ug1137,直接来看最重要的文档ug1085-MPSOC技术参考手册,当时没看这个文档是觉得太长了,总共有1200来页,但是现在仔细想了一想,这里面的内容肯才是更为基础和重要的,因此来开个新坑。
此外,上次读ug1137时感觉读书笔记写到后面都快变成文档翻译了,所以这次读ug1085,我决定先读完一个章节再来进行总结,而不是边读边写笔记,所以内容可能会更为精简,下面我们就开始。
Chapter 1: Introduction 介绍
这一章相当于是对MPSOC架构的一个总览,很简要的介绍了MPSOC的功能,用途,以及其内部的各种处理器,外设,以及比较关键的一些管理单元,内容虽然多但是都比较基础,没有讲到关键,所以我们也只是每个小节提一下重点就算结束了,这一章节中的所有部分在ug1085的后续章节都会详细展开来说,我们就只做基础描述了。
1.1 Introduction to the UltraScale Architecture 架构介绍
这一小节在介绍MPSOC是什么以及其面向的用途和功能特性,不多讲了。
1.2 Application Overview 应用概述
这一小节介绍了MPSOC的特性,功能以及用途。主要讲MPSOC相比于7000系有那些特性得到了提升以及其应用范围,如自动假设,工控等等。
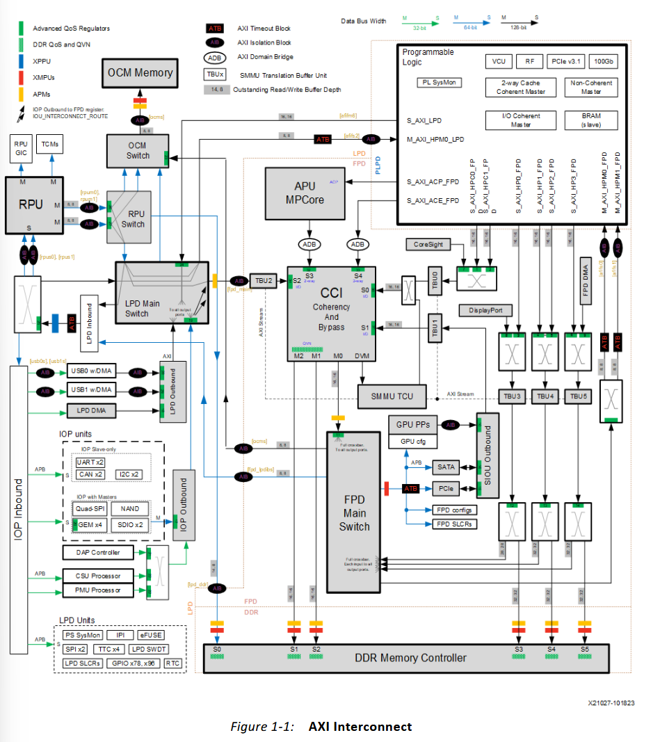
1.3 System Block Diagram 系统框图
这节以PS为核心,用系统框图介绍了MPSOC的整体架构,包含处理器,外设,总线连接等等,框图如下:

1.4 Power Domains and Islands
MPSOC有四个主要的电源域:
- Low-power domain (LPD)
- Full-power domain (FPD)
- PL power domain (PLPD)
- Battery power domain (BPD).
这四个电源域可以相互隔离,并由platform management unit (PMU)进行管理,隔离电源域的作用是可以防止特定电源域的断电,也可以提供一些安全性的应用,还有就是某些低功耗应用需要隔离某部分功能,例如在只使用PL端逻辑的时候就可以将PS端电源断开,反之亦然。电源域指示图如下,这里要主要上面说的四个电源域只是主要电源域,而不是全部电源域:

1.5 High-Speed Serial I/O
这一节介绍MPSOC中的高速串行IO口,分为GTR和GTY以及GTH,GTR是PS端用的高速串行收发器,GTY和GTH是PL端的高速串行收发器。
1.5.1 GTR Transceivers
PS端的GTY收发器是被共享的,我的理解是PS端的4个GTR是被PS的串行外设接口共用的,可以分时使用但不能一起使用,其支持PCIE2.1,SATA3.1,DP等传输协议
1.5.2 GTY Transceivers
PL端的GTY收发器具有更强的性能,用于一些高速数据传输的应用中,可以支持到PCIE4的PCIE4x8的规格以及100G以太网,但是我没用过这么高级的器件,这里就不表述了,PS和PL端的高速串行接口框图如下所示:

1.6 MIO and EMIO
MIO和EMIO的内容比较简单,两者一个是PS端的复用IO,一个是PL端的复用IO,复用的意思就是IO可以被分给不同的外设使用,而不是固定IO对应固定的外设,当然EMIO是个有更为特殊的特性,他可以被连接到PS端的外设上,也就是用PS端的外设控制器控制PL端的外设。
1.7 Platform Management and Boot
PMU是MPSOC的一个关键部件,这个部件掌管着MPSOC系统的上电和复位操作,同时也控制一些和系统初始化相关的操作,简单来说,当系统复位或者上电后,首先就会执行PMU ROM中的代码以进行最基础的初始化,然后将系统的运行移交给CSU,CSU在完成对镜像的验证和解析后,才会运行FSBL,即第一阶段启动程序,所以PMU是整个系统最早开始启动的。更为具体的内容可以看我之前写的ug1137读书笔记的第七章,当然我们后面还有还会在ug1085中再次讲到这些内容,具体应该在第11章。
1.8 Functional Units and Peripherals
这里列了一大张表格,用来描述MPSOC中各个模块的基本构成和功能,都是介绍性质的,我觉得算是比较总览性的内容,所以我把表格放在下面了:



1.9 Device ID Codes
1.9.1 JTAG IDCODE
这部分描述了MPSOC器件中如何去获取器件ID代码的方式,这个ID代码标识了器件的主要特性和PS端的版本,其实就是标识了是哪个芯片,JTAG应该是需要获取这个ID才能对器件进行debug,获取的方式有两种,使用PS TAP控制器指令,和软件读取CSU.IDCODE寄存器,对应的不同器件的IDCODE在一张表中展示了,由于不常用这里也不再贴表了。
1.10 System Software
1.10.1 System Features Assigned by Software
这一节我没太看懂在说什么,似乎在说MPSOC系统的某些功能可以由软件控制寄存器来配置,但是这些寄存器到底配置什么功能我没怎么看懂,这里也不细说了。
本章总结
这一章都是概述性质的内容,感觉就像是又把ug1137第一章的内容又做了一遍,就当做是复习一遍了。
浙公网安备 33010602011771号