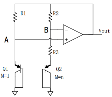
关于bandgap中极性的判断
bandgap的中运放的正负相位都有连接,且前馈系数一般相同,则需要使得负反馈系数大于正反馈系数,环路才稳定。
对于不同类型的bandgap,其正负相位一般连接不同。
https://blog.csdn.net/weixin_39889337/article/details/112767268



/////////
为什么需要正反馈: 电路启动阶段,PMOS电流源尚未建立,因此小的注入电流只能通过正反馈,而一旦PMOS电流源建立起来后,支路电流不可能无线增大,负反馈起作用拉回平衡点

浙公网安备 33010602011771号