FX5u控制4个伺服,一个完整的项目
程序用 标签分层,说明了定位控制中的公共参数设定、回原点、JOG手动、绝对定位、相对定位、控制等部分,威纶程序报警界面.多个机种选择,手动,自动,暂停,包括有:
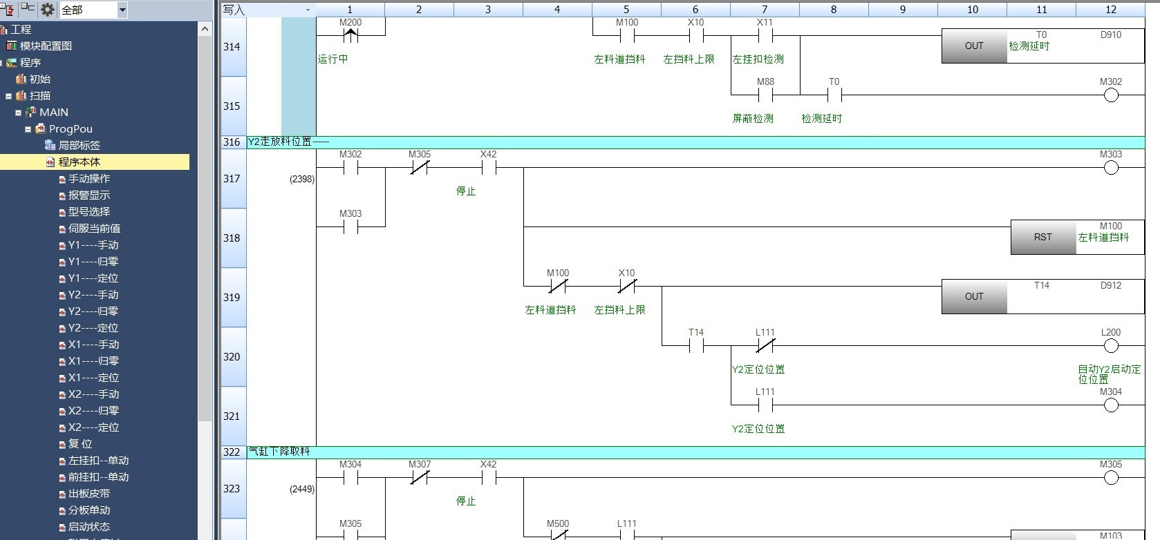
1、plc程序一份
2、设备说明书一份
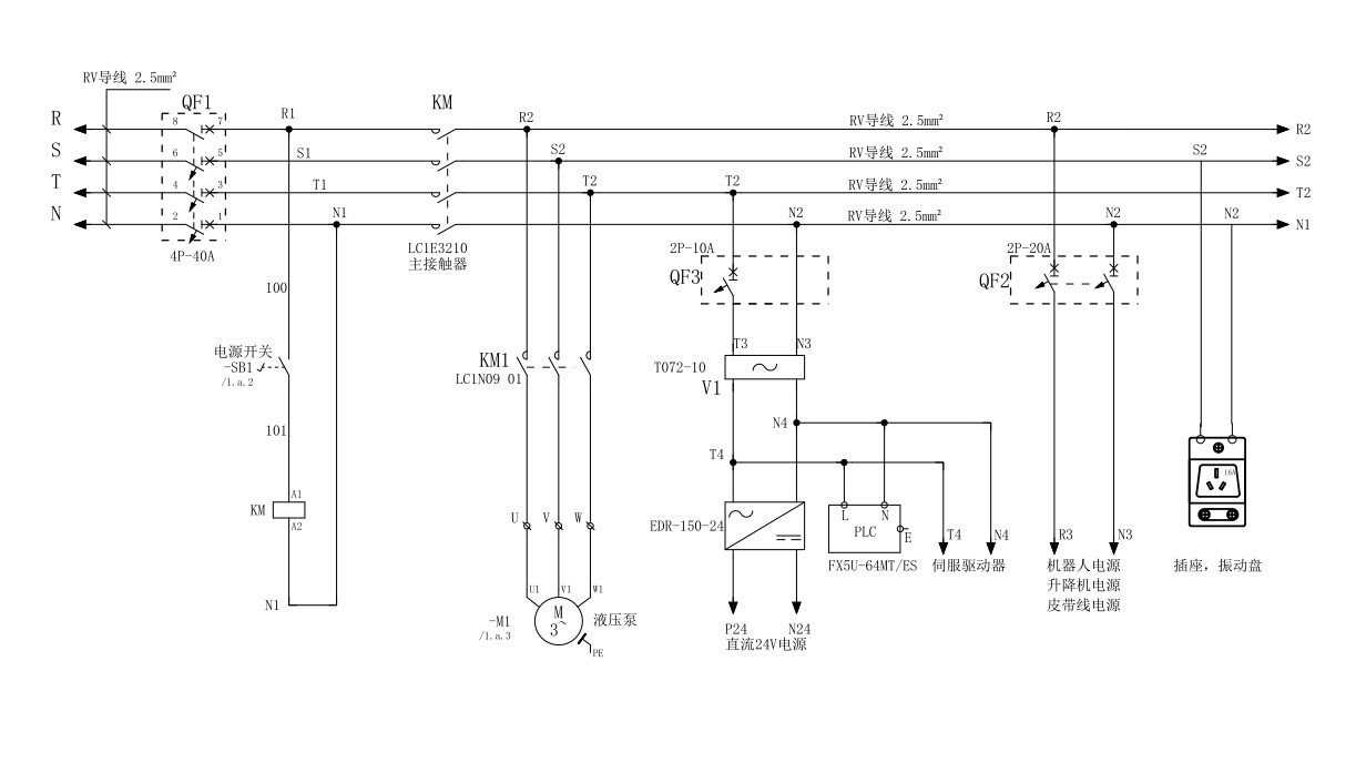
3、电路图一份
4.威纶屏程序一份
5.io表一份
6.电气清单一份

3

YID:5810646562910637电气工程师科技

12

posted on 2022-07-14 16:16  zhuomian  阅读(250)  评论(0)    收藏  举报