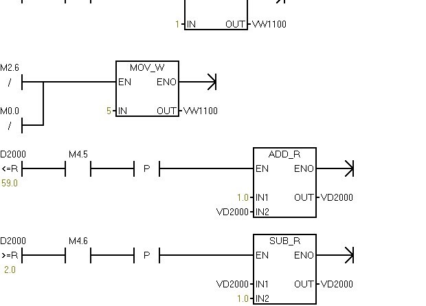
轮询西门子200smart与3台变频器9个模拟量输入,程序包括Modbus RTU轮训控制,实时读取电流,频率 控制启停,模拟量采集温度和电流 外加变频器说明书一份,只有plc程序跟变频器说明书。


6

YID:277644020417481机械师118

1234
posted on 2022-07-14 15:39  zhuomian  阅读(390)  评论(0)    收藏  举报