USB转网口CH397与RTL8152应用注意事项
概述
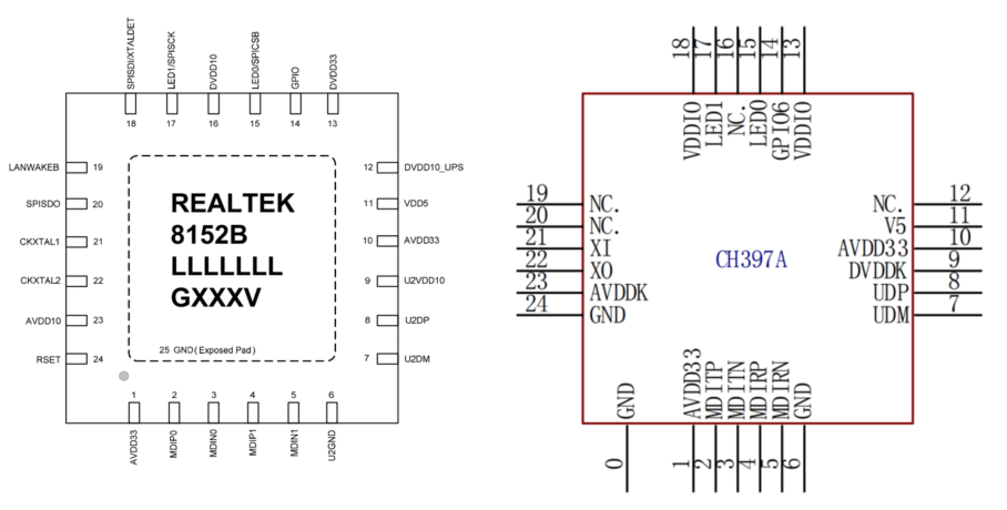
CH397A与RTL8152B之间可以实现引脚兼容,可以在不更改硬件线路的情况下实现产品的快速转换和应用。
CH397A内置FLASH,外围只需9个阻容件,更换RTL8152之后可去掉部分外围器件。此外,CH397A为工业级规格,已内置唯一的MAC地址,无需进行二次烧录。

硬件差异说明
- CH397A外围器件只需9个阻容器件,按照参考设计RTL8152需16个阻容器件(包含FLASH)以上;
- CH397A已内置FLASH,设计上无需再预留FLASH电路;
- CH397A的PIN12、PIN16、PIN19、PIN20为NC脚悬空处理即可,RTL8152B其PIN12需接0.1uF+1uF退耦,PIN20为SPIDO引脚;
- CH397A的PIN24脚直接地即可,RTL8152需接2.49K电阻到地;
- CH397A使用25MHz晶振12pF旁路规格下,旁路可不接,RTL8152B需接27pF电容。
其他说明
CH397Windows下免驱,若首次使用CH397A,系统将自动弹出光驱进行驱动安装,后续正常使用即可。
在Linux、国产操作系统UOS、Kylin等、MAC、Android、IOS下支持免驱,即插即用,无需安装驱动。
浙公网安备 33010602011771号