12种开关电源拓扑及计算公式
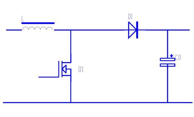
1、BUCK电路

输入输出电压关系

开关管电流

开关管电压

二极管电流

二极管反向电压

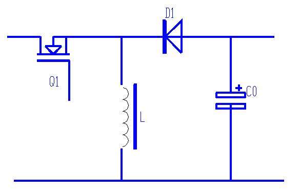
2、BOOST电路

输入输出电压关系

开关管电流

开关管电压

二极管电流

二极管反向电压

3、BUCK BOOST电路

输入输出电压关系

开关管电流

开关管电压

二极管电流

二极管反向电压

4、SEPIC电路

输入输出电压关系

开关管电流

开关管电压

二极管电流

二极管反向电压

5、FLYBACK电路

输入输出电压关系

开关管电流

开关管电压

二极管电流

二极管反向电压

6、FORWARD电路

输入输出电压关系

开关管电流

开关管电压

二极管电流

二极管反向电压

7、SWITCH FORWARD电路

输入输出电压关系

开关管电流

开关管电压

二极管电流

二极管反向电压

8、ACTIVE CLAMP FORWARD电路

输入输出电压关系

开关管电流

开关管电压

二极管电流

二极管反向电压

9、HALF BRIDGE电路

输入输出电压关系

开关管电流

开关管电压

二极管电流

二极管反向电压

10、PUSH PULL电路

输入输出电压关系

开关管电流

开关管电压

二极管电流

二极管反向电压

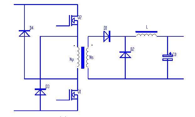
11、FULL BRIDGE电路

输入输出电压关系

开关管电流

开关管电压

二极管电流

二极管反向电压

12、PHASE SHIFT ZVT

输入输出电压关系

开关管电流

开关管电压

二极管电流

二极管反向电压

2020/8/24 转载于知乎北京稳固得电子《12种开关电源拓扑及计算公式》,学习使用,如有侵权,请告知删除。

浙公网安备 33010602011771号