摩斯密码简介
摩斯密码是一个时断时开的信号密码——这样的密码代表着密码的延时性与承载信息的性质。
经典的摩斯密码都是在电影里出现的,使用摩斯密码的人,主体是冷战时期,利用打字机、电报机、打印机、传真机等电报类工具进行传媒。

图解:摩斯密码的编码形式——以字母为上限四格的信号编码,字符为上限为五格的信号编码
这里说明了摩斯密码的编码是寄存性质的编码:点为按下,横为按下没触发。
这种触发机制根按钮类似——电报仅仅需要考虑按下没按下,而不需要考虑延时的多少,例如按下一个按钮,延时为分辨率255(电位)的按钮,则延时计算可以为一比上系统时钟周期为系统频率。然而,普通的机械按钮(稳定的一个微分方程)只考虑输出输入的条件下且不计算分辨率,考虑输出与否。
那么,莫尔斯密码在信号传输的理解上,是承载着固定信息的四到五位的比特流。其中比特流的特征为图所示。
小视频制作(Maniman)
提到相似的东西——例如,红外线遥控器,是一个触发式的红外线遥控器,其中点下按钮拉动电位撞击灯泡产生电流进一步放射出光电产生红外线——这样的红外线也是有频段的。

图1:频谱段的分布
可见光层面频率分布从400~700Hz,从深蓝到深红至棕色(750Hz),从可见光向上是微米波长的光,频率分布在不等长的距离内,FM在收音机频率内收到Radios光,AM为光的上下限所在频率(10^6为中心的AM波和10^8为中心的FM波),长波在(Long radio waves)10^5和10^0以上。这个图显然是作者用来分析频谱的工具。


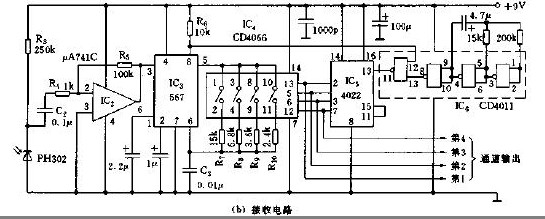
图2:反射式红外线电路图
反射式红外线电路图2,由四个开关组成的灯控相当于RC并联电路<-主控<-反馈运算放大器<-IC3022控制由门电路<-9V到地电压。

浙公网安备 33010602011771号