STM32
STM32
YoungTalk-STM32入门100步-总篇_stm32入门100步pdf百度网盘-CSDN博客
编程环境
Keil-MDK5 江科大STM32教学视频
stm32CubeMX及HAL库 图形化界面,低代码开发


单片机开发中用到的各种驱动合辑_倚天版单片机开发套件驱动-CSDN博客
硬件设计思路
基于标准库编程
基于HAL库编程
快速初始化
构建自己的工程
正式入门
认识硬件

面包板
【【科普/中字】如何使用一块面包板】https://www.bilibili.com/video/BV1gz4y1Z7N7?vd_source=487c7846405d2bc3e59527ec56ecc990
STM32简介


A-Application R--realtime M-microcontroller


【趋近于完美的通讯 CAN总线!4分钟看懂!】https://www.bilibili.com/video/BV14k4y187e6?vd_source=487c7846405d2bc3e59527ec56ecc990
【10行代码,就能让你真正理解DMA!你用的可能很少,但是在单片机中非常重要!】https://www.bilibili.com/video/BV1iV4y1f71L?vd_source=487c7846405d2bc3e59527ec56ecc990
【十行代码,就能让你理解看门狗!经常见但不知道看门狗是什么,看了这个视频你就知道了!】https://www.bilibili.com/video/BV1ko4y1s7E1?vd_source=487c7846405d2bc3e59527ec56ecc990






软件安装

新建工程





GPIO



保护二极管
上拉输入 下拉输入 浮空输入
施密特触发器 迟滞比较器
CMOS 推挽、开漏、关闭

数电入门
电位是相对的,电压是绝对的
接地点:所有零点位汇集的点

接地线的作用

电路分析 ---- 并且逻辑


逻辑电路 对具体数字不关注





异或门: 相同为0,不同为1

数学计算

半加器 : 不接受进位的加法器

全加器




全减法----补码---全加器

编码器 译码器 7段数码管 数据选择器




衔尾蛇

逻辑编程 --- 或非门 SR锁存器
仿真软件 http://cburch.com/logisim/


作用---存储数据 理论脱离实际 随机事件 依赖电路结构与响应时间


电平触发的SR触发器 clk为1 锁死,clk为0锁存触发

D触发器 clk---时钟信号

脉冲触发的SR触发器

**边沿触发器 ** 左下角小箭头代表边沿触发特性

寄存器

移位寄存器

作用:节省数据传输占用的数据线,从八位并行变成一位串行


串行-并行数据转化

补码加法+移位操作 实现乘除法
自此电路便有了记忆


存储器


磁 : 磁盘 -- 水平式 垂直式 叠瓦式
叠瓦式:大容量,但速度慢 依赖缓存完成数据的搬迁


光 :光盘
电 : 半导体场效应管


搭积木: 4个4位2进制的存储块 掩模版


PROM 可编程ROM 烧写 一次性编程 熔断电阻丝

夹心蛋糕 EPROM 可擦除可编程只读存储器


电子隧穿 EEPROM 电信号可擦除可编程只读存储器
闪存 flash

闪存颗粒





映射管理

垃圾回收

磨损平衡

掉电恢复 加大电容应急 采用算法重建数据

坏块管理 原厂 白片颗粒 黑片颗粒 --- U盘

接口 协议 串行ATA sata数据传输规定的层级 半双工 sata3.0




PCIE 串行 全双工 支持多通道





任务队列



手机存储





RAM

锁存器







电容






后者电容 DRAM -- 动态RAM 前者锁存器 SRAM -- 静态RAM
DDR SDRAM double data rate synchronous dynamic RAM


模电入门
N型半导体

P型半导体

扩散运动

约束扩散运动 --- 漂移运动 浓度差与电场力 动态平衡

晶体三极管

信号放大 2号微小的电流改变引起1号和3号的电流巨大变化



发射极连接负极用来发射电子,集电极连接正极收集电子并向正极泄洪,基极连接信号像阀门一样


基础总结


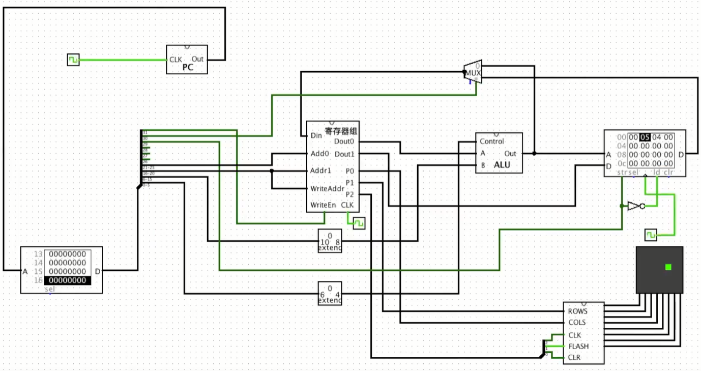
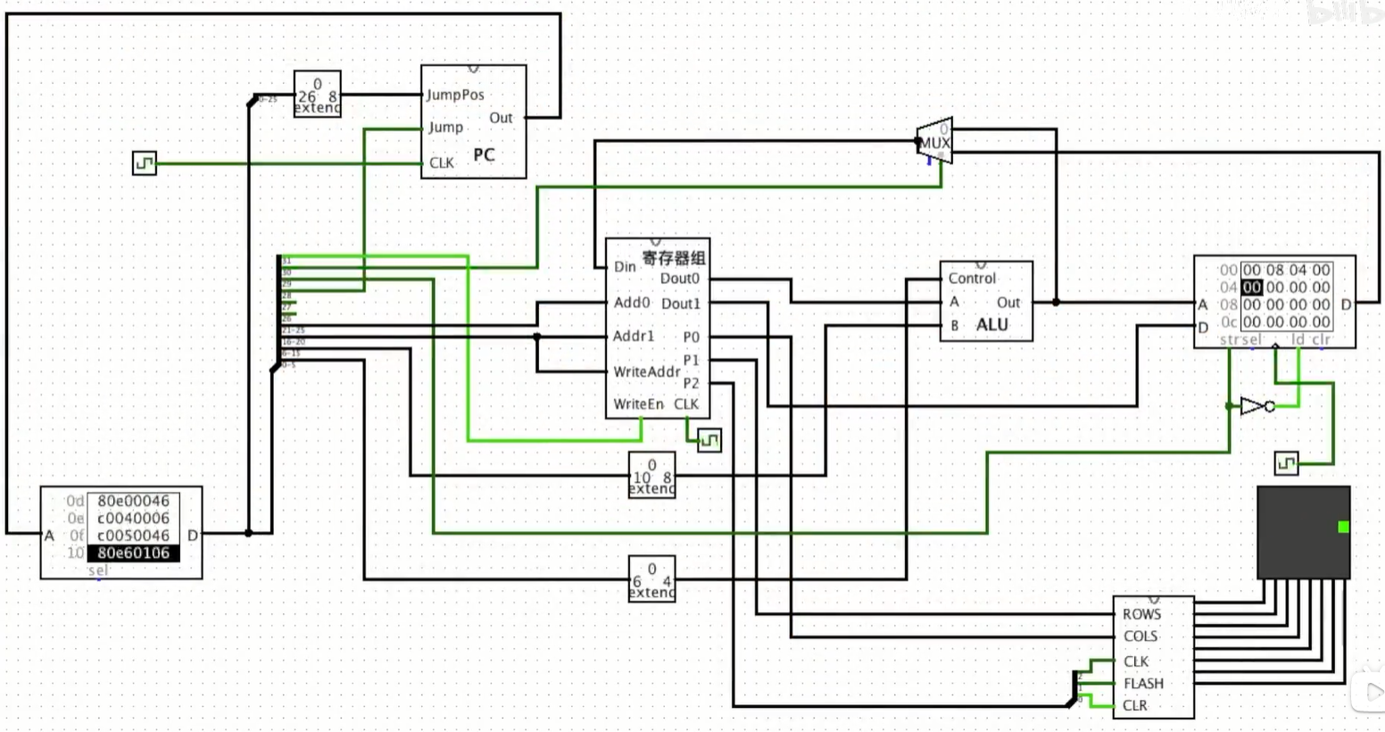
计组入门

硬盘只是程序的一个非易失性备份 : 冯诺依曼结构

哈佛结构 : 嵌入式系统广泛应用

CPU的功能

ROM和RAM


寄存器
寄存器组



运算器

寄存器成为一道屏障,与CPU和其他模块沟通的桥梁----分治思想
算术单元 AU

逻辑单元 LU

算术逻辑单元 ALU


寄存器组

黑盒封装

汇编指令集


MIPS32指令集

汇编指令


RAM寻址







程序计数器


图像IO





跳转





Logisim仿真
软件下载 https://sourceforge.net/projects/circuit/files/latest/download
实验下载 Nambers/logisim_snake: 使用logisim模拟电路做的简单贪吃蛇(可参考一个up的教程https://www.bilibili.com/video/BV1wi4y157D3)

嵌入式入门
【单片机学习缺失的第一课!适合小白的嵌入式通识】https://www.bilibili.com/video/BV1qcmjYPEYh?vd_source=487c7846405d2bc3e59527ec56ecc990
做什么事,如何安排,怎么去做 善用AI 项目导向
【【单片机】单片机汇编版期末速成】https://www.bilibili.com/video/BV19t4y1K7Sv?vd_source=487c7846405d2bc3e59527ec56ecc990
微机基础
定义:将微处理器、一定容量的RAM和ROM以及I/O口、定时器等电路集成在一块芯片上,构成单片微型计算机
CPU 主要寄存器:A累加器,PC程序计数器
执行程序的过程:取址,执行
数制转化:原码、反码、补码、机器码、真值、BCD码 (8421)
-
正数:原反补相同
-
负数:“-5” 原码1101,反码1010,补码1011

内部结构
哈佛结构和普林斯顿(冯诺依曼)结构

RAM和ROM结构,89C51有哪些主要部件
8位CPU, 4KB ROM, 片内256B(低128B 真正的 real RAM区 高128B SFR特殊功能寄存器) RAM , 4个8位并行I/O口(P0·P3) ,2个16位定时器/计数器, 中断...

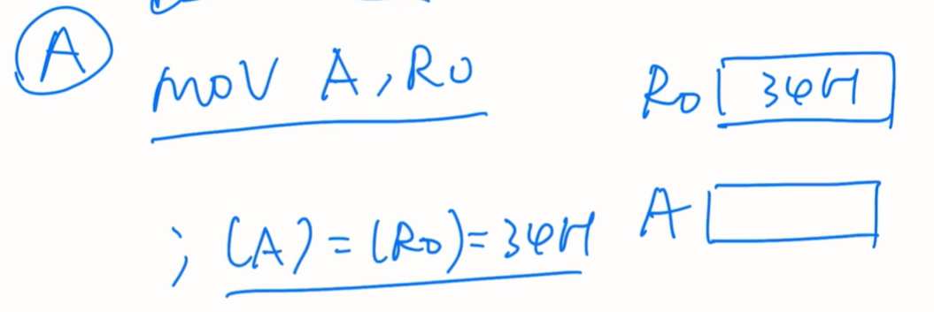
指令系统
汇编 文件后缀 : .asm --- .hex --- 仿真simulate
寻址方式: 直接寻址、立即数寻址、寄存器寻址



寄存器间接寻址、相对寻址、变址寻址、位寻址

例题1

例题2



中断系统









定时器





浙公网安备 33010602011771号