算法与数据结构基础知识---链表
- 链表是一系列的存储数据元素的单元通过指针串接起来形成的,因此每个单元至少有两个域,一个域用于数据元素的存储,另一个或两个域是指向其他单元的指针。这里具有一个数据域和多个指针域的存储单元通常称为节点(node)。
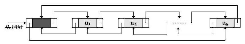
- 链表的第一个节点和最后一个节点,分别称为链表的头节点和尾节点。尾节点的特征是其 next 引用为空(null)。链表中每个节点的 next 引用都相当于一个指针,指向另一个节点,借助这些 next 引用,我们可以从链表的头节点移动到尾节点。
- 链表数据结构中主要包含单向链表、双向链表及循环链表:
-
单向链表
单向链表只有一个指针域,在整个节点中数据域用来存储数据元素,指针域用于指向下一个具有相同结构的节点。

单向链表中,每个节点的数据域都是通过一个 Object 类的对象引用来指向数据元素的,与数组类似,单向链表中的节点也具有一个线性次序,即如果节点 a1 的 next 引用指向节点 a2,则 a1 就是 a2 的直接前驱,a2 是 a1 的直接后续。只能通过前驱节点找到后续节点,而无法从后续节点找到前驱节点。
特点:
数据元素的存储对应的是不连续的存储空间,每个存储结点对应一个需要存储的数据元素。每个结点是由数据域和指针域组成。 元素之间的逻辑关系通过存储节点之间的链接关系反映出来。
逻辑上相邻的节点物理上不必相邻。
缺点:
1、比顺序存储结构的存储密度小 (每个节点都由数据域和指针域组成,所以相同空间内假设全存满的话顺序比链式存储更多)。
2、查找结点时链式存储要比顺序存储慢(每个节点地址不连续、无规律,导致按照索引查询效率低下)。
优点:
1、插入、删除灵活 (不必移动节点,只要改变节点中的指针,但是需要先定位到元素上)。
2、有元素才会分配结点空间,不会有闲置的结点。 -
双向链表
要在单向链表中找到某个节点的前驱节点,必须从链表的头节点出发依次向后寻找,但是需要Ο(n)时间。为此我们可以扩展单向链表的节点结构,使得通过一个节点的引用,不但能够访问其后续节点,也可以方便的访问其前驱节点。扩展单向链表节点结构的方法是,在单链表节点结构中新增加一个域,该域用于指向节点的直接前驱节点。该链表称为双向链表。单向链表只能从一个方向遍历,双向链表可以从两个方向遍历。

在使用双向链表实现链接表时,为使编程更加简洁,我们使用带两个哑元节点的双向链表来实现链接表。其中一个是头节点,另一个是尾节点,它们都不存放数据元素,头节点的pre 为空,而尾节点的 Next 为空。
在具有头尾节点的双向链表中插入和删除节点,无论插入和删除的节点位置在何处,因为首尾节点的存在,插入、删除操作都可以被归结为某个中间节点的插入和删除;并且因为首尾节点的存在,整个链表永远不会为空,因此在插入和删除节点之后,也不用考虑链表由空变为非空或由非空变为空的情况下 head 和 tail 的指向问题;从而简化了程序。 -
循环链表
头节点和尾节点被连接在一起的链表称为循环链表,这种方式在单向和双向链表中皆可实现。循环链表中第一个节点之前就是最后一个节点,反之亦然。

代码实现
/* * @Author: nanit * @Date: 2021-01-12 11:14:59 * @LastEditTime: 2021-01-12 21:32:27 * @LastEditors: Please set LastEditors * @Description: https://www.bilibili.com/video/BV1b7411N798?p=12 * @FilePath: \vscode_c\2021.1.12\链表.c */ //定义一个链表 typedef struct LNode { /* data */ int data; struct LNode *next; }LNode,*LinkList;//一个为链表变量名,一个为指向链表的指针 /************************************ * 按位序插入(带头结点) ************************************/ //在第i个位置插入元素e bool ListInsert(LinkList &L,int i,int e) { if(i<1) return false; LNode *p; //指针p指向当前扫描到的结点 int j = 0; //j的值为当前p指向的是第几个结点 p = L; //L指向头结点,头结点是第0个结点(不存数据) while(p!=NULL && j<i-1)//循环找到第i-1个结点 { p = p->next; j++; } if (p == NULL)//当i大于数据长度时,p会为NULL,此时i取值不合法 { return false; } LNode *s = (LNode *)malloc(sizeof(LNode)); s->data = e; s->next = p->next; p->next = s;//将结点s连到p之后 return ture;//插入成功 } /************************************ * 按位序插入(不带头结点) ************************************/ //在第i个位置插入元素e bool ListInsert(LinkList &L,int i,int e) { if(i<1) return false; if(i == 1) { LNode *s = (LNode *)malloc(sizeof(LNode)); s->data = e; s->next = L; L = s; return ture; } LNode *p; //指针p指向当前扫描到的结点 int j = 0; //j的值为当前p指向的是第几个结点 p = L; //L指向头结点,头结点是第0个结点(不存数据) while(p!=NULL && j<i-1)//循环找到第i-1个结点 { p = p->next; j++; } if (p == NULL)//当i大于数据长度时,p会为NULL,此时i取值不合法 { return false; } LNode *s = (LNode *)malloc(sizeof(LNode)); s->data = e; s->next = p->next; p->next = s;//将结点s连到p之后 return ture;//插入成功 } /************************************ * 指点结点的后插操作(默认 = 带头结点) * 按位序插入的后半部分程序就是后插操作,自己看那一部分是一样的 ************************************/ //后插操作:在p结点之后插入元素e bool InsertNextNode (LNode *p ,int e) { if(p == NULL) return false; LNode *s = (LNode *)malloc(sizeof(LNode)); if (s==NULL)//内存分布失败,比如MCU内存使用超出 { return false; } s->data = e; s->next = p->next; p->next = s; return ture; } /************************************ * 指点结点的前插操作(默认 = 带头结点) ************************************/ //前插操作:在p结点之前插入元素e bool InsertPriorNode (LNode *p ,int e) { if(p == NULL) return false; LNode *s = (LNode *)malloc(sizeof(LNode)); if (s==NULL)//内存分布失败,比如MCU内存使用超出 { return false; } s->next = p->next; p->next = s; //新节点 s 连到p之后 s->data = p->data; //将p中元素复制到s中 p->data = e; //p中元素覆盖为e return ture; } /************************************ * 按位序删除((只讨论)带头结点) ************************************/ bool ListDelete(LinkList &L,int i,int &e) { if(i<1) return false; LNode *p; int j = 0; //j的值为当前p指向的是第几个结点 p = L; //L指向头结点,头结点是第0个结点(不存数据) while(p!=NULL && j<i-1)//循环找到第i-1个结点 { p = p->next; j++; } if(p == NULL) return false; if(p->next == NULL) //第i-1个结点之后已无其他结点 return false; LNode *q = p->next; //令q指向被删除结点 e = q->data; //用e返回元素的值 p->next = q->next; //将*q移除 free(q); //释放存储空间 return ture; }

浙公网安备 33010602011771号