MIPS指令 MIPS架构
华中科技大学 - 计算机组成原理
华中科技大学 - 计算机硬件系统设计
Microprocessor without Interlocked Pipleline Stages
无内部互锁流水级的微处理器
- 属于RISC
MIPS指令格式
R型指令
| 6 bits | 5 bits | 5 bits | 5 bits | 5 bits | 6 bits |
|---|---|---|---|---|---|
| 000000 | Rs | Rt | Rd | shamt | funct |
| 第一源操作数 | 第二源操作数 | 目标操作数,保存结果 | 在移位指令中使用 | 指定指令的具体功能 |
三寄存器R型指令
add
| 000000 | Rs | Rt | Rd | 00000 | 100000 |
|---|---|---|---|---|---|
| sub | |||||
| 000000 | Rs | Rt | Rd | 00000 | 100010 |
| -- | -- | -- | -- | -- | -- |
| and | |||||
| 000000 | Rs | Rt | Rd | 00000 | 100100 |
| -- | -- | -- | -- | -- | -- |
| or | |||||
| 000000 | Rs | Rt | Rd | 00000 | 100101 |
| -- | -- | -- | -- | -- | -- |
| xor | |||||
| 000000 | Rs | Rt | Rd | 00000 | 100110 |
| -- | -- | -- | -- | -- | -- |
两寄存器R型指令
sll(逻辑左移)
| 000000 | 00000 | Rt | Rd | 偏移量 | 000000 |
|---|---|---|---|---|---|
| srl(逻辑右移) | |||||
| 000000 | 00000 | Rt | Rd | 偏移量 | 000010 |
| -- | -- | -- | -- | -- | -- |
| sra(算术右移) | |||||
| 000000 | 00000 | Rt | Rd | 偏移量 | 000011 |
| -- | -- | -- | -- | -- | -- |
单寄存器R型指令
jr(寄存器跳转)
| 000000 | Rs | 00000 | 00000 | 00000 | 001000 |
|---|
R型指令中的无条件分支指令:jr,jalr
I型指令
|6 bits|5 bits|5 bits|16 bits |
|--|--|--|--|--|--|
| OP| Rs |Rt||
|标识操作功能|第1个源操作数|目的寄存器编号|第2个源操作数
双目运算、LOAD/STORE:Rs和立即数是源操作数,Rt为目标操作数
条件转移:Rs、Rt均为源操作数
面向运算的I型指令
addi
| 001000 | Rs | Rt | imm |
|---|---|---|---|
| andi | |||
| 001100 | Rs | Rt | imm |
| -- | -- | -- | -- |
| ori | |||
| 001101 | Rs | Rt | imm |
| -- | -- | -- | -- |
| xori | |||
| 001110 | Rs | Rt | imm |
| -- | -- | -- | -- |
| addi的立即数扩展为符号扩展 | |||
| (若为负数高16位补1) | |||
| 其他三条进行0扩展 | |||
| (高16位补0) |
面向访存的I型指令
lw(从存储器读数据)
| 100011 | Rs | Rt | imm |
|---|---|---|---|
| sw(把数据保存到存取器) | |||
| 101011 | Rs | Rt | imm |
| -- | -- | -- | -- |
面向数位设置的I型指令
lui(把立即数加载到寄存器的高16位)
| 001111 | 00000 | Rt | imm |
|---|
面向条件转移的I型指令
beq(寄存器相等则转移)
| 000100 | Rs | Rt | imm |
|---|---|---|---|
| bne(寄存器不相等则转移) | |||
| 000101 | Rs | Rt | imm |
| -- | -- | -- | -- |
I型指令中的有条件分支指令:beq, bne, bgtz( > 0 ), bgez( >= 0 ),bltz( < 0 ), blez( <= 0 )
J型指令
|6 bits|26 bits|
|--|--|--|--|--|--|
| OP | 立即数 |Rt|Rd|shamt|funct|
||跳转目标地址的部分地址|
j(无条件跳转)
|000010|address|
|--|--|--|--|--|--|
jal(调用与联接)
|001100|address|
|--|--|--|--|--|--|
类似于X86架构的CALL。jal要保存返回地址
J型指令的无条件分支指令:j, jal
MIPS寄存器
在R和I型指令格式中,寄存器操作数字段均为5位,可编号32个寄存器
| 寄存器名 | 寄存器编号 | 说明 |
|---|---|---|
| $s0 | 0 | 保存固定的常数0 |
| $at | 1 | 汇编器的临时变量 |
| $v0 - $v1 | 2 - 3 | 字函数调用返回结果 |
| $a0 - $a3 | 4 - 7 | 函数调用参数1-3 |
| $t0 - $t7 | 8 - 15 | 临时变量,函数调用时不需要保存和恢复 |
| $s0 - $s7 | 16 - 23 | 函数调用时需要保存和恢复的寄存器变量 |
| $t8 - $t9 | 24 - 25 | 临时变量,函数调用时不需要保存和恢复 |
| $k0 - $k1 | 26 -27 | 中断、异常处理程序使用 |
| $gp | 28 | 全局指针变量(Global Pointer) |
| $sp | 29 | 堆栈指针变量(Stack Pointer) |
| $fp | 30 | 帧指针变量(Frame Pointer) |
| $ra | 31 | 返回地址(Return Address) |
另外还有
- 32个32位单精度浮点寄存器f0 - f31
- 2个32位乘、商寄存器Hi和L0:运算乘法时分别存放64位乘积的高、低32位; 除法时分别存放余数和商
浮点寄存器和乘商寄存器没有编号,对程序员来说是透明的
MIPS寻址方式
MIPS32指令集中不单设寻址方式说明字段
- R型指令:由OP和funct字段共同隐含说明(R型指令字段全为0,需要结合funct字段表示)
- I、J型指令:由OP字段隐含
立即数寻址
immediate addressing
寄存器直接寻址
register addressing
add $t0,$s1,$s2 ;($t0 = $s1 + $s2)
基址寻址
basic addressing

使用通用寄存器作为基址寄存器,以立即数作为偏移量,立即数带符号扩展为32位,和基址寄存器的值一起得到主存地址
使用基址寻址的指令:lw, sw, lh, sh, lb, lbu等
相对寻址

PC的值和偏移量相加得到主存地址,以立即数为偏移量。立即数带符号扩展为32位并左移2位再和PC的内容相加
PC的值会被修改为相加结果
使用相对寻址的指令:beq, bne
页面寻址

26位的地址码左移2位变为28位,作为地址的低28位,PC的值会被修改
高4位是PC改变后的值(取出指令后PC自动增加)
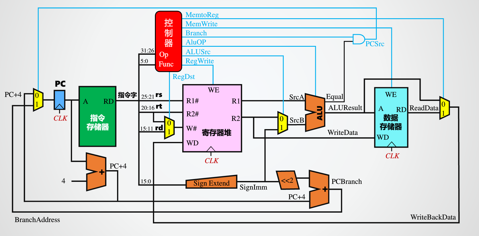
单周期MIPS架构
取指Dp

由于需要在一个周期内完成取指译码执行的过程,不设置AR,DR,IR。
取指令和取操作数要同时完成,为了避免访存冲突将程序和数据分开存放(哈佛结构):
- 指令Cache
- 数据Cache
ALU和PC累加器分开
R型指令数据通路
以add $s0, $s1, $s2为例

- 以PC的内容访问IM,解析指令字段,分出3个寄存器编号
- 以寄存器编号访问寄存器堆
- 输出两路寄存器值,根据AluOP信号运算
- 当时钟到来,给出RegWrite,将结果写入寄存器堆
寄存器堆要支持两路读和一路写
I型指令数据通路
以lw $s0, 32($31)为例(从存储器读数据)

- 以PC的内容访问IM,解析指令字段,分出2个寄存器编号和立即数字段
- 以寄存器编号访问寄存器堆
- 立即数字段进行符号扩展单元,扩展为32位
- 输出一路寄存器值,和立即数相加得到DM地址
- 经过一个存储器延迟,数据到达WD端
- 时钟到来写入寄存器堆
sw $s0, 32($31)(从存储器读数据)
单周期MIPS数据通路

对于有多输入源的引脚,加上多路选择器和信号选择信号
beq数据通路的建立

J型指令的数据通路建立
需要增加JUMP控制信号,PC输入增加一个跳转地址
单周期MIPS控制器
单周期架构下,无时序逻辑
| 输入 | 输出 |
|---|---|
| OP + funct | 多路选择器选择信号 |
| 寄存器写使能信号 | |
| 内存访问控制信号 | |
| 运算器控制信号 | |
| 指令译码信号 |
单周期MIPS关键路径
lw的最长路径

时钟周期 = Tclk_to_Q + Tmem + Tregfile_read + Talu + Tmem + Tmux + Tsetup
多周期MIPS架构
不区分指令和数据存储器(冯诺依曼结构),功能部件分时使用
时钟周期变小,传输通路变短
功能部件输出端增加寄存器锁存数据
多周期MIPS CPU数据通路

取指令T1

PC += 4
- PC的内容传输到ALU的输入端和
- ALUSrcB信号选择4传输到ALU的输入端
- AluOP信号选择运算方式
- 时钟到来,在PCWrite信号的配合下结果送回PC
根据PC的内容从主存取指令
- 给出IRWrite信号,时钟到来时PC值写入IR锁存,同时PC原有的值更新为PC+4
取指令T2

- 将IR的内容送入控制器产生控制信号
- 计算条件分支转移的地址(图紫色部分)
时钟到来,取出的数据锁存在AB
R型指令执行T3-T4

- 给出AluOP和ALUSrcA、ALUSrcB信号,完成信号
- 时钟到来C更新
- C的内容输出,在RegDst和RegWrite信号配合下,写回寄存器堆
lw执行T3-T5

4. A和立即数相加计算操作数地址,时钟到来结果锁存在C
5. 将C的内容传输到主存,时钟到来数据锁存在DR
6. DR的内容写入寄存器堆(IR给出目标寄存器编号)
beq执行T3

- AB内容传输到ALU的输入端,进行比较,相等在给出equal信号,与branch信号与后输入到PC作为写使能
多周期状态转换图


多周期MIPS CPU控制器
| 输入 | 输出 |
|---|---|
| OP + funct | 多路选择器选择信号 |
| 时钟信号 | 寄存器写使能信号 |
| 复位信号 | 内存访问控制信号 |
| 运算器控制信号 | |
| 指令译码信号 |

浙公网安备 33010602011771号