需求自检

产品流程梳理:

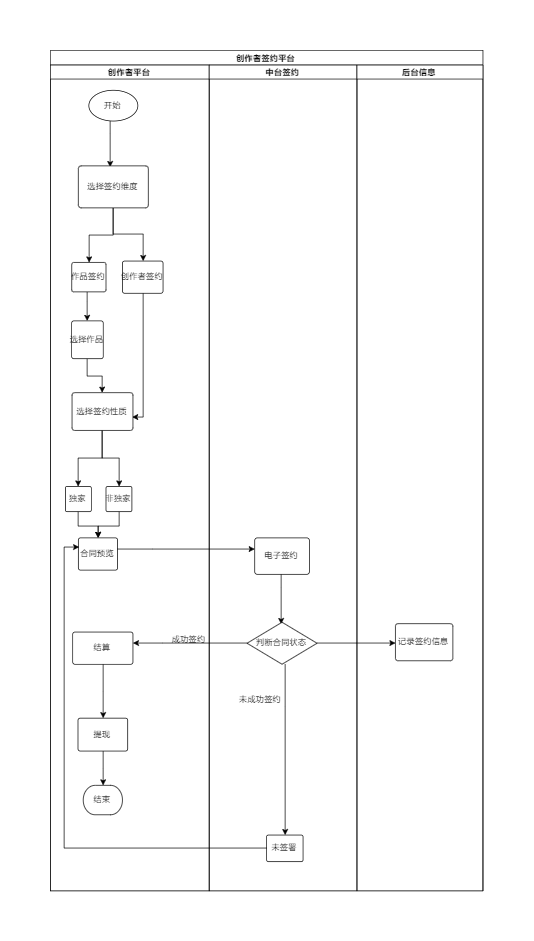
一.产品流程图构建:

 

 

 二.需求池确认:

 

 

 

 三.PRD撰写:

有如下主要模块:

(1)版本历史 (2)项目背景 (3)项目价值 (4)项目目标 (5)需求方案描述 (6)项目风险 (7)功能需求 (8)运营计划 (9)非功能需求

 

posted @ 2022-07-15 11:14  快乐放屁修勾  阅读(33)  评论(0)    收藏  举报