WMS 实验报告一
实验一 : 组装电表伏安法测电阻
实验器材
- 电压为三伏特的电源(内阻忽略不计)
- 三个电阻箱(其中一个作为待测电阻 $ R _ x \approx 5 k \Omega $ )
- 两个量程为 50 μA 的电流计
- 一个单刀单掷开关
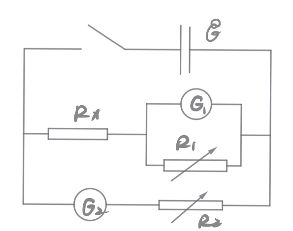
实验电路
标准半偏法测电阻

先测得在 $ R _ 2 $ 被断路时 $ G _ 1 、G _ 2 $ 的满偏电流(好像不用测),在调整 $ R _ 2 $ 的阻值,使得 $ G _ 2 $ 半偏,此时的 $ R _ 2 $ 即为电流计的电阻。
精测电路

直接测出 $ G _ 1 、G _ 2 $ 的电流 $ I _ 1 、I _ 2 $ 和此时的 $ R _ 1 、R _ 2 $
由 $ Ohm $ 定理,有
\[Ε = I _ 2 ( R _ 2 + R _ g )
\]
\[U _ { R _ x } = \frac{ R _ x }{ R _ x + \frac{ R _ 1 R _ g }{ R _ 1 + R _ g } } Ε
\]
\[U _ 1 = \frac{ \frac{ R _ 1 R _ g }{ R _ 1 + R _ g } }{ R _ x + \frac{ R _ 1 R _ g }{ R _ 1 + R _ g } } Ε = R _ 1 I _ { R _ 1 } = I _ 1 R _ g
\]
由以上几式得到
\[R _ x = \left ( \frac{ I _ 2 }{ I _ 1 } \cdot \frac{ R _ 2 + R _ g }{ R _ 2 } - 1 \right ) \cdot \frac{ R _ 1 R _ g }{ R _ 1 + R _ g }
\]
数据处理
略
拓展
非标准半偏法
要求 :实验条件保证内阻 $ r \rightarrow 0 $


浙公网安备 33010602011771号