【有争议部分平分法】塔木德妻妾分金
1985年天才的奥曼解决了塔木德妻妾分金之迷,提出了塔木德的妻妾分金办法中两两间的分配符合有争议部分平分,以及合作博弈中的核仁(Nucleolus) 的概念。
- 合作博弈(Coalition):研究人们达到合作时,如何分配合作得到的收益,即收益分配问题
- 核仁(Nucleolus):一些分配的集合。本质就是最小化合作博弈中联盟(coalition)的最大不满意程度的一种分配方法,即 min-max
- 非合作博弈:是指在博弈过程中,参与者之间无法通过协商达成某种形式的用来约束彼此行为的协议
核仁的解法相对繁琐,大家都在寻找一个简单的通用的,且和塔木德一致的分配方法,这个问题在2000年被纽约大学政治学系教授 Marek Kaminski 解决,他提出了液压分配方法(Hydraulic Rationing):
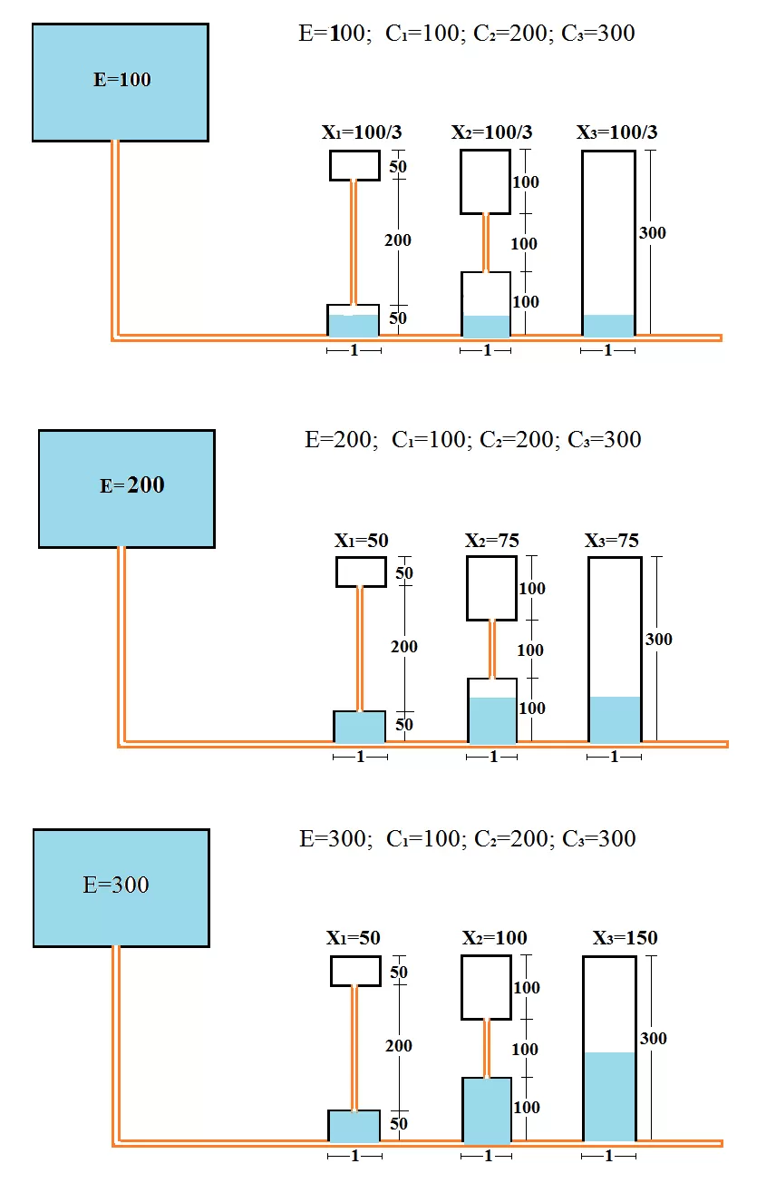
E为遗产总价值, C1,C2,C3为一妻二妾的分配要求, X1,X2,X3为塔木德分配数量。Kaminski教授把遗产价值换成液体(比如说石油)装在储油罐中, C1, C2,C3分别是三个底为1 高为 max{C1,C2,C3} 的油桶,所有油桶都被分成上下等量的两份,中间以皮管相连,最后,储油罐和油桶用输油管相连,皮管体积忽略不计,最后把油罐中油阀打开,每个人所分财产则为其相应的油桶所得的分配。
此法通用于N个老婆的情况,下图是塔木德妻妾分金的例子。


浙公网安备 33010602011771号