FPGA学习中的小知识点与感悟
1.verilog语言中操作数使用补码的形式处理数据,reg型数据可以赋正值,也可以赋负值。但当一个reg型数据是一个表达式中的操作数时,它的值被当作是无符号值,即正值,记得注意转换。
2.verilog语言算数运算中**代表指数运算,eg:2**M代表2M 。
3."按位异或"运算符^,"按位同或"运算符^~ 。
4.可以用触发器打拍子,一方面实现信号同步,以后好处理,一方面对于亚稳态的有效减少。
5.之前数据结构学的知识不止可以用在软件语言上,这些逻辑结构是客观存在的,算法是客观存在的。不管是硬件语言还是软件语言,只要能设计合适的存储结构即可,比如C++中对于队列思想的实现,可以用数组,也可用链表,同样,在硬件中可以用一个寄存器组来实现FIFO队列。
6.为了实现信号的高速处理,尽量把大任务分解成小任务,利用乒乓操作,流水线设计,串并行转换等(本质上是速度面积的互换)。
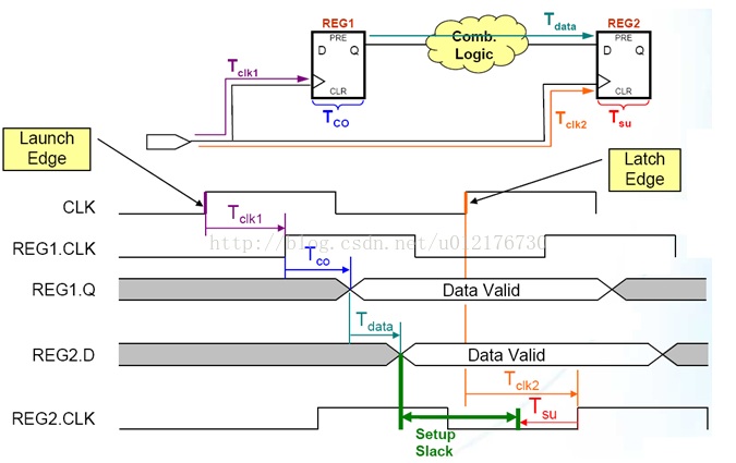
最大可能时钟频率是由电路中最慢的逻辑路径决定的,也就是关键路径,意思就是说每一个逻辑的运算,从简单到复杂都要在一个时钟周期内完成,同步电路往往会出现逻辑延迟过大,使得系统频率降低,采用流水线的设计思想,将复杂的运算分为数个简单的运算,可以帮助提高系统频率。
7.设计之前先划分好几个工作的模块,然后在一些子模块当中可以用状态机来实现,至于状态机要描述的状态是一个状态变量集合,这些状态变量在任意时刻的值都包含了为确定电路的未来行为而必需考虑的所有历史信息。如果状态机的状态寄存器发生亚稳态后,稳定之后它们可以保持任何值,包括非状态机已定义的一组状态。
三段式状态机的优缺点:三段式描述方法虽然代码结构复杂了一些,但是换来的优势是:使FSM做到了同步寄存器输出,消除了组合逻辑输出的不稳定与毛刺的隐患,而且更利于时序路径分组,一般来说在FPGA/CPLD等可编程逻辑器件上的综合与布局布线效果更佳。
8.异步复位亚稳态的危害例子,如果复位时发生了亚稳态,那是多个寄存器都进入了眩晕状态,每个寄存器可能会复位,也可能不复位,那就有多种排列组合的情况,很有可能造成系统工作紊乱(比如状态乱飞)。
稍微改进一点的方法是异步复位,同步释放。
9.时序分析时大致可以分为四种情况,reg2reg是比较典型的,可以通过对其他情况的修改转化成reg2reg,这样便于分析。



浙公网安备 33010602011771号