高速电路设计实践
高速电路设计实践
| 书名 | 作者 | 出版社 | 阅读日期 |
|---|---|---|---|
| 高速电路设计实践 | 王剑宇、苏颖 | 电子工业出版社 | 2020年8月9日 |
概述
本书主要是针对高速电路设计,描述的十分贴切实际应用,没有特别多深奥的理论,介绍了很多实际工程上的经验参数,适合实际工程中查阅。
高速的分界线
走线长度\(L>\frac {c \cdot T_{r(10\%\sim90\%)}}3\qquad T_{r(10\%\sim90\%)}\)可以实际测量,也可以取经验值7%T
硬件设计流程
需求分析、概要设计、详细设计、调试、测试、转产(笔者后续会写一篇文章聊聊硬件设计流程)
原理图设计规范
原理图看似简单,实际为了让项目其他参与人员能够更容易读懂原理图,需要遵循一些规范,对项目更有帮助(笔者后续会写一篇文章聊聊原理图规范)
元器件选型注意事项
电阻选型主要参数
阻值:首选参数,可以查阅EIA 标准电阻速查表
尺寸:尺寸往往也和功率挂钩
功率:通过功率和阻值又能算出来过电流能力
精度:某些应用中需要高精度电阻
电容选型主要参数
容值:首选参数,通过计算得出
耐压:需要降额使用,至少降额20%
温度稳定性:每个字母或数字代表一个参数
ESL:主要取决于封装及电容种类,与容值一起决定了谐振频率
ESR:大多数时候越小越好,有时候也需要ESR做补偿
额定纹波电流:耐电流冲击能力
电容损耗正切角:损耗功率和无功功率的比
漏电流:组成了损耗功率的一部分,另一部分是ESR导致的
电容的种类:实际电容选用时,主要依赖的是以上参数,理论上只要以上参数合适,电容的种类并不关键,但是电容种类决定了电容的制作方法,导致每种电容都有某几项参数方面的优势
- 陶瓷电容:使用最广泛的电容。优点:ESR小、体积小、价格低、稳定性好;缺点:容量小。
- 钽电容:主要用在高频大容值滤波场合。优点:ESL小、容值大、温度特性好;缺点:耐电压耐电流能力弱。需要降额50%~70%使用。
- 铝电解电容:低频滤波。优点:容量大、耐压高;缺点:温度稳定性差、精度差、ESR和ESL较大。
滤波电容的选择和搭配:和滤波电路的工作频率一起考虑,注意反谐振点
电感选型及主要参数
感值:计算时使用的主要参数
直流电阻:会有压降和能量的浪费
自谐振频率:超过该频率,电感值迅速增加;再增大到一定值后,又会减小
额定电流:要大于需要通过的电流
- 一般信号电感:优点:感值大、体积小;缺点:自谐振频率低、额定电流小
- 高频信号电感:优点:自谐振频率高、体积小:缺点:感值小、额定电流小
- 电源电感:优点:感值大、电流大;缺点:自谐振频率低
磁珠的选型及主要参数
低频成感性,高频成阻性。选择工作电路在转换点频率以下,噪声在转换点频率以上的磁珠。阻抗频率曲线比较重要。
磁珠的吸收噪声的原理是涡流效应,将高频信号转化为热能
逻辑器件及逻辑电平
TTL、CMOS、LVTTL、LVCMOS、LVDS、LVPECL、CML
- TTL:晶体管组成、输入电阻小、器件速度快、功耗大
- CMOS:MOS管组成、输入电阻极大、器件速度较慢、功耗小、CMOS上未使用的管脚需要上下拉处理,不能悬空(当然IC内部可能有上下拉)
- LVTTL:低压版TTL
- LVCMOS:低压版CMOS
- LVDS:最高速率3.125Gbps,摆幅±350mV,信号延变化速率较低,空闲引脚悬空
- LVPECL:最高速率10+Gbps,摆幅±800mV,百兆千兆MDI、PLL多用LVPECL,输出阻抗小
- CML:最高速率10+Gbps,摆幅±800mV,万兆以太网常用电平,输入阻抗大
电平转换方法:
- 使用专用电平转换芯片
- 使用OC、OD门实现
- 高驱动低时,串联电阻分压
逻辑器件工艺:
-
Bipolar:如TTL,速度快,驱动能力强,功耗大
-
CMOS:功耗低,驱动能力和速度不如Bipolar
-
BiCMOS:CMOS做核心部分,Bipolar做输入/输出部分
逻辑器件参数:
-
特性参数:选型时较为关键的参数
-
极限参数:器件不会损坏的参数范围,需要考虑上下电时的过冲
-
推荐参数:器件正常工作的参数范围
-
电气参数:一般包含几种工作条件下的参数范围
-
传输参数:信号传输时和时间相关的参数
-
操作参数:器件电平翻转时的相关参数
功耗计算:
-
静态功耗
-
动态功耗
- 瞬变功耗
- 容性负载功耗
-
总功耗=静态功耗+顺便功耗+容性负载功耗(一般远小于Ptot)
逻辑器件可以作为热插拔接口保护器件:
- 热插拔四个等级
- 不支持带电插拔
- 支持局部掉电,插拔前需要暂停信号传输,需要器件支持Ioff特性
- 支持热插拔,可以防止插拔时可能产生的总线冲突,需要器件支持Ioff、PU3S特性
- 支持在线插拔,保证单板插拔时接口总线数据不受影响,需要器件支持Ioff、PU3S、BIAS Vcc特性
- Ioff、PU3S、BIAS VCC特性
- Ioff:输出端有关断二极管,器件下电时,输入或输出端口通过关断二极管的流到VCC的漏电流
- PU3S:上电时PU3S输出低时,器件输出端成高阻态
- BIAS VCC:增加预充电电路,在信号接通时,电容不会再从零电平开始充电,使传输数据不会受到影响
- 热插拔使用时为了防止冲击,信号端应串联电阻
差分线使用注意事项:
- 走线长度相等:一是为了保证时序,二是为了抑制共模噪声(比对时序的影响更强)
- 间距尽量小且保持恒定:间距小一是抵消干扰效果好,二是减小对外的电磁干扰;恒定是为了实现阻抗控制
- 保证差分对附近过孔均衡分布:为了抵消干扰
交流耦合会导致连0和连1数目多的时候传输有误,即电容不通直流。交流耦合时如果没有直流偏置需要增加直流偏置电路。
电源设计
-
稳压原理是通过VOUT分压后,经过运放输出驱动调整管,改变调整管上的压降——即VOUT和VIN的压差
-
关键参数
- 输入电压、输出电压、输出电流、输入输出压差、功耗
- 线性调整率、负载调整率、接地电流、温度
-
应用要点
- VREF滤波
- SENSE引脚的应用
- 最小压差,需要留余量;最大电流,需要降额使用
- 散热方式的选择及热量对周边期间的影响
- 输入输出间延时较短,并不能靠LDO本身满足上电时序
- LDO对低频噪声抑制较好,对高频抑制较弱
- 输出端滤波电容的选择
- 分压电阻阻值的选择
DC/DC
- 调制方式
- PWM——改变占空比,噪声低、效率高、负载变化响应快、支持连续供电,缺点是轻负载时效率差、工作不稳定
- PFM——改变周期,功耗低、轻负载时效率高,缺点是负载变化响应慢、噪声纹波大、无法限流不适合连续供电
- PWM与PFM混合——轻负载时PFM,大负载时PWM
- 电路类型
- 降压——BUCK
- 升压——BOOST
- 反相——BUCK-BOOST
- 应用要点
- 功率MOSFET的类型、RDS(ON)、VGS、ID、响应速度、栅极充电波形、MOSFET并联应用需要走线对称共同散热、不能寄希望于MOSFET的寄生二极管、降额使用
- 同步整流:以MOSFET取代续流二极管,可以减小压降,提高效率
- 电感值和开关频率的选取——电感值大滤波效果好纹波小,但体积大、动态效果差;开关频率越高,电感和电容可以选更小,但是损耗大,不利于EMI
- 功耗的综合考虑
- 纹波和噪声的抑制——纹波频率一般低于5MHz,噪声频率较高;可以通过各种滤波电路滤掉纹波和噪声
- 上电顺序、上电延时、上电速度
- 散热
- 电源管理总线——PMBUS(就是I2C)
LDO与DC/DC的比较——LDO低噪声纹波、应用简单、成本低、输入输出无延时、缺点是功耗大、效率低、输出电流小、输入输出无隔离;DC/DC功耗低、效率高、支持升压、降压、反相、支持大电流、支持输入输出隔离、缺点是纹波大、设计复杂、成本相对较高、输入输出延时高
保险丝选型
- 额定电流:降额使用
- 额定电压:大于电源电压
- 直流电阻:考虑发热量
- 压降:确保压降后的电压能够满足要求
- 热能值:判断保险丝的熔断条件
时序设计
建立时间TSU:接收端数据在时钟变化沿之前建立起来的时间
保持时间TH:接收端数据在时钟变化沿之后保持的时间
TCO:发送端数据变化沿和时钟变化沿的时差
Tflight-data:数据传输延时
Tflight-clk:时钟传输延时
时钟抖动C_JIT
数据串扰D_CTLK
复位、时钟设计
复位设计要点
- 上电复位的RC延时电路
- 复位信号驱动能力及复位信号边沿速率要求
- 复位信号的脉冲宽度、电平选择、各输入引脚的配置
- 看门狗的应用:tWP——WDI信号脉宽;tWD——溢出周期;tRS——复位信号脉宽
- tWP不能太小,应高于手册中要求的值
- WDO#一般接到MR#,因为WDO本身脉宽不够宽,无法触发复位
- 要确认启动时各个阶段的喂狗问题,可能因为uboot到kernel时间较长导致看门狗复位
- 喂狗信号需要远离干扰
- 不同小型号监控的电压范围不一样
时钟设计要点
- 使用晶体时,外部Trim电容的选型
- 晶体的基准频率、频率精度、容性负载、温度对频率的影响、老化度
- 晶振的基准频率、工作电压、输出电平、频率精度、温度对频率的影响、老化度、启动时间、时钟抖动
- 晶振分类
- 标准SPXO:最为常见的类型
- 压控VCXO:常用于PLL中
- 温补TCXO:精度很高
- 锁相环PLL:输入和输出同相,可以同频,也可以分频和倍频,通过反馈改变VCXO的频率和相位
- 延迟锁相环DLL:不能实现倍频和分频,原理和PLL不同,通过反馈改变延迟
抖动
- 总抖动Tj分为随机抖动Rj和确定性抖动Dj,Dj又分为周期性抖动Pj,占空比失真DCD和码间干扰ISI
- Rj——一般符合正态分布
- Pj——一般由周期性干扰源产生
- DCD——上升沿和下降沿判决门限时间点不同
- ISI——PCB材质对不同频率信号响应不同,导致不同频率信号传输特性不一致
- Rj由RMS表征,Dj由峰-峰值表征,总抖动为特定误码率(BER)条件下的抖动峰-峰值
- 抖动的频域表示——相位噪声,表示为某个频率的功率谱密度dBc/Hz
存储器应用和设计
- SRAM,无需刷新,集成度低,功耗大,价格高,使用触发器阵列实现,一般用于高速缓存
- ZBT SRAM零总线翻转
- 引脚定义
- A:地址信号线
- DQ:数据信号线
- B#:字节写使能,写操作时用于选择待操作的字节
- CK:时钟
- CKE#:时钟使能
- W#:写使能
- E:片选
- G#:输出使能
- ADV:突发操作计数
- ZZ:睡眠模式使能
- FT#:直通模式使能
- LBO#:线性突发操作顺序
- ZQ:阻抗控制
- VDD:内核电源
- VDDQ:I/O电源
- 直通模式:在读写操作时,地址信息出现在总线上的一个周期后,数据即被驱动到数据总线上
- 流水线模式::在读写操作时,地址信息出现在总线上的两个周期后,数据才能被驱动到数据总线上
- 引脚定义
- QDRII SRAM
- HSTL电平
- 四倍数据速率
- 引脚定义
- K/K#:差分对时钟
- C/C#:差分对时钟
- D[...]:输入数据,使用K/K#采样
- Q[...]:输出数据,使用C/C#采样,单时钟模式,也使用K/K#
- CQ/CQ#:回应时钟
- A:地址线
- WPS#:写使能
- RPS#:读使能
- ZQ:输出阻抗控制
- DOFF#:DLL关闭
- VREF:参考电平
- VDD:内核电源
- VDDQ:I/O电源
- 读操作采用时序设计四种模式
- 模式1:使用K/K#,仅适用于时钟频率低于167MHz的场合
- 模式2:使用K/K#和C/C#,通过对 C/C#走线长度的调整,使所有读取到的数据同时到达存储器控制器的输入端,有利于获得最佳的时序裕量,只适用于时钟频率低于200MHz的场合
- 模式3:使用绕线后回到存储器控制器的K/K#,通过调整K/K#到Kr/Kr#的走线延迟,可将Kr/Kr#的上升沿与到达存储器控制器的数据Q的中央对齐,以实现最佳的时序裕量,只适用于时钟频率低于200MHz的场合
- 使用CQ/CQ#:在存储器控制器的输入端利用 CQ/CQ#对数据采样,实现了源同步的时序设计,适用于任何场合
- ZBT SRAM零总线翻转
- SDRAM类,集成度高,功耗小,价格低,需要不断刷新,数据由电容充放电状态确定
- 容量等于2(行地址线+列地址线)x数据线x2BANK线
- 引脚定义
- CLK:时钟信号
- CKE:时钟使能,用途有两个,一是关闭时钟以进入省电模式,二是进入自刷新状态
- DQS:数据采样时钟
- CS#:片选,需要上拉
- RAS#:行地址选通
- CAS#:列地址选通
- WE#:写使能
- BA[...]:BANK地址选择
- A[...]:地址信号选择
- DQ[...]:数据信号,双向
- DQM:数据掩码,双向,主要用于burst操作,可以屏蔽不需要的字节(一般分为高8位或低8位)
- VDD:工作电源
- VDDQ:I/O电源
- 基本操作
- tRCD:RAS#有效后到CAS#有效间的延时
- CL:CAS潜伏期,CAS#有效到数据线上出现数据的延时
- tRAS:ACT到预充电的延时
- tRC:两次ACT间的时间间隔
- tRP:预充电到下次ACT的延时
- tWR:将数据线上带写入数据导入内部存储单元的时间
- tRFC:刷新用时
- tAH、tAS:地址信号保持和建立时间
- tDH、tDS:数据信号保持和建立时间
- tCMH、tCMS:控制信号保持和建立时间
- tCH、tCL:时钟信号高电平和低电平最小脉宽
- tOH:数据输出保持时间
- SDRAM类存储测试方法
- 单板正常工作,通过编制特定的码流,使尽量多的数据在存储器控制器和存储器之间传输,经长时间高低温的流量测试,可实现对SDRAM接口的验证
- 某些存储器控制器芯片带有BIST功能,通过设置控制器的内部寄存器,即可触发控制器对外部存储器的高速测试
- 利用示波器对存储器接口信号线测试
- 数据预取方式:DDR采用2倍预取架构;DDR2采用4倍预取架构;DDR3采用8倍预取架构
- 信号电平:SDRAM为LVTTL;DDR为SSTL-2,门限电平分为DC和AC
- DDR上电顺序:VDD和VDDQ同时上电,随后VREF上电,VTT最后上电
- DIMM:有寄存和无缓冲两种
- DDR2的Posted CAS技术:避免ACT命令和RD AP命令冲突,本质是将CAS#信号使能时间段(即RD AP命令)直接插入紧跟RAS#信号的使能时间段(即ACT命令)之后
- EEPROM
- 容量小,使用I2C的读写
- I2C
- 多设备互联时,采用菊花链走线
- 多主机总线,仲裁决定主控方
- 信号线为开漏,需上拉
- SCL低时SDA的变化沿表示地址或数据
- SCL高时,SDA下降沿,表示起始位,主控发出从设备地址,最末尾表示读或写,从设备返回ACK,主控发出寄存器地址,从设备返回ACK,主控发出数据,从设备返回ACK,主控发出停止位(即SCL拉高后,SDA的上升沿),操作完成
- I2C仲裁原理:在SCL高电平时,通过比较SDA的逻辑状态,若SDA状态与设备发出不符,就退出竞争
- FLASH
- NOR:独立的地址、数据引脚,可以片上运行,擦除写入慢
- NAND:地址、数据引脚复用,不能片上运行,擦除写入快
高速电路PCB及完整性设计
叠层设计步骤
- 单板总层数,根据单板尺寸、单板规模,如信号数目、电源种类等,以及EMC的要求粗略估计
- 单板厚度,14层以内的单板厚度可以选择为1.6mm,而16层以上的单板厚度需在 2mm 以上
- 单端信号和差分信号的目标阻抗,一般取单端信号对地阻抗为50Ω,而差分对信号间阻抗为100Ω
- PCB的介电常数,常用的 PCB 材质 FR4 的 Er取值一般在 3.5~4.5 之间
- PCB的材质正切值,有功能量无功能量比值
- 层叠结构的设计信号层、电源层、地层以及填充层的排列,厚度,线宽,间距
- 发送端串联,单点对多点的连接,走线应成菊花链式
- 优点:不会引起额外的功耗;匹配方式简单,且不会增加信号线路的 stub
- 缺点:一般仅适用于点对点的信号;受发送端分压的影响,传输路径上的电平低于驱动电平,在接收端,必须依靠反射才能恢复电平;另一方面,匹配电阻 Rs 的存在将使信号的边沿变缓,在时序裕量较小的场合下,应权衡选择Rs的阻值
- 接收端并联
- 优点:不会影响信号的边沿速率
- 缺点:需要在电阻 Rt 上消耗一定的功率;在接收端,相对电平判决门限,很容易出现高、低电平不对称的现象
- 接收端分压
- 优点:不影响信号的边沿速率;较容易实现接收端高、低电平相对门限电平的对称分布;可满足接收端对共模偏置电平的要求
- 缺点:需要在电阻Rt1和Rt2上消耗一定的功率,当采用接收端分压匹配方式的信号数目较多时,在功耗评估的过程中,不能忽略匹配电阻上的功耗
- 接收端阻容并联
- 优点:相对其他接收端匹配方式,功耗较小
- 缺点:存在接收端高、低电平不对称的问题;另一方面,由于Ct的存在,将使信号的边沿变缓。
- 接收端二极管并联
- 优点:保护接收端器件的输入端口
- 缺点:无法消除反射;且在功能上,受限于二极管的开关速度
信号回路:在信号完整的情况下信号回路处于参考层,且路径平行于驱动路径;差分信号互为对方的返回路径
信号换层时的要点
- 最好不要改变参考层
- 最好不改变参考层的网络属性
- 最好在信号过孔附近增加一个与参考层同属性的过孔,距离在50mil内
- 若换层后参考层网络属性不同,要求两参考层相距较近
- 换层信号密集时,增加的地或电源过孔间应保持一定距离
地弹:器件内核Die所感知到的电源或地相对PCB电源或地平面的电平波动,是由引线电感和走线电感引起的
- 措施一:扇出
- 措施二:数据传输采用扰码技术,减少SSO
- 措施三:保持信号回路低阻抗
串扰:信号线之间由互感、互容而引起的耦合
- 措施一:3W原则
- 措施二:降低信号的边沿速率
- 措施三:降低阻抗
带状线与微状线:微带线阻抗控制不够准确,高速信号尽量走内层
盲埋孔:寄生参数小,信号完整性更好,走线条件更好,价格也更高
布线
- 避免走线出现尖角
- 避免线宽的变化
- 蛇形线保持等长,在不匹配段绕等长
- 控制过孔数目及高速信号换层次数
- 减小stub,可以用电阻间隔
电源完整性
- 电源与地层的间距
- 电容的引脚引线电感
- 花焊盘的使用——提高通流能力,提高散热
EMC
- EMI
- 传导CE
- 辐射RE
- 谐波Harmonic
- 电压波动及闪烁Flicker
- EMS
- 静电ESD
- 传导CS
- 辐射RS
- 快速瞬变脉冲EFT
- 雷击浪涌Surge
- 电压跌落及中断DIP
- 解决方法:屏蔽、隔离、滤波、接地;隔离干扰源、切断干扰传输路径、保护受扰体
- 20H和3H
- 法拉第电笼——在单板的边缘,每隔 100~200mil,打一个与内层地平面相连的地孔
- 表层铺地
- 散热片接地
- 晶振处理
- 磁珠与电容为晶振的电源引脚滤波
- 在表层,晶振下方做挖空铜箔处理,不得走线或铺电源平面
- 紧贴表层的第二层,若不是地层,则应在对应晶振的区域内做铺地处理,并用多个地过孔与地层相接
- 走线远离安装孔
- 避免走线尖角
- LC滤波电路上串电阻,减小品质因数Q
差模辐射——电流环路
- 减小信号频率
- 减小环路面积
- 减小电流大小
共模辐射——单向天线
- 减小信号频率
- 减小信号路径长度
- 减小路径上的电流
ESD防护
- 防护器件
- TVS管:响应最快,通流能力最弱
- 压敏电阻:响应时间中,通流能力中,寄生电容大
- 气体放电管:接在信号前端,响应时间慢,通流能力高,寄生电容和漏电流最小
- 防护要点
- 连接器与机壳地要有效搭接——GND与PGND需要保持100mil以上的距离,通过电容形成桥接
- 对按钮器件进行防护
- 通过变压器隔离——变压器下方各层挖空处理
- Bob smith——电阻需要选择通流能力强的型号,电容需要高额定电压型号,走线加粗,长度尽量短,推荐电容接地端直接与单板金属安装孔相连;Bob Smith属于高压电路,电路中的器件焊盘及走线远离LED等低压电路信号线。
爬电距离
- -48V与低压爬电距离要求1.4mm,对平参考平面挖空
结构设计、易用性
散热
- 发热源对周围器件的影响
- 风道的设计
生产可测试性
- 边界扫描——通过JTAG接口,可能需要电平转换,相邻链路串接0Ω电阻,JTAG口复用问题
- ICT——ICT测试孔,夹具,程序
设计可测试性
- 信号完整性测试
- 时序测试
- 电源纹波噪声测试
- 强度测试——对输入信号增加干扰,观察输出信号是否符合要求。
- 测试点——测试点附近需要有地
经验公式或技巧
| 用途 | 公式 | 备注 |
|---|---|---|
| 集中和分布电路的判定 | \(L>\frac {c \cdot T_{r(10\%\sim90\%)}}3\) | L——走线长度;Tr上升时间 |
| 上拉电阻取值 | \(R_P=\frac {t_r}{2.2\times C_s\times n}\) | CS——输入引脚的寄生电容;n——并联器件的数目 |
| 交流耦合电容取值 | \(C_{min}=7.8\times NUM\times T_c/R\) | NUM——最大连0或连1比特数;Tc——每比特位的数据周期;R——负载阻抗(一般取50Ω) |
| 瞬变功耗计算 | \(P_T=C_{pd}\times Vcc^2\times F_I\times N_{swI}\) | Cpd——耗散电容;FI——输入信号频率;NswI——同时变化的输入端口数 |
| 容性负载功耗计算 | \(P_L=C_L\times Vcc^2\times F_O\times N_{swO}\) | CL——外部容性负载;FO——输出信号频率;NswO——同时变化输出端口数 |
| LVDS输入端保护电路 | \(V_{ID}=R_t\times V_{CC}/(R_1+R_2+R_t)\)\(V_{OS}=(R_2+\frac 12R_t)\times V_{CC}/(R_1+R_2+R_t)\) | VID——输入悬空时,正负极间的偏置电平,即可以提供的噪声冗余;VOS——输出共模电平,一般取中间值1.25V |
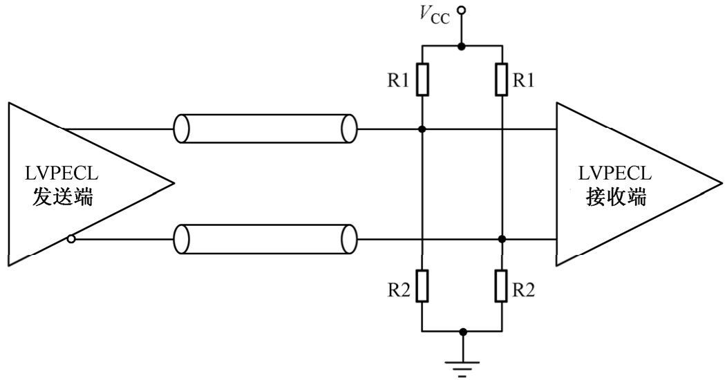
| LVPECL偏置电平分压电路 | \(V_{CC}\times \frac {R_2}{R_1+R_2}=V_{CC}-2\) \(R_1//R_2=50\) | VCC=3.3V时,R1=130Ω,R2=82Ω |
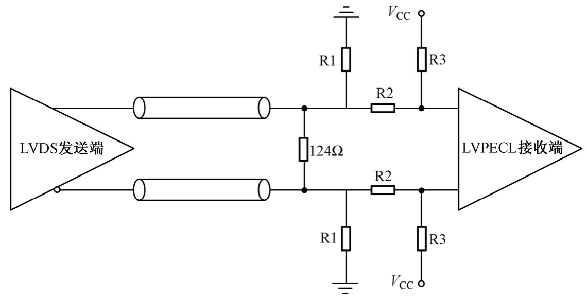
| LVDS与LVPECL直流耦合 | \(V_{CC}\times R_1/(R_1+R_2+R_3)=1.2V\) \(V_{CC}\times (R_2+R_3)/(R_1+R_2+R_3)=V_{CC}-1.3V\)\(R_3//(R_1+R_2)//62=50\) \(|V_{OD}|\times [R_3/(R_2+R_3)]>V_{ID}\) | 62为跨接电阻的二分之一 |
| 环境温度和结温的关系 | \(T_J=T_A+P_{TOT}\times R_{th}(JA)\) | TA——环境温度;TJ——结温;PTOT——总功耗;Rth(JA)——热阻 |
| 电源纹波测量方法 | 限制示波器带宽为 20MHz,将时基设定为每格 1μs,修改垂直偏置以将电压波形显示在示波器屏幕的中央,波形的显示采用余辉模式,触发方式设置为边沿触发 | 使用示波器对噪声的测量方法:不限制示波器带宽,其他方面与纹波测量方法相同 |
| 内外层走线单位延时 | 外层走线单位延时约为140ps/in;内层走线单位延时约为180ps/in | 信号传输延时Tflight=单位延时X走线长度 |
| 源同步系统时序计算 | TCO(max)+(Tflight-data-Tflight-clk)max+TSU(min)+CJIT+DCTLK<Tcycle TCO(min)+(Tflight-data-Tflight-clk)min-CJIT-DCTLK>TH(min) |
Tflight-data-Tflight-clk可以为正也可以为负 |
| 时间窗法时序计算 | TSU(TX)+TH(TX)-TSU(RX)-TH(RX)=TSU(margin)+TH(margin) | 需要发送端器件提供建立时间和保持时间,一般令接收端建立和保持时间裕量相等,来控制信号线和数据线间的延时 |
| 晶体Trim电容计算 | \(C_e=2\times C_L-(C_s+C_i)\) | Ce——外部Trim电容;CL——晶体容性负载;Cs——引线电容;Ci——引脚电容 |
| 信号反射系数 | \(\rho=(Z_2-Z_1)/(Z_2+Z_1)\) | Z2——反射点之后的线路阻抗;Z1——反射点之前的线路阻抗 |
| 3W原则 | 两相邻信号线的中心距不少于信号线宽度的3倍 | 对相邻层的信号也同样适用 |
| 通流能力计算 | \(I_{max}=K\cdot T^{0.44}\cdot A^{0.725}\) | K——降额参数,内层取0.024,外层取0.048;T——最大容许温深;A——横截面积 |
| 20H原则 | 电源相对地层内缩20H | H——电源层到最近地层的材质厚度 |
| 3H原则 | 信号线走线距离参考平面的边界应达到3H | H——信号层到参考层的材质厚度 |
| 差模辐射场强公式 | \(E=k\times(F^2\times A\times I)\times sin\theta/R\) | k——差模辐射常量;F——有效频率;A——电流环路面积;I——电流;R——测试点距离环路距离;\(\theta\)——测量点与环路构成的角度 |
| 共模辐射场强公式 | \(E=k\times(F\times L\times I)/R\) | k——共模辐射常量;L——共模电流路径长度 |

浙公网安备 33010602011771号