会员
众包
新闻
博问
闪存
赞助商
HarmonyOS
Chat2DB
所有博客
当前博客
我的博客
我的园子
账号设置
会员中心
简洁模式
...
退出登录
注册
登录
Gustavo09
博客园
首页
新随笔
联系
订阅
管理
Multisim电路分析仿真-RC滤波电路
RC滤波电路
一阶RC低通电路
电路如图:
调整输入电压的频率,发现当频率过高时,电压接近于0
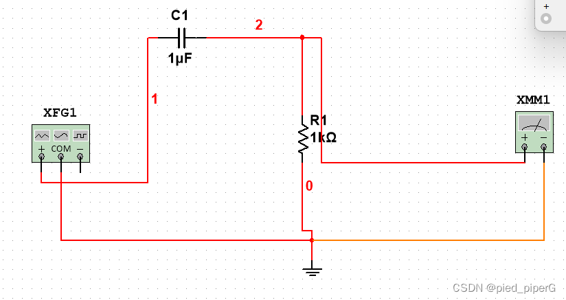
一阶高通电路
电路如图:
调整电压频率,发现当电压频率过低时,输出电压接近于0
posted @
2022-06-08 19:01
Gustavo09
阅读(
234
) 评论(
0
)
收藏
举报
刷新页面
返回顶部
公告