通信实务—6.移动通信系统
一、移动通信概述
1.移动通信的特点
移动通信与固定通信不同,它需要保障各移动用户在运动中的不间断通信,故它只能采用无线通信的方式,同时由于通信双方或一方处于运动状态,位置在不断变化,因此移动通信与固定通信相比还具有以下特点:
①移动通信利用无线电波进行信息传输,其电波传播环境复杂,传播条件十分恶劣,特别是陆上移动通信。
②干扰问题比较严重。
③移动通信可利用的频谱资源非常有限,而移动通信业务盒的需求却与日俱增。
④移动通信系统的网络结构多种多样,系统交换控制、网络管理复杂,是多种技术的有机结合。
⑤移动通信设备(主要是移动台)必须适于在移动环域中使用,其可靠性及工作条件要求较高。
2.移动通信的主要技术及演进
纵观移动通信的发展历史进程,已经经历的完整发展阶段包括以下 6 个。
第一阶段是从 20 世纪 20-40 年代,移动通信的早期萌芽(起步)阶段。在此期间,在短波的几个频段上建立了一些专用的、简单的移动通信系统,如 1921 年开通的美国底特律警察车载无线电通信系统。
第二阶段是 20 世纪 40 年代中期到 20 世纪 60 年代初期,移动通信的初期发展阶段。此期间,在专用移动通信发展的基础上,开始向公用移动通信系统过渡,如 1946 年美国 Bell公司在圣路易斯建立的被称为"城市系统"的世界上第一个公用汽车电话系统等。
第三阶段是 20 世纪 60 年代中期到 20 世纪 70 年代中期,移动通信系统的改进和完善阶段。在这一阶段,公用移动电话规模逐步扩大,采用大区制组网,中等容量,实现了无线信道自动选取和与公用电话网自动接续,并开始使用便携式移动终端,如美国的改进型移动电话系统、德国的 B 网等。
第四阶段是 20 世纪 70 年代中期至 20 世纪 80 年代中期,蜂窝移动通信诞生与蓬勃发展阶段。随着移动通信业务的发展,用户数的增长和频率资源有限的矛盾越来越尖锐。为此, 美国贝尔实验室于 20 世纪 70 年代初提出了蜂窝系统的理论。据此理论, 20 世纪 80 年代初 AMPS 系统首先在美国投入商用,随后英国也于 1983 年制定了 TACS 标准,并被世界上许多 国家所采用。其他的系统还有日本的 HAMTS 系统、瑞典等北欧四国的 NMT-450 等。
第五阶段是 20 世纪 80 年代中期到 20 世纪 90 年代中期,数字蜂窝系统诞生、移动通信产业的成熟期。模拟蜂窝网虽然取得了很大成功,但也暴露了一些问题。例如,标准多样、不兼容、频谱利用率低、移动设备复杂、费用较高、业务种类受限制以及通话易被窃听等,更主要的问题是其容量己不能满足日益增长的移动用户需求。解决这些问题的方法是开发新一代数字蜂窝移动通信系统。数字无线传输的频谱利用率高,可大大提高系统容量。另外,数字网能提 供语音、数据多种业务服务,并与 ISDN 等兼容。欧洲邮政和电信行政会议于 1982 年开始制定泛欧数字蜂窝系统标准, 1991 年 GSM 数字蜂窝移动通信系统投入商用,后被世界上众多国家所采用,现已成为世界上拥有移动用户数最多的移动通信系统。除GSM外,还有美国的IS-54、 IS-95,以及日本的 PDC 等数字蜂窝移动通信系统等,统称为第二代蜂窝移动电话系统。
第六阶段是 21 世纪初,第三代移动通信系统的诞生期。随着多媒体通信的兴起, Intemet、 信息高速公路的普及,移动通信业务已不能只局限于语音通信和低速数据通信,为此 ITU 着手制定了新一代蜂窝移动通信标准。这个名为lMT-2000 的第三代蜂窝移动通信标准于 2000 年正式颁布,欧洲提出的 WCDMA、美国提出的 cdma2000,以及我国提出的 TD-SCDMA 均被 ITU 正式确定为第三代移动通信标准。第三代移动通信承诺提供全球漫游,通过卫星和地面通信系统以无线方式接入全球电信基础设施,并为公共和专用网络的固定和移动用户提供服务。它体现了跨网络、跨领域、跨技术的个人通信特征,在全球范围提供移动终端的无缝漫游,具有支持高速多媒体业务的能力(最高速率达 2Mbit/s),并便于过渡及演进,自前已在许多国家和地区开通运营。
WCDMA 标准的演进简述如下, R99 版本中 WCDMA 依然采用 GSM/GPRS 核心网的结构,但是采用新的空中接口协议 R4 版本中完成了中国提出的 TD-SCDMA 标准化工作,同 时引入了软交换的概念,将电路域的控制与业务分离,便于向全 IP 核心网结构过渡;R5版本将 IP 技术从核心网扩展到无线接入网,形成全 IP 的网络结构,在 R4 基础上增加了 IP 多媒体子系统,同时在无线传输中引入高速下行分组接入技术, R8 版本已于 2009 年 3 月冻结。
cdma2000 是美国电信工业协会提出的第三代 CDMA移动通信系统的技术建议,是IMT2000系统的三大主流技术标准之一,也是IS-95 标准向第三代移动通信系统演边的技术体制方案。实现 cdma2000 技术体制的正式标准名称为 IS-2000,由 TIA 制定,并经 3GPP2 批准成为第三代移动通信系统的空中接口标准。 cdma2000 技术体制向下兼容 IS-95 系统。 cdma2000 代表一个体系结构,可以表示一系列的子标准或不同版本的 cdma2000 标准。 cdma2000 也可以代表空中接口所采用的技术。
cdma2000 系统的一个载波带宽为1.25MHz,如果系统分别独立使用每个载波,则称为 cdma20001x 系统;如果系统将 3 个载波捆绑使用,则称为 cdma20003x 系统。 cdma20001x 系统的空中接口技术称为 1x 无线传输技术 (RTT)。与此类似cdma2000 3x 系统的空中接口技术称为 3xRTT,属于多载波技术。
近年来,在传统蜂窝移动通信技术高速发展的向时,宽带无线接入技术(如移动 WiMAX) 也开始提供移动功能,试图抢占移动通信的部分市场。为了保证 3G 移动通信的持续竞争力, 移动通信业界提出了新的市场需求,要求进一步加强 3G 技术,提供更强大的数据业务能力, 向用户提供更好的服务,同时具有与其他技术进行竞争的实力。因此,3GPP 和 3GPP2 相应启动了 3G 技术长期演进 (LTE) 和空中接口演进 (AIE), 2007 年 2 月, 3GPP2 鉴于新的标准与 cdma2000 1xEV-DO 有较大差别,将新的空中接口标准命名为超移动宽带(UMB),并于 2007 年 4 月正式颁布。 2008 年年底,美国高通公司停止了UMB无线技术的研发,专注于 LTE 的开发。至此,全世界关于后 3G/4G 技术的走向,已经基本集中于 LTE。
按照 3GPP 组织的工作流程,3GLTE标准化项目基本上可以分为两个阶段.。2004 年 12 月 到 2006 年 9 月为研究项目 (SI) 阶段,进行技术可行性研究,并提交各种可行性研究报告: 2006 年 9 月到 2007 年 9 月为工作项目 (wI0 阶段,进行系统技术标准的具体制定和编写,完成核心技术的规范工作,并提交具体的技术规范。在 2009 年到 2010 年推出成熟的商用产品。
3GPP LTE 地面无线接入网络技术规范己通过审批,被纳入 3GPP R8 版本中, 2009 年 3 月份的会议上 R8 版本基本上已经完成了。相比于传统的移动通信网络, LTE 在无线接入技术和网络结构上发生了重大变化。
从 2010 年起,移动通信的发展进入了 4G 和下一代移动通信系统 (5G) 的阶段。 LTE 移动通信系统相对于 3G 标准在各个方面都有了不少提升,具有相当明显的 4G 技术特征,但并不能完全满足 IMT-Advanced 提出的全部技术要求,因此 LTE 不属于 4G 标准。为了实现 IMT-Advanced 的技术要求,在完成了 LTE (R8) 版本后, 3GPP 标准化组织在 LTE 规范的第二个版本 (R9) 中引入了附加功能,支持多播传输、网络辅助定位业务及在下行链路上波束赋形的增强。 2010 年年底完成的 LTE (R10) 版本的主要目标之一是确保 LTE 无线接入技术能够完全满足 IMT-Advanced 的技术要求,因此增强型长期演进 (LTE-A) 这个名称常用于 LTE 的第 10 版 (R10)。那些构成 LTE-Advanced 的功能正是 LTE 规范第 10 版 (R10) 的部分内容。 R10 版本通过载波聚合增强了 LTE 的频谱灵活性,进一步扩展了多天线传输方案,引入了对中继的支持,并且提供了对异构网络部署下小区协调方面的改进。
LTE-A 关注于提供更高的能力,提升指标如下。增加峰值数据率,下行 3Gbit/s,上行 1.5Gbit/s。频谱效率从 R8 的最大 16bit/s/Hz提高到 30bit/s/Hz。同一时刻活跃的用户数、小区边缘性能都有很大提高。
LTE-A 的第一个版本 R10 已被 ITU 接纳为 4G 国际标准,之后 LTE-A 又相继形成 R11、 R12、 R13 演进版本,后续版本继续向提升网络容量、增强业务能力、更灵活使用频谱等方面发展。
4G 技术和网络的快速演进直接推动了5G标准和技术发展。从技术特征、标准演进和产业发展角度分析,5G存在新空口和4G演进空口两条技术路线。新空口路线主要面向新场景和新颁段进行全新的空口设计,不考虑与 4G 框架的兼容,通过新的技术方案设计和引入创新技术来满足 4G 演进路线无法满足的业务需求及挑战,特别是各种物联网场景及高频段需求。 4G 演进路线通过在现有 4G 框架基础上引入增强型新技术,在保证兼容性的同时实现现有系统性能的进一步提升,在一定程度上满足 5G 场景与业务需求。
此外, WLAN 已成为移动通信的重要补充,主要在热点地区提供数据分流。下一代 WLAN 标准 (802.11ax) 制定工作已经于 2014 年年初启动,预计将于 2019 年完成。面向 2020 年及未来,下一代 WLAN 将与 5G 深度融合,共同为用户提供服务。
制定全球统一的 5G标准已成为业界共同的呼声,ITU 已启动了面向 5G标准的研究工作, 并明确了 IMT-2020 (5G)工作计划, 3GPP 作为国际移动通信行业的主要标准组织,将承担 5G 国际标准技术内容的制定工作。 3GPP R14 阶段被认为是启动 5G 标准研究的最佳时机, R15 阶段可启动 5G 标准工作项目, R16 及以后将对 5G 标准进行完善增强。
二、第二代移动通信系统
1.GSM
1.1 系统组成
GSM 数字蜂窝通信系统的主要组成部分有移动台(MS)、基站子系统(BSS) 和网络子系统(NSS)。 BSS 由基站收发信机组(BTS)和基站控制器(BSC) 组成;网络子系统由移动交换中心(MSC) 和操作维护中心 (OMC) 以及归属位置寄存器 (HLR)、访问位置寄存器(VLR)、鉴权中心( AUC) 和设备识别寄存器(EIR) 等组成。除此之外, GSM 网中还配有短信息业务中心(SC),既可实现点对点的短信息业务,也可实现广播式的公共信息业务以及语音留言业务,从而提高网络接通率。
(1)NSS 主要具有交换功能以及用于进行用户数据与移动管理、安全管理等所需的数据库功能,它也一系列功能实体构成。

① MSC 是蜂窝通信网络的核心,主要功能是对位于本 MSC 控制区域内的移动用户进行通信控制、语音交换和管理,同时也为本系统连接别的 MSC 和其他公用通信网络【如公用交换电信网(PSTN)、综合业务数字网(ISDN) 和公用数据网(PDN) 】提供链路接口,完成交换功能、计费功能、网络接口功能、无线资源管理与移动性能管理功能等, 具体包括信适的管理和分配、呼叫的处理和控制、过区切换和漫游的控制、用户位置信息的登记与管理、用户号码和移动设备号码的登记与管理、服务类型的控制、对用户实施鉴权、保证用户在转移或漫游的过程中实现无间隙的服务等。
② HLR 是 GSM 系统的中央数据库,存储着该 HLR 控制区内所有移动用户的管理信息, 其中包括用户的注册信息和有关用户当前所处位置的信息等。每一个用户都应在入网所在地的 HLR 中登记注册。
③ VLR 是一个动态数据库,记录着当前进入其服务区内己登记的移动用户的相关信息, 如用户号码、所处位置区域信息等。一旦移动用户离开该 VLR 服务区而在另一个 VLR 中重新登记时,该移动用户的相关信息即被删除。
④ AUC 存储着鉴权算法和加密密钥,在确定移动用户身份和对呼叫进行鉴权、加密处理时,提供所需的 3 个参数:随机号码(RAND)、符合响应(SRES) 及密钥加密键 (Kc),用来防止无权用户接入系统和保证通过无线接口的移动用户通信的安全。
⑤ EIR 也是一个数据库,用于存储移动台的有关设备参数,主要完成对移动设备的识别、 监视、闭锁等功能,以防止非法移动台的使用。
⑥ OMC 用于对 GSM 系统的集中操作维护与管理,允许远程集中操作维护管理,并支持高层网络管理中心的接口,具体又包括无线操作维护中心 (OMC-R) 和交换网络操作维护中心 ( OMC-S)。OMC 通过 X.25 接口对 BSS 和 NSS 分别进行操作维护与管理,实现事件/告警管 理、故障管理、性能管理、安全管理和配置管理功能。
(2) BSS 包括 BTS 和 BSC。该子系统由 MSC 控制,通过无线信道完成与 MS 的通信, 主要负责无线信号的收发以及无线资源管理等功能。
① BTS 包括无线传输所需要的各种硬件和软件,如多部收发信机、支持各种小区结构(如全向、扇形)所需要的天线、连接基站控制器的接口电路以及收发信机本身所需要的检测和控制装置等。它实现对服务区的无线覆盖,并在 BSC 的控制下提供足够的与 MS 连接的无 线信道。
② BSC 是 BTS 和移动交换中心之间的连接点,也为 BTS 和 OMC 之间交换信息提供接口。 一个基站控制器通常控制几个 BTS,完成无线网络资源管理、小区配置数据管理、功率控制、呼叫和通信链路的建立和拆除、本控制区内移动台的过区切换控制等功能。
(3)移动台。移动台即便携台(手机)或车载台,它包括移动终端 (MT)和用户识别模块 (SIM卡)两部分,其中移动终端可完成语音编码、信道编码、信息加密、 信息调制和解调以及信息发射和接收等功能, SIM 卡则存有确认用户身份所需的认证信息以及与网络和用户有关的管理数据。只有插入 SIM 卡后移动终端才能入网,同时 SIM 卡 上的数据存储器还可用来作为电话号码簿或支持手机银行、手机证券等 STK 增值业务。
(4) 系统接口 。 GSM 系统在制定技术规范时对其子系统之间及各功能实体之间的接口和协议做了比较具体的定义,使不同的设备供应商提供的 GSM 系统基础设备能够符合统一的 GSM 技术规范而达到互通、组网的目的。为使 GSM 系统实现国际漫游功能和在业务上迈入面向 ISDN 的数据通信业务,必须建立规范和统一的信令网络以传递与移动业务有关的数据和各种信令信息。因此, GSM 系统引入 NO.7 信令系统和信令网络,也就是说 GSM 系统的公用陆地移动通信网的信令系统是以 NO.7 信令网络为基础的。
(5) 系统接口信令。在 GSM 移动通信系统中,信令模型采用 OSI 7 层协议对应的下 3 层协议结构,从低到高依次包括物理层、数据链路层、网络层。
1.2 无线空中接口
无线空中接口 (Um 接口)规定了 MS 与 BTS 间的物理链路特性和接口协议,是系统最重要的接口。
(1) GSM 系统无线传输特性
①工作频段。 GSM 系统包括 900MHz 和 800MHz 两个频段。早期使用 的是 GSM900MHz 频段,随着业务量的不断增长, DCS1800MHz 频段投入使用。目前,在许多地方这两个频段的网络同时存在,构成"双频"网络。

②多址方式。 GSM 蜂窝系统采用 TDMA/FDMA/FDD 制式。频道间隔 200kHz,每个频道采用时分多址接入方式共分为 8 个时隙,时隙宽为 0.577ms。8 个时隙构成一个 TDMA 帧, 帧长为 4.615ms。当采用全速率语音编码时每个频道提供 8 个时分信道;如果将来采用半速率语音编码,那么每个频道将能容纳 16 个半速率信道,从而达到提高频率利用率、增大系统容量的目的。收发采用不同的频率, 一对双工载波上下行链路各用一个时隙构成一个双向物 理信道,根据需要分配给不同的用户使用。移动台在特定的频率上和特定的时隙内,以突发方式向基站传输信息,基站在相应的频率上和相应的时隙内,以时分复用的方式向各个移动台传输信息。
③频率配置。 GSM 蜂窝电话系统多采用 4 小区 3 扇区 (4X3) 的频率配置和频率复用方案, 即把所有可用频率分成 4 大组 12 个小组分配给 4 个无线小区而形成一个单位无线区群,每个无线小区又分为 3 个扇区 , 然后再由单位无线区群彼此邻接排布,覆盖整个服务区域。 当采用跳频技术时,多采用 3x3 频率复用方式。
(2) 无线空中接口信道定义
①物理信道。 GSM 的无线接口采用TMA 接入方式,即在一个载频上按时间划分 8 个时隙构成一个 TDMA 帧,每个时隙称为一个物理信道,通常, 一个物理信道的时隙在时间上不是邻接的。每个用户在指定载频和时隙的物理信道上接入系统并周期性地发送和接收脉冲突发序列,完成无线接口上的信息交互。每个载频的 8 个物理信道记为信道0~7 (时隙0~7),当采用半速率语音编码后,每个频道可容纳 16 个半速率信道。当需要更多的物理信道时,就需要增加新的载波,因而 GSM 实质上是一个 FDMA 与 TDMA 的混合接入系统。
②逻辑信道。根据无线接口上 MS 与网络间传送的信息种类, GSM 定义了多种逻辑信道传递这些信息。逻辑信道在传输过程中映射到某个物理信道上,最终实现信号的传输。 逻辑信道可分为两类,即业务信道 (TCH) 和控制信道 (CCH)。

• TCH:主要传送数字语音或用户数据,在前向链路和反向链路上具有相同的功能和格式。 GSM 业务信道又可以分为全速率业务信道(TCH/F)和半速率业务信道(TCH/H)。当以全速率传送时,用户数据包含在每帧的一个时隙内:当以半速率传送时,用户数据映射到相同的时隙上,但是在交替帧内发送。也就是说,两个半速率信道用户将共享相同的时隙, 但是每隔一帧交替发送。目前使用的是全速率业务信道,将来采用低比特率语音编码器后可使用半速率业务信道,从而在信道传输速率不变的情况下,信道数目可加倍,也就是系统容量加倍。 因此,一个频道可提供 8 个全速率或 16 个半速率业务信道(或两者的组合)并包括各自所带有的随路控制信道。
• CCH:用于传送信令和同步信号。某些类型的控制信道只定义给前向链路或反向链路。 GSM 系统中有 3 种主要的控制信道:广播信道、公共控制信道和专用控制信道。每个信道由几个逻辑信道组成,这些逻辑信道按时间分布提供 GSM 必要的控制功能。 CCH 信道的类型及功能如下:

2.GPRS
GSM 系统的最高数据传输速率为 9.6kbit/s 且只能完成电路型数据交换,远不能满足迅速发展的移动数据通信的需要。因此,欧洲电信标准委员会又推出了通用分组无线业务 (GPRS) 技术。 GPRS 在原 GSM 网络的基础上叠加支持高速分组数据业务的网络,并对 GSM 无线网络设备进行升级,从而利用现有的 GSM 无线覆盖提供高速分组数据业务。为 GSM 系统向第三代宽带移动通信系统 (UMTS) 的平滑过渡奠定了基础,因而 GPRS 又被称为 2.5G 系统。
GPRS 技术较完美地结合了移动通信技术和数据通信技术,尤其是 Internet 技术,它是 GSM 网络和数据通信发展融合的必然结果。 GPRS 采用分组交换技术,可以让多个用户共享 某些固定的信道资源,也可以让一个用户占用多达 8 个时隙。如果把空中接口上的 TDMA 帧 中的 8 个时隙捆绑用来传输数据,可以提供高达 171.2kbit/s 的无线数据接入,并可向用户提供高性价比业务并具有灵活的资费策略。 GPRS 可以将网络服务提供与业务提供有效地分开。 此外,GPRS 能够显著地提高 GSM 系统的无线资源利用率,它在保证语音业务质量的同时, 利用空闲的无线信道资源提供分组数据业务,并可对它采用灵活的业务调度策略,大大提高 了 GSM 网络的资源利用率。
2.1 GPRS 网络的结构

GPRS 在现有的 GSM 网络的基础上增加了新的网络实例,如 GPRS 网关支持节点 (GGSN)、 GPRS 服务支持节点 (SGSN) 和分组控制单元 (PCU) 等,并对部分原 GSM 系统设备进行升级,以满足分组数据业务的交换与传输。同原 GSM 网络相比,新增或升级的设备如下:
(1) SGSN 的主要功能是对 MS 进行鉴权、移动性管理和进行路由选择,建立 MS 到 GGSN 的传输通道,接收 BSS 传送来的 MS 分组数据,通过 GPRS 骨干网传送给 GGSN 或反向工作, 并进行计费和业务统计。
(2) GGSN 主要起网关作用,充当与外部多种不同数据网的相连,如 ISDN、 PSPDN 及 LAN 等。对于外部网络它就是一个路由器,因而也称为 GPRS 路由器。 GGSN 接收 MS 发送 的分组数据包并进行协议转换,从而把这些分组数据包传送到远端的 TCP/IP 或 X.25 网络, 或进行相反的操作。另外, GGSN 还具有地址分配和计费等功能。
(3) PCU 通常位于 BSC 中,用于处理数据业务,将分组数据业务在 BSC 处从 GSM 语音业务中分离出来,在 BTS 和 SGSN 间传送。 PCU 增加了分组功能,可控制无线链路,并允许多个用户占用同一无线资源。
(4)原 GSM 网设各升级。 GPRS 网络使用原 GSM 基站,但基站要进行软件更新: GPRS 要增加新的移动性管理程序,通过路由器实现 GPRS 骨干网互连;GSM 网络系统要进行软件更新和增加新的 MAP 信令和 GPRS 信令等。
(5) GPRS 终端。网络必须采用新的 GPRS 终端。 GPRS 移动台有 A、 B、 C 3种类型。
• A 类:可同时提供 GPRS 服务和电路交换承载业务的能力。即在同一时间内既可进行 GSM 语音业务又可以接收 GPRS 数据包。
• B 类:可同时侦听 GPRS 和 GSM 系统的寻呼信息,同时附着于 GPRS 和 GSM 系统, 但同一时刻只能支持其中的一种业务。
• C 类:要么支持 GSM 网络,要么支持 GPRS 网络,通过人工方式进行网络选择更换。
GPRS 终端也可以做成计算机 PCMCIA 卡,用于移动 Internet 接入。
2.2 GPRS的特点
(1)传输速率快。 GPRS 支持 4 种编码方式并采用多时隙(最多 8 个时隙)合并传输技术,使数据速率最高可达 171kbit/s,而初期速率为 9kbit/s~50kbit/s。
(2)可灵活地支持多种数据应用。
(3)网络接入速度快。 GPRS 网本身就是一个分组型数据网,支持 IP 协议,因此它与数据网络建立连接的时间仅几秒钟,且支持一个用户占用多个信道,提供较高的接入速率,远快于电路型数据业务。
(4) 可长时间在线连接。由于分组型传输并不固定占用信道,因此用户可以长时间保持与外部数据网的连接("永远在线),而不必进行频繁的连接和断开操作。
(5) 计费更加合理。
(6) 高效地利用网络资源,降低通信成本。 GPRS 在无线信道、网络传输信道的分配上采用动态复用方式,支持多用户共享一个信道(每个时隙允许最多 8 个用户共享)或单个用户独占同一载频上的 1~8 个时隙的机制。并且仅在有数据通信时占用物理信道资源,因此大大提高了频率资源和网络传输资源的利用率,降低通信成本。
(7)利用现有的无线网络覆盖,提高网络建设速度,降低建设成本。在无线接口, GPRS 采用与 GSM 相同的物理信道,定义了新的用于分组数据传输的逻辑信道。可设置专用的分组数据信道,也可按需动态占用语音信道,实现数据业务与语音业务的动态调度,提高无线资源的利用率。因此, GPRS 可利用现有的 GSM 无线覆盖,提高网络建设速度,降低建设成 本,提高网络资源利用率。
(8) GPRS 的核心网络顺应通信网络的发展趋势,为 GSM 网向第三代演进打下基础。 GPRS 核心网络采用了 IP 技术,一方面可与高速发展的 IP 网 (Internet 网)实现无缝连接, 另一方面可顺应通信网的分组化发展趋势,是移动网和 IP 网的结合,可提供固定 IP 网支持的所有业务,在 GPRS 核心网的基础上逐步向第三代移动通信网核心网演进。
2.3 GPRS 的业务
GPRS 是一个应用业务承载平台,提供的是手机(数据终端)到业务平台的传输通道。 真正的业务是依靠业务开发平台实现的,提供丰富的基于 IP 和移动的业务, GPRS 几乎可以支持除交互式多媒体业务以外的所有数据应用业务。
GPRS 业务可分为点对点业务和点对多点业务,提供的主要业务如下:
(1) Internet 业务向用户提供便捷和高速的移动 Internet 业务,如 Web 浏览、 E-mail、 FTP 文件传输、 Telnet 远程登录等。
(2) 移动办公、移动数据接入业务(提供与企业内部网Intranet 互通)。
(3) WAP 业务、聊天、移动 QQ、在线游戏等。
(4) GPRS 短消息。
(5) 远程操作(在线股票交易、移动银行等)。
(6) 定位业务(GPS 定位信息传输)。
(7) 信息服务 GPRS 可向用户提供丰富多彩的信息服务,如新闻、时刻表、交通信息、 账户查询、股市行情、调皮管理、订票、天气预报、业务广告等。
三、第三代移动通信系统
1.WCDMA系统
1.1 WCDMA 网络的特点
(1) 工作频段和双工方式。 WCDMA 支持两种基本的双工工作方式 FDD 和 TDD。
在 FDD 模式下,上行链路和下行链路分别使用两个独立的到任恒的载频,发射和接收频率间隔分别为 190MHz和 80MHz。此外,也不排除在现有的频段或别的频段使用其他的收发频率问隅,在 TDD 模式下只使用一个 5MHz 的载频,上、下行信道不是成对的,上、下行链路之间分时共享同一载频。
(2)多址方式。 WCDMA 是一个宽带直扩码分多址系统,通过用户数据与扩频码相乘, 从而把用户信息比特扩展到更宽的带宽上去。 WCDMA 系统中,数据流用正交可变扩频码 (OVSF) 来扩频,扩频后的码片速率为 3.84Mchip/s, OVSF 码也被称为信道化码。扩频后的数据流使用 Gold 码为数据加扰, Gold 码具有很好的互相关特性,适合用来区分小区和用户。 WCDMA 系统中 Gold 码在下行链路区分小区,在上行链路区分用户。为支持高的比特速率(最高 2Mbit/s), WCDMA 采用了可变扩频因子和多码连接。
(3)语音编码。 WCDMA 中的声码器采用自适应多速率 (AMR) 技术。多速率声码器是一个带有 8 种信源速率的集成声码器, 8 种信源码速率分别为 12.2kbit/s (GSM-EFR)、 10.2kbit/s、 7.95kbit/s、 7.40kbit/s(IS-641)、 6.70kbit/s (PDC-EFR)、 5.90kbit/s、 5. 15kbit/s 和 4.75kbit/s。
(4) 信道编码。 WCDMA 系统中使用的信道编码类型有卷积编码和 Turbo 编码两种。 WCDMA 系统中,当业务信道(公用和专用传输信道上)的数据传输速率小于或等于 32kbit/s 时,采用卷积编码,码率为 1/2或1/3,约束长度 k=9; 当数据传输速率大于或等于 64kbit/s 时,采用 Turbo 编码。
(5) 功率控制。快速、准确的功率控制是保证 WCDMA 系统性能的基本要求。 功率控制解决的基本问题是远远效应,即解决接收机接收到近距离发射机的信号比较容易,而接收到远距离发射机的信号比较困难的问题。功率控制通过调整发射机的发射功率, 使得信号到达接收机时,信号强度基本相等。为了能够及时地调整发射功率,需要快速地反馈,从而减少系统多址干扰,同时也降低了传输功率,可有效地满足抗衰落的要求。 WCDMA 系统采用的快速功率控制速率为 1500 次/s, 称为内环功率控制,同时应用在上行链路和下行链路,控制步长 0.25~4dB 可变。
相对于内环功率控制,为了保证服务质量,无论针对上行链路还是下行链路,误块率必须低于设定值,而信干比 (SIR) 必须高于预定的目标值。功率控制的目的就是找到合适的目标 SIR,保证每条无线链路都能达到要求的服务质量。通常处于较差无线信道条件中的用户要比处于较好无线信道条件中的用户需要更高的目标 SIR。寻找合适的目标 SIR 的机制称为外环功率控制。外环功率控制的速率要低得多,最多为 100 次/s。
(6) 切换。切换的目的是为了当 UE 在网络中移动时保持无线链路的连续性和无线链路的质量。 WCDMA 系统支持软切换、更软切换、硬切换和无线接入系统间切换,也可以表述为同频小区间的软切换、同频小区内扇区间的更软切换、同一无线接入系统内不同载频间的硬切换和不同无线接入系统间的切换。
(7)同步方式。 WCDMA 不同基站间可选择同步和异步两种方式,异步方式可以不采用 GPS 精确定时,支持异步基站运行,室内小区和微小区基站的布站就变得简单了,使组网的实现方便、灵活。
(8) 可变数据速率。 WCDMA 系统支持各种可变的用户数据速率,适应多种速率的传输, 可灵活地提供多种业务,并根据不同的业务质量和业务速率分配不同的资源。在每个 10ms 期间,用户数据速率是恒定的,然而这些用户之间的数据容量帧与帧之间是可变的。同时对多速率、多媒体的业务可通过改变扩频比(对于低速率的 32kbit/s、 64kbit/s、 128kbit/s 的业务)和多码并行传送(对于高于 128kbit/s 的业务)的方式来实现。这种快速的无线容量分配一般由网络来控制,以达到分组数据业务的最佳吞吐量。
此外, WCDMA 空中接口还采用一些其他的技术,如自适应天线、多用户检测、下行发射分集、分集接收和分层式小区结构等来提高整个系统的性能。
1.2 WCDMA 网络结构与接口
(1) UE。 UE 完成人与网络间的交互,通过 Uu 接口与无线接入网相连,与网络进行信令和数据交换。 UE用来识别用户身份和为用户提供各种业务功能,如普通语音、数据通信、移动多媒体、 Internet 应用等。 UE 主要由移动设备 (ME)和通用用户识别模块 (USIM) 两部分组成。 Cu 接口是 USIM和ME 之间的接口, Cu 接口采用标准接口。

(2) 通用地面无线接入网 (UTRAN)。UTRAN 位于两个开放接口 Uu 和 Iu 之间,完成所有与无线有关的功能。 UTRAN 的主要功能有宏分集处理、移动性管理、系统的接入控制、功率控制、信道编码控制、无线信道的加密与解密、 无线资源配置、无线信道的建立和释放等。 UTRAN 由一个或几个无线网络子系统 (RNS) 组成, RNS 负责所属各小区的资源管理。每个 RNS 包括一个无线网络控制器 (RNC)、 一个或几个 NodeB (即通常所称的基站, GSM 系统中对应的设备为 BTS)。时,C 主要完成连接的建立和断开、切换、宏分集合并和无 线资源管理控制等功能。 Node B 的主要功能是 Uu 接口物理层的处理。 UTRAN 接口均为开 放的标准接口, Uu 接口是 WCDMA 系统的无线接口, Iu 接口是连接 UTRAN 和 CN 的接口, 类似于 GSM 系统的 A 接口和 Gb 接口。 Iub 接口是连接 Node B 与 RNC 的接口。 Iur 接口是 RNC 之间连接的接口, Iur 接口是 UMTS 系统特有的接口,用于对 UTRAN 中移动台的移动管理。
(3)核心网。核心网承担各种类型业务的提供以及定义,包括用户的描述信息、用户业务的定义及相应的一些其他过程。 UMTS 核心网负责内部所有的语音呼叫、数据连接和交换, 以及与其他网络的连接和路由选择的实现。不同协议版本核心网之间存在一定的差异。
R99 版本的核心网完全继承了 GSM/GPRS 核心网的结构,由电路交换域(CS) 和分组交换域 (PS) 组成,兼容 2G 无线接入和 WCDMA 无线终端接入。 CS 域负责电路型业务,由 GMSC、 MSC 和 VLR 等功能实体组成。 PS 域实现移动数据分组业务,由 SGSN 和 GGSN 组成, 而 HLR、 AUC 等功能实体由电路域和分组域共用。 R4 版本在电路域提出了承载独立的核心网,运用分层设计的思想,实现业务逻辑与控制、承载之间的分离,引入了软交换技术,达到了 CS 域传输和 PS 域分组传输的相互独立和统一,保证网络层的协议能独立于不同的传输方式 (ATM、 IP、 STM 等传输方式)。R5 版本则叠加了 IP 多媒体子系统,包括提供 IP 多媒体业务的所有实体。 R6 以后的版本,网络结构方面变化不大,主要是对已有功能的增强,或增加一些新的功能。
(4)外部网络。核心网的 CS 域通过 GMSC 与外部网络相连,如 PSTN、 ISDN 及其他公共陆地移动网 (PLMN).。核心网的 PS 通过 GGSN 与外部的 Internet 及其他 PDN 等相连。
1.3 WCDMA 网络中的编号计划
( 1) UMTS 网络的服务区域划分,在蜂窝移动通信网络中,为了向用户提供服务,网络需要随时掌握移动用户所在的位置,网络需要进行位置和服务区域管理。 UMTS 网络的服务区域划分如下:

与 GSM 网络的服务区域相比, UMTS 网络分为 CS 域、 PS 域、广播域 (BC) 及 IMS 域 (R5 版本),新增了业务区的概念。网络实体的编号和用户编号对于呼叫处理过程以及用户的移动性管理过程都是非常重要的。网络的编号计划与网络结构、网络功能及移动性管理等紧密相关。
(2) WCDMA 网络中的编号计划
①与服务区有关的编号。蜂窝移动通信最基本的区域单位就是小区,而根据网络结构、 网络提供服务的需要, 多个小区的集合可以使用不同的网络标识沫表示。下面给出 WCDMA 网络中与服务区划分有关的一些网络标识。
• PLMN标识:PLMN 是通过 PLMN-Id 来进行标识的。一个小区只能属于一个 PLMN。
• 核心网的域标识:用于在迁移过程中识别核心网的结点。 WCDMA 网络在空中接口上传输的信令通过RNC传送到核心网,RNC同时与核心网的电路域和分组域相连, RNC 负责将来自 UE 发往核心网的信令消息发送出去。这些信令消息有些是经由电路域的,有些则是经由分组域的,经由不同域的信令消息在空中接口上是通过不同的域标识来实现消息的正确路由的。
• 服务区标识(SAI):用于标识同一个位置区下的一个或多个小区,用于核心网络识别移动用户的位置。
• 位置区标识(LAI):用于标识位置区。位置区的大小从范围上来说是指用户在移动的过程中不需要对 VLR 中的位置信息进行更新的区域。通过位置区, 网络可以找到移动台所处位置的大致范围,从而有利于对移动台进行寻呼。
• 路由区标识(RAI):用于标识分组域的路由区。路由区是一个与位置区类似的概念。当用户在移动过程中,用户驻留小区的 RAI 发生改变时,移动台就会发起路由区更新过程。 一个位置区可以包括多个路由区,一个路由区总是处在某一个位置区的内部, 一个小区只能属于一个路由区。
• 小区全球标识(CGI): 在 UMTS 服务区内的设置是唯一的, 小区是蜂窝移动通信系统中区域划分的最小单元。

② WCDMA 中移动终端用户的标识。在 WCDMA 中,移动用户 (UE) 通过装有 USIM 卡的终端接入网络。 UE 可以有很多个标识用来区分其身份,这些标识有些是永久性的,有些则是临时性的。
• 移动用户号码(MSISDN):为用户的电话号码簿号码。
• 国际移动用户识别码(IMSI): 存储在用户的 USIM 卡中,在核心网的用户签约信息中,也使用 IMSI 作为用户身份标识, IMSI 存储在归属 HLR 和访问 VLR 中。每个移动用户会被分配唯一一个全球移动用户标识号 IMSI。用户的 IMSI 是为了加强用户身份标识的保密性。
• 临时用户身份识别:为了避免IMSI在空中接口频繁传送,防止 IMSI 被盗用,保证移动网络的安全,系统采用了临时用户身份识别 (TMSI) 的保护手段。
• 国际终端设备识别号 (IMEI) 和国际终端设备与软件版本号(IMEISV): 用于标识一个移动台设备。
• 移动用户漫游号码 (MSRN):是由用户在漫游时由访问网络 VLR 临时分配的一个号码, MSRN 用于在访问网络中标识移动用户。一旦 MSRN 释放后,该 MSRN 由 VLR 重新分配使用。 MSRN 与用户的 MSISDN 具有相同的格式。
• 无线网络临时标识 (RNTI):是接入网 UTRAN 在接入网层次上为用户分配的临时身份标识,用于在 UTRAN 中及 UE 与 UTRAN 间的信令消 息中标识 UE。
• IP 地址:当 UE 发起一个分组呼叫时, UE 会使用一个 IP 地址, IP 地址可以是一个 IPv4 地址,也可以是一个 IPv6 地址。 WCDMA 网络中的编号计划还包括与网络节点有关的编号 (MSC, GSN、 HLR 等)、信令点编码、与 IP 多媒体域有关的编号、 UTRAN 专用资源的编号等。这些编号的正确使用都是网络正常运行的保证。
1.4 WCDMA 系统中的切换
根据切换发生时移动台与源基站和目标基站连接方式的不同, WCDMA 系统采用的切换方式有软切换、更软切换和硬切换。

软切换同时与多个小区保持通信,接收端利用宏分集技术降低了接收信号衰落的概率, 减少了移动台的发射功率,在小区边缘采用软切换有助于降低掉话率。更软切换是软切换的一种特殊情况,这种切换发生在同一基站具有相同频率的不同扇区之间。
软切换和更软切换的区别在于,更软切换发生在同一个 NodeB 范围内,分集信号在 NodeB 做最大增益合并,而软切换发生在两个 NodeB 之间,分集信号在 RNC 做选择合并。
WCDMA 系统中硬切换包括同频、异频和异系统之间 3 种情况。
2.cdma200系统
2.1 cdma2000 1x 的特点
相比 IS-95 系统, cdma2000 1 x 系统在空中接口部分引入的以下新技术:
(1)前向链路采用快速功率控制。移动台向基站发出调整基站发射功率的指令,闭环功率控制速率可以达到 800Hz,这样可以对功率进行更为精确的调整,降低了前向链路的干扰, 从而降低了移动台信噪比要求,最终可以起到增大系统前向信道容量、节约基站耗电的作用。
(2) 增加了反向导频信道。基站利用反向导频信道发出扩频信号捕获移动台的发射, 再用 Rake 接收机实现相干解调。与 IS-95 采用非相干解调相比,提高了反向链路性能,降低了移动台的发射功率,提高了反向链路的容量。
(3)前向链路采用发射分集技术。发射分集技术提高了系统的抗衰落能力,改善了前向信道的信号质量,系统容量也会有进一步的增加。
(4) 前向链路引入快速寻呼信道。基站使用快速寻呼信道向移动台发出指令,决定移动台是处于监听寻呼信道还是处于低功耗状态的自主眠状态。移动台不必长时间连续监听前向寻呼信道,可减少移动台的激活时间,减小了移动台的功耗,提高了移动台的待机时间。
(5) 编码采用 Turbo 码。 cdma2000 1x 中,数据业务信道可以采用 Turbo 编码,Turbo 码仅用于前向补充信道和反向补充信道。
(6) 灵活的帧长。 cdma2000 1x 支持 5ms、10ms、 20ms, 40ms、 80ms 和 160ms 多种帧长, 根据不同类型信道选择不同的帧长。
(7) 定义了新的接入方式。新的接入方式既兼容 IS-95 的接入模式,又对 IS-95 的不足进行了改进,可以减少呼叫建立时间,提高接入效率,并减少移动台在接入过程中对其他用户的干扰。 cdma2000 1x 系统的下一个发展阶段称为 cdma2000 1x EV,其中 EV 是 Evolution (演进)的缩写,意指在 cdma2000 1x 基础上的演进系统。 cdma2000 1v EV 不仅要和原有系统保持后向兼容,而且要能够提供更大的容量、更佳的性能,满足数据业务和语音业务的需求。 cdma2000 1x EV 又分为两个阶段:cdma2000 1x EV-DO 和 cdma2000 1x EV-DV。 DO 指 Data Only 或 Data Optimized,DV 是 Data and Voice 的缩写。
2.2 cdma2000 1x 网络结构

(1) cdma2000 1x 系统网络的组成。基于 ANSI-41 核心网的 cdma 2000 1x 系统网络结构,网络结构由 4 部分组成。
① MS: 通过空中接口为用户提供服务的设备。按照不同的射频能力,移动台可以分为车载台、手提式及手机 3 种类型。
②无线网络(RN): 为移动用户提供服务的无线接入点,实现无线信息传输到有线信息传输的互换,完成无线资源的管理和控制,并与网络交换系统交换信息, 包括有 BTS、 BSC 和分组控制功能 (PCF)。
③网络交换系统 (NSS): 分为电路域和分组域两部分,为移动用户提供基于电路交换和分组交换的业务,所有的业务都在无线网络中分流。
核心网电路域与 IS-95 一样,包括 BTS、 BSC、 MSC/VLR和 HLR/AUC 等网元。网络结构中核心网分组域新增的网元为分组数据服务节点 (PDSN)、归 属代理 (HA)、鉴权授权与计账服务器 (AAA)。
④操作维护系统 (OMS): 提供在远端操作、管理和维 护 CDMA 网络的能力,包括 NMC 和 OMC 两部分。
(2) 新增模块及功能。相对于 IS-95 网络, cdma2000 1 x 网络中新增的模块及功能如下:
① PCF 通常作为无线网络设备设置于 BSC 内,也可以与 BSC 同址外置。作为实现分组业务所必备的功能单元, PCF 主要用来建立、保持和终结与 PDSN 的连接,与 PDSN 之间进行互操作支持休眠切换,用来保持无线资源状态(如激活、休眠等),缓存和转发由 PDSN 到达的分组数据,请求无线资源管理等。
② PDSN 是连接RN 和分组数据网的接入网关。主要功能是提供移动 IP 服务,使用户可以访问公共数据网或专有数据网。 PDSN 可以为每一个用户终端建立、终止 PPP 连接,以向用户提供分组数据业务。 PDSN 与 RADIUS 服务器配合向分组数据用户提供认证功能、授权和计资功能。 PDSN 从 AAA 服务器接收用户的特性参数,从而区分不同业务和不同安全机制。
③ HA 提供用户漫游时的 IP 地址分配、路由选择和数据加密等功能,主要负责用户分组数据业务的移动管理和注册认证,包括鉴别来自移动台的移动 IP 的注册信息,将来自外部网络的分组数据包发送到外地代理 (FA),通过加密服务建立、保持或终止 FA 与 PDSN 之间的通信,接收从 AAA 服务器得到的用户身份信息,为移动用户分配动态或静态的归属 IP 地址等。
④ AAA 主要负责管理分组交换网的移动用户的权限,开通的业务,提供身份认证、授 权以及计费服务。因为 AAA 主要采用的协议为 RADIUS,所以 AAA 有时也被称为RADIUS 服务器。
2.3 cdma2000 1x 接口简介
IS-2000 是 cdma2000 技术的接口标准或规范,定义了 MS 和 BSC 之间的接口。 IS-2000 物理层规范定义了无线传输部分的内容,包括频率参数、扩频参数、系统定时、射频调制、差错控制及物理信道的配置参数等。 IS-2001 是第三代移动通信系统采用的互操作性规范,定义了无线网络与网络交换系统的接口,如 BSC 与 MSC 的接口、 PCF 与 PDSN及 BSC 与 PCF 等。
MSC/VLR 与 HLR/AUC 之间的接口基于 ANSI-41 协议。 BTS 在小区建立无线覆盖区域用于移动台通信,移动台可以是基于IS-95 或 cdma2000 1x 制式的手机。 BSC 可对多个 BTS 进行控制, Abis 接口用于连接 BTS 和 BSC, A1 接口用于 MSC 与 BSC 之间的信令信息, A2 接口用于传输 MSC 与 BSC 之间的语音信息,A3接口用于传输BSC与业务数据单元之间的用户业务(包括语音和数据)和信令, A7 接口用于传输 BSC 之间的信令,支持 BSC 之间的软切换。电路域完成用户基于电路交换技术的传统服务,如语音业务、低速的电路数据业务等,同时提供这些服务所需的呼叫控制、移动性管理和用户管理等功能。
PCF 用于转发无线子系统和 PDSN 分组控制单元之间的信息, PDSN节点为 cdma2000 1x 接 入 lnternet 的接口模块。 A8 接口用于传输 BSC 和 PCF 之间的用户业务, A9 接口用于传输 BSC 和 PCF 之间的信令信息, A10 和 A11接口都是无线接入网和分组核心网之间的开放接口, A10 接口用于传输PCF 和 PDSN之间的用户业务,A11 接口用于传输PCF和 PDSN 之间的信令信息。 PCF 和 PDSN通过支持移动 IP 的 A10、 A11 接口互连,可以支持分组数据业务传输。
3.TD-SCDMA系统
3.1 TD-SCDMA 系统的主妥特点
TD-SCDMA 标准是中国信息产业部电信科学研究院在国家主管部门的支持下,根据多年的研究提出的具有一定特色的第二代移动通信系统标准。 TD-SCDMA 于 2001 年 3 月被第三代移动通信合作伙伴项目组织(3GPP) 列为第三代移动通信采用的 5 种技术中的 3 大主流技术标准之一,与 UMTS 和 IMT-2000 的建议完全融合,其标准包含在 3GPP 的 R4 版本中,成 为 TD-SCDMA 可完全商用版本的标准。
TD-SCDMA 核心网与 WCDMA 核心网基本相同,所不同的地方在于无线接入网络部分。 与 WCDMA 和 cdma 2000 标准比较, TD-SCDMA 拥有以下特点:
(1)混合多址方式。 TD-SCDMA 系统采用混合多址接入方式。 TD-SCDMA 无线传输方案是 FDMA、 TDMA 和 CDMA 3 种基本多址技术的结合应用如图 (a) 所示,图(b) 所示为 WCDMA/cdma 2000 多址方式示意图。鉴于智能天线与联合检测技术相结合应用在 TD-SCDMA 系统,相当于引入了空分多址技术,所以也可以认为 TD-SCDMA 系统综合运用了 TDMA/CDMA/FDMA/SDMA 多址接入技术。 TD-SCDMA 采用的混合多址方式降低了小区间的干扰,允许更为密集的频谱复用,提高了传输容量和频谱利用率,增加了规划的灵 活性,支持单载波和多载波方式。

(2) TDD 双工方式。 TD-SCDMA 采用 TDD 双工方式。在 TDD 模式下,通过周期性地转换传输方向,允许在同一个载波上交替地进行上、下行链路传输。 TDD 方案的优势在于, 可以改变上、下行链路间转换点的位置,当进行对称业务时,选择对称的转换点位置;当进行非对称业务时,可在一个适当的范围内选择转换点位置。这样,对于对称和非对称两种业务, TDD 模式都可提供最佳的频谱利用率和最佳的业务容量,特别适合移动 Internet 业务。
对于 TD-SCDMA 系统,采用 TDD 双工方式,系统收发信使用同一频段,上、下行链路的无线环境一致性好,适合使用智能天线技术,但也存在一定的不足,如要求基站间必须同步,需要较大的瞬时发射功率等。
TD-SCDMA 的信号带宽为1.28MHz,载波间隔为1.6MHz,码片速率为1.28Mchip/s。 采 用 TDD 方式,仅需单载波1.6MHz的频带就可提供速率达 2Mbit/s的 3G 数据业务。若带宽为 5MHz 则支持 3 个载波,使频率规划灵活,频谱利用更充分,组网能力增强,频谱利用率远远离于采用 FDD 方式的其他 3G 技术。
(3) TD-SCDMA 的物理信道。 TD-SCDMA 的基本物理信道特性由频率、码和时隙决定。 其帧结构将10ms 的无线帧分成两个 5ms 的子帧,每个子帧中有 7 个常规时隙和 3 个特殊时隙。 信道的信息速率与符号速率有关,符号速率由 1.28Mchip/s 的码片速率和扩频因子所决定。
(4) TD-SCDMA 核心网络。 TD同SCDMA 核心网络基于 GSM/GPRS 网络的演进,并保持与它们的兼容性。 TD-SCDMA 支持多种通信接口,与 WCDMA 的 lu、 lub、 lur 等多种接口相同,可以单独组网或作为无线接入网和 WCDMA 混合组网,具有较好的网络兼容性和灵活的组网方式,支持 2G 向 3G 的演进和平滑过渡。
(5) TD-SCDMA 网络中的关键技术。 TD-SCDMA 作为 CDMATDD 的一种,具备 TDD 的所有优点,如混合多址方式、上下行链路特性的一致、时隙按上下行链路所需数据量进行动态分配等。 TD-SCDMA 独特的帧结构保证它可以采用一些先进的物理层技术,主要有智能天线技术、联合检测技术、上行向步、接力切换和动态信道分配等,从而提高系统的性能。 这些关键技术也是 TD-SCDMA 和其他 3G 标准竞争的核心竞争力。
由于 TD-SCDMA 标准源于 3GPP 标准,采用的很多标准和 UMTS 相同。 TD-SCDMA 系统的空中接口物理层与 WCDMA 不同,高层结构及功能与 3GPP 协议一致。
3.2 TD-SCDMA 空中接口
( 1) TD-SCDMA 空中接口的协议结构
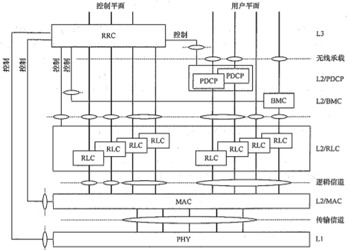
与 WCDMA 的空中接口协议结构一样, TD-SCDMA 系统的空中接口(Uu) 协议结构也分为 3 层:物理层、数据链路层和网络层, 其中数据链路层出 MAC 子层、无线链路控制 (RLC) 子层、分组数据汇聚协议 (PDCP) 子层和广播/多播控制 (BMC) 子层组成。从不同协议层如何承载用户各种业务的角度将信道分成 3 类:逻辑信道、传输信道和物理信道。
①逻辑信道。逻辑信道是 MAC 子层向 RLC 子层提供的数据传输服务,表述承载的任务和类型。逻辑信道根据不同数据传输业务定义逻辑信道的类型。逻辑信逍遥常分为两大类:用来传输控制平面信息的控制信道和传输用户平回信息的业务信道。控制信道包括广播控制信道 (BCCH)、寻呼控制信道 (PCCH)、 公共控制信道 (CCCH)、专用控制信道 (DDCCH)和共享控制信道 (SHCCH)。业务信道包括公共业务信道 (CTCH) 和专用业务信道(DTCH)。 TD-SCDMA 逻辑信远的分类与 WCDMA 基本一致,只是在控制信道里增加了 SHCCH,作为在网络和终端之间传输控审时言息的双向信道,完成对上下行共享信道控制功能。
②传输信道。传输信道是由物理层向 MAC 子层提供的数据传输服务,定义了信息通过无线接口进行传输的方式。传输信道可分为两类:某一时刻信道上的信息是发送给所有用户或一组用户的公共传输信道,以及信道上的信息在某一时刻只发送给单一用户的专用传输信道。考虑到 TD 增强技术,公共传输信道有以下 7 类:
• 广播信道(BCH):用于广播系统和小区的特有信息的下行传输信道。
• 寻呼信道(PCH):当系统不知道移动台所在的小区时,用于向移动台发送控制信息的下行传输信道。
• 前向接入信道(FACH):当系统知道移动台所在的小区时,用于向移动台发送控制信息的下行传输信道,也可以承载一些短的用户信息数据分组。
• 随机接入信道(RACH):用于承载来自移动台信息的上行传输信道,也可以承载一些短的用户信息数据分组。
• 上行共享信道(USCH):由几个 UE 共享的上行传输信道,用于承载专用控制数据或业务数据。
• 下行共享信道(DSCH):由几个 UE 共享的下行传输信道, 用于承载专用控制数据或业务数据。
• 高速下行共享信道(HS-DSCH):由几个用户共享的下行传输信道,对应一条或多条共享控制信道。
专用传输信道:仅有一类专用传输信道(DCH) 可用于上下行链路和特定归之间的用户信息或控制信息的承载网络。
③物理信道。 TD-SCDMA 系统中,物理信道是由频率、时隙、码字共同定义的,建立一个物理信道的同时,也就给出了它的初始结构。按其承载的不同信息被分成了不同的类别, 有用于承载传输信道数据的物理信道,也有仅用于承载物理层自身信息的物理信道。 物理信道分为两大类:专用物理信道(DPCH) 和公共物理信道(CPCH),共有 12 种不同的物理信道。

(2)逻辑信道、传输信道和物理信道之间的映射关系。逻辑信道位于 RLC 子层和 MAC 子层之间。传输信道承载逻辑信道的内容,位于 MAC 子层和物理层之间。物理信道在物理层中,承载传输信道的内容,将传输信道的内容变换为适合在空中接口传输的形式进行传输, 使用特定的载波频率、扩频码及时隙来标识物理信道。 逻辑信道和传输信道之间、传输信道和物理信道之间有特定的映射关系。 逻辑信道与传输信道的映射可以为一对一的映射关系,也可以为一对多或多对一的映射关系。 传输信道的数据通过物理信道来承载,除 FACH 和 PCH 为两传输信道映射到同一物理信道 S-CCPCH 外,其他传输信道到物理信道的映射都为一对一的映射关系,所有的传输信道都有一个物理信道来与之相对应,而部分物理信道与传输信道并没有映射关系, 这些物理信道仅传输物理层自身的信息。
四、LTE系统
LTE 是 3GPP 主导的一种先进的空中接口技术,被认为是准 4G 技术。 LTE 区别于以往的移动通信系统,它完全是为了分组交换业务来优化设计的,无论是无线接入网的空中接口技术还是核心网的网络结构都发生了较大的变化。 LTE 的基本特点包括只支持分组交换的结构和完全共享的无线信道。 3GPP LTE 的主要性能指标描述如下:
①支持1.25MHz~20MHz 带宽,提供上行 50Mbit/s、下行 100Mbit/s的峰值数据速率。
②提高小区边缘的比特率,改善小区边缘用户的性能。
③频谱效率达到 3GPP R6 版本中频谱效率的 2~4 倍。
④降低系统延迟,用户面延迟(单向)小于 5ms,控制面延迟小于100ms。
⑤支持与现有 3GPP 和非 3GPP 系统的互操作。
⑥支持增强型的广播多播业务。
⑦实现合理的终端复杂度、成本和耗电。
⑧支持增强的 1P 多媒体子系统和核心网。
⑨取消 CS 域, CS 域业务在 PS 域实现,如采用 VoIP。
⑩以尽可能相似的技术同时支持成对和非成对频段。
⑪支持运营商间的简单邻频共存和邻区域共存。
1.LTE系统结构

1.1 LTE/SAE 的网络结构
LTE/SAE 的整个网络结构如图所示。图中不仅包含演进的分组核心网 (EPC) 和演进的通用地面无线接入网络(E-UTRAN), 还包含了 3G 系统的核心网和 UTRAN。在 3G 系统中,电路交换核心网和分组交换核心网分别连接电话网和互联网, IMS 位于分组交换核心网之上, 提供互联网接口,通过媒体网关连接公共电话网。
1.2 E-UTRAN 的结构及接口
(1)E-UTRAN 结构与 UTRAN结构的比较。传统的 3GPP 接入网 UTRAN 白无线收发器 (Node B) 和 RNC 组成。 NodeB 主要负责无线信号的发射和接收, RNC 主要负责无线资源的配置,网络结构为星形结构,即 1 个 RNC 控制多个 Node B,另外为了支持宏分集(不同 RNC 的基站问切换),在RNC之间定义了 Iur 接口。这样,在 UTRAN 系统中时 RNC 必须完成资源管理和大部分的无线协议工作,而 NodeB 的功能相对比较简单。
在考虑 LTE 技术架构时,大家一致建议将 RNC 省去,采用单层无线接入网络结构,有利于简化网络结构和减小延迟。 E-UTRAN 无线接入网的结构比较简单,只包含 1 个网络节点 eNodeB,取消了 RNC, eNodeB 直接通过 S1 接口与核心网相连,因此原来RNC的功能就被重新分配给了 eNodeB 和核心网中的移动管理实体(MME) 或是服务网关实体(S-GW)。 S-GW 实际上是一个边界节点,如果将它视为核心网的一部分,则接入网主要由 eNodeB 构成。

LTE 的 eNodeB 除了具有原来 Node B 的功能外,还承担了传统 3GPP 接入网中 RNC 的大部分功能,如物理层、 MAC 层、无线资源控制、调度、无线准入、无线承载控制、移动性管理和小区间无线资源管理等。 eNodeB 和 eNodeB 之间采用网格的方式直接互连,这也是对原有 UTRAN 结构的重大修改。核心网采用全 IP 分布式结构。 LTE 采用扁平的无线接入网络架构,将对 3GPP 系统的未来体系架构产生深远的影响, 逐步趋近于典型的 IP 宽带网络结构。
(2) E-UTRAN 主要网元的功能及接口
① eNodeB 实现的功能。
• 无线资源管理方面包括无线承载控制 (RBC)、无线接纳控制 (RAC)、连接移动性控制 (CMC) 和 UE 的上、下行动态资源分配。
• 用户数据流的 IP 头压缩和加密。
• 当终端附着时选择MME,无路由信息利用时,可以根据 UE 提供的信息来间接确定到达 MME 的路径。
• 路由用户平面数据到S-GW。
• 谓度和传输寻呼消息(来自MME)。
• 调度和传输广播信息(来自MME或者 O&M)。
• 用于移动和调度的测量和测量报告的配置。
② E-UTRAN 主要的开放接口。在 eNodeB 之间定义了 X2 接口,以网格 (Mesh) 的方式相互连接,所有的 eNodeB 可能都会相互连接。 S1 接口是MME/S-GW 与 eNodeB 之间的接口,只支持分组交换。而 3G UMTS系统中Iu接口连接3G核心网的分组域和电路域。LTE-Uu 接口是UE与 E-UTRAN 之间的无线接口。
• X2 接口:实现 eNodeB 之间的互连。 X2 接口的主要目的是为了减少由于终端的移动引起的数据丢失,部当终端从一个 eNodeB 移动到另一个 eNodeB 时,存储在原来 eNodeB 中 的数据可以通过 X2 接口被转发到正在为终端服务的 eNodeB 上。
• S1接口:连接 E-UTEAN 与 CN。开放的 S1 接口使得 E-UTRAN 的运营商有可能采用不同的厂商设备来构建 E-UTRAN 与 CN。
• LTE-Uu 接口:Uu 是 UE 接入到系统固定部分的接口,是终端用户能够移动的重要接口。
1.3 核心网结构
(1)SAE 架构的演进。在 3GPP 的 LTE 标准的制定过程中,初期 SAE 的概念特指核心网的演进。但随着时间的推移, SAE 概念的外延在逐渐扩大,某种意义上 SAE 的范围已经涵盖了无线接入网络和核心网络。严格说来, SAE 是不包括无线接入网络的。 SAE 的具体含义要根据具体情况而定。

(2) SAE 架构的主要网元。
① 3GPP 锚点。(3GPP Anchor) 支持 UE 在 2G/3G 系统和 LTE 系统之间移动。
② SAE 锚点 (SAE Anchor )支持 UE 在 3GPP 系统和非 3GPP 系统之间移动。
③互访锚点(IASA) 由 3GPP 销点和 SAE 销点组成。
④演进的分组数据网关 (ePDG) 是一个转换实体,其功能相当于网关。
⑤用户平面实体 (UPE) 负责管理和存储UE的上/下文。
(3) SAE 架构的参考点。
① S1 参考点,提供对 E-UTRAN 无线资源的接入功能,负责传输用户平面业务和控制平面业务。 S1 参考点可以实现MME和 UPE 的分离部署和合并部署。
② S2a 参考点,在可信的非 3GPP IP 接入网络和 SAE 锚点之间提供与控制和移动性有关的用户平面支持。
③ S2b 参考点,在 ePDG 和 SAE 锚点之间提供与控制和移动性有关的用户平面支持。
④ S3 参考点,在 IDLE 和 ACTIVE 模式下,为了实现不同 3GPP 系统之间的移动性,利用该接口进行用户和承载信息的交换。
⑤ S4 参考点,在 GPRS 核心网和 3GPP 销点之间提供与控制和移动性有关的用户平面支持。
⑥ S5a 参考点,在 MME/UPE 和 3GPP 锚点之间提供与控制和移动性有关的用户平面支持。
⑦ S5b 参考点,在 SAE 锚点和 3GPP 销点之间提供与控制和移动性有关的用户平面支持。
⑧ S6 参考点,提供认证/鉴权数据的传递,实现对用户接入的鉴权和授权。
⑨ S7 参考点,提供 QoS 策略和计费规则的传输。
⑩ SGi 参考点,在 SAE 销点和分组数据网络之间提供接口。分组数据网络可以是运营商的公网、私网或运营商内部的一个网络。
(4) EPC 主要网元的功能。在 LTE 中,核心网也称为演进的分组核心 (EPC)。 EPC 主要包括移动管理实体、服务网关、分组交换网关、策略和计费规则实体和归属用户服务器等。
1.4 LTE网络中的IP多媒体子系统
3GPP 对 IMS 的标准化是按照规范版本的进程来发布的, IMS 的首次提出是在 R5 版本 中,然后在后续版本中进一步完善。IMS 中主要包括 3 种功能实体,就是呼叫会话控制功能实体、媒体网关控制功能和媒体网关。
R8 版本中增强了 IMS 功能,核心网内部的一些边界正在消失,界限逐步变得模糊。在核心网的演进趋势中,业界普遍认为未来固定、移动的融合将基于 IMS 架构, IMS 为多媒体应用提供了一个通用的业务平台。
2.LTE空中接口
2.1 LTE的工作频段
LTE 的工作频段既可以部署在现有的 IMT 频带,也可以部署在可能被识别的其他频带之上。从规范的角度来看,不同频带的差异主要是因为具体的射频要求的不同,如允许的最大发送功率、允许或限制的带外泄露等。为了使 LTE 可以工作在成对和非成对频谱下,就需要双工操作方式具有一定的灵活性。 LTE 同时支持 FDD 和 TDD 的双工方式。 R8 版的 LTE 规范定义了 FDD 和 TDD 频带,如下:



WRC'07 为 IMT 确定了附加频带,包括了IMT 2000 和 IMT-A 的额外频带,
① 450MHz~470MHz 用于全球 IMT,已经被分配给全球移动业务,但它只有 20MHz 带宽。
② 698MHz~806MHz 被分配到移动业务,并在一定程度上分配给 IMT在所有地区部署。 与 WRC-2000 确定的 806MHz~960MHz频带一起,形成了一个 698MHz~960MHz的宽频范围。
③ 2300MHz~2400MHz 被指定为 IMT 在全球范围内所有 3 个地区进行部署。
④ 400MHz~3600MHz 被分配给欧洲和亚洲以及美洲一些国家的移动业务,现在也用于卫星通信频带。
2.2 中国的 LTE 工作频段
工作在不同频带的 LTE 基本要求本身对无线接口设计并没有什么特殊需求,然而对射频需求和如何定义存在一些要求。中国的 LTE 工作频段根据不同的运营商和不同的工作方式进 行了规划。
(1)中国的 TD-LTE 工作频段。 2013 年 11 月 19 日,世界电信展期间,在 "TD-LTE 技术与频谱研讨会"上,各家运营商 TD-LTE 的工作频段分配如下:
中国移动, 1880MHz~1900MHz, 2320MHz~2370MHz, 2575MHz~2 635MHz。
中国联通, 2300MHz~2320MHz, 2555MHz~2575MHz。
中国电信, 2370MHz~2390MHz, 2635MHz~2655MHz。 TD-LTE 工作频段的分布如下:

(2) 中国的 FDD LTE 工作频段。中国的 FDD LTE 可供分配的频段都集中在 2GHz 附近, 也就是B1和 B3 频段,使用情况如下:

BI 频段,目前用于 3G,其中低端的 20MHz分配给了中国电信的 3G 网络,中间的 20 MHz分配给了中国联通的 WCDMA 网络,高端的 20 MHz标记为 IMT,代表是未来要分给 FDD LTE系统或者 WCDMA 系统使用的。标记为卫星 IMT 的用于卫星递信,还不会用于地面通信。
B3 频段,目前用于 2G,其中低端的 15MHz 分配给了中国移动的 GSM1800 网络,中间的10MHz 分配给了中国联通的 GSM1800 网络,两者之间有 20MHz 没有明确分配,但是已经被各地的移动和联通的 GSM 网络使用了。 B3 高端的 30 MHz标记为 IMT,代表是未来要分给 FDD LTE 系统或者 WCDMA 系统使用的。
2.3 空中接口协议
空中接口是指终端和接入网之间的接口,一般称为 Uu 接口。空中接口协议主要是用来建立、重配置和释放各种无线承载业务的。空中接口是一个完全开放的接口,只要遵守接口规范,不同制造商生产的设备就能够互相通信。 LTE 系统的主要无线传输技术的区别体现在物理层。在设计高层时会尽量考虑不同标准的兼容性,对于 FDD 和 TDD 来说,高层的区别并不十分明显,差异集中在描述物理信道相关的消息和信息元素方面。所以,无线接口协议时不会区分是 FDD 还是 TDD。LTE 系统无线接口协议的结构如下:

与 R99/R4 协议层的分层结构基本一致,空口接口的协议结构分为两面三层,垂直方向分为控制平面和用户平面,控制平商用来传送信令信息,用户平面用来传送语音和数据;水平方向分为 3 层。
第一层(L1 )为物理层。物理层向高层提供数据传输服务,可以通过 MAC 子层并使用传输信道来接入这些服务。
第二层 (L2) 为数据链路层。数据链路层(层 2) 主要由 MAC 子层、 RLC 子层、 PDCP 子层和 BMC 子层组成。层 2 标准的制定没有考虑 FDD 和 TDD 的差异。 LTE 的协议结构进行了简化, RLC 和 MAC 层都位于 eNodeB。
第三层 (L3) 为网络层。
3.LTE系统的基本工作过程
3.1 小区搜索
LTE 终端与 LTE 网络能够通信之前,终端必须寻找并获得与网络中一个小区的同步。终端不仅在开机时,即初始接入系统时需要执行小区搜索,接入 LTE 网络后,为了支持移动性, 仍需要不断地搜索相邻小区,与之同步并且估计其接收质量。需要不断地对小区系统信息进行接收并解码,比较相邻小区的接收质量与当前小区的接收质量,评估以决策是否需要执行切换(对于连接模式下的终端)或者小区重选(对于空闲模式下的终端),进而保证小区内通信和正常操作。 LTE 小区搜索的主要内容如下:
• 获得与一个小区的频率和符号同步。
• 获得该小区的帧定时,决定下行链路帧的开始点。
• 决定该小区的物理层小区标识。
小区搜索过程是 UE 和小区取得时间和频率同步,并检测小区 ID 的过程。 LTE 系统的小区搜索过程的主要特点是它能够支持不同的系统带宽(1.4MHz~20MHz)。小区搜索通过若干下行信道实现,包括同步信道、广播信道和下行参考信号。同步信道又分成主同步信道和辅同步信道,只用于同步和小区搜索过程;广播信道最终承载在下行行共享传输信道,没有独立的信道。小区搜索过程如下:

3.2 随机接入过程
(1) LTE 中随机接入的应用场景。任何蜂窝系统都有一个基本需求,终端需要具有申请建立网络连接的能力,通常被称为随机接 入。当然,前提是终端必须与上行传输时间同步后,才能被调度用于上行传输。在 LTE 系统中,随机接入的常用应用场景如下:
①从 RRC_IDLE 转移到 RRC_CONNECTED 状态转换,如初始接入时建立无线链路。
②RRC_CONNECTED 状态的终端,切换时建立所需要的对新小区的上行链路同步。
③RRC_CONNECTED 状态的终端,上行链路不同步时有上行链路或者下行链路数据到达的情况下,需要的上行链路同步。
④RRC_CONNECTED 状态下针对定位的目的。
⑤没有在 PUCCH 上配置专用调度请求资源时作为调度请求。
⑥无线链路建立失败后进行无线链路重建。
(2)随机接入前导的结构。随机接入前导的结构如下,包含循环前缀 CP、承载 ZC 序列的 OFDM符号和保护时间 GT,在保护时间 GT 内不发送内容。

①随机接入前导的 ZC 序列。 PRACH 信道上承载的内容称为随机接入前导,随机接入前导主要由 ZC (Zadoff-Chu) 序列组成。 ZC 序列也是一种伪随机序列,类似于 Gold 码,性能更优, LTE 系统也因此引入了 ZC 序列。在 LTE 系统中,除了随机接入前导外,同步信号以及上行参考信号也采用了 ZC 序列。
在随机接入前导中,ZC 序列的长度为 839 个码元,连续映射到子载波上,每个子载波上放置 1 个码元,共有 839 个子载波,子载波间隔为 1.25kHz,而不是 15kHz. 这样子载波占用的总带宽为 1.05MHz,相当于 6 个连续 RB 的带宽,对应 LTE 频点的最小带宽。各个子载波叠加后得到随机接入序列对应的 OFDM 符号,承载有随机接入序列的 OFDM 符号时长等于 800μs, 正好是 LTE 系统的普通 OFDM 符号时长的 12 倍。
ZC 序列的长度还可以选择 139 个码元,OFDM 符号时长为 133μs,子载波占用的总带宽仍旧为 1.05NHz,还是相当于 6 个连续 RB 的带宽,这种 ZC 序列仅用于 TD-LTE 系统。 至于 839 和 139,都是为了配合总带宽而得到的最大质数,以满足 ZC 序列的要求。
②随机接入前导的前缀 (CP)。不同格式下 CP 和序列的时长是可变的,随机接入前导的 5 种格式如下。TCP 代表 CP 部分的时长, TSEQ 代表承载 ZC 序列的 OFDM 符号时长,而 TSEQ 等于 1 600μs 时该 OFDM 符号会重复一次,子帧数代表随机接入前导持续多少个子帧。格式 4 仅用于 TD-LTE 的特殊子帧上,这时随机接入前导占用UpPTS。
保护时长 TGT 折半后可以得到最大往返延迟,利用最大往返延迟我们就可以计算出基站的最大覆盖半径。
(3)随机接入前导的处理过程。随机接入前导的处理,经过加扰、 BPSK 调制、资源映射以及 SC-FDMA 信号发生等处理过程。在上行方向上,理论上发生 SC-FDMA信号前需要经过 DFT和 IFFT两个过程。

(4) PRACH 信道的资源映射。 PRACH 信道的资源映射分为频域和时域两个方面,图所示为 PRACH 时频映射的示意图。 在随机接入前导中,子载波间隔为1.25kHz. 而不是15kHz。这样子载波占用的总带宽为1.05MHz,相当于 6 个连续 RB 的带宽,对应 LTE 频点的最小带宽,这样即使在最小带宽下也能正常工作。
在 FDD 工作模式下,1 个子帧只能放置 1 个 PRACH 信道;在 TDD 工作模式下,由于上行资源较少,因此允许在 1 个子帧中放置多个 PRACH 信道,这些 PRACH 信道在频率上要错开。在时域上.上,PRACH 信道以 2 个无线帧 (20ms) 为周期循环出现,PRACH 信道的数量和位置可以变化。
(5) 随机接入过程。随机接入过程分为基于冲突的随机接入和基于非冲突的随机接入两个过程,区别在于针对两种流程其选择随机接入前导的方式不同。基于冲突的随机接入前导中依照一定算法随机选择一个随机前导,基于非冲突的随机接入是基站侧通过下行专用信令给四指派非冲突的随机接入前导 。
3.3 寻呼
寻呼用于终端在 RRC_IDLE 状态时与网络建立初始连接,也可以用于在 RRC_IDLE 以及 RRC_CONNECTED 状态时通知终端系统信息需要改变,被寻呼的终端知道系统信息会改变。一般不知道终端的位登在哪个小区,所以寻呼信息一般会在跟踪区域的多个小区上发送。
3.4 跟踪区域更新
为了确认移动台的位置, LTE 网络覆盖区将被分为许多个跟踪区(TA)。 TA 是 LTE 系统中位置更新和寻呼的基本单位,用 TA 码(TAC) 标识, 1个 TA 可包含 1 个或多个小区,网络运营时用 TAI 作为 TA 的唯一标识, TAI 由 MCC、MNC 和 TAC 组成。当移动台由一个 TA 移动到另一个 TA 时,必须在新的 TA 上重新进行位置登记以通知网络来更改它所存储的移动台的位置信息,这个过程就是跟踪区域更新(TAU)。
2023年3月28日22:29:14—记

浙公网安备 33010602011771号