通信综合—5.现代通信网
一、通信网概述
1.通信网的构成要素
(1)通信网在硬件设备方面的构成要素是终端设备、传输链路和交换设备。
(2)终端设备也称为用户终端设备,它是通信的源点和目的点。最常见的终端设备有电话机、传真机、计算机、视频终端、多媒体终端等。
(3)传输链路是信息的传输通道,一般包括线路接口设备、传输介质、交叉连接设备等。
(4)交换设备是构成通信网的核心要素,主要完成呼叫处理、信令处理和操作维护管理(OAM)等功能。
2.通信网的发展演进
2.1 通信网的发展
(1)宽带化
目前,互联网用户数、应用种类、带宽需求等都是现出爆炸式的增长,特别是由于移动互联网、物联网和云计算等新型宽带应用的强力驱动,迫切需要通信网具有更大的带宽和容量。
(2)综合化
综合化是利用一个通信网承载电话、数据、视频等综合业务,以满足用户需求,同时提高网络资源利用率,降低网络投资。
(3)IP化
随着互联网技术与应用的迅猛发展,通信业务加速P化、分组化,传输技术和交换技术随之向P化演进,以实现P化的分组数据业务承载。
(4)智能化
IP化的业务具有更高的动态特征和不可预测性,所以需要承载业务的通信网具备更高的灵活性和更强的智能化功能,以便在网络拓扑及业务分布发生变化时能够快速响应,实现业务的灵活调度。
(5)融合化
现代通信网的发展趋势是网络互通融合化,即电信网(电话网)、计算机网和广播电视网之间的“三网”融合。
2.2 下一代网络演进
(1)为实现信息社会这一目标,下一代信息网络的主要方向是建立一个在IP技术基础上的新型公共通信网络,能够容纳各种形式的信息,在统一的管理平台下,实现音频、视频、数据信号的传输和管理,提供各种宽带应用和传统通信业务,是一个真正实现宽带窄带一体化、有线无线一体化、有源无源一体化、传输接入一体化的综合业务网络。
(2)未来网络技术面临前所未有的发展机遇与挑战,这主要体现在随着新技术的不断发展,带宽、性能将进一步提升,无线局域网(WLAN)技术发展和应用的迅速蔓延,以及互联网协议第6版本(IPv6)的应用使很多应用变成现实。多业务融合智能网络为业务创新莫定了基础平台。
(3)多业务融合的智能网络推动了固定网与移动网的融合和全球化的进程。移动通信正朝着为人类提供多样化、多媒体化、个性化服务的目标发展。
2.3 网络融合
当今人们对通信服务的需求已不再是简单的语音或单项的视频,而是更快速、更丰言、交互式的宽带多媒体业务。传统的通信网以及新兴的有线电视网和计算机互联网在网络资源、信息资源和接入技术方面虽有各自的特点和优势,但建设之初均是面向特定的业务,任何一方基于现有的技术都不能满足用户宽带接入和综合接入的需要,用户只能从不同的服务提供商获得所需的各类业务。在网络融合的大趋势下要实现的是三网融合。
所调三网融合,是指电信网、计算机网络和广播电视网的融合,目前三网胜合并不是指上述3个网络物理上的合一,而是指可以在同一个网上实现语音、数据和视频3种业务,并能够实现3个网络之间的业务互通。对用户而言,三网融合就是指只用一条线路即可实现打电话、看电视、上网等多种功能。
三网融合的技术挑战如下:
(1)标准制定明显滞后,目前没有统一的三网融合的系列国际标准和行业标准可以借鉴,导致了目前阻碍产业发展的最大技术瓶颈一封闭性,造成产业链分割和高昂的成本代价。
(2)网络和业务平台容量和结构的扩展性挑战。大规模开放大容量、高码率的视听业务对于现有网络、业务平台的容量和结构都将形成很大的挑战,例如现有的集中式宽带远程接入服务器的吞吐量就是一个很大的网络容量和架构上的瓶颈,而多媒体服务器的容量和架构则是业务平台上的瓶颈。
(3)多播能力的挑战。首先,现有城域网的网络层多播能力参差不齐,其次,现有多播协议缺乏对多播的控制功能。再次,很多视频直播协议不支持多播。最后,采用应用层上的多播可以规避网络改造和网络层多播缺陷,但频道切换时间等不尽人意。
(4)服务质量方面的桃战,需要在网络可用性、延时、抖动和丢包率4个方面都能满足婴求。
二、交换与控制
1.交换的基本概念
交换设备的某本功能是完成接入交换节点链路的汇集、转接接续和分配,实现一个呼叫终端(用户)和它所要求的另一个或多个终端(用户)之间的路由选择的连接,交换设备根据主叫用户终端所发出的选择信号来选择被叫终端,使这两个或多个终端间建立连接,然后,经过交换设备连通的路由传递信号,交换设备包括电话交换机、移动电话交换机、异步传输模式交换机、宽带P交换机、软交换机等。
1.1 电路交换
电路交换是指呼叫双方在开始通话之前,必须先由交换设备在两者之间建立一条专用电路,并在整个通话明间由它们独占这条电路,直到通话结束为止的一种交换方式。电路交换方式有以下几个特点。
(1)电路交换是一种实时性交换,适用于实时要求高的语音通信。
(2)在通信前要通过呼叫为主叫、被叫用户建立一条物理连接。如果呼叫请求数超过交换网的连接能力(过负荷),呼叫将被拒绝。
(3)电路交换是预分配带宽,在电路接通后,即使无信息传送也需要占用电路。据统计,传送语音时电路利用率仅为36%。
(4)在传送信息时,没有任何差错控制措施,不利于传输要求可靠性高的突发性数据业务。
1.2 报文交换
(1)报文交换又称为消息交换,以报文作为传送单元,用于交换电报、信函、文本文件等报文消息。报文交换的基础是存储转发。在这种交换方式中,发方不需先建立电路,不管收方是否空闲,可随时直接向所在的交换机发送消息。交换机将收到的报文消息先存储于缓冲器的队列中,然后根据报文头中的地址信息计算出路由,确定输出线路,一旦输出线路空闲,即将存储的消息转发出去。在采用报文交换方式的通信网中,各中间节点的交换设备均采用此种方式进行报文的接收一存储转发,直至报文到达目的地。
(2)在报文交换网中,一条报文所经由的网内路径只有一条,但相同的源点和目的点间传送的不同报文可能会经由不同的网内路径。报文交换的优点是不需要先建立电路,不必等待收方空闲,发方就可实时发出消息,因此电路利用率高,而且各中间节点交换机还可进行速率和代码转换,同一报文可被转发至多个收信站点。其缺点是交换机需配备容量足够大的存储器,网络中传输时延较大,且时延不确定。
1.3 分组交换
(1)在分组交换中,消息被划分为一定长度的数据分组(也称数据包),每个分组通常含数百至数千比特,该分组数据加上地址和适当的控制信息等后被送往分组交换机。与报文交换一样,在分组交换中,分组也采用存储转发技术。两者的不同之处在于,分组长度通常比报文长度要短得多。在交换网中,同一报文的各个分组可能经过不同的路径到达终点,由于中间节点的存储时延不一样,各分组到达终点的先后与源节点发出的顺序可能不同。因此目的节点收齐分组后需先经排序、解包等过程才能将正确的数据送给用户。
(2)报文交换和分组交换均采用了一种称为检错和自动反馈重传的差错控制技术来对付数据在通过网络时可能遭受的干扰或其他损伤。分组交换的优点是可高速传输数据,实时性比报文交换好,能实现交互通信(包括语音通信),电路利用率高,传输时延比报文交换小得多,而且所需的存储器容量也比报文交换小得多。其缺点是节点交换机的处理过程复杂。
1.4 3种交换技术的比较
“电路交换”与“存储交换”的比较。
(1)存储交换方式与电路交换方式的主要区别
在存储交换方式中,发送的数据与目的地址、源地址和控制信息按照一定格式组成一个数据单元(报文或报文分组)进入通信子网:通信子网中的节点是通信控制处理机,它负责完成数据单元的接收、差错校验、存储、路选和转发功能:电路交换方式均不具备以上功能。存储交换相对电路交换方式具有以下优点。
①由于通信子网中的通信控制处理机可以存储分组,因此多个分组可以共享通信信道,线路利用率高。
②通信子网中通信控制处理机具有路选功能,可以动态选择报文分组通过通信子网的最佳路径。
③可以平滑通信量,提高系统效率。
④分组在通过通信子网中的每个通信控制处理机时,均要进行差错检查与纠错处理,可以减少传输错误,提高系统可靠性。
(2)电路交换与分组交换的比较
①从分配通信资源(主要是线路)方式上,电路交换方式静态地事先分配线路,造成线路资源的浪费,并导致接续时的困难;而分组交换方式可动态地(按序)分配线路,提高了线路的利用率,但由于使用内存来暂存分组,可能出现因为内存资源耗尽,而中间节点不得不丢弃接到的分组的现象。
②从用户的灵活性方面,电路交换的信息传输是全透明的,用户可以自行定义传输信息的内容、速率和格式等,可以同时传输语音、数据和图像等:分组交换的信息传输则是半透明的,用户必须按照分组设备的要求使用基本的参数。
③从收费方面看电路交换网络的收费仅需考虑通信的距离和使用的时间:分组交换网络的收费则考虑传输的字节(或者分组)数和连接的时间。
(3)3种交换技术
①电路交换:在数据传输之前需建立一条物理通路,在线路被释放之前,该通路将一直被一对用户完全占有。
②报文交换:报文从发送方传送到接收方采用存储转发的方式。
③分组交换:此方式与报文交换类似,但报文被分成组传送,并规定了分组的最大长度,到达目的地后需重新将分组组装成报文。
2.IP交换
IP交换是psilon公司提出的专门用于在ATM网上传送IP分组的技术,其目的是使传输更快并能提供业务质量支持,IP交换技术打算抛弃面向连接的ATM款件,而在ATM硬件的基础之上直接实现无连接的P选路,该方法旨在同时获得无连接IP的健壮性及ATM交换的高速、大容量的优点。
2.1 IP交换机的构成
IP交换机基木上是一个附有交换硬件的路由器,它能够在交换硬件中高速缓存路由策略,IP交换可提供两种信息传送方式,一种是ATM交换式传输,另一种是基于逐跳首部方式的传统IP传输.采用何种方式取决于数据流的类型。连续的、业务量大的数据流采用ATM交换式传输:持续时间短、业务量小的数据流则采用传统P传输技术,IP交换是基于数据流驱动的。IP交换机由ATM交换机硬件和一个IP交换控制器组成。
(1)P交换控制器
IP交换控制器实际上就是运行了标准的IP选路软件和控制软件的高性能处理机,其中控制软件主要包括流的判识软件、Ipsilon流管理协议和通用交换机管理协议。
①流的判识软件,用于判定数据流,以确定是采用AM交换式传输方式,还是采用传统的IP传输方式。
②IFMP,在IP交换机之间通信所使用的协议是IFMP,它用在IP交换机之间分发数据流标记,即传递分配标记信息和将标记与特定IP流相关联的信息,国际互联网工程任务组在RFCI953中定义了IFMP。
③GSMP,在IP交换控制器和ATM交换器之间所使用的控制协议是GSMP。它是一个主从协议,用于IP交换器对ATM交换器的控制,以实现连接管理、端口管理、统计管理、配置管理和事件管理等。ETF在RFC1987中定义了GSMP。
(2)ATM交换器
ATM交换器实际上就是去掉了ATM高层信令(ATM适配层)、寻址、选路等软件,并具有GSMP处理功能的ATM交换机。它们的硬件结构相同,只存在软件上的差异。
2.2 IP交换的工作原理
IP交换的基本概念是流的概念。一个流是从ATM交换机输入端口输入的一系列有先后关系的IP包,它将由IP交换控制器的路由软件来处理。
(1)概念
①流
流是IP中的基本概念,IP交换是基于数据流驱动的。在IP交换中将流分为两类,一种是端口到端口的流,另一种是主机到生机的流。前者是具有相同源P地址、源端口号、目的IP地址和目的端口号的一个IP数据分组序列,被称为IP交换中的第一种类型的流,识别出这一类型的流,实际上就识别出了相同的一对主机之间的不同应用:后者是具有相同源IP地址、目的IP地址的一个IP数据分组序列,被称为IP交换中的第二种类型的流。
②输入输出端口
IP交换网的输入输出端口是指数据流进入和离开IP交换网络的点,即边缘IP交换机,边缘IP交换机主要完成以下功能:
a.为进入和离开P交换网的数据流提供默认的分组转发。
b.根据数据流的特性申请建立、参与维护和释放第二层交换路径。
c.入口能判断到达分组头的有关标记,对到来的数据流进行拆解,并将相应的流放到对应的交换通道上。
d.出口将二层送来的数据重新组合成原来的P分组数据流,并在第三层上转发。
③直通连接
直通连接是在第二层上建立的传输通道,它旁路了中间节点的第三层功能,在该通道上经过的每个中间节点不再有如同第三层上的存储转发,它是由数据流驱动请求建立的,可提供一定的服务质量,当直通连接因故障中断时,分组仍能在第三层进行转发而不被丢失。
(2)IP交换的工作原理
IP交换的核心是把输入的数据流分为两种类型:持续期长,业务量大的用户数据流和特续期短、业务量小、呈突发分布的用户数据流。持续期长、业务量大的用户数据流在ATM交换机硬件中直接进行交换;对于多媒体数据,它们常常要求进行广播和多播通信,把这些数据流在ATM交换机中进行交换:持续期短、业务量小、呈突发分布的用户数据流,通过IP交换控制器中的IP路由软件完成转送需要进行ATM交换的数据流,必须在AM交换机内建立相应的通道来传送业务流IP交换机是通过直接交换或跳到跳的存储转发实现IP分组的高速转移,分6步进行;
①对默认信道上传来的数据分组进行存储转发。
②一旦一个业务流被识别为直接的ATM交换,那么IP交换机要求上游节点把该业务流放在一一条新的虚通路上。
③如果上游节点同意建立虚通路,则该业务流在这条虚通路上进行传送。
④同时,下游节点也要求IP交换机控制器为该业务流建立一条呼出的虚通路。
⑤该业务流被分离到特定的呼入虚通路和呼出虚通路。
⑥IP交换机控制器指示在ATM交换机直通连接上传送分组。
3.IP多媒体子系统
3.1 IMS的体系结构
IMS是一个复杂的体系,其中包括许多功能实体,每个功能实体都有自己的任务,通过协同工作、相互配合来共同完成对会话的控制。

3.2 功能实体的功能
(1)呼叫会话控制功能
呼叫会话控制功能(CSCF)是IMS的呼叫控制核心,它的主要作用是在IP传输平台上实现多个实时业务的分发,具有中心路由引擎、策略管理和策略执行功能。根据功能不同,CSCF可分为代理呼叫会话控制功能、询问CSCF和服务CSCF。
①代理呼叫会话控制功能
代理呼叫会话控制功能(P-CSCF)是IMS中用户的第一个接触点,所有会话初始协议(SIP)信令流,无论是来自用户设备(UE)或者发给UE,都必须通过P-CSCF。其功能如下:
a.IMS终端接入IMS的入口点。
b.产生呼叫详细记录(CDR)话单,用户漫游计费需求。
c.提供Gm接口上的SIP压缩和完整性保护。
d.将终端的请求路由到正确的I-CSCT或者服务CSCF。
②询问CSCF
询问CSCP(I-CSCF)是一个运营商网络中为所有连接到这个运营商某一个用户的连接提供的联系点。其功能如下:
a.在IMS终端注册时,为用户分配提供服务的S-CSCF。
b.为来话选择被叫注册的S-CSCF。
③服务CSCF
服务CSCF(S-CSCF)是IMS的核心所在,位于归属网络,为UE进行会话控制和注册服务。当UE处于会话中时,S-CSCF维持会话状态,并且根据网络运营商对服务支持的需要,与服务平台和计费功能进行交互。
a.IMS用户注册认证
b.业务触发和控制
c.会话路由
P/S/I-CSCF在物理实体上可以是合设也可以是分设的,在实际组网时,其划分和部署需综合考虑对IMS业务接入方式、CSCF的容量、能力及用户业务量需求等因素。
(2)归属用户服务器功能
归属用户服务器(HSS)是归属网络中保存IMS用户的签约信息,包括基本标识、路由信息以及业务签约信息等集中综合数据库,HSS中保存的主要信息包括IMS 用户标识(包括公共及私有标识)、号码和地址信息;IMS用户安全上下文(用户网络接入认证的密钥信息、漫游限制信息);IMS用户的路由信息(HSS支持用户的注册,并且存储用户的位置信息);IMS用户的业务签约信息。
(3)签约数据定位功能
签约数据定位功能(SLF)可以看作一种专对归属位置寄存器HLR)的地址解析机制。当运营商拥有多个HSS时,I-CSCF/S-CSCF 在登记注册及事务建立过程中通过SLF获得用户签约数据所在的HSS的域名。SLF通常内置在HSS中。
(4)媒体资源功能
媒体资源功能(MRF)包含两部分功能。
①多媒体资源功能控制器(MRFC)用于支撑与承载相关的服务,解释来自其他S-CSCF及AS的SIP资源控制命令,并实现对多媒体资源的控制。
②多媒体资源功能处理器(MRFP)提供被MRFC 所请求和指示的用户平面资源。MRFP的功能如下:
a.在MRFC的控制下,为UE设备或IP多媒体网关(M-MGW)提供媒体资源。
b.媒体流混合(多方会议)。
c.多媒体信息播放(放音、流媒体)。
d.媒体内容解析处理(码变换、语音识别等)。
(5)媒体网关控制功能
媒体网关控制功能(MGCF)是使IMS用户和电路交换(CS)用户之间可以进行通信的网关。所有来自CS用户的呼叫控制信令都指向MGCF,它负责进行综合业务数字网(ISDN)用户部分(ISUP)或承载无关呼叫控制协议(BICC)与SP之间的转换,并且将会话转发给IMS。类似地,所有IMS发起到CS用户的会话也经过MGCF。MGCF还控制与其关联的用户平面实体IMS多媒体网关中的媒体通道。另外,MGCF能够报告计费信息给计费采集功能模块(CCF)。
(6)IMS多媒体网关功能
IMS多媒体网关功能(MS-MGW)提供Cs网络和IMS之间的用户平面链路,它直接受MGCF的控制。它终结来自CS网络的承载信道和来自骨干网(例如,IP网络中的实时传输协议(RTP)流或者ATM骨干网中的AAL2/ATM连接)的媒体流,执行这些终结之间的转换,并且在需要时为用户平面进行代码转换和信号处理。另外,IMS-MGW能够提供音调和公告给CS用户。
(7)策略决策功能
策略决策功能(PDF)根据应用层相关信息进行承载资源的授权决策,为IMS业务提供QoS保证。
(8)出口网关控制功能
出口网关控制功能(BGCF)负责选择到CS域的出口的位置。若与本网用户互通,选择路由至被叫网络的MGCF;若与其他运营商互通,选择与其他运营商的BGCF互通。
(9)信令网关功能
信令网关(SGW)用于不同信令网的互联。SGW在基于No.7信令系统的信令传输和基于IP的信令传输之间进行传输层的双向信令转换。SGW不对应用层的消息进行解释。
(10)应用服务器功能
应用服务器(AS)是为IMS提供各种业务逻辑的功能实体,完成业务触发和执行功能,即IMS业务触发在S-CSCF实现;业务触发通过初始过滤准则(iFC)机制实现动态业务触发和AS完成业务逻辑后将请求返回给S-CSCF以进行后续触发。
三、传输网
1.有线传输
1.1 光纤通信概念
(1)光纤通信系统
①光纤通信组成光纤通信以光作为信息载体,利用光纤传输携带信息的光波,以达到通信的目的。数字光纤通信系统由光发送机、光接收机,光纤等组成。

发送端的电端机把信息(如语音)进行模/数转换,用转换后的数字信号去调制发射机中的光源器件(LD),输出携带信息的光波。光波经光纤传输后到达接收端,光接收机把数字信号从光波中检测出来送给电端机,而电端机再进行数/模转换,恢复成原来的信息。
携带信息的光波:数字信号为“1”时,光源器件发送一个“传号”光脉冲:当数字信号为“0”时,光源器件发送一个“空号”(不发光)。
中继器由光检测器、光源和判决再生电路组成。它的作用是补偿光信号在光纤中传输时受到的衰减:对波形失真的脉冲进行修正。
②光纤通信优点
a.通信容量大根光纤同时传输的话路数,比传统的明线、同轴电缆、微波等要高出几十乃至上千倍。波分复用技术把一根光纤当作几根、几十根光纤使用,通信容量近乎无限。
b.中继距离长光纤具有极低的衰耗系数。目前商用化石英光纤已达0.19Bkm以下,配以适当的光发送与光接收设备,中继距离达数百千米以上,特别适用于长途一级、长途二级干线通信。
c.保密性能好,抗干扰能力强由于光的频率极高,远高于一般的电磁波的颍率,而且光波在光纤中传输时只在其芯区进行,不存在传统的电磁波辐射,因此其保密性能极好,同时也不怕外界强电磁场的干扰,抗干扰能力强。
d.便于施工和维护光纤体积小、重量轻,光缆的敷设方式方便灵活,既可以直埋、架空,又可能通过管道和水底敷设。
(2)光纤
光纤是光纤传输系统的物理层介质,是构建光纤传输网络的重要基础。
①光纤的构造
光纤由纤芯、包层、涂覆层和套层组成。中心部分是纤芯,由纯石英玻璃拉制而成,作用是传输光波。纤芯外面是包层,设纤芯和包层的折射率分别为n1和n2,包层的折射案n2比纤芯的折射率n1小,从而形成一种光波导效应,使大部分的光被束缚在纤芯中传输,实现光信号的传输。
只有纤芯和包层的光纤称为裸光纤,经过涂覆层的裸光纤称为光纤的纤芯。最外面的套层为塑料或有机材料的包覆层。
②光纤的材料
纤芯主要采用高纯度的二氧化硅,并参有少量的杂质,提高纤芯的光折射率n1,包层也是高纯度的二氧化硅,也掺入一些杂质,主要是降低包层的光折射率n2。涂层采用丙烯酸酯、硅橡胶、尼龙,增加机械强度和可弯曲性。光缆是多根光纤放在放在一个松套管内,内充石油膏和钢丝形成的。海底光缆内还有电源线,主要为中继站的放大器等提供电源。
③光纤的尺寸
光纤的几何尺寸很小,外径一般为125μm。内径:单模9μm;多模50μm或62.5μm。
④光纤的折射率分布
按折射率分布情况,光纤又可以分为阶跃型和渐变型光纤。
a.阶跃型光纤:光纤的纤芯折射率高于包层折射率,使得输入的光能在纤芯一包层交界面上不断产生全反射而前进。这种光纤纤芯的折射率是均匀的,包层的折射率稍低一些。光纤中心芯到玻璃包层的折射率是突变的,只有一个台阶,简称阶跃光纤,也称突变光纤。
b.渐变型光纤:光纤中心芯到破璃包层的折射率逐渐变小,可使高次摸的光按正弦形式传播,能减少模间色散,提高光纤带宽,增加传输距离,但成本较高,现在的多模光纤多为渐变型光纤。
⑤光纤的分类
a.光纤按传输模式可分为:单模光纤(SMF)、多模光纤(MMF)。
b.光纤按折射率可分为阶越光纤、渐变折射率光纤。
⑥光纤的工作波长(工作窗口)
光线路信号在光纤上传送的波长为:850nm、1310nm、1550nm。其中,850nm窗口只用于多模传输,1310nm和1550nm窗口用于单模传输。
⑦光纤的传输损耗
光波在光纤中传输,随着距离的增加光功率逐渐下降,这就是光纤的传输损耗。该损耗直接关系到光纤通信系统传输距离的长短,是光纤最重要的传输特性之一。损耗大小影响光纤的传输距离和中继距离的选择。引起光纤的损耗的种类很多,一般可归纳为:吸收损耗、散射损耗和其他损耗。
a.吸收损耗
本征吸收损耗是由于光纤材料本身吸收光能量产生的,主要存在红外波段的分子振动吸收和紫外波段的电子跃迁吸收。杂质吸收损耗主要是由于光纤中含有的各种过渡金属离子和氢氧根(OH)离子在光的激励下产生振动,吸收光能量造成的。
b.散射损耗
散射损耗是由于光纤的材料、形状、折射率分布的缺陷或不均匀,使光纤中传导的光发生散射,从而使一部分光不能到达接收端而产生的损耗,主要包含瑞利散射损耗、非线性散射损耗和波导效应散射损耗。
瑞利散射损耗是由于光纤折射率的分布不均匀性而引起的本征损耗。瑞利散射损耗与波长的4次方成反比,即波长越短,损耗越大,因此对短波长窗口影响较大。非线性散射损耗是当光强度大到一定程度时,产生非线性拉曼散射和布里渊散射,使输入光信号的能量部分转移到新的频率成分上而形成损耗。在常规光纤中由于半导体激光器发送光功率较小,该损耗可忽略。但在密集波分复用(DWDM)系统中,由于总功率很大,就必须考虑其影响。
波导效应散射损耗是由于光纤波导结构缺陷引起的损耗,与波长无关。光纤波导结构缺陷主要由熔炼和拉丝工艺不完善造成。
c.其他损耗
其他损耗主要是连接损耗、弯曲损耗和微弯损耗。
连接损耗是由于进行光纤接续时端面不平整或光纤位置未对准等原因造成接头处出现损耗。其大小与连接使用的工具和操作者技能有密切关系。
弯曲损耗是由于光纤中部分传导模在弯曲部位成为辐射模而形成的损耗。它与弯曲半径成指数关系,弯曲半径越大,弯曲损耗越小。
微弯损耗是由于成缆时产生不均匀的侧压力,导致纤芯与包层的界面出现局部凹凸引起。
⑧色散
色散是指由于传输介质的折射率与光波的波长相关而造成不同波长的光在相同传输介质中的传播速度不同的现象。其程度用色散系数反映。
色散过大的结果是光脉冲沿着光纤行进一段距离后造成脉宽变宽,使得光纤输出点的相邻光脉冲相互重叠,类似于电脉冲码间干扰,导致识别困难,甚至无法识别。
传输速率越高,光脉冲越窄,色散影响越明显,一定的色散将限制传输的最高速率,通常所言色散限制带宽也是这个意思。传输距离越长,色散损伤越严重,所以色散也限制传输距离。根据光纤色散特性和相应设备特性计算得出的可传输最长距离称“色散受限距离”。
色散的种类如下:
a.模式色散:只发生在多模光纤,因为不同模式的光沿不同的路径传输。
b.材料色散:不同波长的光行进速度不同。
c.波导色散:发生原因是光能量在纤芯及包层中传输时,会以稍有不同的速度行进。在单模光纤中,通过改变光纤内部结构来改变光纤的色散非常重要。
材料色散和波导色散都与波长有关,统称色度色散。以G652光纤为例,材料色散随波长增加而增加,而波道色散正相反,在1310nm附近两者抵消,色度色散为零,所以称1310nm为零色散波长。色度色散造成脉冲展宽,引起码间干扰。
d.偏振模色散(极化模色散)光纤中的光传输可描述成完全是沿x轴振动和完全是沿y轴振动或一些光在两轴上的振动。每个轴代表一个偏振“模”,两个偏振模的到达时间差称为偏振模色散(Physical Media Dependent,PMD)。偏振模色散是单模光纤的另一种色散,由于光纤几何形状(圆柱形)不均匀引起。
⑨非线性
光纤的非线性是光纤介质的一种固有特性,而不是光的特性。当激光器射入光纤的光功率较小时,光纤的非线性不明显。强激光射入低损耗单模光纤,光纤的非线性就很明显。因为很强的光束缚在很细的光纤内,传输损耗又小,强光可维持很长的距离。
光器件也有非线性,由光器件和光纤构成的光系统也有非线性。可以从两个方面研究非线性,一方面研究它坏处,如非线性引起光信号损耗,噪声,串扰和脉冲展宽等:另一方面研究它的好处,如利用非线性来做激光器,放大器,以及做色散补偿。
光纤的非线性有:受激拉曼散射(SRS)、受激布里渊散射(SBS)、自相位词制(SPM)、交叉相位调制(XPM)、四波混频(FWM)。
⑩ITU-T规范光纤类型
a.常规单模光纤(G652光纤):常规单模光纤的零色散点在1310nm,所以又称1310nm 波长上性能最佳的单模光纤。其实常规单模光纤1550nm窗口的性能也不错,损耗比1310nm 还要低,只是色散较大,不过这对传输速率小于等于2.5Gbit/s的系统影响并不大。如果传输速率达到10Gbit/s,则需要加以色散补偿。到目前G652光纤包含4个子类:G652A、G652B、G652C 和G652D。
b.色散位移单模光纤(G653光纤):这种光纤使零色散点移到1550nm附近,称为1550nm 性能最佳光纤。与光纤的最小衰减窗口获得匹配,使超高速超长距离光纤传输成为可能。
c.截止波长位移的单模光纤(G654光纤):这类光纤的设计重点是降低1550nm处的衰减,其零色散点仍然在1310nm附近,因而1550nm的色散较高,可达18ps/(nm·km),必须配用单纵模激光器才能消除色散的影响。G654光纤主要应用于需要很长再生段距离的海底光纤通信。
d.非零色散位移单模光纤(G655光纤):与G653光纤相近,但使其1550nm处的色散不为零。由于G655光纤在1550nm窗口的色散低于G65光纤很多,适于传输速率达到10Gbit/s的信号。因为其色散不为零,可有效避免在DWDM传输时发生四波混频现象,适合于DWDM系统应用。
1.2 同步数字体系传送网
同步数字体系(SDH)是世界公认的新一代宽带传输体制,SDH 体制规范了数字信号的传输速率等级、帧结构、复用方式和光接口特性等。
(1)SDH速率与帧结构
同步传输模块N级(STM-W)信号帧结构的安排应尽可能使支路低速信号在一顿内均匀、有规律地分布,以便于实现支路信号的同步复用、交叉连接(DXC)、分/插和交换,其实就是为了方便地从高速信号中直接上下低速支路信号。因此,ITU-T规定了STM-N的帧是以字节(8bit)为单位的矩形块状帧结构。

由图可知STMW的信号是9行×270xW列的帧结构。此处的N与STM-N的N相一致,取值范围为:1、4、16、64。表示此信号由N个STM-1信号通过字节间插复用而成。由此可知,STM-1信号的帧结构是9行×270列的块状顿。并且,当N个STM-1信号通过字节间插复用成STM-N 信号时,仅仅是将STM-1信号的列按字节间插复用,行数恒定为9行不变。
STM-N信号的传输也遵循按比特的传输方式,SDH信号帧传输的原则是:按帧结构的顺序从左到右,从上到下逐个字节,并且逐个比特地传输,传完一行再传下一行,传完一帧再传下一帧。 
ITU-T规定对于任何级别的STM-N帧,帧频都是8000帧/s,也就是帧的周期为恒定的125μs。
STM-1的传送速率为:270(每顺270列)×9(共9行)×8bit(每个字节8bit)×8000(每秒8000帧)=155520kbit/s=155.520 Mbit/s。由于帧周期的恒定使STM-N信号的速率有其规律性。例如STM-4信号的传输数速恒定等于STM-1信号传输数速的4倍,STM-16信号的传输数速恒定等于STM-1信号的传输数速的16倍。
STM-N的帧结构由3部分组成:段开销(包括再生段开销和复用段开销)、管理单元指针、信息净负荷。
①信息净负荷
信息净负荷(Payload)是在STM-N帧结构中存放将由STM-N传送的各种用户信息码块的地方。信息净负荷区相当于STM-N这辆运货车的车箱,车箱内装载的货物就是经过打包的低速信号一待运输的货物。为了实时监测货物(打包的低速信号)在传输过程中是否有损坏,在将低速信号打包的过程中加入了监控开销字节一通道开销(POH)字节。POH作为净负荷的一部分与信息码块一起装载在STM-N这辆货车上在SDH网中传送,它负贵对打包的货物(低阶通道)进行通道性能监视、管理和控制。
②段开销
段开销(SOH)是为了保证信息净负荷正常传送所必须附加的网络运行、管理和维护(OAM)字节。段开销又分为再生段开销(RSOH)和复用段开销(MSOH),可分别对相应的段层进行监控。
再生段开销在STM-N帧中的位置是第1到第3行的第1到第9×N列,共3×9×N个字节:复用段开销在STMN帧中的位置是第5到第9行的第1到第9xN列,共5×9×N个字节。
③管理单元指针
管理单元指针(AU-PTR)位于STM-N帧中第4行的9xN列,共9×N个字节。AU-PTR是用来指示信息净负荷的第一个字节在STM-W帧内的准确位置的指示符,以便接收端能根据这个位置指示符的值(指针值)准确分离信息净负荷。
指针有高、低阶之分,高阶指针是AU-PTR,低阶指针是支路单元指针(TU-PTR),TU-PTR的作用类似于AU-PTR,只不过所指示的信息负荷更小一些。
(2)SDH同步复用与映射方式
SDH的复用包括两种情况:一种是由STM-1信号复用成STM-N信号:另一种是由准同步数字系列(PDH)支路信号(例如2 Mbit/s、34Mbit/s、140Mbit/s)复用成SDH信号STM-N。
第一种情况,复用的方法主要通过字节间插的同步复用方式来完成的,复用的基数是4,即4×STM-1→STM4,4×STM4→STM-16。在复用过程中保持帧频不变(8000帧/s),这就意味着高一级的STM-N信号是低一级的STM-N信号速率的4倍。在进行字节问插复用过程中,各帧的信息净负荷和指针字节按原值进行字节间插复用,而段开销ITU-T则另有规范。
第二种情况就是将各级PDH支路信号复用进STM-N信号中去。各种业务信号复用进STM-N顿的过程都要经历映射(信号打包)、定位(伴随与指针调整)、复用(相当于字节间插复用)3个步骤。
ITU-T规定了一整套完整的映射复用结构即复用路线,通过这些路线可将PDH的3个系列的数字信号以多种方法复用成STMN信号。
我国的光同步传输网技术体制规定了以2Mbit/s信号为基础的PDH系列作为SDH的有效负荷,并选用AU-4的复用路线。

(3)SDH网元
SDH传输网是由不同类型的网元设备通过光缆线路的连接组成的,通过不同的网元完成SDH 网的传送功能:上/下业务、交叉连接业务、网络故障自愈等。
①终端复用器
终端复用器(TM)位于网络的终端站点上,例如一条链的两个端点上。
②分/插复用器
分/插复用器(ADM)用于SDH传输网络的转接站点处,例如链形网的中间节点或环上节点,它是SDH网上使用最多、最重要的一种网元设备。
③再生中继器
再生中继器(REG)的最大特点是不上下(分/插)电路业务,只放大或再生光信号,SDH光传输网中的再生中继器有两种:一种是纯光的再生中继器,主要对光信号进行功率放大以延长光传输距离:另一种是用于脉冲再生整形的电再生中继器,主要通过光/电变换、电信号抽样、判决、再生整形、电光变换,以达到消除已积累的线路噪声,保证线路上传送信号波形的完好性。
④数字交叉连接设备
数字交叉连接设备(DXC)是SDH网络的重要网络单元,兼有复用、配线、保护恢复、监控和网管多项功能,DXC的核心是交叉连接。
网元的各种工作类型,不同类型的网元的选用是根据网元在网络中的位置、上/下业务的特点以及管理上的方便等因素决定。

(4)SDH传送网功能结构
SDH传送网功能可在垂直方向上分为电路层、通道层和传输介质层3层。
①电路层网络:面向公用交换业务,该层设备包括交换机、路由器以及用于租用线业务的交义连接设备等。
②通道层网络:分为低阶通道层和高阶通道层,为电路层网络节点提供透明通道,支持一个或多个电路层网络,能将各种电路层业务映射进复用段层所要求的格式内。
③传输介质层网络:分为段层(包括复用段层和再生段层)和物理层,为通道层网络节点间提供通信服务。它和物理介质有关,由路径和链路连接支持,不提供子网连接。
(5)SDH光接口
①光接口位置

S点是紧挨着光发送机的活动连接器后的参考点:R是紧挨着光接收机的活动连接器前的参考点。
②光接口参数
光接口的参数可以分为三大类:参考点S处的发送机光参数、参考点R处的接收机光参数和S一R点之间的光参数。在规范参数的指标时,均规范为最坏值,即在极端的(最坏的)光通道衰减和色散条件下,仍然要满足每个再生段(光缆段)的误码率不大于1×10-10的要求。
1.3 DWDM光网络
(1)波分复用的概念
波分复用(WDM)系统的基础是将携带不同信息的多个光载波复合到一根光纤中进行传输,且互不千扰。波分复用技术通常指密集波分复用技术DWDM 和粗波分复用技术CWDM。粗波分复用(波长间隔大,一般为20nm。DWDM波长间隔小,小于等于0.8nm。
DWDM技术是在波长1550nm窗口附近,在参铒光纤放大器(Erbium-Doped Fiber Amplifier,EDFA)能提供增益的波长范围内,选用密集的但相互又有一定波长间隔的多路光载波,这些光载波各自受不同数字信号的调制,复合在一根光纤上传输,提高了每根光纤的传输容量。通常把波长间隔较小的16个波、40个波、80个波乃至更多个波长的复用统称为DWDM。
(2)DWDM系统结构
WDM系统由5部分组成:光发射机、光中继放大、光接收机、光监控信道和网络管理系统。

①光发射机光
发射机是DWDM系统的核心,除对发射激光器的中心波长有特殊的要求外,还需要根据DWDM系统的不同应用来选择具有一定色度色散容限的发射机。
a.光转发器
光转发器即光波长转换单元将非标准的波长转换为ITU-T所规范的标准波长,然后在系统中应用光/电/光(O/E/O)的变换,即先用光电二极管(PN)或雪崩二极管(APD)把接收到的光信号转换为电信号,然后该电信号对标准波长的激光器进行调制,从而得到新的合乎要求的光波长信号。
b.合波/分波
波分复用器可分为发送端的光合波器和接收端的光分波器。光合波器用于传输系统的发送端,是一种具有多个输入端口和一个输出端口的器件,它的每一个输入端口输入一个预选波长的光信号,输入的不同波长的光波由同一输出端口输出。光分波器用于传输系统的接收端,正好与光合波器相反,它具有一个输入端口和多个输出端口,将多个不同波长的信号分类开来。
②光放大器
光放大器不但可以直接放大光信号,同时还具有实时、高增益、宽带、在线、低噪声、低损耗的全光放大器,是新一代光纤通信系统中必不可少的关键器件。在目前实用的光放大器中主要有掺饵光纤放大器、半导体光放大器(SOA)和光纤拉曼放大器(RFA)等,其中糁铒光纤放大器以其优越的性能被广泛应用于长距离、大容量、高速率的光纤通信系统中,作为前置放大器、线路放大器、功率放大器使用。
③光接收机
光接收机不但要满足一般接收机对光信号灵敏度、过载功率等参数的要求,还要能承受有一定光噪声的信号,要有足够的电带宽性能。
④光监控信道
光监控信道(OSC)是为DWDM的光传输系统的监控而设立的。光监控通路贯穿整个系统,所用的1510nm信号和业务用的光波在光纤内并行传输,但不共用光放大器(监测信号在EDFA之前下光路、在EDFA之后上光路),这样有利于监视系统运行和判断故障位置。
⑤网络管理系统
网络管理系统用于对DWDM系统进行管理,实现配置管理、故障管理、性能管理、安全管理等功能,并与上层管理系统(TMN)相连。
⑥光载波长 
DWDM通常采用C波段:1530-1565nm。以193.1GHz(1552.52nm)为基准,100GHz(0.8nm)或50GHz(0.4nm)为间隔.
(3)DWDM网元类型及组网
网元类型:光终端复用设备(OTM)、光线路线路放大设备(OLA)、光分插复用设备(OADM)和电中继设备。
DWDM组网:点到点组网、链形组网及环形组网。
2.无线传输
2.1 微波通信
(1)微波通信的概念
微波是一种电磁波,微波射频为300MHz~300GHz,微波是全部电磁波频谱的一个有限频段。
利用微波作为载体的通信称为微波通信,基带传输信号为数字信号的微波通信是数字微波通信。一般基带信号处理在中频完成,再通过频率变换到微波频段,也可以在微波频段直接调制。
(2)微波传输的分类
①传统视距微波传输
微波通信不需要固体介质,由于微波的频率极高,波长很短,其在空中的传播特性与光波相近,也就是直线前进,遇到阻挡就被反射或被阻断,因此微波通信的主要方式是视距通信,要求空间无阻挡,即两点间直线距离内无障碍物。如超过视距,需要长途地面通信,则采用“接力”的方式,每隔50km左右设置中继站将信号多次转发。长距离微波通信干线可以经过几十次中继而传至数千千米,但仍可保特很高的通信质量。微波通信可用于各种通信业务的传送,如电话、电报、数据、传真以及彩色电视等。但是,微波经空中传送,易受干扰,在同一微波电路上不能使用相同频率于同一方向,因此徽波电路必须在无线电管理部门的严格管理之下进行建设。
②微波常用调制方式
随着无线通通信事业的飞速发展,频增资源日益紧张,为节省频谱和高效率地利用可用频带,选择调制方式时需要考虑的因素有:带宽的利用率、高斯噪声下误码率性能、各种不完善情况对误码率的影响。
a.移相键控
用基带数字信号控制载波的相位,称为移相键控(PSK)。在恒参信道条件下,移相键控与移幅键控(ASK)和频移键控(FSK)相比,具有较高的抗噪声干扰性能,且能有效地利用所给定的信道频带,即使在有多径衰落的信道中也有较好的结果,所以PSK是一种较好的调制方式。常用的有二进制相移键控(BPSK)、正交相移键控(QPSK)、BPSK。相位分得越多,频谱利用率越高,传输速率越高,但相邻载波间的相位差越小,在接收端对鉴相器的要求越高,将使误码率增加。
b.正交调幅
正交调幅(QAM)是既调幅又调相,在频谱利用率要求较高的情况下,常采用多电平QAM方式,如大容量155Mbit/s,采用64QAM或128QAM调制等。中、小容量(小于34Mbit/s)数字微波可选择BPSK(小容量)、QPSK、4QAM、4FSK等调制方式的微波设备,可供选择的频段有1.5GH2(一点多址)8GHz、13GHz、14GHz、15GHz、23GHz等。大容量数字微波,如140 Mbit/s (PDH)、Nx155 Mbit/s(SDH),为了提高频率利用率,最好选择64QAM、128QAM调制方式,可供选择的频段有4GHz、5GHz、6GHz、7GHz、8GHz、I1GHz、18GHz等。
③非视距微波传输
非视距微波传播与传统的视距微波相比具有颠覆性的改变。它可以在空间有障碍物阻挡的情况下,较好地实现信号传输,因此对空间要求大大降低了,从而满足多种复杂空间环境下的无线传输任务。凭借多载波等技术特点,在城区、山地、建筑物内外等不能通视及有阻挡的环境中,非视距微波传输设备能够以高概率实现图像的稳定传输。
非视距微波常用技术有编码正交须分复用(CODM),是目前世界最先进和最具发展潜力的调制技术。它的实用价值就在于支持突破视距限制的应用,是一种可在无线电须谱资源方面充分利用的技术,对噪声和干扰有很好的免疫力。 
(3)微波通信系统的组成 
①微波通信系统框图

②微波通信系统设备的组成
a.发信机
发信机包括中频放大器、混倾器、单向器,滤被器、功有放大器等。由调制器和中里设备送来的中频已调信号经发信机的中频放大海放大后,送到发信混顺器,经发信混领,将中领已调信号变为微波已调信号,由单向器和滤波器取出混频后的一个边带(上边带或下边带),由功率放大器把微波已调信号放大到额定电平,经分路滤波器送住天线。
b.收信机
数学微波的收信设备和解调设备组成了收信系统,也瓷是收信机。这里所讲的收信设备只包括射颜和中顷两部分,目前收信设备都采用外插式收信方案,而解调设备是从中频输出中解调出数字基带信号。
c.微波天线
现广泛应用的微被天线是卡寒格伦天线,它是一种具有双反射器的天线系统,由初极幅射器、双曲面削反射器和抛物形反时面三部分相成,在微波通信系统中也有采用喇叭抛物面天线的,它是由大口径圆形抛物面天线截割一部分而构成,其中激励部分由角锥喇叭一直延伸到反射面阳近,并与反射面构成一个整体。
③微波通信系统设备的性能指标
a.发信机
工作频段:从无线电频谱的划分来看,可以把频率为0.3GHz一300GHz的射频称为微波频率,而目前通常使用的微波频率围只有1GHz一40GHz,系统工作频率越高,越能获得较宽的通频带和较大的通信容量,也可以得到更尖锐的天线方向性和天线增益。但是,当频率较高时,雨、雾及水蒸气对电波的散射或吸收衰耗也会增加,造成电波衰落和接收信号电平下降。
输出功率:输出功率是指发信机输出端口处功率的大小。输出功率的确定与设备的用途、站距、度落能响及抗衰落方式等因素有关,顿率稳定度;在发信机的每个波道中,都有一个标称的射顾中心工作须率,用f0表示,工作频率的稳定度取决于发信本振源的频率稳定度,设实际工作频率与标称工作须率的最大偏差值为△f,则频率稳定度的定义为△ff0,对于采用PSK调制方式的数字微波通信系统而言,若发信机工作频率不稳,即有须率源移,这将使相干解调的有效信号幅度下降,误码率增加。对于PSK调制方式,通常要求频率稳定度为5×10-6-1×10-5。
c.收信机
工作频率:收信机是与发信机配合工作的,对于某一个中继段而言,前一个微波站的发信频率就是本收信机的收信频率。
收信本振的频率稳定度:接收的微波射频的频率稳定度是由发信机决定的。但是收信机输出的中频是收信本振与收信微波射频进行混频的结果,所以若收信本振偏离标称较多,就会使混频输出的中频偏离标称值。
噪声系数:是衡量收信机热噪声性能的一项指标。数字微波收信机的噪声系数一般为3.5一7dB,比模拟微波收信机的噪声系数小5dB左右。
通频带:收信机接收的已调波是一个频带信号,即已调波频谱的主要成分要占有一定的带宽。
收信机要使这个频带信号无失真地通过,就要具有足够的工作频带宽度,这就是通频带。
选择性:对某个波道的收信机而言,要求它只接收本波道的信号,对邻近波道的干扰、镜像频率干扰及本波道的收、发干扰等要有足够大的抑制能力,这就是收信机的选择性。
收信机的最大增益:天线收到的微波信号经馈线和分路系统到达收信机。由于受衰落的影响,收信机的输入电平在随时变动。要维持解调机正常工作,收信机的主中放输出应达到所要求的电平,例如要求主中放在752负载输出250mV(相当于-0.8dB)。但是收信机的输入端信号是很微弱的,假设其门限电平为-80dB,则此时收信机输出与输入的电平差就是收信机的最大增益。对于上面给出的数据,其最大增益为79.2dB。
自动增益控制范围:以自由空间传播条件下的收信电平为基准,当收信电平高于基准电平时,称为上衰落:低于基准电平时,称为下衰落。假定数字微波通信的上衰落为+5dB,下衰落为-40dB,其动态范围(即收信机输入电平变化范围)为45dB。当收信电平变化时,若仍要求收信机的额定输出电平不变,就应在收信机的中频放大器内设置自动增益控制(AGC)电路,使之当收信电平下降时,中放增益随之增大;收信电平增大时,中放增益随之减小。
d.微波天线
天线增益:它是指天线将发射功率往某一指定方向集中辐射的能力,从接收天线角度看,也可理解为天线收取某一指定方向来的电磁波的能力。
主瓣宽度:能量较集中的扇形面积,一般主瓣张角要求为1°一2°。
反射系数:天线与馈线应匹配良好,要求天线反射系数小于2%~4%。
反向防卫度:天线在主方向上的辐射功率(或接收功率)与反方向上辐射功率(或接收功率)之比称为反向防卫度。
交叉极化去耦:在采用双极化的微波天线中,由于天线本身结构的不均匀性及不对称,不同极化波(即垂直极化波和水平极化波)可在天线中互相耦合、互为干扰,因此要求天线具有良好的交叉极化去耦能力,在天线主瓣宽度内大于30dB。
2.2 卫星通信
(1)卫星通信系统的组成
卫星通信是利用人造地球卫星作为中继站转发或反射无线电信号,在两个或多个地球站之间进行的通信。卫星通信工作在微波频段。卫星通信系统由通信卫星、通信地球站分系统、跟踪遥测及指令分系统、监控管理分系统4部分组成。

①通信卫星主要有转发器和天线系统两部分组成。卫星转发器由接收机、发射机、变频器、本振、双工器等组成,由接收天线收到地球站发出的上行信号,经过低噪声放大器放大,然后由变频器变至下行频率,再经功率放大和发射天线发向地球。
②卫星通信地球站分系统由天线及其跟踪系统,低噪声放大器LNA)系统,高功率放大器(HPA)系统,上、下变频器系统,调制、解调器系统,基带变换及复用系统,站内控捌与监视系统,电源系统及其他站内辅助系统组成。
③跟踪强测及指令分系统在卫星地面控制中心,负贵卫星的控制操作,包括卫星发射后的指令和远地点马达点火,监测卫星轨道,维护卫星运行参数等。
④监控管理分系统由卫星所有者负责。其主要工作是监测卫星频谱,规范地球站发射性能,负责卫星通信系统的操作协调。
(2)卫星通信系统的工作频段
①UHF波段:400/200MHz
②L波段:1.6/15GHz
③C波段:6.4GHz
④X波段:8/7GHz
⑤Ku波段:14/11GHz、14.12GHz
⑥Ka波段:30/20GHz
(3)卫星通信地球站
卫星与地面链路的连接由卫星地球站实现。

①天线系统
天线系统包括天线机械系统、馈源及天线跟踪三部分。它是地球站的主要设备之一,直接决定着地球站的品质因素G/T值,即接收天线增益与噪声温度的比值。天线的作用是将地球站的发射功率有效地转换成电磁波的能量,并发向卫星,同时将分布于空间卫星发出的极微弱的电磁波能量有效地转换成同频信号的高频功率馈送给接收机。它应具有高增益、低旁瓣、强辐射、低噪声等特点。
②高功率放大器
高功率放大器是地球站发射部分的最后一级有源放大设备,是决定地球站有效全向辐射功率(EIRP)能力的关键部件之一。目前,地球站使用的高功率放大器主要有速调管高功率放大器、行波管高功率放大器和固态功率放大器。为了提高通信可靠性,大多数地球站的放大器都采用1+1或n+1冗余配置。
③低噪声接收器
低噪声接收器又称低噪声放大设备,是地球站接收分系统的第一级放大器。低噪声放大器应当具有较低的噪声温度、足够的带宽、较大的放大倍数等特点。由于地球站系统噪声温度基本上是天线噪声温度与低噪声放大器的噪声温度之和,因此低噪声放大器的噪声温度的大小直接决定着地球站系统噪声温度的大小,与地球站的G/T值有着密切的关系。
④上、下变频器
上、下变频器用于在射频与中频之间进行频谱搬移。另外,利用上、下变频器进行频谱搬移,还可以容易将已调信号放在所分配的射频频率位置上,从而使得调制、解调器规格统一。对上、下变频器的主要要求是无失真地进行频谱搬移。
⑤调制、解调器
来自地面的模拟或数字信号需经过某种方式调制才能发向空间进行传输,以提高信号传输信噪比及抗干扰能力。目前使用的调制、解调器有两类:一类是调频调制、解调器,多用于模拟信号的调制、解调:另一类是调相调制、解调器,一般是数字信号对载波的相位进行调制。
四、接入网
1.接入网的概念
接入技术可以分为有线接入技术和无线接入技术两类。
1.1 接入网在通信网中的位置
接入网(AN)的位置,在传统通信网上被称为用户环路,接入方式以铜双绞线为主,这种方式只能解决电话或低速数据的接入。其特点是业务单一,用户到本地交换机为点到点连接。20世纪90年代之后,通信网由单一业务的电话网逐步演变为多业务综合网,因此通信网的接入部分必须相应地具备数字化、宽带化、综合化的特征,以适应通信业务的飞速发展、各种业务量迅速增加的现实。接入部分传统做法是每一种业务网都需要单独的接入设施,即电话业务需要双绞线等电话接入设施,数据业务需要五类线等接入设施,图像业务需要同轴电缆等入户线路,这样既增加了建设成本,又加大了维护难度。因此必须设计一种独立于具体业务网的基础接入平台,它对上层所有业务流都透明传送,这个基接入平台被称为接入网。

1.2 接入网的定义
接入网是由业务节点接口(SNI)和相关用户网络接口(UNI)之间的一系列传送实体(例如线路和传输设施)组成的、为传送电信业务提供所需传送承载能力的实施系统,可经由维护管理接口(Q3)进行配置和管理。

1.3 接入网的接口定界
接入网由3个接口定界:用户网络接口、业务节点接口和维护管理接口。
1.4 接入网的功能
接入网包括5个基本功能:用户口功能(UPF)、业务口功能(SPF)、核心功能(CF)、传送功能(TF)和接入网系统管理功能(SMF)。
2.有线接入
2.1 铜线接入网
数字用户环路(DSL)技术是基于普通电话线的宽带接入技术,它在同一铜线上分别传送数据和语音信号,数据信号并不通过电话交换机设备,减轻了电话交换机的负载:并且不需要拨号且一直在线,属于专线上网方式。DSL包括非对称数字用户线路(ADSL)、速率自适应数字用户线路(RADSL)、高速率数字用户线路(HDSL)和超高速数字用户线路(VDSL)等。
(1)ADSL技术
①它是在一对普通铜线两端,各加装一台ADSL局端设备和远端设备而构成。

②ADSL传输带宽
ADSL基本上是运用频分复用(FDM)和离散多音频(DMT)的技术,将ADSL信号分割为多重信道。简单地说,一条ADSL线路(一条ADSL物理信道)可以分割为多条逻辑信道。通过在电话双绞线两端加装ADSL调制解调器,能够在电话线上提供9 Mbit//s的下行速率和1Mbit/s的上行速率,有效传输距离为3km~5km。
(2)VDSL技术
VDSL系统中使用了无载波调幅/调相技术、离散多音频等线路码技术。VDSL在短距离内的最大下传速率可达55Mbi/s,上传速率可达19.2Mbit/s,甚至更高。VDSL传输距离缩短,其传输距离通常为300~1000m。
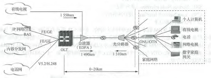
2.2 无源光网络
(1)无源光网络结构
无源光网络(PON)由光线路终端(OLT)、光合/分路器(Spliter)和光网络单元(ONU)/光网络终端(ONT)组成,采用树形拓扑结构。OLT放置在中心局端,分配和控制信道的连接,并有实时监控、管理及维护功能;ONU放置在用户侧,OLT与ONU之间通过无源光合/分路器连接。

PON使用波分复用技术,同时处理双向信号传输,上、下行信号分别用不同的波长在同一根光纤中传送。OLT到ONU/ONT的方向为下行方向,反之为上行方向。
(2)PON的优势
①更远的传输距离:采用光纤传输,接入层的覆盖半径可达20km。
②更高的带宽:下行速率可达2.5Gbit/s,上行速率可达1.25 Gbit/s,上、下行对称速率可达1.25Gbit/s。
③分光特性:局端单根光纤经分光后引出多路到户光纤,节省光纤资源。
(3)PON网络参考模型

ONU:Optical Network Unit(光网络单元)。
ONT:Optical Network Terminal(光网络终端)。
ODN:Optical Distribution Network(光分配网络)。
OLT:Optical Line Terminal(光线路终端)。
WDM:Wavelength Division Multiplex Module(波分复用模块).
NE:Network Element(网络单元)。
SNl:Service Node Interface(业务节点)。
UN:User Network Interface(用户网络接口)。
(4)PON的数据复用
PON系统采用WDM技术,实现单纤双向传输。为了分离一根光纤多个用户来去方向的信号,PON系统还采用了以下两种复用方式。下行数据流采用广播方式,由OLT发出的以太分组通过1:N的无源分光器到达ONU/OTN。上行数据流采用TDMA技术,就是给每个ONU/OTN分配一个固定长度或可变长度的时隙,每一个ONU/OTN在自己的时隙内发送以太分组。

2..3 光纤接入的应用类型
根据接入光纤的末端到用户的距离来分类,光纤接入(FTTx)可分为光纤到路边(FTTC)、光纤到大楼(FTTB)及光纤到户(FTTH)或光纤到办公室(FTTO)。
(1)光纤到路边光纤到路边的ONU设置在路边的人孔、电线杆的分线盒、交接箱等位置,从ONU到用户之间采用双绞线、同轴电缆等,是一种光缆/铜缆混合系统。
(2)光纤到大楼光纤到大楼的ONU直接放在楼内,再经铜线将业务分送到各个用户。FTTB的光纤化程度比FTTC更进一步,适合于高密度用户区,如写字楼等,通常采用点到多点的结构。
(3)光纤到户光纤到户的ONU位于用户家中,将光纤的距离延伸到终端用户家中,使得家庭内能提供各种不同的宽带服务。
(4)光纤到办公室光纤到办公室的ONU通常位于大企事业用户(公司、大学、研究所、政府机关等)的终端设备处,由于这些用户业务量大,因此这种结构发展很快,一般采用点对多点结构。
2.4 以太网无源光网络
以太网无源光网络(EPON)是将信息封装成以太网帧进行传输的PON。EPON系统可提供的业务类型主要包括语音、数据、视频等业务。EPON目前可以提供上下行对称速率为1.25Gbi/s的带宽,并且随着以太技术的发展会达到10Gbit/s,分光比为1:16、1:32。
(1)EPON组网PON系统采用WDM技术,实现单纤双向传输。

为了分离同一根光纤上多个用户的来去方向的信号,采用以下两种复用技术。
①下行数据流采用广播技术,波长为1490mm。
②上行数据流采用时分多址(TDMA)技术,波长为1310nm。
(2)EPON下行数据
下行数据采用广播方式。OLT连续发送广播,ONU选择性接收。

(3)EPON上行数据
①PON上行帧以时分复用的形式由各个ONU发送的数据包组成。
②各个ONU发送的上行数据流通过光分路器耦合进共用光纤,以时分复用模式(TTDM)复合成一个连续的数据流。
③每个ONU有一个TDM控制器,它与OLT的定时信息一起控制上行数据包的发送时刻,避免复合时数据发生碰撞和冲突。
④当ONU没有数据发送时,也需要填充OLT分配给自己的时隙。

2.5 吉比特无源光网络
吉比特无源光网络(GPON)是将信息封装成一种新的GPON封装方式(GEM)帧进行传输的PON。GPON同样下行数据流采用TDM广播发送、上行数据流采用TDMA的工作机制。需要注意的是,GEM在GPON内部终结,即GPON以外的系统无法看到GEM帧。GPON支持的用户接口更为丰富,如10GE、GE、FE、STM-1、El及POTS等,具有强大的支持多业务和OAM能力。
GPON提供以下几种异步传输速率:
0.15552Gbit/s up,1.24416Gbit/s down;
0.62208Gbit/s up,1.24416Gbit/s down:
1.24416Gbit/s up,1.24416Gbit/s down:
0.15552Gbit/s up,2.48832Gbit/s down;
0.62208Gbit/s up,2.48832Gbit/s down;
1.24416Gbit/sup,2.48832Gbit/s down(目前的主流支持速率);
2.48832Gbit/s up,2.48832Gbit/s down。
GPON支持的最大物理距离为20km,分光比为1:64、1:128。
3.无线接入
3.1 无线接入的概念和分类
无线接入是指在交换节点到用户终端之间的传输线路上,部分或全部采用了无线传输方式。无线接入技术主要包括微蜂窝技术、蜂窝技术、微波点对多点技术和卫星通信技术。由于无线接入技术无须敷设有线传输介质,具有很大的灵活性,是有线接入技术不可或缺的补充。根据用户终端的移动性,无线接入可以分为固定无线接入和移动无线接入。与移动通信系统相比,无线接入技术主要完成用户和已有通信网之间的信息传输,不需要建立完整的通信系统。
根据接入终端的移动性,无线接入可分为移动无线接入和固定无线接入两大类。固定无线接入技术的服务对象是固定位置的用户或仅在小范围内移动的用户群体;移动无线接入技术服务的对象是移动终端,即蜂窝移动电话系统。
(1)固定无线接入固定无线接入系统包括本地多点分配业务(LMDS)、多路多点分配业务(MMDS)等。固定无线接入的特点包括用户终端一般不具备移动性;对某一特定地域的固定用户提供接入;没有越区切换和漫游的功能等。
(2)移动无线接入移动无线接入是指用户终端能够在较大范围内移动的同时进行通信的接入技术。主要的移动无线接入系统包括峰窝移动通信、卫星移动系统、集群系统和无线局域等。移动无线接入的特点包括用户终端具有移动性:可以实现越区切换和漫游的功能。
3.2 无线局域网
WLAN是计算机网络与无线通信技术相结合的产物。它以无线多址信道作为传输介质,利用电磁波完成数据交互,实现传统有线局域网的功能。无线局域网的基础还是传统的有线局域网,是有线局域网的扩展和替换。
(1)WLAN协议标准
①802.11标准
1997年,美国电子电气工程师协会(EEE)制定,主要用于解决办公室局域网和校园网中用户与用户终端的无线接入,业务主要限于数据存取,传输速率最高达到2 Mbit/s。由于它在传输速率和传输距离上都不能满足人们的需要,802.11标准的无线产品已经不再生产。
②802.11b标准
1999年7月,EEE扩大了802.11应用标准,创建了802.11b标准。相比传统的以太网,该标准可以支持最高1M6its的数据传输速率。802.11b标准继承了802.11标准的无线信号频率标准,采用2.4GHz直接序列扩频。厂商也更乐意采用这一频率标准,因为这可以降低产品成本。另一方面,由于使用了未受规范的2.4GHz扩频,无线局域网信号也很容易被微波炉、无绳电话或者其他电器设备发出的信号所干扰。
802.11b标准的优点:成本低:信号辐射较好,不容易被阻隔。
802.11b标准的缺点:数据传输速率较低;信号容易受到干扰。
③802.11a标准
当802.11b标准还在发展之中的时候,EEE又创建了另一个无线局域网标准802.11a。由于802.11b标准比802.11a标准流行得更快,所以一些人就认为802.11a标准是在802.11b标准之后被创建的。其实,802.11a标准和802.11b标准几乎是在同一个时期被创建的。由于802,11a标准的成本较高,所以它主要是被应用在商业领域,而80211b标准则主要被用在家庭市场。802.11a标准提供的最高数据传输速率为54Mbit/s,工作在5GHz频段上。这一更高的频率也就意味着,使用802.11标准的信号更容易受到墙壁或者其他障碍物的影响。
由于802.11a标准和802.11b标准使用了不同的频率标准,因此这二者是互不兼容的。为此,有一些厂商在计算机中提供了802.11b网络模块,以便应对不同环境下的无线联网需要。
802.11a标准的优点:具有较高的数据传输速率,信号不易被干扰。
802.11a标准的缺点:成本较高;信号容易被障碍物阻隔。
④802.11g标准
在2002年和2003年,WLAN产品开始拥有了一个全新的802.11g标准。802.11g标准结合了802.11a标准和802.11b标准二者的优点,可以说是一种混合标准,它既能适应传统的802.11b标准,在2.4GHz频率下提供Mbit/s数据传输速率,也符合802.11a标准在5GHz频率下提供的56Mbit/s的数据传输速率。
802.11g标准的优点:较高的数据传输速率;信号质量好,不容易被阻隔。
802.11g标准的缺点:成本比802.11b标准高;电气设备可能会影响到2.4GHz频段信号。
⑤802.11n标准
该标准是EEE推出的最新标准。802.11n标准通过采用智能天线技术,可以将WLAN的数据传输速率提高到300Mbit/s甚至是600Mbit/s。得益于将多人多出(MIMO)与正交频分复用技术相结合而应用的MIMO OFDM技术,提高了无线传输质量,也使传输速率得到极大提升。
802.11标准采用了一种软件无线电技术,它是一个完全可编程的硬件平台,使得不同系统的基站和终端都可以通过这一平台的不同软件实现互通和兼容,使WLAN的兼容性得到极大改善。这意味着WLAN不但能实现802.11n标准向前后兼容,而且可以实现WLAN与无线广域网络的结合,比如3G。
802.11标准的优点:具有最快的数据传输速率和最广的信号覆盖范围:信号干扰影响较小。
802.11标准的缺点:标准没有被正式确定;成本较高:使用多个信号,容易干扰附近的802.11b/g网络。
(2)WLAN的基本技术在MAC层以下,EEE802.11WLAN规定了3种发送及接收技术。
①扩频技术:采用专门的调制技术,将调制后的信息扩展到很宽的频带上,主要包括跳频技术和直接序列扩频技术。
②窄带技术:数据基带信号的频谱不做任何扩展即被直接搬移到射频发射出去。
③红外技术:采用红外线作为传输媒体,具有非常高的频率,有较强的方向性。
(3)WLAN传输使用的频段
无线局域网采用微波和红外线作为传输介质,它们都属于电磁波的范畴。在无线传输频段中,WLAN技术属于高频传输,不同于短波广播、蜂窝电话等技术的频段。另外,WLAN属于高频也就决定了其对障碍物的穿透能力有限,需要通过较大功率天线才能提高型号覆盖能力。
(4)WLAN的网络结构
WLAN的拓扑结构可归结为两类:无中心的拓扑结构和有中心的拓扑结构。不同的网络结构形成了不同的服务集。
①无中心拓扑结构
无中心拓扑结构又称Ad hoc网络,或自组织网络、无固定设施网络等。无中心拓扑结构的WLAN要求网络中任意两个站点均可直接通信,但无法接入有线局域网。通信时,可与其他用户终端进行数据的转发。采用这种拓扑结构的WLAN一般使用公用广播信道,各站点都可竞争公用信道。信道接入控制(MAC)协议多采用载波监测多址接入(CSMA)类型的多址接入协议。
这种拓扑结构的特点是所有移动站点都处于平等地位;所有站点之间可直接通信无须中继;所有站点共享同一信道,竞争同一信道;网络抗毁性好、建网容易且费用较低。但当网中用户数(站点数)过多时,信道竞争将成为限制网络性能的要害。并且为了满足任意两个站点可直接通信的要求,网络站点布局受环境限制较大。因此,这种拓扑结构适用于用户数相对较少的情况。
②有中心拓扑结构
在有中心拓扑结构中,要求一个无线站点充当中心站,所有站点对网络的访问均由其控制。一个基本服务集(BSS)包括一个基站和若干个移动站,所有的站在本BSS以内都可以直接通信,但在和本BSS以外的站通信时,都要通过本BSS的基站。基本服务集内的基站叫作接入点(AP),它就是中心站。
一个基本服务集可以是孤立的,也可通过接入点连接到一个主干分配系统(DS),然后再接入到另个基本服务集,构成扩展的服务集(ESS)。这样当网络业务量增大时网络吞吐性能及网络时延性能不至于刷烈恶化。由于每个站点只需在AP覆盖范围内就可与其他站点通信,故AP布局受环境限制也小。此外,AP为接入有线主干网提供了一个逻辑接入点。

有中心拓扑结构的弱点是抗毁性差,AP的故障容易导致整个网络瘫痪,并且AP的引入增加了网络成本。在实际应用中,WLAN往往与有线主干网络结合起来使用。这时,AP充当WLAN与有线主干网的转接器。在较大规模的WLAN中,由于AP数量很多,为便于维护管理,往往引入AP控制器(Access Point Controller,AC)设备,采用AC+AP结构,即利用AC集中管理其管理区域内的AP。AC 负责把来自不同AP的数据进行汇聚并接入Internet,同时完成AP设备的配置管理、无线用户的认证、管理及宽带访问、切换、安全等控制功能。
(5)WLAN的特点和应用模式
WLAN的特点是:技术成熟度高,组网成本相对低廉:可为最终用户提供与P有线接入网络相当的接入带宽:不受接入线缆资源限制,最终用户可随时随地接入;建网快、工期短、投入风险小,可根据用户数量平滑扩容。
WLAN的应用模式有:临时办公、会议应用:共用GSM/3G天馈系统的室内分布式应用:室外可运营WLAN应用:远距离无线网桥应用:宽带无线小区应用。
五、支撑网
支撑网,是现代通信网的运行支持系统。支撑网包括信令网、同步网、通信管理网等。信令网用于传送信令信号;同步网用于提供全网同步时钟:通信管理网则利用计算机系统对全网进行统一管理。
1.信令网
通信设备之间任何有用信息的传送总是伴随着一些控制信息的传递,它们按照既定的通信协议,将应用信息安全、可靠、高效地传送到目的地。这些控制信息在通信网中称为信令。
信令的分类按照工作区域可分为用户线信令和局间信令;按照使用信道可分为随路信令和公共信道信令。
NO.7信令网是电话网、移动通信网、智能网等多种业务网的重要支撑网之一。No.7信令网可用各种业务网传送与电路无关的各种数据信息,实现网络的运行、管理、维护和开放各种补充业务。No.7信令网本质上是载送其他消息的数据传送系统,是一个专用的分组交换数据网。
1.1 No.7信令网的组成及信令方式
(1)No.7信令网的组成
由信令点(SP)、信令转接点(STP)和连接信令点及信令转接点间的信令链路(SL)组成。

①通信网中提供No.7信令功能的节点称为信令点。
②完成No.7信令消息转发功能的节点称为信令转接点。
③信令链路是指连接各个信令点,传送No.7信令消息的物理链路,由信令数据链路和信令终端组成。
(2)信令工作方式
按照通话电路与信令链路的关系,信令工作方式可分为对应工作方式(也叫直联方式)和准对应工作方式(也叫准直联方式)。
①对应工作方式
两个相邻信令点之间对应某信令关系的信令消息,通过直接连接那些信令点的链路组传送,这种工作方式称为对应工作方式。在这种工作方式下,两个交换局的信令消息通过一段直达的公共信道信令链来传送,而且该信令链是专为连接两个交换局的电路群服务的。
②准对应工作方式
在这种工作方式下,两个交换局之间的信令消息通过两段或两段以上串联的信令链路传送,并且只允许通过预先确定的路径和信令转接点。在准对应工作方式下,SP1和SP2间的信令消息是通过STP转接的,不是通过直达信令链路传送的。
1.2 我国信令网的网络结构
根据我国网络的实际情况,信令网采用3级结构:第1级是信令网的最高级,称高级信令转接点(HSTP);第2级是低级信令转接点LSTP);第3级为SP。
①第1级HSTP设在各省、自治区及直辖市,成对设置,负责转接它所汇接的第2级LSTP 和第3级SP的信令消息。
②第2级LSTP设在地级市,成对设置,负责转接它所汇接的第3级SP的信令消息。
③第3级SP是信令网传送各种信令消息的源点或目的地点,各级交换局、运营维护中心、网管中心和单独设置的数据库均分配一个信令点编码。
第1级HSTP间采用AB平面连接方式,它是网状连接方式的简化形式。A 和B平面内部各个HSTP网状相连,A和B平面间成对连接。

第2级LSTP至LSTP和未采用二级信令网的中心城市本地网中的第3级SP至LSTP间的连接方式采用分区固定连接方式。大、中城市两级本地信令网的SP至LSTP可采用按信令业务量大小连接的自由连接方式,也可采用分区固定连接方式。
2.同步网
在数字网中,在数字信号的接收、复用和交换过程中都要求实现同步,同步是保证通信质量的一个重要方面。同步是指信号之间在频率或相位上保特某种严格的特定关系,数字通信网同步的含义是要使通信网内运行的所有数字设备工作在一个相同的平均速率上,即数字通信网既要求频率同步,又要求相位同步。
2.1 同步的方式
解决数字网同步有两种方法:准同步和主从同步。准同步是指在网内某一主时钟局设置高精度和稳定度的时钟源,并以其作为基准时钟的频率控制其他各局的从时钟的频率。基准时钟源有两种,一种是铯原子全国基准时钟,另一种是在同步供给单元上配置全球定位系统组成的区域时钟。由于时钟精度高,网内各局的时钟虽不完全相同(频率和相位),但误差很小,接近同步,于是称之为准同步。主从同步是指在网内设一时钟主局,配有高精度时钟,网内各局均受控于该全局(即跟踪主局时钟,以主局时钟为定时基准),并且逐级下控,直到网络中的末端网元——终端局。
准同步方式一般用于因际数字网中,也就是一个国家与另一个因家的数字网之间采取这样的同步方式,例如中国和美国的国际局各有一个绝时钟,二者采用准同步方式。主从同步方式一般用于一个国家、地区内部的数字网,它的特点是国家或地区只有一个主局时钟,网上其他网元均以此主局时钟为基准来进行本网元的定时,为了增加主从定时系统的可靠性,可在网内设一个副时钟,采用等级主从控制方式。两个时钟均采用绝时钟,在正常时主时钟起网络定时基准作用,副时钟也以主时钟的时钟为基准。当主时钟发生故障时,改由副时钟给网络提供定时基准,当主时钟恢复后,再切换回由主时钟提供网络基准定时。
数字同步网是由节点时钟设备和定时链路组成的物理网络,为业务网络提供同步参考信号(定时信号)。它能准确地将同步信息从基准时钟向同步网络的各个节点传递,调节网络时钟,保持同步,满足通信网络传递业务信息对传输、交换、数据的性能要求。
2.2 我国同步网的网络结构
我国采用的同步方式是等级主从同步方式,其中主时钟在北京,副时钟在武汉。在采用主从同步时,上一级网元的定时信号通过一定的路由一同步链路或附在线路信号上从线路传输到下一级网元。该级网元提取此时钟信号,通过本身的锁相振荡器跟踪锁定此时钟,并产生以此时钟为基准的本网元所用的本地时钟信号,同时通过同步链路或通过传输线路(即将时钟信息附在线路信号中传输)向下级网元传输,供其跟踪、锁定。若本站收不到从上一级网元传来的基准时钟,那么本网元通过本身的内置锁相振荡器提供本网元使用的本地时钟并向下一级网元传送时钟信号。
数字网的同步方式除准同步和主从同步外,还有相互同步、外基准注入、异步同步(即低精度的准同步)等。外基准注入方式起到备份网络上重要节点的时钟的作用,以避免当网络重要节点的主时钟基准丢失,而本身内置时钟的质量又不够高,以至大范围影响网元正常工作的情况。外基准注入方法是利用卫星全球定位系统(Global Positioning System,GPS),在网元重要节点局安装GPS接收机,提供高精度定时,形成地区级基准时钟(Local Primary Reference,.LPR),该地区其他的下级网元在主时钟基准丢失后仍采用主从同步方式跟踪这个GPS提供的基准时钟。

2.3 主从同步网中从时钟的工作模式
在主从同步的数字网中,从站(下级站)的时钟通常有3种工作模式。
(1)正常工作模式一跟踪锁定上级时钟模式
从站跟踪锁定的时钟基准是从上一级传来的,可能是网中的主时钟,也可能是上一级网元内置时钟源下发的时钟,也可能是本地区的GPS时钟。与从时钟工作的其他两种模式相比较,这种从时钟的工作模式精度最高。
(2)保持模式当所有定时基准丢失后,从时钟进入保持模式,此时从时钟源利用定时基准信号丢失前所存储的最后频率信息作为其定时基准而工作。也就是说从时钟有“记忆”功能,通过“记忆”功能提供与原定时基准较相符的定时信号,以保证从时钟频率在长时间内与基准时钟频只有很小的频率偏差。但是由于振荡器的固有振荡频率会慢慢地漂移,因此这种工作方式提供的较高精度时钟不能持续很久。这种工作模式的时钟精度仅次于正常工作模式的时钟精度。
(3)自由运行模式一自由振荡模式当从时钟丢失所有外部基准定时,也失去了定时基准记忆或处于保持模式太长,从时钟内部振荡器就会工作于自由振荡方式。
2.4 主从同步时钟等级
主从同步时钟可按精度分为4个类型(级别),分别对应不同的使用范围:作为全网定时基准的主时钟:作为转接局的从时钟:作为端局(本地局)的从时钟:作为设备的时钟(即设备的内置时钟)。ITU-T将各级别的时钟进行了规范(对各级时钟精度进行了规范),时钟质量级别由高到低排列如下。
(1)基准主时钟:满足G811规范。
(2)转接局时钟:满足G812规范(中间局转接时钟)。
(3)端局时钟:满足G812规范(本地局时钟)。
(4)网络单元时钟:满足G813规范(网元内置时钟)。
3.通信管理网
3.1 基本概念
通信管理网(TMN)是ITU-T借鉴OSI中有关系统管理的思想及技术,为管理通信业务而定义的结构化网络体系结构,它使得网络管理系统与通信网在标准的体系结构下,按照标准的接口和标准的信息格式交换管理信息,从而实现网络管理功能。
TMN的基本原理之一就是使管理功能与通信功能分离。网络管理者可以从有限的几个管理节点管理通信网络中分布的通信设备。定义TMN的目的是提供一组标准接口,使对网络的操作、管理和维护及对网络单元的管理变得容易实现,所以TMN的提出很大程度上是为了满足网管各部分之间的互联性的要求。
TMN是收集、处理、传送和存储有关通信网维护、操作和管理信息的一种综合手段,为通信部门管理通信网起着支撑作用。TMN可以提供一系列功能,并能使各类操作系统之间通过标准接口进行通信联络,还能使操作系统与通信网各部门之间也通过标准接口进行联络。在TMN的体系结构中,有以下两个重要的组成部分。
(1)可管理的通信设各称作网络单元(NE)。
(2)管理系统,它通过内部管理者实体与NE通信,完成各种管理功能。

3.2 TMN的功能
TMN是用来支持通信网的。TMN的应用功能也就是TMN支持的网络管理功能,包括通信网的运营、管理、维护和补给四大类。这四大类管理功能在不同的管理机构中有不尽相同的含义,也并不要求这些功能包含所有的网络管理功能。TMN支持的网络管理功能,根据其管理的目的可以分成性能管理、故障管理(或维护管理)、配置管理、计费管理和安全管理5个功能域。
(1)性能管理典型的网络性能管理可以分成两大部分:性能监测和网络控制。
①性能监测指网络工作状态信息的收集和整理。
②网络控制则指为改善网络设备的性能而采取的动作和措施性能管理的目的是:在发现故障后进行搜索监测,在用户发现故障并报告后,去查找故障的发生位置:全局监测,及早发现故障苗头,在影响服务之前就及时将其排除;对过去的性能数据进行分析以获得资源利用情况及其发展趋势。
(2)故障管理故障管理是网络管理功能中与监测设备故障、故障设备的诊断、故障设备的恢复或故障排除等措施有关的网络管理功能,其目的是保证网络能够提供连接可靠的服务。
(3)配置管理网络的配置管理就是指配置网络中应有或实有多少设备,每个设备的功能及其连接关系和工作参数等。
(4)计费管理计费管理的功能是提供对网络中资源占有情况的记录,测量网络中各种服务的使用情况和决定它们的使用费用,完成资源使用费的核算等。它包括账单管理、资费管理、收费与资金管理、财务审计管理。
(5)安全管理安全管理是保证现有运行网络安全的一系列功能,对无权操作的人员进行限制,保证只有经授权的操作人员才允许存取数据。
六、软件定义网络
软件定义网络的整体构架软件定义网络(SDN)的最大特点就是可以对网络进行编程。SDN 技术是通过增加对网络的可编程性来革新当前偏重静态、配置复杂、改动麻烦的网络架构。
1.SDN的网络构架
开放网络基金会(ONF)定义的SDN网络架构分为3个平面,从下向上分别是:数据平面(基础设施层)、控制平面(控制层)和应用平面(应用层)组成。

(1)基础设施层:基础设施层包括标准化网络设备和虚拟的网络设备,负责多级流表处理和高性能的数据转发,作为硬件资源池为控制层提供按需的网络拓扑、数据处理和数据转发。
(2)控制层:这一层上最重要的就是SDN控制器(SDN Controller),SDN控制器是SDN网络中的核心组件,担任着控制网络流量的重要任务。
(3)应用层:应用层为各种网络应用需求,如移动视频、企业应用商店、桌面云、物联网、PV6等,通过北向接口灵活、可编程地调用控制层提供的统一的网络抽象模型y业务功能。
1.1 技术特点
(1)数据平面与控制平面的分离,简化了网络设备,通过控制平面功能的集中和规范数据平面和控制平面之间的接口,实现对不同厂商的设备进行统一、灵活、高效的管理和维护。
(2)开放网络编程能力,以API的形式将底层网络能力提供给上层,实现对网络的灵活配置和多类型业务的支持,提高对网络和资源控制的精细化程度。
(3)支持业务的快速部署,简化业务配置流程,具有灵活的网络扩展能力,降低设备配置风险,提高网络运营效率。
(4)更好地支持用户个性化定制业务的实现,为网络运营商提供便捷的业务创新平台。
(5)实现网络的虚拟化,将传输、计算、存储等能力融合,在集中式控制的网络环境下,有效调配网络资源支持业务目标的实现和用户需求,提供更高的网络效率和良好的用户体验。
2.软件定义网络的关键技术
2.1 OpenFlow
从SDN的起源可以看出,OpenFlow协议是SDN实现控制与转发分离的基础。OpenFlow协议是用来描述控制器和OpenFlow交换机之间交互所用信息的接口标准,其核心是OpenFlow协议信息的集合。下面主要以OpenFlow vl.0为主介绍OpenFlow协议的基本架构。

OpenFlow交换机利用基于安全连接的OpenFlow协议与远程控制器相通信。其中,流表(Flow Table)是OpenFlow交换机的关键组件,负责数据包的查询和转发。另外,OpenFlow交换机还需要通过一个安全通道与外部的控制器进行通信,这个安全通道上传输的是OpenFlow协议,它将负责传递控制器和交换机之间的管理和控制信息。因此,流表、安全通道及OpenFlow协议是OpenFlow v1.0的核心部分。
(1)流表
可被视为是OpenFlow对网络设备的数据转发功能的一种抽象。在传统的网络设备中,交换机和路由器的数据转发需要依赖设备中保存的二层MAC地址或者三层P地址路由表,而OpenFlow交换机中使用的流表也是如此,不过在它的表项中整合了网络中各个层次的网络配置信息,从而在进行数据转发时可以使用更丰富的规则。OpenFlow流表的每个流条目由三部分组成:
①用于数据包匹配的包头域(Header Fields);
②用于统计匹配数据包个数的计数器(Counters);
③用于展示匹配的数据包如何处理的动作(Actions)。
(2)安全通道
OpenFlow采用的是集中控制方式,控制器需要利用OpenFlow协议对交换机进行流表的配置,因此在它们之间传送信息的通道非常重要。通道是连接OpenFlow交换机到控制器的接口,控制器通过这个接口管理和控制OpenFlow交换机,同时也通过这个接口接收来自OpenFlow交换机的消息。在具体的通道实现中,OpenFlow v1.0要求承载OpenFlow协议传送的通道必须是安全的,并规定通道需要采用安全传输协议(TLS)技术。
(3)OpenFlow协议
OpenFlow协议支持3种消息类型:控制器到交换机(Controller--to-Switch)消息、异步(Asynchronous)消息和对称(Symmetric)消息。而每一类消息又可以拥有多个子消息类型。其中,Controller--to-Switch消息由控制器发起,用来管理或获取OpenFlow交换机状态;Asynchronous 消息由OpenFlow交换机发起,用来将网络事件或交换机状态变化更新到控制器;Symmetric消息可由交换机或控制器发起。
2.2 SDN中的两个接口
(1)南向接口:位于数据平面和控制平面之间的接口,负责SDN控制器与网络单元之间的数据交换和交互操作。通过将转发过程抽象为流表,控制器可直接控制流表、屏蔽硬件,实现了网络虚拟化。OpenFlow就是工作在南向接口的协议。
(2)北向接口:位于控制平面与应用平面之间,上层的应用程序通过北向接口获取下层的网络资源,并通过北向接口向下层网络发送数据。

 
                
            
         浙公网安备 33010602011771号
浙公网安备 33010602011771号