西门子串口通讯02-通讯硬件与连接
西门子串口通讯02-通讯硬件与连接
西门子支持的串口通信硬件:
在SIMATIC S7系列产品中包括多种不同等级、不同功能、适合不同应用场合的串行通信模块。
CP340/341/440/441 模块特性对照:
S7-300/400 PLC 主要的串行通信模块及模块特性,如图 1 所示。

图1
S7-300/400 串行通信模块列表
注意:对于Modbus通讯协议方式,每个通讯模块都需要配置一个Modbus主站或从站硬件狗(Dongle)。
下图列出了目前最新产品的订货信息,仅供参考,订货时请以相关产品手册或供货商提供信息为准,如图 2 所示。

图2
S7-300/400 串行通信模块订货信息
各种接口的连接方式
S7-300/400 支持的串口模块集成接口和接口子模块常用有 RS232C 和 RS422/485 两种。
2.2.1 RS232C 接口
1.接口定义
CP340/341集成 RS 232C 口和
RS 232C 接口子模块的前面板上 9 针 Sub-D 型公连接器的针脚分配,如图 3 所示。

图3
RS232C 9 针 Sub-D 型针头公连接器的针脚图
2.电缆连接
RS232C电缆连接:9针对9针连接示意图,如图 4 所示。

图4
RS232C电缆连接 9针对9针
常用的是三线制接法,如图 5 所示。

图5
RS232C 常用三线制
2.2.3 RS422/485 接口
1.接口定义
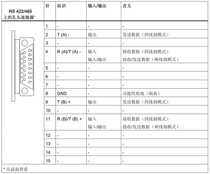
CP340/341/440 集成 RS422/485 口和 RS422/485 接口子模块的前面板上 15 针 Sub-D 型孔头连接器的针脚分配,如图 6 所示。

图6
RS422/485 接口 15 针 Sub-D 型孔头连接器的针脚图
2.电缆连接
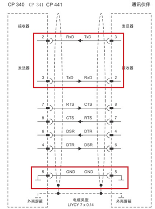
RS422 接口电缆连接,如图 7 所示。

图7
RS422接口电缆连接图
RS485 接口电缆连接,如图 8 所示。

图8
RS485接口电缆连接图
注意:1)如果电缆长度超过50米,则必须在接收方上焊接一个约 330 ohm的终端电阻,以确保数据传输畅通无阻。
接线相关的常见问题
1.问:RS422/485接口,按照 RS485 方式接线,是否需要外部短接2和4,9和11?
答:组态选择成 RS485 方式,内部已经短接2和4,9和11,不需要外部短接线,直接接4-,11+即可。
2.问:RS422/485 接口的 15针的Sub-D 型头是孔,还是针?
答:是孔,即母头。
3.问:西门子是否用于RS485接口(15针)的通讯电缆?
答:无此种电缆,需要客户自行购买15针D型头,自己焊接4和11,在2.1章节图 2 中的RS422/485电缆是用于RS422方式,不是RS485方式。
4.问: RS485方式通讯,一对多站点时,应采用那种网络拓扑结构?
答:网络拓扑一般采用终端匹配的总线型结构,不支持星型或树形。
5.问:RS485方式做Modbus RTU主站,可以带多少个从站?
答:理论上一个网段可以带31个从站,如果超出31个,可以考虑增加RS485中继器(第三方),加一个中继器可以再增加31个从站,但是实际上多站点之间是一个个轮询操作,站点多需要考虑轮询一圈的时间是否可满足工艺要求。
6.问:CP341的RS422/485模块,按照 RS485 方式通讯,实际未接外部线缆,仅硬件组态下载,模块的SF灯亮?
答:检查参数是否配置;硬件组态中的接口选项是否改成RS485(默认的是RS422,会断线检测,未接线报故障),如图 9 所示;模块是否故障。

图9 CP341 参数中接口设置
7.问:怎么构建一个RS422/485的Modbus 主站带从站多点网络?
答:多点网络接线图如下:

图10 RS422多点接线图

图11 RS485多点接线图
关注微信公众号:工控自动化老王,获取更多工控技术文档及海量工控资源!

浙公网安备 33010602011771号