小灯部分总分析
点亮小灯
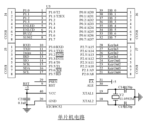
硬件分析

该节内容以LED2为例
分析LED部分:
欲点亮LED2,则LED2需导通状态
Q16导通,DB0低电平时,此时LED2有压降,则LED2可导通
分析74HC245芯片:
72HC245
19号OE号脚,为使能引脚,该引脚接地,所以是低电平,该引脚低电平有效,故74HC245芯片可作用
1号脚是方向引脚,接VCC,故是高电平,所以是A编号引脚控制B编号引脚
A1号脚低电平则B1号脚低电平,即DB_0低电平则DB0低电平 ^DBX-0
分析74HC138芯片:
74HC138
4号脚E1为低电平有效,5号脚E2低电平有效,E3高电平有效
欲达到上述效果,则
ENLED低电平,此时E1和E2均为低电平
ADDR3高电平,此时E3高电平
此时,该芯片可正常使用
欲使Q16导通,则LEDS6需要为低电平,此时Q16才有压降,才可以导通
欲使LEDS6低电平,查真值表后,需要3号脚A2为高电平,2号脚A1为高电平,1号脚A0为低电平
欲达到以上效果,则
ADDR0为低电平,则A0为低电平
ADDR1为高电平,则A1为高电平
ADDR2为高电平,则A2为高电平 ^Q16-1
分析跳线部分:

欲时ADDR0低电平,则P1.0需要低电平
欲使ADDR1高电平,则P1.1需要高电平
欲使ADDR2高电平,则P1.2需要高电平
欲使ADDR3高电平,则P1.3需要高电平

欲使DB_0低电平,则P0.0需要低电平
欲使ENLED低电平,则P1.4需要低电平
综上:
欲电亮小灯,
P0.0低电平,等效于DB_0低电平
P1.0低电平,等效于ADDR0低电平
P1.1高电平,等效于ADDR1高电平
P1.2高电平,等效于ADDR2高电平
P1.3高电平,等效于ADDR3高电平
P1.4低电平,等效于ENLED低电平
代码
仓库
仓库地址:https://gitee.com/EricsT/51_microcontrollers/tree/master/LED
点亮 LED2
#include<reg52.h>
sbit LED = P0 ^ 0;
sbit ADDR0 = P1 ^ 0;
sbit ADDR1 = P1 ^ 1;
sbit ADDR2 = P1 ^ 2;
sbit ADDR3 = P1 ^ 3;
sbit ENLED = P1 ^ 4;
void main()
{
ENLED = 0;
ADDR3 = 1;//U3 74HC138芯片使能
ADDR2 = 1;
ADDR1 = 1;
ADDR0 = 0;//三极管导通
LED = 0;//灯亮
while (1);
}
点亮LED3
#include<reg52.h>
sbit LED = P0 ^ 1;
sbit ADDR0 = P1 ^ 0;
sbit ADDR1 = P1 ^ 1;
sbit ADDR2 = P1 ^ 2;
sbit ADDR3 = P1 ^ 3;
sbit ENLED = P1 ^ 4;
void main()
{
ENLED = 0;
ADDR3 = 1;//U3 74HC138芯片使能
ADDR2 = 1;
ADDR1 = 1;
ADDR0 = 0;//三极管导通
LED = 0;//灯亮
while (1);
}
点亮LED4
#include<reg52.h>
sbit LED = P0 ^ 2;
sbit ADDR0 = P1 ^ 0;
sbit ADDR1 = P1 ^ 1;
sbit ADDR2 = P1 ^ 2;
sbit ADDR3 = P1 ^ 3;
sbit ENLED = P1 ^ 4;
void main()
{
ENLED = 0;
ADDR3 = 1;//U3 74HC138芯片使能
ADDR2 = 1;
ADDR1 = 1;
ADDR0 = 0;//三极管导通
LED = 0;//灯亮
while (1);
}
点亮LED5
#include<reg52.h>
sbit LED = P0 ^ 3;
sbit ADDR0 = P1 ^ 0;
sbit ADDR1 = P1 ^ 1;
sbit ADDR2 = P1 ^ 2;
sbit ADDR3 = P1 ^ 3;
sbit ENLED = P1 ^ 4;
void main()
{
ENLED = 0;
ADDR3 = 1;//U3 74HC138芯片使能
ADDR2 = 1;
ADDR1 = 1;
ADDR0 = 0;//三极管导通
LED = 0;//灯亮
while (1);
}
点亮LED6
#include<reg52.h>
sbit LED = P0 ^ 4;
sbit ADDR0 = P1 ^ 0;
sbit ADDR1 = P1 ^ 1;
sbit ADDR2 = P1 ^ 2;
sbit ADDR3 = P1 ^ 3;
sbit ENLED = P1 ^ 4;
void main()
{
ENLED = 0;
ADDR3 = 1;//U3 74HC138芯片使能
ADDR2 = 1;
ADDR1 = 1;
ADDR0 = 0;//三极管导通
LED = 0;//灯亮
while (1);
}
点亮LED7
#include<reg52.h>
sbit LED = P0 ^ 5;
sbit ADDR0 = P1 ^ 0;
sbit ADDR1 = P1 ^ 1;
sbit ADDR2 = P1 ^ 2;
sbit ADDR3 = P1 ^ 3;
sbit ENLED = P1 ^ 4;
void main()
{
ENLED = 0;
ADDR3 = 1;//U3 74HC138芯片使能
ADDR2 = 1;
ADDR1 = 1;
ADDR0 = 0;//三极管导通
LED = 0;//灯亮
while (1);
}
点亮LED8
#include<reg52.h>
sbit LED = P0 ^ 6;
sbit ADDR0 = P1 ^ 0;
sbit ADDR1 = P1 ^ 1;
sbit ADDR2 = P1 ^ 2;
sbit ADDR3 = P1 ^ 3;
sbit ENLED = P1 ^ 4;
void main()
{
ENLED = 0;
ADDR3 = 1;//U3 74HC138芯片使能
ADDR2 = 1;
ADDR1 = 1;
ADDR0 = 0;//三极管导通
LED = 0;//灯亮
while (1);
}
点亮LED9
#include<reg52.h>
sbit LED = P0 ^ 7;
sbit ADDR0 = P1 ^ 0;
sbit ADDR1 = P1 ^ 1;
sbit ADDR2 = P1 ^ 2;
sbit ADDR3 = P1 ^ 3;
sbit ENLED = P1 ^ 4;
void main()
{
ENLED = 0;
ADDR3 = 1;//U3 74HC138芯片使能
ADDR2 = 1;
ADDR1 = 1;
ADDR0 = 0;//三极管导通
LED = 0;//灯亮
while (1);
}
小灯闪烁
LED2闪烁
#include <reg52.h>
sbit LED = P0 ^ 0;
sbit ADDR0 = P1 ^ 0;
sbit ADDR1 = P1 ^ 1;
sbit ADDR2 = P1 ^ 2;
sbit ADDR3 = P1 ^ 3;
sbit ENLED = P1 ^ 4;
void main()
{
unsigned int i = 0;
ENLED = 0;
ADDR3 = 1;//U3 74HC138芯片使能
ADDR2 = 1;
ADDR1 = 1;
ADDR0 = 0;//三极管导通
while (1)
{
LED = 0;//灯亮
for (i = 0; i < 30000; ++i);//非精确延时
LED = 1;//灯灭
for (i = 0; i < 30000; ++i);//非精确延时
}
}
LED3闪烁
#include <reg52.h>
sbit LED = P0 ^ 1;
sbit ADDR0 = P1 ^ 0;
sbit ADDR1 = P1 ^ 1;
sbit ADDR2 = P1 ^ 2;
sbit ADDR3 = P1 ^ 3;
sbit ENLED = P1 ^ 4;
void main()
{
unsigned int i = 0;
ENLED = 0;
ADDR3 = 1;//U3 74HC138芯片使能
ADDR2 = 1;
ADDR1 = 1;
ADDR0 = 0;//三极管导通
while (1)
{
LED = 0;//灯亮
for (i = 0; i < 30000; ++i);//非精确延时
LED = 1;//灯灭
for (i = 0; i < 30000; ++i);//非精确延时
}
}
LED4闪烁
#include <reg52.h>
sbit LED = P0 ^ 2;
sbit ADDR0 = P1 ^ 0;
sbit ADDR1 = P1 ^ 1;
sbit ADDR2 = P1 ^ 2;
sbit ADDR3 = P1 ^ 3;
sbit ENLED = P1 ^ 4;
void main()
{
unsigned int i = 0;
ENLED = 0;
ADDR3 = 1;//U3 74HC138芯片使能
ADDR2 = 1;
ADDR1 = 1;
ADDR0 = 0;//三极管导通
while (1)
{
LED = 0;//灯亮
for (i = 0; i < 30000; ++i);//非精确延时
LED = 1;//灯灭
for (i = 0; i < 30000; ++i);//非精确延时
}
}
LED5闪烁
#include <reg52.h>
sbit LED = P0 ^ 3;
sbit ADDR0 = P1 ^ 0;
sbit ADDR1 = P1 ^ 1;
sbit ADDR2 = P1 ^ 2;
sbit ADDR3 = P1 ^ 3;
sbit ENLED = P1 ^ 4;
void main()
{
unsigned int i = 0;
ENLED = 0;
ADDR3 = 1;//U3 74HC138芯片使能
ADDR2 = 1;
ADDR1 = 1;
ADDR0 = 0;//三极管导通
while (1)
{
LED = 0;//灯亮
for (i = 0; i < 30000; ++i);//非精确延时
LED = 1;//灯灭
for (i = 0; i < 30000; ++i);//非精确延时
}
}
LED6闪烁
#include <reg52.h>
sbit LED = P0 ^ 4;
sbit ADDR0 = P1 ^ 0;
sbit ADDR1 = P1 ^ 1;
sbit ADDR2 = P1 ^ 2;
sbit ADDR3 = P1 ^ 3;
sbit ENLED = P1 ^ 4;
void main()
{
unsigned int i = 0;
ENLED = 0;
ADDR3 = 1;//U3 74HC138芯片使能
ADDR2 = 1;
ADDR1 = 1;
ADDR0 = 0;//三极管导通
while (1)
{
LED = 0;//灯亮
for (i = 0; i < 30000; ++i);//非精确延时
LED = 1;//灯灭
for (i = 0; i < 30000; ++i);//非精确延时
}
}
LED7闪烁
#include <reg52.h>
sbit LED = P0 ^ 5;
sbit ADDR0 = P1 ^ 0;
sbit ADDR1 = P1 ^ 1;
sbit ADDR2 = P1 ^ 2;
sbit ADDR3 = P1 ^ 3;
sbit ENLED = P1 ^ 4;
void main()
{
unsigned int i = 0;
ENLED = 0;
ADDR3 = 1;//U3 74HC138芯片使能
ADDR2 = 1;
ADDR1 = 1;
ADDR0 = 0;//三极管导通
while (1)
{
LED = 0;//灯亮
for (i = 0; i < 30000; ++i);//非精确延时
LED = 1;//灯灭
for (i = 0; i < 30000; ++i);//非精确延时
}
}
LED8闪烁
#include <reg52.h>
sbit LED = P0 ^ 6;
sbit ADDR0 = P1 ^ 0;
sbit ADDR1 = P1 ^ 1;
sbit ADDR2 = P1 ^ 2;
sbit ADDR3 = P1 ^ 3;
sbit ENLED = P1 ^ 4;
void main()
{
unsigned int i = 0;
ENLED = 0;
ADDR3 = 1;//U3 74HC138芯片使能
ADDR2 = 1;
ADDR1 = 1;
ADDR0 = 0;//三极管导通
while (1)
{
LED = 0;//灯亮
for (i = 0; i < 30000; ++i);//非精确延时
LED = 1;//灯灭
for (i = 0; i < 30000; ++i);//非精确延时
}
}
LED9闪烁
#include <reg52.h>
sbit LED = P0 ^ 7;
sbit ADDR0 = P1 ^ 0;
sbit ADDR1 = P1 ^ 1;
sbit ADDR2 = P1 ^ 2;
sbit ADDR3 = P1 ^ 3;
sbit ENLED = P1 ^ 4;
void main()
{
unsigned int i = 0;
ENLED = 0;
ADDR3 = 1;//U3 74HC138芯片使能
ADDR2 = 1;
ADDR1 = 1;
ADDR0 = 0;//三极管导通
while (1)
{
LED = 0;//灯亮
for (i = 0; i < 30000; ++i);//非精确延时
LED = 1;//灯灭
for (i = 0; i < 30000; ++i);//非精确延时
}
}
流水灯
右向左
#include <reg52.h>
sbit ADDR0 = P1 ^ 0;
sbit ADDR1 = P1 ^ 1;
sbit ADDR2 = P1 ^ 2;
sbit ADDR3 = P1 ^ 3;
sbit ENLED = P1 ^ 4;
void main()
{
unsigned int i = 0;
char cnt = 0;
ENLED = 0;
ADDR3 = 1;//U3 74HC138芯片使能
ADDR2 = 1;
ADDR1 = 1;
ADDR0 = 0;//三极管导通
while (1)
{
if (8 == cnt)//到最左边,需要进行复位,点亮最右边
cnt = 0;
P0 = ~(1 << cnt);
cnt++;
for (i = 0; i < 30000; ++i);//非精确延时
}
}
左向右
#include <reg52.h>
sbit ADDR0 = P1 ^ 0;
sbit ADDR1 = P1 ^ 1;
sbit ADDR2 = P1 ^ 2;
sbit ADDR3 = P1 ^ 3;
sbit ENLED = P1 ^ 4;
void main()
{
unsigned int i = 0;
char cnt = 7;
ENLED = 0;
ADDR3 = 1;//U3 74HC138芯片使能
ADDR2 = 1;
ADDR1 = 1;
ADDR0 = 0;//三极管导通
while (1)
{
if (-1 == cnt)//到最右边,需要进行复位,点亮最左边
cnt = 7;
P0 = ~(1 << cnt);
cnt--;
for (i = 0; i < 30000; ++i);//非精确延时
}
}
由右开始循环
#include <reg52.h>
sbit ADDR0 = P1 ^ 0;
sbit ADDR1 = P1 ^ 1;
sbit ADDR2 = P1 ^ 2;
sbit ADDR3 = P1 ^ 3;
sbit ENLED = P1 ^ 4;
void main()
{
unsigned int i = 0;
char cnt = 0;
char isLeft = 1;//自右向左标志位
ENLED = 0;
ADDR3 = 1;//U3 74HC138芯片使能
ADDR2 = 1;
ADDR1 = 1;
ADDR0 = 0;//三极管导通
while (1)
{
if (isLeft)
{
if (8 == cnt)//到最左边,需要回到左边起第二位,同时改变方向
{
cnt = 6;
isLeft = 0;
}
}
else
{
if (-1 == cnt)//到最右边,需要回到右边起第二位,同时改变方向
{
cnt = 1;
isLeft = 1;
}
}
P0 = ~(1 << cnt);
if (isLeft)
cnt++;
else
cnt--;
for (i = 0; i < 30000; ++i);//非精确延时
}
}
由左开始循环
#include <reg52.h>
sbit ADDR0 = P1 ^ 0;
sbit ADDR1 = P1 ^ 1;
sbit ADDR2 = P1 ^ 2;
sbit ADDR3 = P1 ^ 3;
sbit ENLED = P1 ^ 4;
void main()
{
unsigned int i = 0;
char cnt = 7;
char isLeft = 0;//自右向左标志位
ENLED = 0;
ADDR3 = 1;//U3 74HC138芯片使能
ADDR2 = 1;
ADDR1 = 1;
ADDR0 = 0;//三极管导通
while (1)
{
if (isLeft)
{
if (8 == cnt)//到最左边,需要回到左边起第二位,同时改变方向
{
cnt = 6;
isLeft = 0;
}
}
else
{
if (-1 == cnt)//到最右边,需要回到右边起第二位,同时改变方向
{
cnt = 1;
isLeft = 1;
}
}
P0 = ~(1 << cnt);
if (isLeft)
cnt++;
else
cnt--;
for (i = 0; i < 30000; ++i);//非精确延时
}
}
小灯以1s频率闪烁
#include <reg52.h>
sbit LED = P0 ^ 0;
sbit ADDR0 = P1 ^ 0;
sbit ADDR1 = P1 ^ 1;
sbit ADDR2 = P1 ^ 2;
sbit ADDR3 = P1 ^ 3;
sbit ENLED = P1 ^ 4;
void main()
{
unsigned int i = 0;
unsigned char cnt = 0;//定时器超时次数
ENLED = 0;
ADDR3 = 1;//U3 74HC138芯片使能
ADDR2 = 1;
ADDR1 = 1;
ADDR0 = 0;//三极管导通
TMOD = 0x01;//设置定时器T0运行模式为模式1
TH0 = 0xB8;
TL0 = 0x00;//设置定时器T0的初始值
LED = 0;//灯亮
TR0 = 1;//定时器T0开始工作
while (1)
{
if (1 == TF0)//定时器T0溢出,即过了0.02s
{
TF0 = 0;//定时器T0的溢出标志复位
TH0 = 0xB8;
TL0 = 0x00;//设置定时器T0的初始值
cnt++;
if (cnt >= 50)//超出50次,即过了1s
{//进行一次新的1s
LED = ~LED;//灯的状态改变
cnt = 0;
}
}
}
}
本文来自博客园,作者:EricsT,转载请注明原文链接:https://www.cnblogs.com/EricsT/p/19001468

浙公网安备 33010602011771号