SR9900 USB2.0百兆网卡控制器芯片数据手册,SR9900规格书
SR9900是一个高集成度、超低功耗、单芯片USB 2.0转10/100M以太网控制电路。为各类应用增加低成本、小型封装、即插即用的快速以太网功能,可用于台 式电脑、笔计本电脑、超便携式电脑、平板电脑、托架/ 端口复制器/扩展坞、游戏机、智能家居及任何有USB接 口的嵌入式设备。
SR9900主要特点
单芯片USB2.0转10/100M快速以太网控制器
USB设备接口
集成USB2.0收发器,符合USB2.0 协议
支持USB全速及高速模式
快速10/100M以太网接口
集成10/100M快速以太网MAC和PHY模块
兼容IEEE 802.3 10Base-T/100Base-TX
兼容IEEE 802.3 100Base-FX
支持IEEE 802.3az-2010(EEE)节能模式
支持休眠模式时的极低功耗睡眠模式
支持通过GPIO管脚禁用网络功能
支持SPI Flash及串行EEPROM
支持CDC-ECM
内置OTP存储器,可在线更新USB设备描述符等设置


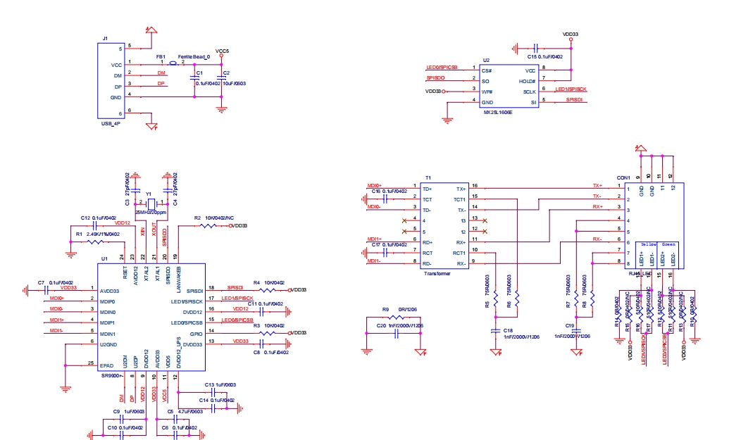
SR9900参考设计原理图

应用范围
USB以太网适配器
网络打印机
支付终端读卡器
移动互联网装置
上网本、个人平板电脑
移动终端
多媒体网关
游戏机、移动媒体播放器
IP机顶盒、IPTV、DVD、DVR等
posted on 2025-07-25 16:43 TEL13699759787 阅读(338) 评论(0) 收藏 举报
浙公网安备 33010602011771号