PL2586替代汤铭FE1.1s/工业级USB 2.0 HUB芯片|MA8601升级版本
PL2586是USB 2.0高速4端口集线器控制器的高性能解决方案,完全符合通用串行总线规范2.0。控制器继承了先进的串行接口技术,当4个DS(下游)端口同时工作时,功耗最低。
PL2586是一项创新,它集成了符合USB-IF“电池充电规范修订版1.2”的功能,支持便携式设备的快速充电功能。此功能将PL2586转变为“通用充电解决方案”(UCS)兼容的基于电池的便携式设备的USB充电集线器,由GSMA推广。当在下游端口检测到符合B.C.标准的便携式设备时,PL2586中的专用端口可以处理充电请求。而且,在握手完成后,PL2586允许便携式设备达到900mA(高速);1.5A(低速/全速)来自充电下游端口(CDP)或1.5A来自专用充电端口(DCP)。
PL2586采用单事务转换器(STT)和联合电源管理,以达到经济高效的目的。用户还可以通过外部EEPROM实现多个集线器配置选项。
PL2586支持针对主流独立4端口集线器市场的QFN24和SSOP28封装方式。
2.特点
符合USB规范修订版2.0
上游端口支持高速(480MHz)和全速(12MHz)通信
可配置的4/3/2下游端口支持高速、全速和低速
符合USB电池充电规范第1.2版
集成上游1.5KΩ上拉下游15KΩ下拉电阻器
下游端口的联合功率控制和全局过流检测
领先的低功耗USB2。0集线器
自动重新枚举,用于在自供电模式和总线供电模式之间切换
用于定制信息存储的外部EEPROM接口
4个下游端口LED(启用绿色)和一个活动/暂停LED(红色)
一个用于4个端口的联合下游端口LED(启用绿色)和一个激活/暂停LED(红色)
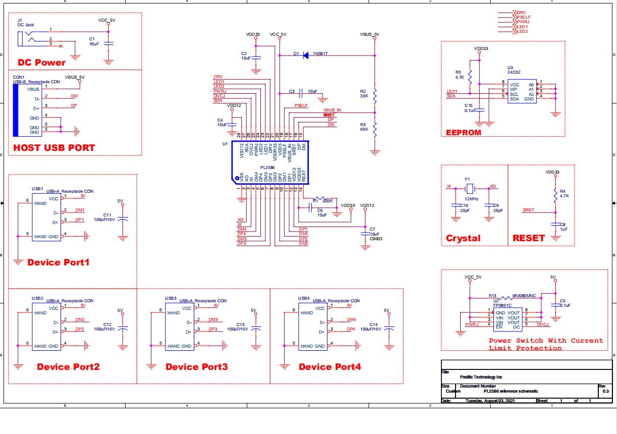
PL2586原理图

posted on 2022-06-07 19:36 TEL13699759787 阅读(399) 评论(0) 收藏 举报
浙公网安备 33010602011771号