CS5213设计HDMI转VGA带音频信号输出|CS5213规格书
CS5213是一款用于HDMI转VGA带音频信号输出的芯片设计方案,也是一个HDMI(高清多媒体接口)到VGA桥接芯片。它将HDMI信号转换为标准VGA信号它可以在适配器、智能电缆等设备中设计。CS5213适用途径:
CS5213特性:
将HDMI 1.4b转换为VG
CS5213支持高达1920x1200@60Hz的视频分辨率
CS5213支持热插拔检
内置晶体,无需外挂晶体
内置5V至1.2V稳压
核心电压1.2
符合HDCP 1.4规范的片上HDCP引
集成片上HDCP密
CS5213支持2通道IIS音频接
CS5213支持1080i分辨
CS5213特性:
将HDMI 1.4b转换为VG
CS5213支持高达1920x1200@60Hz的视频分辨率
CS5213支持热插拔检
内置晶体,无需外挂晶体
内置5V至1.2V稳压
核心电压1.2
符合HDCP 1.4规范的片上HDCP引
集成片上HDCP密
CS5213支持2通道IIS音频接
CS5213支持1080i分辨
CS5213封装方式
CS5213封装尺寸:48-pin QFN,6 mm x 6 m
CS5213温度范围(0℃~+85℃
CS5213管脚如下:

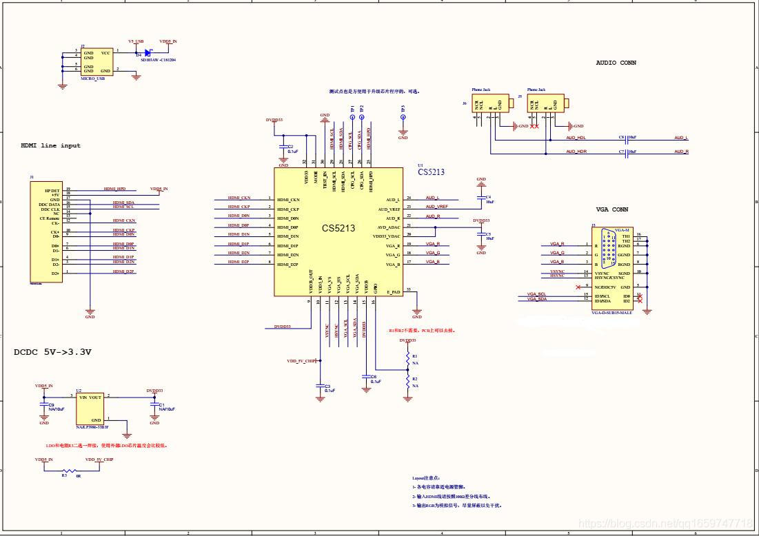
CS5213 HDMI转VGA带音频信号输出设计原理图

posted on 2022-06-02 13:45 TEL13699759787 阅读(224) 评论(0) 收藏 举报
浙公网安备 33010602011771号