替代AG9311|AG9311 type-c转HDMI带PD3.0替代方案|AG9311替代方案
ALGOLTEK AG9311是一款高度集成的解决方案,通过USB Type-C将视频和音频从DisplayPort alternate mode传输到HDMI输出。AG9311支持各种@1.62Gbps、2.7Gbps和5.4Gbpsup通到DisplayPort 1.2,支持1路2路通道;HDMI支持4K/2K@30Hz输出。用户可以轻松地将AG9311集成到视频转换适配器和扩展坞上。
特性
1、显示
符合 DisplayPort specification Revision 1.2
支持1.62(RBR)/2.7(HBR)/5.4(HBR2)Gbps数据速率
支持1/2线路配置
支持下行扩频时钟(SSC)
-支持I2S总线音频提取
2、HDMI
HDMI 高清多媒体接口
符合HDMI1.4和HDCP1.4规范
支持高达3Gbps的TMD
支持分辨率高达4kx2k@30Hz输出
支持HDCP键预先编程
兼容EDID和MCCS
支持采样率48kHz/44.1KHz/32KHz的LPCM双通道
3、USB Type-C PD
支持显示端口备用模式协议DisplayPort Alternate
符合USB PD3.0
集成Type-C RP and RD电阻器
支持2个 USB Type-C端口
支持USB宣称
集成USB2.0全速
4、单片机系统及接口
集成16位单片机
集成用于固件升级的64KB闪存
支持I2C主/从、UART、USB2.0全速
支持3通道8 bit分辨率ADC
5、电源操作和ESD
3.3V:3V至3.6V操作
1.2V:1.08至1.32V运行
1.2V核心电源和3.3V I/O电源
HBM 2KV ESD性能
设备信息

CapStone 在2021年新推出的一款TYPEC转HDMI2.0转换芯片CS5266可以完全替代兼容AG9311
CS5266是一款高性能type-C/DP1.4至HDMI2.0b转换器,设计用于将USB Type-C源或DP1.4源连接至HDMI2.0b接收器。CS5266AN集成了一个兼容DP1.4的接收器
HDMI2.0b兼容发射机。此外,还包括两个CC控制器,用于CC通信,以实现DP Alt模式和功率传输功能,一个用于上游Type-C端口,另一个用于下游端口
DP接口包括2条主通道、辅助通道和HPD信号。接收器支持每通道最大5.4Gbps(HBR2)数据速率。DP接收机结合了HDCP1.4和HDCP2.3内容保护方案具有嵌入式密钥,用于数字音视频内容的安全传输。
HDMI接口包括4个最小化传输差分信号时钟/数据对、DDC和HPD信号。HDMI发射机能够支持高达3Gpbs的数据速率,足以处理高达FHD 1080p 120Hz的视频分辨率UHD 4k 30Hz格式。HDMI发射机包含支持HDCP1.4和HDCP2.3的HDCP引擎。由于包含了HDCP,CS5266AN允许安全传输受保护的内容。嵌入式密钥可提供最高级别的HDCP密钥安全性
AG9311带PD3.0协议封装尺寸是:QFN64 CS5266 封装尺寸是:QFN68
CS5266与AG9311功能以及性能参数基本相同,CS5266是能够完全替代AG9311的!
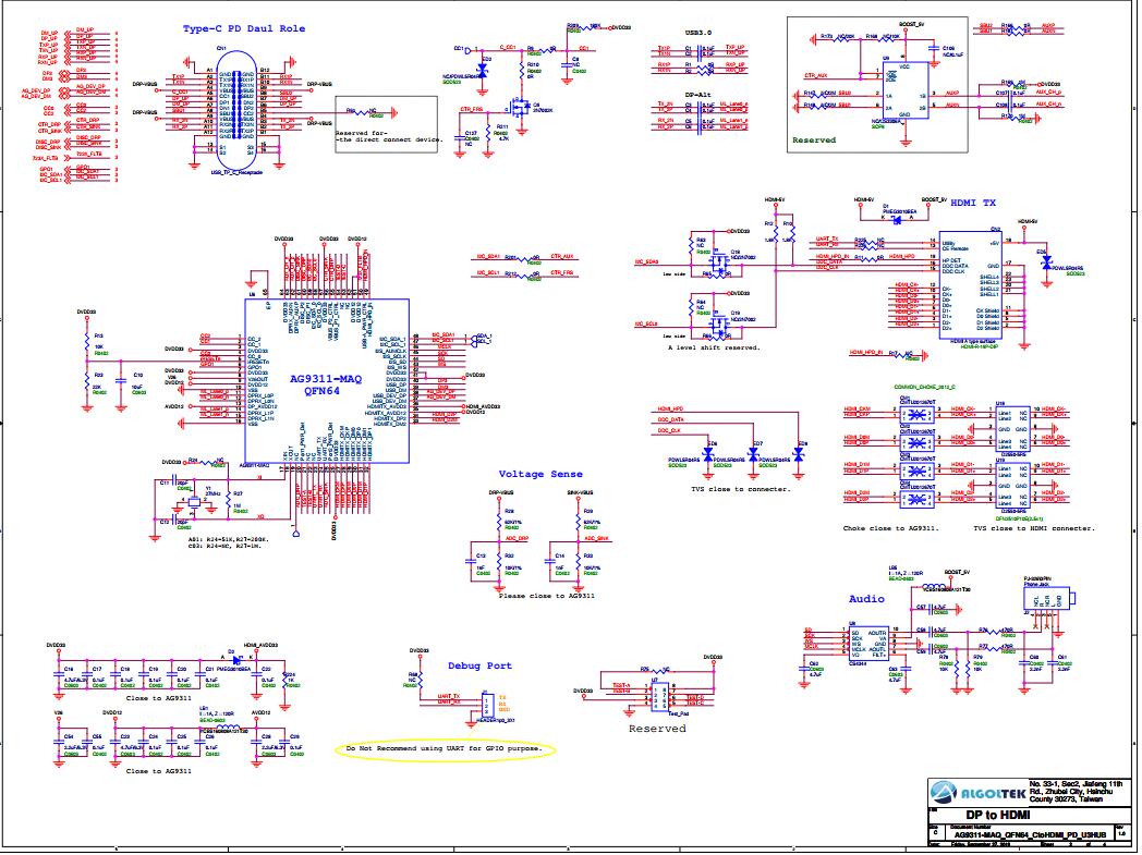
AG9311电路设计原理图

/
CS5266电路设计原理图

从两者电路图中可以看出:AG9311电路复杂,设计比较繁琐,而CS5266外围器件较少BOM成本比AG9311要低!
posted on 2022-03-24 17:47 TEL13699759787 阅读(285) 评论(0) 收藏 举报
浙公网安备 33010602011771号