CS5220_HDMIi转VGA内置flash方案芯片规格书|CS5220HDMI转VGA(内置Flash可更新FW) ic
Capstone CS5220是一个HDMI转VGA(内置Flash可更新FW)的高性能、低成本的单片机解决方案,用于实现HDMI1.4高分辨率视频转VGA转换器。
CS5220 HDMI到VGA转换器结合了HDMI输入接口和模拟RGB DAC输出。支持内部LDO,节省成本,优化电路板空间。嵌入式单片机基于工业标准8051内核。
CS5220特点:
支持1920x1200@60Hz的视频分辨率
支持热插拔检测
无晶体,片上集成晶体
内置3.3 vand 1.2V电压调节器
芯片HDCP引擎,符合HDCP 1.4规范
芯片集成HDCP1.4密钥
1.2V核心电源和3.3V I/O电源
2KV ESD防静电性能
工作温度范围:0°~ +85°
CS5220信息
CS5220封装尺寸:32-pin QFN,4 mm x 4 mm
CS5220温度范围(0℃~+85℃)

CS5220应用
CS5220适用于各种市场系统和显示应用程序,如笔记本电脑、主板、台式机、转换和对接系统。

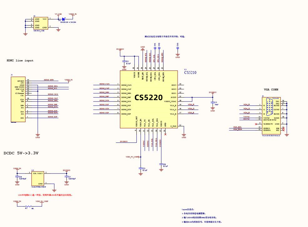
CS5220HDMI转VGA(内置Flash可更新FW) ic 电路原理图

posted on 2022-03-22 17:36 TEL13699759787 阅读(148) 评论(0) 收藏 举报
浙公网安备 33010602011771号