自举电路的说明及相关计算
自举电路
说起自举电路估计离不开mos管,先来了解一下MOS管,MOS有N沟道和P沟道之分。对于N沟道的MOS管,导通时需要Ugs>Ugs(th),P沟道则相反,Ugs<Ugs(th)时导通。下面来看看P沟道和N沟道的MOS管。见下图:

P沟道 N沟道
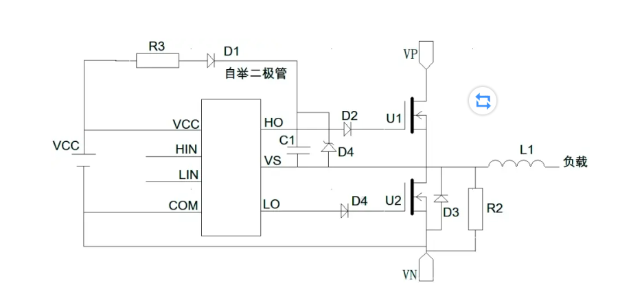
当我们用两个N-MOS管控制电机的一相时,这样便有上管和下管之分,上下管不能同时导通,否则就会爆管。见下图,图中的VS是浮动的,如果上管导通,VS的电压会非常接近VP,为啥会说是接近而不是相等呢?那是因为MOS管存在压降,还有一些原因也会导致VP不等VS。如果下管导通,VS则会接近VN。上文已经说N-MOS导通的条件了,现在我们看看假如U1导通,VS电压慢慢趋近与VP,当两者的压差不足以使MOS导通会出现啥情况,会不会出现一会开启一会关断的情况。这样的结果肯定不是我们需要的,那我们需要怎么做才能使MOS管导通,这下就接入我们的主题之一了,自举电路。假如驱动MOS管的电压为15V左右,那如果要让U1一直导通就需要HO-VS>=15V,才能正常驱动MOS管,如何维持这个电压呢,这就需要自举电容和自举二极管了。

分析如下
下管U2导通,自举电容C1通过自举二极管D1被电源电压瞬间充电,上管U1导通,自举电容给上管供电。二极管的作用是在上管导通时防止电容放电损坏VCC。电路的原理就是这样。
自举电容进行初始化启动和充电受限的问题
启动时,在某些条件下,自举二极管D1可能处于反偏,上管U1的导通时间不足,自举电容不能保持所需要的电荷。 这样就可能导致上管不能正常导通,我们在每次启动之前可以先让下管导通,让电容充电到VCC。
VS端产生负压问题
上管断开的时候,线圈L1会产生感应电动势,线圈中的电流会阻止电流的降低,于是瞬间切换到下管的体二极管上续流。由于寄生电感Ls1,Ls2的的存在,VS会感应出负压,这个值VS=-Ls*di/dt,幅值的大小取决于寄生电感Ls。
如果VS幅值过大,又会产生三个问题
①自举电容C1过压
C1的压降等于VCC-VS,VS为负压,相当于负压越大,C1两端承受的压差越大。
②当这个负压超过驱动芯片的极限电压,芯片也会损坏。
③上管Q1的Vgs=Vg-Vs,因为此时上管关断,所以Vg=0,也就代表着Vgs的幅值等于VS的绝对值,当这个值超过MOS管的门限阈值电压,上管就会导通,这时上下管同时导通,管子就会炸裂。

在D1前面串联一个电阻R3,取值不能太大,一般取1-3Ω,用来限制自举电容C1的充电电流,防止充电时电流过大,损坏C1同时可缓解VS端负压造成的影响。
自举电容C1并联一个稳压二极管,防止MOS管产生的浪涌电流损坏C1,同时让电容两端电压更稳定。
在下管U2的ds之间并联一个低压降的肖特基二极管D3。当上管关断时,VS产生的负压就会被D3钳位,一般管压降为0.7V。当VN为地时,VS被限制在-0.7V。
在自举电容计算之前先补习一下基本的知识点
电荷量公式
Q=It(其中I是电流,单位A,t是时间,单位s)
Q=ne(其中n为整数,e指元电荷,e=1.6021892×10^-19库仑)
Q=CU (其中C指电容,U指电压)
自举电容的选取
当下管S2导通,Vs电压低于电源电压(Vcc)时自举电容(Cboot)每次都被充电。自举电容仅当高端开关S1导通的时候放电。自举电容给高端电路提供电源(VBS)。首先要考虑的参数是高端开关处于导通时,自举电容的最大电压降。允许的最大电压降(Vbs)取决于要保持的最小栅极驱动电压。如果VGSMIN最小的栅-源极电压,电容的电压降必须是:

其中:
Vcc=驱动芯片的电源电压;
VF=自举二极管正向压降;
Vrboot=自举电阻两端的压降;
Vcesat=下管S2的导通压降
计算自举电容为:

其中:
QTOT是电容器的电荷总量。
自举电容的电荷总量通过等式4计算:
QTOT=QGATE+QLS+(ILKCAP+ILKGS+IQBS+ILK+ILKDIODE)*TON
下表是以IR2106+IKP15N65H5(18A@125°C)为例子计算自举电容推荐:


推荐电容值必须根据使用的器件和应用条件来选择。如果电容过小,自举电容在上管开通时下降纹波过大,降低电容的使用寿命,开关管损耗变高,开关可靠性也变低;如果电容值过大,自举电容的充电时间减少,低端导通时间可能不足以使电容达到自举电压。
选择自举电阻
自举电阻的作用主要是防止首次对自举电容充电时电流太大的限流,英飞凌的驱动芯片一般已经把自举二极管和电阻内置,不需要额外考虑电阻的选取。这里只是给大家分析原理,当使用外部自举电阻时,电阻RBOOT带来一个额外的电压降:

其中:
ICHARGE=自举电容的充电电流;
RBOOT=自举电阻;
tCHARGE=自举电容的充电时间(下管导通时间)
该电阻值(一般5~15Ω)不能太大,否则会增加VBS时间常数。当计算最大允许的电压降(VBOOT )时,必须考虑自举二极管的电压降。如果该电压降太大或电路不能提供足够的充电时间,我们可以使用一个快速恢复或超快恢复二极管。
实际选择时我们可能考虑更多的是自举电阻太小限制:
1. 充电电流过大在小功率输出应用触发采样电阻过流保护
2. 过小的自举电阻可能会造成更高的dVbs/dt,从而产生更高的Vs负压,关于Vs负压的危害我们会在后面继续讨论。
3. 充电电流过大容易导致充电阶段Vcc电压过低,造成欠压保护。
4. 容易造成自举二极管过流损坏。
自举电路设计要点
为了保证自举电路能够正常工作,需要注意很多问题:
1. 开始工作后,总是先导通半桥的下桥臂IGBT,这样自举电容能够被重新充电到供电电源的额定值。否则可能会导致不受控制的开关状态和/或错误产生。
2. 自举电容Cboot的容量必须足够大,这样可以在一个完整的工作循环内满足上桥臂驱动器的能量要求。找元器件现货上唯样商城
3. 自举电容的电压不能低于最小值,否则就会出现欠压闭锁保护。
4. 最初给自举电容充电时,可能出现很大的峰值电流。这可能会干扰其他电路,因此建议用低阻抗的自举电阻限流。
5. 一方面,自举二极管必须快,因为它的工作频率和IGBT是一样的,另一方面,它必须有足够大的阻断电压,至少和IGBT的阻断电压一样大。这就意味着600V的IGBT,必须选择600V的自举二极管。
6. 当选择驱动电源Vcc电压时,必须考虑驱动器内部电压降及自举二极管和自举电阻的压降,以防止IGBT栅极电压不会太低而导致开通损耗增加。更进一步,所确定的电压必须减去下管IGBT的饱和压降,这样导致上下管IGBT在不同的正向栅极电压下开通,因此Vcc应当保证上管有足够的栅极电压,同时保证下管的栅极电压不会变的太高。
7. 用自举电路来提供负压的做法是不常见的,如此一来,就必须注意IGBT的寄生导通。
最后,自举电路也有一些局限性,有些应用如电机驱动的电机长期工作在低转速大电流场合,下管的开通占空比一直比较小,造成上管的自举充电不够,这种情况需要在PWM算法上做特定占空比补偿或者独立电源供应。

浙公网安备 33010602011771号