09基础元器件-变压器
一、变压器的初步认识
1、变压器的组成
初级线圈、次级线圈、磁芯;
2、变压器的工作原理

3、生活中常见的变压器

2、变压器在分类及用途
- 按用途分类:有电力变压器、特种变压器(电炉变、整流变、工频试验变压器、调压器、矿用变、冲击变压器、电抗器、互感器等。
- 按结构型式分类:有单项变压器、三相变压器及多相变压器。
- 按冷却介质分类:有干式变压器、液(油)浸变压器及充气变压器等。
- 按冷却方式分类:有自然冷式、风冷式、水冷式、强迫油循环风(水)冷方式、及水内冷式等。
- 按线圈数量分类:有自耦变压器、双绕组及三绕组变压器等。
- 按导电材质分类:有铜线变压器、铝线变压器及半铜半铝、超导等变压器。
- 按调压方式分类:可分为无励磁调压变压器、有载调压变压器。
- 按中性点绝缘水平分类:有全绝缘变压器、半绝缘(分级绝缘)变压器。
- 按铁心型式分类:有心式变压器、壳式变压器及辐射式变压器等。
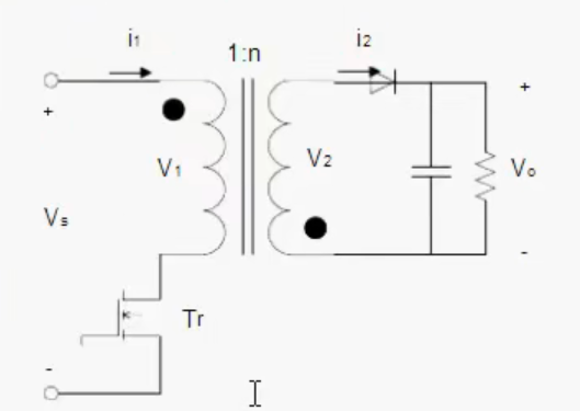
3、变压器在反激电路中的应用
1、反激电路典型电路图

2、反激电路的原理
主开关管导通时,二次侧二极管关断,变压器储能;主开关管关断时,二次侧二极管导通,变压器储能向负载释放。 它和正激变换器不同,正激变换器的变压器励磁电感储能一般很小,各绕组瞬时功率的代数和为零,变压器只起隔离、变压作用。 而反激变换器的变压器比较特殊,它兼起储能电感的作用,称为储能变压器(或电感-变压器)。 为防止负载电流较大时磁心饱和,反激变换器的变压器磁心要加气隙,降低了磁心的导磁率,这种变压器的设计是比较复杂的。

浙公网安备 33010602011771号