06基础元器件-三极管
一、三极管的定义与分类
1、定义
导体三极管又称为双极结型晶体管(BJT),是一种具有三个电极的装置。实质上就一块半导体基片上的两个PN结将其隔成基区、发射区和集电区,从而引出基极、发射机和集电极三个电极;三极管,是一种控制电流的半导体器件。其作用是把微弱信号放大成幅度值较大的电信号, 也用作无触点开关。晶体三极管,是半导体基本元器件之一,也是电子电路的核心元件。
2、分类
- 按结构可将其分为NPN型和PNP型;
- 按材质分可以分为硅音和锗菅;
- 按照频率分为低频管和高频管;
- 按照功率分为小功率中、中功率和大功率管;
二、三极管的原理

 
          
NPN型
当集电极C有电流输入,同时基极B导通电压大于或等于导通电压时(硅管为0.7V,锗管为0.3V),集电极C和发射极E形成导电沟道,进而导通。
截止状态
当加在三极管发射结的电压小于PN结的导通电压,基极电流为零,集电极电流和发射极电流都为零,三极管这时失去了电流放大作用,集电极和发射极之间相当于开关的断开状态,我们称三极管处于截止状态。
放大状态
当加在三极管发射结的电压大于PN结的导通电压,并处于某一恰当的值时,三极管的发射结正向偏置,集电结反向偏置,这时基极电流对集电极电流起着控制作用,使三极管具有电流放大作用。
饱和状态
当加在三极管发射结的电压大于PN结的导通电压,并当基极电流增大到一定程度时,集电极电流不再随着基极电流的增大而增大,而是处于某一定值附近不怎么变化,这时三极管失去电流放大作用,集电极与发射极之间的电压很小,集电极和发射极之间相当于开关的导通状态。三极管的这种状态我们称之为饱和导通状态。
三、三极管参数及封装形式
1、参数:
(1)ICM是集电极最大允许电流。三极管工作时当它的集电极电流超过一定数值时,它的电流放大系数β将下降.为此规定三极管的电流放大系数β变化不超过允许值时的集电极最大电流称为ICM。所以在使用中当集电极电流IC超过ICM时不至于损坏三极管,但会使β值减小,影响电路的工作性能。(2)Vceo是三极管基极开路时,集电极-发射极反向击穿电压。如果在使用中加在集电极与发射极之间的电压超过这个数值时,将可能使三极管产生很大的集电极电流,这种现象叫击穿三极管击穿后会造成永久性损坏或性能下降。
(3)PCM是集电极最大允许耗散功率。三极管在工作时,集电极电流在集电结上会产生热量而使三极管发热.若耗散功率过大,三极管将烧坏.在使用中如果三极管在大于pcm下长时间工作,将会损坏三极管.需要注意的是大功率三极给出纳最大允许耗散功率都是在加有一定规格散热器情况下的参数.使用中一定要注意这一点。
(4)特征频率ft。随着工作频率的升高,三极管的放大能力将会下降,对应于β=1时的频率ft化叫作三极管的特征频率。
2、封装形式
TO-92 SOT-23 SOT-223 TO-220等
四、用万用表判断三极管的类别和极性
1、判断集电极和射极
判断集电极c和发射极e:仍将万用表欧姆挡置“R×1k”处,以NPN管为例,把红表笔接在假设的集电极c上,黑表笔接到假设的发射极e上,并用手捏住b和c极(不能使b、c直接接触),通过人体,相当b、c之间接入偏置电阻,读出万用表所示的阻值,然后将两表笔反接重测.若第一次测行的阻值比第二次小,说明原假设成立,因为c、e间电阻值小说明通过万用表的电流大,偏置正常。万用表都有测三极管放大倍数(Hfe)的接口,可以估测一下三极管的放大倍数.
2、判断类别(npn型还是pnp型)
用数字式万用表判断基极b和三极管的类型:将万用表欧姆挡置“R×1k”处,先假设三极管的某极为“基极”,并把红表笔接在假设的基极上,将黑表笔先后接在其余两个极上,如果两次测得的电阻值都很小(或约为几百欧至几千欧),则假设的基极是正确的,且被测三极管为NPN型管.如果两次测得的电阻值都很大(圳为几不欧至几十千欧),则假设的基极是正确的,且被测三极管为PNP型管.如果两次测得的电阻值是一大一小,则原来假设的基极是错误的,这时必须重新假设另一电极为“基极”,再建复上述测试.
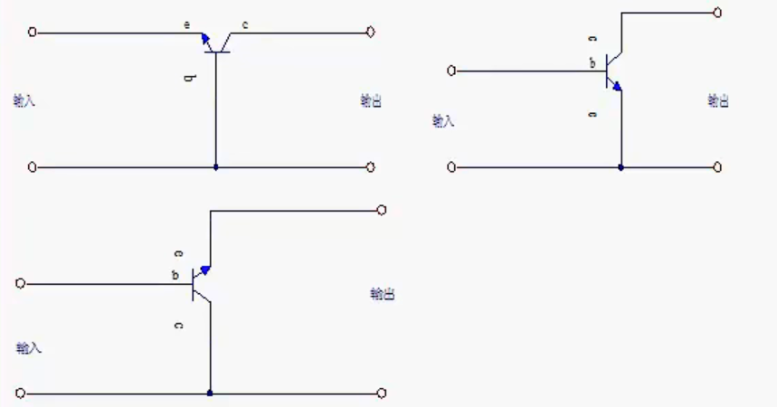
四、三极管的放大电路
共基极电路、共射极电路、共集电极电路
 
共射极电路放大电路的的电流增益和电压增益优于其他两种放大电路,因此多用于信号放大使用。
 
                    
                     
                    
                 
                    
                
 
                
            
         
         浙公网安备 33010602011771号
浙公网安备 33010602011771号