【原创】2021-01嵌入式月刊:开源EDA工具KiCAD
1. 开头的话
终于熬到了2021年,我依然做着自己喜欢做的事情。
进入正题吧,作为嵌入式爱好者,很多专业的工具还是不得不用,EDA软件就是必不可少的。迄今为止,我在工作当中用过的主要就是 Protel和Cadence。但这些都是收费的,一个license价格不菲,特别是cadence。因此最近,我研究一堆开源的EDA,一个个试用了一小段时间。最后选定了KiCAD,将来如果我在开源社区发布嵌入式开源硬件的话,就肯定用它了。
下面贴一张自己去年做的一款树莓派HAT,也打样成功了。本来打算写好驱动什么的,开源到github,甚至想发展一系列的HAT出来,供电子爱好者搭建自己的DDC控制器。不过中途有其它事情要处理,搁置了。


2. KiCAD的基本情况
2.1. 名称来源
KiCAD始于1992年。不用说,按照固定情节套路,这类工具的名称通常源自于奇怪的人名,或者高大上的物名。KiCAD中“ki”就是源自于人名,追究起来没什么特别意义。
2.2. 下载地址
2.3. kiCAD的特点
任何一个东西,你去看它的网站的介绍,永远是感觉“哇,好高大上!”。kiCAD也同样未能免俗。你可以在它的网站上找出一堆高大上的词语来描叙自己的优点。
我之所以选中了kiCAD,主要两点:
第一原因是它的器件库和模板库比较丰富,比如我的树莓派hat的外形边框就是直接使用的它的模板。另外国外有相对成熟的社区来支持它,这也是它器件库比较丰富的原因。
第二个原因就是可以自己写python脚本扩展功能。作为码农,总是抑制不住自己想定制和改造工具的冲动。
使用了一段时间后,我将自己的体会总结如下。
2.3.1 优点
- 模板库很丰富
支持树莓派、Beaglebone、Arduino等,省去了核对PCB外形尺寸的麻烦。这对设计常见流行的开源硬件的扩展板提供了极大的便利,如下图:

- 多窗口显示
原理图和PCB图分开在两个窗口显示,同cadence一样,适合用多个显示器工作。如下截图(我写这篇博客时用的是笔记本,所以看起来比较拥挤)。

- 快捷键支持得还可以,不管是原理图和PCB布线,不需要大量借鉴菜单来完成。这点顺便吐槽一下cadence。
- 支持3D显示
虽然是开源工具,但也支持3D显示,算是一个小惊喜,虽然其实用处不大。下面就是 我画的树莓派HAT的3D预览

2.3.2 不足
对开源软件期望过高,肯定是不行的,尤其是工业软件,否则让那些商业公司情何以堪?kiCAD虽然好,但缺点也非常明显。
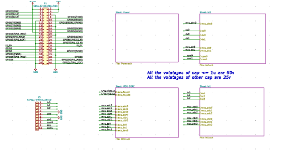
- 只支持层次化的电路图
只支持层次化的电路结构图,各子图之间的网络连接必须通过上层图纸来指定,这点不是很灵活和方便。下图就是我的顶层原理图,每个方框就是子图。子图各网络间的关系只能通过上层图纸来指定(电源除外)。

- DRC和布线规则相对比较简单
我个人觉得DRC对于原理图来说,不是特别重要的问题,只要能检测到漏掉连线的引脚和断线就行了。但是布线规则和DRC对于PCB布线就非常重要了,规则太过简单,做复杂一点的PCB时就很痛苦了。
- PCB布线的推挤功能有待提高。
2.4. 总结
最后来个总结吧,kiCAD做为开源软件,是很优秀。源代码值得有需要的码农学习,电子爱好者拿来设计一个四层以下的开源硬件的扩展板,比如树莓派HAT,这也是完全没有问题。但非常复杂的PCB肯定不建议用它。
浙公网安备 33010602011771号