stm32入门创建项目-入门配置环境
stm32入门创建项目
入门第一次学习stm32,写一点笔记,记录下安装和创建的过程
STM32的介绍
STM32是ST公司基于ARM Cortex-M内核开发的32位微控制器
系列:主流系列STM32F1
内核:ARM Cortex-M3
主频:72MHz
RAM:20K(SRAM)
ROM:64K(Flash)
供电:2.0~3.6V(标准3.3V)
封装:LQFP48
资源外设

命名规则

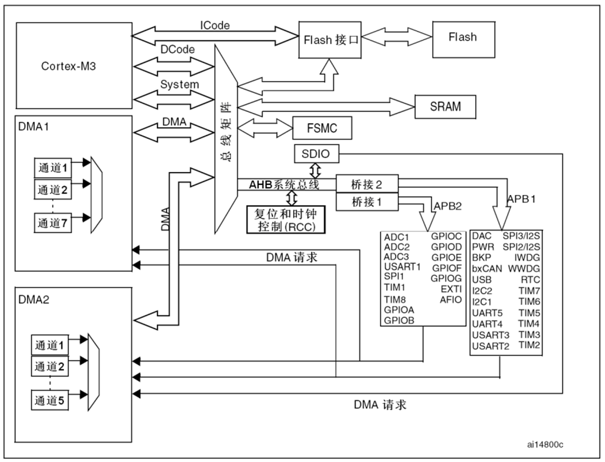
系统结构

引脚定义

启动模式

基本电路图

开发环境软件和驱动安装
软件下载
使用下面的链接下载内容。
通过网盘分享的文件:STM32入门教程资料
链接: https://pan.baidu.com/s/170_6dBKjM82r6dWTlGS-Ag?pwd=hmnm 提取码: hmnm
--来自百度网盘超级会员v3的分享
需要安装的内容有:
安装Keil5 MDK
安装器件支持包
软件注册
安装STLLINK驱动
安装USB转串口驱动
项目配置
建立工程文件夹,Keil中新建工程,选择型号
工程文件夹里建立Start、Library、User等文件夹,复制固件库里面的文件到工程文件夹
工程里对应建立Start、Library、User等同名称的分组,然后将文件夹内的文件添加到工程分组里
工程选项,C/C++,Include Paths内声明所有包含头文件的文件夹
工程选项,C/C++,Define内定义USE_STDPERIPH_DRIVER
工程选项,Debug,下拉列表选择对应调试器,Settings,Flash Download里勾选Reset and Run
浙公网安备 33010602011771号