启明云端分享:一款低功耗高性价比的嵌入式无线网络控制模块
概述
WT32C3-S5 WiFi 模块是一款低功耗高性价比的嵌入式无线网络控制模块。可满足智能电网、 楼宇自动化、安防、智能家居、远程医疗等物联网应用的需求。 该模块核心处理器 ESP32-C3 在较小尺寸封装中集成了业界领先的 RISC-V 32 位单核处理器, 主频最高支持 160 MHz,PCB 板载天线。 该模块支持标准的 IEEE802.11 b/g/n 协议,低功耗蓝牙 5.0(Bluetooth LE):Bluetooth 5、Bluetooth mesh。用户可以使用该模块为现有的设备添加蓝牙配网及联网功能,也可以构建独立的网络控制器。
主要特性
采用 SMD-22 封装
板载 PCB 天线
工作电压:3.3V
工作环境温度:-20-85°C
内置 ESP32-C3 芯片,RISC-V 32 位单核微处理器,主频最高 160MHz
SRAM 400KB
RTC SRAM 8KB ROM 384KB
模组内置 Flash 4MB
系统 WIFI
支持 IEEE 802.11 b/g/n 协议
支持 1T1R 模式,数据速率高达 150 Mbps
WIFI @2.4 GHz,支持 WEP/WPA-PSK/WPA2-PSK 安全模式
帧聚合(TX/RX A-MPDU,RX A-MSDU) 蓝牙
低功耗蓝牙 5.0(Bluetooth LE):Bluetooth 5、Bluetooth mesh
速率支持 125 Kbps、500 Kbps、1 Mbps、2 Mbps
广播扩展(Advertising Extensions)
多广播(Multiple Advertisement Sets)
信道选择(Channel Selection Algorithm #2) 硬件
支持 GPIO,SPI,UART,I2C,I2S,红外收发器,LED PWM 控制器,USB JTAG 接口,通用 DMA 控制器,TWAITM 控制器(兼容 ISO11898-1),温度传感器, SAR 模/数转换器
支持 STA/AP/STA+AP 工作模式
支持远程 OTA
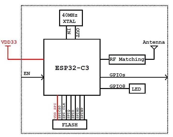
硬件框图

引脚描述


浙公网安备 33010602011771号