【硬件测试】基于FPGA的64QAM基带通信系统开发与硬件片内测试,包含信道模块,误码统计模块,可设置SNR
1.算法仿真效果
本文是之前写的文章:
《基于FPGA的64QAM基带通信系统,包含testbench,高斯信道模块,误码率统计模块,可以设置不同SNR》
的硬件测试版本。
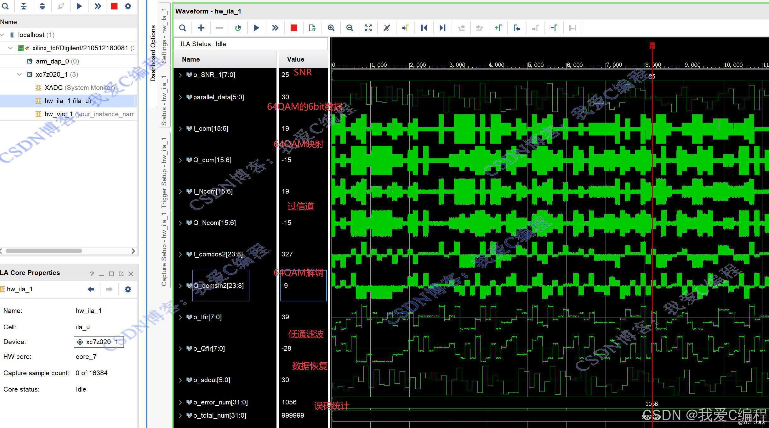
在系统在仿真版本基础上增加了ila在线数据采集模块,vio在线SNR设置模块,数据源模块。硬件ila测试结果如下:(完整代码运行后无水印):
vio设置SNR=25db

vio设置SNR=30db

硬件测试操作步骤可参考程序配套的操作视频。
2.算法涉及理论知识概要
随着无线通信技术的不断发展,越来越多的应用需要高速、高可靠性的通信系统来传输数据。调制解调是一种常用的数字通信技术,它可以将数字信号转换成模拟信号进行传输,同时也可以将接收到的模拟信号转换成数字信号进行处理。在数字调制解调中,QAM是一种常用的调制方式,它可以将数字信号分为实部和虚部两个部分进行编码,从而实现高效的数据传输。本文旨在介绍基于FPGA的64QAM调制解调通信系统的设计和实现,包括信号生成、信号调制、信号解调和误码率测试等环节,以验证系统的可行性和性能。
2.1 64QAM调制解调系统的设计
在64QAM调制解调系统中,需要生成一定数量的数字信号,作为调制信号和参考信号。数字信号可以使用随机数生成器产生,也可以使用特定的算法生成。在本文中,我们采用了带噪声的随机数生成器产生数字信号,其中噪声是为了模拟实际通信中的信道噪声。
在64QAM调制解调系统中,需要将数字信号转换成模拟信号进行传输,这个过程称为信号调制。在QAM调制中,数字信号分为实部和虚部两个部分进行编码,然后将它们分别调制到不同的载波上,最后将两个载波叠加在一起。具体来说,假设数字信号为s(n),其中n表示信号的采样点,QAM调制可以表示为:

其中,s_I(n)表示实部信号,s_Q(n)表示虚部信号,A_I和A_Q分别表示实部和虚部的调制系数,f_c表示载波频率,t(n)表示采样时间。在64QAM调制中,实部和虚部分别采用8QAM调制,然后叠加在一起,最终得到64QAM调制信号。
2.2 信号解调
在接收端,需要将接收到的模拟信号转换成数字信号进行处理,这个过程称为信号解调。在64QAM解调中,首先需要将接收到的实部和虚部,进行8QAM解调,最后将解调后的实部和虚部重新组合成数字信号。
3.Verilog核心程序
`timescale 1ns / 1ps
//
// Company:
// Engineer:
//
// Create Date: 2024/12/04 15:36:16
// Design Name:
// Module Name: tops_hdw
// Project Name:
// Target Devices:
// Tool Versions:
// Description:
//
// Dependencies:
//
// Revision:
// Revision 0.01 - File Created
// Additional Comments:
//
//
module tops_hdw(
input i_clk,
input i_rst,
output reg [3:0] led
);
//设置SNR
wire signed[7:0]o_SNR;
vio_0 your_instance_name (
.clk(i_clk), // input wire clk
.probe_out0(o_SNR) // output wire [7 : 0] probe_out0
);
wire [5:0] parallel_data;
wire signed[15:0]sin;
wire signed[15:0]cos;
wire signed[15:0] I_com;
wire signed[15:0] Q_com;
wire signed[15:0]I_Ncom;
wire signed[15:0]Q_Ncom;
wire signed[23:0]I_comcos2;
wire signed[23:0]Q_comsin2;
wire signed[7:0]o_Ifir;
wire signed[7:0]o_Qfir;
wire [5:0] o_sdout;
wire signed[31:0]o_error_num;
wire signed[31:0]o_total_num;
TOPS_64QAM TOPS_64QAM_u(
.clk (i_clk),
.rst (i_rst),
.start (1'b1),
.i_SNR (o_SNR),
.parallel_data (parallel_data),
.sin (sin),
.cos (cos),
.I_com (I_com),
.Q_com (Q_com),
.I_Ncom (I_Ncom),
.Q_Ncom (Q_Ncom),
.I_comcos2 (I_comcos2),
.Q_comsin2 (Q_comsin2),
.o_Ifir (o_Ifir),
.o_Qfir (o_Qfir),
.o_sdout (o_sdout),
.o_error_num (o_error_num),
.o_total_num (o_total_num)
);
//ila篇内测试分析模块
ila_0 ila_u (
.clk(i_clk), // input wire clk
.probe0({
o_SNR,//8
I_com[15:6], Q_com[15:6],I_Ncom[15:6],Q_Ncom[15:6],//40
I_comcos2[23:8],Q_comsin2[23:8],o_Ifir,o_Qfir,//48
parallel_data,o_sdout,
o_error_num,o_total_num//64
})
);
endmodule


浙公网安备 33010602011771号