基于simulink的双闭环矢量控制的电压型PWM整流器仿真
1.算法描述
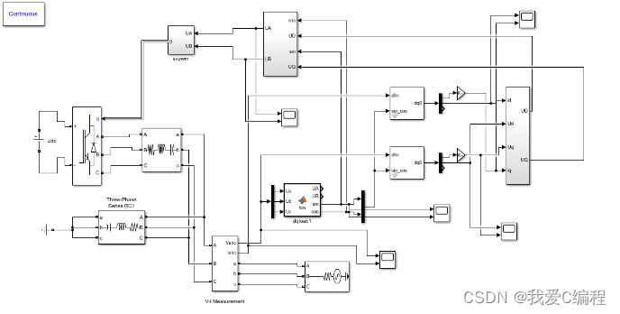
双闭环矢量控制的电压 型PWM整流器的 PI参数整定是 一项极其重要却又十分依赖经 验的工作,参考文献很少 。本文应用 Matlab/Simulink仿真研究 了这种整流器系统的三、c参数和 PI调节器参数对直流侧 电压响应及交流侧谐波与功率因数的影响,提 出了一套简单易行、规范化 的设计和参数整定方法。
串级控制系统是改善控制质量的有效方法之一,在过程控制中得到了广泛的应用。所谓串级控制,就是采用两个控制器串联工作,外环控制器的输出作为内环控制器的设定值,由内环控制器的输出去操纵控制阀,从而对外环被控量具有更好的控制效果。这样的控制系统被称为串级系统。PID串级控制就是串级控制中的两个控制器均为PID控制器,它增强了系统的抗干扰性(也就是增强稳定性)。
1. 增加系统的稳定性这点是正确的,因为电机转速电流双闭环的电流换增加了对电流的反馈控制,不至于使得电流过分超调。
2. 但有观点认为电机双闭环可以加速启动,其实这点是不完全正确的,对于单闭环系统,只要允许较大的超调量,其实启动速度是足够快的。其实原观点表达的意思应该是加快系统启动到稳态的时间,也就是缩小调节时间。
单双闭环区别
双闭环比单闭环多了电流内环,用于控制电流的稳定性保证较小超调量和较好的稳定性,实际常用的简单单闭环控制系统中,为保证电流不超过电机承受极限,往往需要进行电流截止控制,另一方便未避免积分深度饱和,也需要对积分进行限幅,而为了达到快速启动的效果会给定较大的积分初值,如此一来,虽然可以勉强满足控制,但其实电流超调严重,而且稳定性较差。为此,双闭环可以减小电流的超调和过饱和现象,得到更加良好的控制效果。
2.仿真效果预览
matlab2022a仿真结果如下:




3.MATLAB部分代码预览


浙公网安备 33010602011771号