m基于matlab的无线光通信CDMA闭环链路功率控制算法仿真,对比了OOK,2PPM,4PPM,8PPM,16PPM
1.算法描述
在光通信领域,多址技术主要有WDM(波分复用)、TDM(时分复用)及OCDMA(光码分多址)三种方式。OCDMA技术从70年代中期开始出现,现在引起了人们的广泛重视。将CDMA(码分多址)技术用于光通信中,不仅保持了CDMA技术在无线电中的抗干扰、保密、软容量及网络协议简单等特性,而且可以利用光载体的巨大带宽。
因此,CDMA技术和光通信的结合存在着优势互补。 本文围绕OCDMA系统及其关键技术展开研究工作。在本文中,我们对OCDMA的关键技术进行了理论分析,提出了几种新的地址码,提出了一些新方案来改善系统性能。同时,开展了时域非相干OCDMA的实验工作。
编写无线光通信-CDMA中闭环链路的功率控制误差(Power control error)程序,其定义参考文献An Analytical Approach for Closed-Loop Power Control Error Estimations in CDMA Cellular Systems中详细说明了。仿真出功率控制误差(Power control error)在OOK 2PPM 4PPM 8PPM 16PPM的不同调制方式下;以及功率控制误差(Power control error)在1/4code rate, 1/2 code rate, 3/4 code rate不同码率下与BER的关系。通过给每个用户指定互相关为0的两个地址码分别发送1和0信号以及在接收端采用差分检测技术,避免了OOK(开关键控)光通信系统中0不发送光脉冲和OOK常规检测方式下最佳判决门限必须根椐用户数等外界环境而改变,从而提高了系统性能和降低了系统的复杂度。通过引入OPPM(重叠脉冲脉位调制)方式,进一步提高了系统的传输效率。
这里我们首先建立一个cdma小区通信环境,然后根据光通信代码在CDMA的基础上,使用光通信进行通信,然后在此基础上加入功率工作,不同的调制方式以及不同的码率等进行仿真。
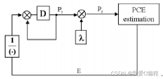
加入功率控制PCE模块,其基本结构如下所示:

对OOK,2PPM,4PPM,8PPM,16PPM五种方法进行仿真。
光CDMA方式是基于OTDM和WDM之上的一种多路存取方式,它可以使相同带宽和比特率的光信号携带更多的信息。在光纤CDMA(OCDMA)中,每一位数据都被一个序列编码,每个用户都有一个单独的序列,在发送端,对要传输的数据的序列码进行光正交编码,然后实现多个用户共享同一光纤信道;在接收端,用与发送端相同的地址码进行光正交解码,恢复原用户数据。
CDMA技术的原理是基于扩频技术,即将需传送的具有一定信号带宽信息数据,用一个带宽远大于信号带宽的高速伪随机码进行调制,使原数据信号的带宽被扩展,再经载波调制并发送出去。CDMA使用带扩频技术的模数转换(ADC).输入音频首先数字化为二进制元。传输信号频率按指定类型编码,因此只有频率响应编码一致的接收机才能拦截信号。
2.仿真效果预览
matlab2022a仿真结果如下:




3.MATLAB部分代码预览
PACKET_LENGTH = 1000; %Packet size
PEEK_POWER = 1;
SYMBOL_LENGTH = 36; %here symbol length= packet length
SLOT_LENGTH = 4;
TRANS_LENGTH = 9*SLOT_LENGTH*PACKET_LENGTH;
pulse_drtn = 4;
CHANNELS = 3;
ELECTRON = 1.6e-19;
INTERFERENCE = 1e-3;
RECEIVER_RES = 0.53;
COEF_RED = 0.1550;
COEF_GREEN = 1.7309;
COEF_BLUE = 1.1142;
RES_RED = 0.5200;
RES_GREEN = 0.4800;
RES_BLUE = 0.4000;
%Derived parameters
bit_rate = 16e8; % bit rate [100Mbps]
rms_delay = 2e-9; % delay spread (1 ns)
multipath = 3; % multi-path dispersion
sample_rate = bit_rate / 3.0 * SLOT_LENGTH;
%struct built
for i=1:CHANNELS
sentbit(i,:) = zeros(1,3*PACKET_LENGTH);
signal(i,:) = zeros(1,12*PACKET_LENGTH);
recivbit(i,:) = zeros(1,3*PACKET_LENGTH);
end
dwTransmitPower = 7; % 发送功率
dShadowFadingStd = 4; % 阴影衰落标准差BS2UE dB
dUserVelocity = 0; % 用户移动速度0km/h,这里假设是静止的
MAX_Dis = 7;
STEP = 0.2;
MIN_Dis = 1;
DIS = [MIN_Dis:STEP:MAX_Dis];%定义用户和基站之间的距离
MTKL = 20;%多次仿真,计算平均值
Avgtime = 200;
Delay = 5;
startpow = -70;
endpow = -40;
powstep = 5;
%**************************************************************************
%%
%主题函数,通过for循环,仿真不同距离下的误码率曲线
%为了对比,我们设置三组不同的SNR下的AWGN进行仿真
%由于原先的程序是基于数据组进行仿真,而基于PCE估计的算法,需要基于时间流模型,所以必须将
%仿真的方法修改下,即对每一个数据位单独的循环仿真,从而模拟出实时的效果
E1 = zeros(PACKET_LENGTH,1);
E2 = zeros(PACKET_LENGTH,1);
E3 = zeros(PACKET_LENGTH,1);
cnt = 0;
for jj = 0.1:0.05:0.5
cnt = cnt + 1;
for mm = 1:MTKL
jj
mm
%根据路径距离计算路径损耗
PASS_LOSS = -25;
%计算光三组元色对应的SNR值
snr_red = 10*log10(power((power(10,PASS_LOSS/10)*1e-3)*(COEF_RED /(COEF_RED+COEF_GREEN+COEF_BLUE)),2)/((ELECTRON*INTERFERENCE/RES_RED) *(bit_rate*(SLOT_LENGTH/pulse_drtn)/3.0)));
snr_green = 10*log10(power((power(10,PASS_LOSS/10)*1e-3)*(COEF_GREEN/(COEF_RED+COEF_GREEN+COEF_BLUE)),2)/((ELECTRON*INTERFERENCE/RES_GREEN)*(bit_rate*(SLOT_LENGTH/pulse_drtn)/3.0)));
snr_blue = 10*log10(power((power(10,PASS_LOSS/10)*1e-3)*(COEF_BLUE /(COEF_RED+COEF_GREEN+COEF_BLUE)),2)/((ELECTRON*INTERFERENCE/RES_BLUE) *(bit_rate*(SLOT_LENGTH/pulse_drtn)/3.0)));
VarR = calc_snr(snr_red);
VarG = calc_snr(snr_green);
VarB = calc_snr(snr_blue);
%产生随机数作为发送数据
for i=1:CHANNELS
sentbit(i,:) = round(rand(1,3*PACKET_LENGTH));
end
for times = 1:3*PACKET_LENGTH%每一时刻,发送一个数据包
S1 = 1*(times-1) + 1;
F1 = 1*times;
S2 = 4*(times-1) + 1;
F2 = 4*(times);
%**********************************************************************
%根据上一次反馈得到的E进行功率的调整
%**********************************************************************
%对E取倒数
%对应公式Pt(t) = Pt(t-D)/E(t-D) = 1/r(t-D)
Coff(1,times) = 1/jj;% 之后,根据前一次的E进行调整发送功率
Coff(2,times) = 1/jj;% 之后,根据前一次的E进行调整发送功率
Coff(3,times) = 1/jj;% 之后,根据前一次的E进行调整发送功率
%调制,OOK
for i=1:CHANNELS
signal(i,S2:F2) = func_1in4(sentbit(i,S1:F1),Coff(i,times));
end
%加多径
if multipath~=1
for i=1:CHANNELS
signa2(i,S2:F2) = add_multipath_dispersion1(signal(i,S2:F2),4,sample_rate,rms_delay);
end
end
%加噪声
signal(1,S2:F2)=add_gauss_noise(signal(1,S2:F2),length(S2:F2), VarR);
signal(2,S2:F2)=add_gauss_noise(signal(2,S2:F2),length(S2:F2), VarG);
signal(3,S2:F2)=add_gauss_noise(signal(3,S2:F2),length(S2:F2), VarB);
%解调
for i=1:CHANNELS
recivbit(i,S1:F1) = func_de1in4(signal(i,S2:F2),Coff(i,times));
end
end
for i=1:CHANNELS
error(i,:) = size(find(recivbit(i,:)~=sentbit(i,:)),2);
end
ERR(mm) = (error(1,:)+error(2,:)+error(3,:))/(CHANNELS*3*PACKET_LENGTH);
end
ber(cnt) = mean(ERR);
end
01_057_m

浙公网安备 33010602011771号