分析流程图和活动图的区别与联系
| 软件工程 | <班级的链接> |
|---|---|
| 博客班级 | https://edu.cnblogs.com/campus/ahgc/AHPU-se-JSJ18 |
| 作业要求 | https://edu.cnblogs.com/campus/ahgc/AHPU-SE-19/homework/11473 |
| 目标 | 流程图和活动图的区别与联系 |
| 学号 | <3190704110> |
| 流程图定义说明 | |
| 流程:Flow,是指特定主体为了满足特定需求而进行的有特定逻辑关系的一系列操作过程,流程是自然而然就存在的。但是它可以不规范,可以不固定,可以充满问题。所以就会造成看似没有流程。前不久,团队每个人对接一个业务团队去调研流程,反馈给我的流程有一些缺失。询问时,负责人反馈给我的答复是:这一块业务他们没有流程。其实严格意义上讲,业务已经开展,不可能没有流程,只是说没有固定的流程或者你调研的对象也讲不清楚。 | |
| 图:Chart 或者 Diagram, 是将基本固化有一定规律的流程进行显性化和书面化,从而有利于传播与沉淀、流程重组参考 |
活动图定义说明
活动图是UML用于对系统的动态行为建模的另一种常用工具,它描述活动的顺序,展现从一个活动到另一个活动的控制流。活动图在本质上是一种流程图。
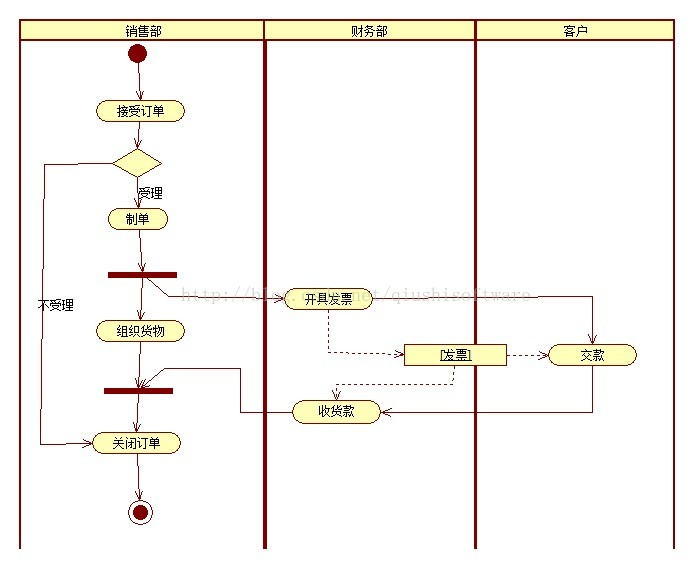
举例说明流程图和活动图区别
活动图

流程图

(1)、流程图着重描述处理过程,它的主要控制结构是顺序、分支和循环,各个处理过程之间有严格的顺序和时间关系。而活动图描述的是对象活动的顺序关系所遵循的规则,它着重表现的是系统的行为,而非系统的处理过程。
(2)、活动图能够表示并发活动的情形,而流程图不行。
(3)、活动图是面向对象的,而流程图是面向过程的。
活动图 描述的是系统执行某一个用例时的具体步骤。
流程图 指程序方法或者函数执行的时间,顺序。

浙公网安备 33010602011771号