低功耗NFC芯片SI512支持多协议读卡日本Felica认证
NFC是一种近场通信,通过短距离无线连接实现电子设备双向交互通信。NFC采用电磁耦合感应技术,工作频率再13.56Mhz,无需要任何许可证。
NFC三种模式:
1.读写器模式:在主动模式下NFC终端可以作为一个读卡器。发出射频场去识别和读、写别的NFC设备信息。
2.卡模拟模式:和主动模式下相反,此时NFC终端则被模拟成一张卡,它只在其他设备发出的射频场中被动响应,被读写信息。如手机NFC开锁
3.点对点模式(双向模式):NFC终端双方都主动发出射频场来建立点对点的通信。相当于两个NFC设备都处于主动模式。
NFC的优点:功耗和成本低,安全性高!
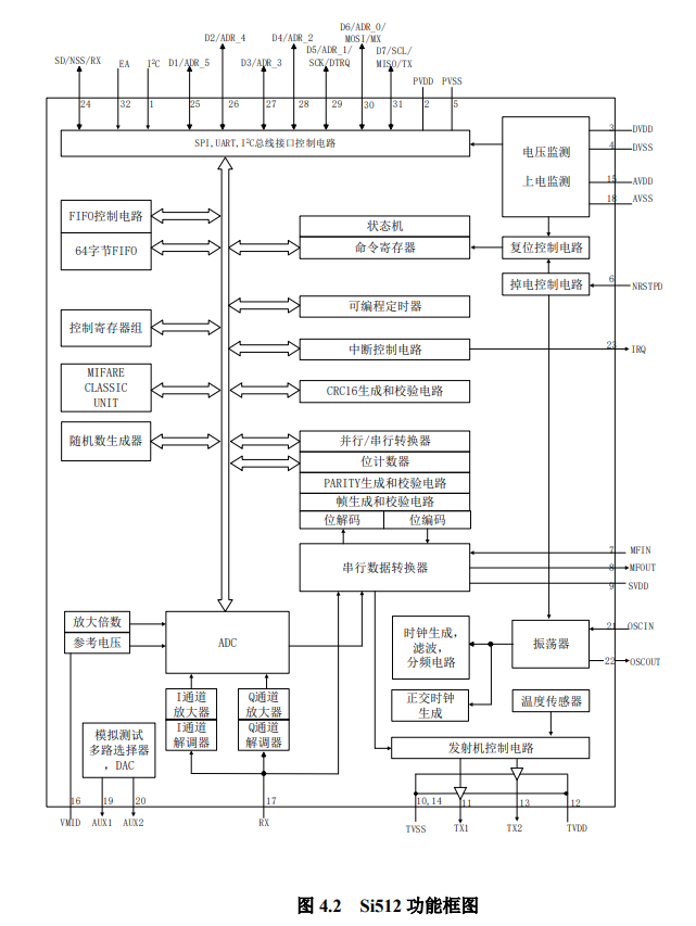
NFC读卡芯片-SI512

主要特性:
1.支持读写模式与卡模拟模式(支持ISO 14443A/B、Felica,NFCIP-1、ACD、OSC起振失败检测功能)
2.读卡NFCIP-1模式下最大距离可以达到50mm
ISO14443A/B/mifare/FeliCa卡模式下典型工作距离在100mm左右,具体要看天线的长度和调谐,以及外部场的强度而定。
3.支持主机接口:SPI接口,串行UART,I2C接口
4.ACD平均功耗:2.9uA(500mS)
5.SI512也支持FeliCa,FeliCa是索尼公司推出的非接触式智能卡.
SI512作为一种近距离无线通信技术,具有一些明显的优点,如功耗极小,安全性极高,同时速率一般能满足两个设备之间点对点信息交换,内容访问和服务交换的需求,对于音视频流等需要较高宽带的应用,可以配合蓝牙,无线局域网等技术,提供一个方便自动的接入功能。
SI512的应用可以分为四种
a.接触通过,如门禁管制,车票和门票等,使用者只需要携带储存着票证或者门控密码的移动设备靠近读卡装置即可。
b.接触确认:如移动支付,消费支付
c.接触连接:两个设备之间数据互相传输交换。
d.接触浏览:NFC设备可以提供一种以上有用的功能,消费者将能够通过浏览一个NFC设备,了解提供的是何种功能和服务

应用领域
1.智能电动车身份是被系统
2.智能刷卡门禁系统
3.低成本非接触式阅读器
4.三表行业非接触式智能控制设备
5.非接触式智能早教产品
6.非接触式只能展示系统
7.NFCIP-1非接触式通信设备
SI512是一颗高度集成的NFC前端,支持13.56MHZ下的多种主动/被动模式非接触式通信方法和协议,支持自动载波检测ACD功能(LPCD低功耗自动寻卡功能),以及多芯片同步功能。
电气特性参数:
1.电压:1.8V-5.0V
2.电流:3.5uA@3.3V
3.发射电流:20mA
4.温度:最低温度-40摄氏度,最高温度+100摄氏度
5.ESD等级:2KV

多重主机接口:SPI接口、串行UART、I2C、8-bit并接口
为了满足客户应用要求,与此同时我们也推出了支持14通道的触摸芯片-SI14T,对比SI12T除了多了两个通道,SI14T少了多芯片同步功能。

浙公网安备 33010602011771号